Fórum témák

» Több friss téma
Fórum » Házilag építhető fémkereső
Lapozás: OK   172 / 272
(#) Ge Lee válasza vandorbot hozzászólására (») Szept 15, 2014 /
 
És hozott bármi javulást? Nem a 4053 mert az nem hoz, hanem a precízebb négyszög? Mert elvileg csak akkor hoz ha stabil. Ha nem az, akkor szinte mindegy hogy mennyire meredek felfutása van. De ez jól látszik az IGSL-megatron végeredményén is, de mondhatnám az IGSL-Cibolát is.
(#) Bu13 válasza Ge Lee hozzászólására (») Szept 16, 2014 /
 
A négyszög jel akkor az igazi, ha a szkópon a felfutó és a lefutó él alig látszik. Jelen esetben a stabilitást a komparátor bemenetén kell keresni, mert az LT1018 egy kitűnő IC. (500Ft) a 339
(35Ft). Az pedig nonszensz, hogy egy 35ns 4053 IC meghajtásának nem kell meredeknek lenni. Egy fémkereső építésénél az egyik fontos, ha nem a legfontosabb dolog a precíz alkatrész alkalmazása. Ebben pedig még az Oroszok is előrébb járnak 15 évvel!!
A 339 kimenetén lévő 22k ellenállások lehetnének kisebbek is, 10-15k. Elég ha az amplitudó
csak 9-10v lesz.
(#) Bu13 válasza Ge Lee hozzászólására (») Szept 20, 2014 /
 
A HEXFET kifejezetten kapcsolóüzemre fejlesztett eszköz,a PI gépek végfokába ajánlom.
(#) alita válasza Bu13 hozzászólására (») Szept 22, 2014 /
 
A HEXFET ugyan úgy jó az IB tipusu gépekhez.Lásd:QUASAR.
A BARACUDA PI gép ugyanolyan jó hagyományos darlington tranzisztorral
mint HEXFET-tel,talán még jobb is.
(#) mulderx hozzászólása Szept 22, 2014 /
 
Megatron valakinél elkészült végleges verzióba? Neki kezdenek epiteni, ha tényleg jól muzsikál magyar földön is
A hozzászólás módosítva: Szept 22, 2014
(#) Ge Lee válasza mulderx hozzászólására (») Szept 22, 2014 / 1
 
Spórold meg magadnak az alkatrészek árát és az elfecsérelt időt, és építs inkább egy IGSL-t. Talán a tavaszra lesz neki egy még jobb változata is, ha bejönnek azok a módosítások amiket a télen akarok kipróbálni. De ha nem, még akkor is jobb mint a megatron.
(#) mulderx válasza Ge Lee hozzászólására (») Szept 22, 2014 /
 
Rendben, addig is egy kedvcsináló a Megatronhoz Bővebben: Link
Videó végén 27 cm-ről 5 koronát szedett ki?
(#) Ge Lee válasza mulderx hozzászólására (») Szept 22, 2014 /
 
A kedved majd akkor megy el tőle amikor kipróbálod. A videó alapján ez sem tud többet az enyémnél, az érméket 25-30 centiről hozza határozottan. A videón azért tűnik többnek, mert folyamatos hangon van a gép, nem pedig csendben. Ezt az inverteres erősítőkkel jól meg lehet csinálni, a műveleti erősítőkkel nekem sosem sikerült. Ezáltal megvan az a plusz információ, ami a hagyományos gépeknél általában elveszik, de ez inkább csak a videón mutat nagyon jól, terepen nem tudod teljesen kihasználni.
A másik, hogy az enyémnél ez a működés sosem tartott sokáig, max. 2-3 percig, utána már elmászott a küszöb, pedig az IC 6-7 helyére 3-3db IC-t is belepróbáltam. És nem csak a rajzon vázolt hőmérséklet instabilitási probléma volt, mert az elmászás úgy is maradt. Biztos én vagyok béna, de másik kettő amit láttam is ugyanezt csinálja, azokat pedig nem én építettem.
Ez meg már valami továbbgondolt verzió, mert pinpoint is van benne, meg talán a vevőamplitúdó is figyelve van egy komparátorral, mert nagyobb jelnél hangot is vált (ilyet állítható formában akartam már én is tenni az IGSL-be).
Szóval egyszerű és nagyszerű kapcsolás ez, csak más alkatrészekkel kellene megcsinálni, mert az nonszensz hogy egy marék IC-t kell venni a válogatáshoz, és még akkor sem biztos hogy jó lesz.
Ha jól emlékszem nekem 3 perc volt a leghosszabb idő amíg normálisan működött, akkor viszont a közepes és nagyobb tárgyakra (pl. spray-s doboz) ugyanazt az érzékenységet tudta (vagy inkább még többet) mint a Cobra. De ezt csak a folyamatosan cicergős beállításban, küszöb fölött.
(#) mulderx válasza Ge Lee hozzászólására (») Szept 22, 2014 /
 
4016 próbáltad 4069 helyett? Valahol azt olvastam az elsőt és az utolsót erre ajánlott kicserélni.
(#) Ge Lee válasza mulderx hozzászólására (») Szept 23, 2014 /
 
Gondolom 40106-ot akartál írni. A 7404-en gondolkodtam mint lehetőség, vagy alacsony feszről is működő műveleti erősítőn. Az első és az utolsó is szinte bármilyen lehet, az IC6-7 a kritikus.
Nekem olyat is csinált hogy beraktam a vadiúj IC-t, fél percig ment, majd átment visításba. Az IC6 kimenete pedig ki volt akadva, néha billent egyet a két táp között. De csinált olyat is, hogy megvolt mindkét kimeneten a 2V körüli érték, 1-2 perc után gondolt egyet és az egyik leesett 1,75V-ra és úgy is maradt. Meg olyat is, hogy működött ahogy kell, másnap bekapcsoltam és már nem. Agyrém. De nem akarlak lebeszélni róla...
(#) mulderx válasza Ge Lee hozzászólására (») Szept 23, 2014 /
 
Lebeszelni nem is lehet. Oroszoknak megy akkor nekünk is fog Fórumon nem láttam hasonló hibát, lehetséges valamelyik alkatrész okozza ezt. Kondik milyenek? Írtak csak orosz vagy kínai gyártmányú jó hozza azok egyáltalán nem melegednek. Ez nem okozhatja a feszültség esest?
(#) Bu13 válasza Ge Lee hozzászólására (») Szept 23, 2014 /
 
A 7404-ről engedd meg, hogy ne nyilatkozzak. A kis tápfeszes OPA rengeteg van, de nem is az a lényeg. Egy 358 IC ből + - 5v táp esetén kb 5-6 volt torzítatlan szinusz érhető el a kimenetén, utána levágja a tetejét.
Egy Rail-to rail IC ből + - 5v táp esetén ez 9-10 volt is lehet. A lényeg pedig a kisebb tápfesz
alkalmazása. Az utóbbi időben sok kereső működik 2x 2.5 táppal. A Rail-to rail egy táppal is
használható. Pl: kettős OPA TLV272 3MHz 160Ft.
A hozzászólás módosítva: Szept 23, 2014
(#) Ge Lee válasza mulderx hozzászólására (») Szept 23, 2014 /
 
Tegyük fel hogy nem kell 2 marék IC-t venned a válogatáshoz (ezt kétlem) hanem elsőre jó lesz. Mennyivel leszel előrébb? Ahhoz, hogy az érmékre 1-2 centivel mélyebbre tudj vele menni a talajban mint a többi gép, ezt a 25V körüli adójelet a duplájára kellene emelni. Újabb 1-2 centihez ezt újból meg kell ismételni, tehát 80-100V körüli adójel kell, de majd kijavít aki ezt másként tapasztalta. A precízebb jelfeldolgozás egy ponton túl már nem elég, mert a talaj nem levegő, elnyeli, módosítja, stb. a mágneses erőteret.
Ebben a kapcsolásban az egyszerűsége az ami nagyon jó, meg az elmésebb fázistoló a hangfokozattal, így a két hanghoz nem kell két külön csatornát építeni, mert egy csatornával is van szelekció, és van külön vas és disc hangjelzés. Persze ez ebben a formában annyira nem precíz mint a két külön csatorna, és csak akkor működik jól ha nincsenek ezek a DC szint elmászások (de vannak).
Nálam pl. a vasat mindig úgy jelezte hogy távolról még nemesfémnek, aztán közelítve már vasnak, beállítástól függetlenül.
Illetve ami még jó lenne benne (ha jó lenne) azok az inverteres erősítők, mert jóval stabilabb DC alapjelet produkálnak mint a műveleti erősítős társaik (pl. a szkóp 10mV-os állásában jelzés nélkül alig billeg az alapvonal, talán csak 1-2mV-ot). Ezért van az ami a videón is látszik, hogy cicergős beállításban van még plusz 5-10 centi érzékenység, ilyen a legtöbb gépen nincs, mert a nagyobb hiba miatt egyszerűen nem lehet megcsinálni. És ezen még lehetne javítani is, mert az adójel itt sem stabil.
Én már egyszer végleg letettem róla, de a télen talán újra előveszem, amikor majd rá is érek foglalkozni vele.

A kondinak semmi köze az elmászáshoz, mert a DC szintek csúsznak el, nem is kicsit, és maradandóan. Az IC tokban lévő hexfetek paramétere változik meg, fogalmam sincs hogy mitől.
(#) Ge Lee válasza Bu13 hozzászólására (») Szept 23, 2014 /
 
Sem a sebesség, sem a kivezérelhetőség nem szempont az erősítőláncban (megatronról beszélünk). Egyetlen szempont van, hogy ha a DC szint (féltáp) mondjuk kereken 2V, akkor az annyi is maradjon, és ne 2,05 vagy 1,95 legyen valamelyik ág, mert onnantól használhatatlan a masina.
Azzal az nx10mV-os feszültséggel bármi megbirkózna egyébként, mert ekkora változás az amit ugye kezelni kell...
(#) Bu13 válasza Ge Lee hozzászólására (») Szept 23, 2014 1 / 1
 
Én nem a levegőbe beszéltem, hiszen Te említetted az 50 éves SN7404 invertert, mint lehetőséget? Ugyancsak Te említetted a műveleti erősítő alkalmazását. A 3 MHZ Nem egy gyors
áramkör, de korszerű. A Megatronra adott tanácsot köszönöm, de úgy érzem ezt nekem kellett volna előadni, hiszen Te küszködsz vele nem én. Az enyém tökéletesen működik, egyáltalán nem instabil. Hamarosan elkészül a nyák és a rajz is, amit valószínű felteszek a fórumra.Ez a
kereső is, úgy mint a többi, megérett egy ráncfelvarrásra, hiszen az Oroszok kb 10 éve, hogy
megalkották, azóta újabb és jobb alkatrészekkel lehet még egy kicsit tuningolni rajta.
(#) mulderx hozzászólása Szept 23, 2014 /
 
Jól értelmezem a hozzászólásod akkor neked van egy működőképes Megatronod?
(#) Ge Lee válasza Bu13 hozzászólására (») Szept 23, 2014 / 2
 
Nem küzdök vele, mert már régóta hagytam a fenébe. Legutóbb 20 centit vagy mennyit írtál a 20Ft-osra, az én olvasatomban a tökéletestől az még eléggé messze van.
A kapcsolás nem rossz, sőt elmés, de ebben a formában egy kalap ....
Jó akkor lenne ha olyan lenne mint bármelyik másik, hogy összerakom a nyákot és működik, úgy ahogy kell, akárhány darab, hiba nélkül. Nem úgy, hogy IC-t válogatok, meg had ne soroljam...
Nem túl sok saját kapcsolást tettem közkinccsé, de eddig azok mindegyike működött, bárki rakta össze.
(#) entorio hozzászólása Okt 3, 2014 /
 
Sziasztok! Új vagyok a témában és szeretnék építeni saját fémkeresőt. Elolvastam az alapdolgokat és mint ha egyféléről nem írnának: az elektromágneses erőtér nagysága a menetszámtól és az áramerősségtől függ. Szerintem ha nagyobb mélységben akarunk kutatni, akkor az elektromágneses erőtér nagyságát kellene erősíteni - 30-40 meneteket írnak, én úgy gondolom 100-200 menetes adótekercset kellene készíteni 1-2 Amper áramerősséggel. Várom tapasztalt emberek válaszát. Előre is köszönöm!
(#) Ge Lee válasza entorio hozzászólására (») Okt 4, 2014 /
 
Ha visszaolvasol a topikban írtam már erről. Ha növeled a menetszámot azzal nő a tekercs ellenállása is, és még kisebb lesz az elérhető amplitúdó. Sok gyári tekercset készítenek 0,2-es 0,3-as huzallal, de ha szétszedsz mondjuk egy silver star fejet, abban olyan 0,6-0,7-es huzalból van megcsinálva az adótekercs, nem ok nélkül. A 0,25-ös huzal méterenkénti ellenállása 0,357 ohm, a 0,6-osé 0,0621 ohm. Nem nehéz kiszámolni, hogy mekkora ellenállása lesz annak az 50-60 méternyi tekercsnek.
A nagy amplitúdó csak az egyik dolog, de egyrészt ez sem növelhető akármeddig egyéb problémák miatt, másrészt a talaj fémoxid tartalma miatt csak csekély mértékben jut mélyebbre, ezért van az, hogy mondjuk a 20V-ról 40V-ra növelt adójellel csak 1-2cm-rel lát mélyebbre a gép.
A másik dolog a stabil meghajtás. Ha egy mezei oszcillátor szolgáltatja az adójelet és erről mennek a fázistoló fokozatok is, akkor a jelfeldolgozás hamar korlátokba fog ütközni a nagy fázishibák miatt, amin utána már javítani sem lehet, mert a hasznos jellel együtt a fázishiba is együtt fog nőni. Korrektebb meghajtásra elég sok példát találni, egyet csatolok.

oszci.jpg
    
(#) entorio válasza Ge Lee hozzászólására (») Okt 4, 2014 /
 
Köszönöm a gyors hozzászólásodat. 170 oldalt nehéz visszaolvasni...
És ha tekercseket párhuzamosan kötök?
Hirtelen annyit olvastam, hogy csökken az induktivitás.
Viszont azt olvastam, hogy a kisebb frekvencia jobban behatol a talajba.
Még csak az alapokat tanulmányozom, de szerintem ha az elektromágneses tér úgymond hatótávolságát kellene megnövelni, de már ott elakadtam hogy a PI keresőnél nagy áramot írnak az egyik helyen, viszont a kspcsolásnál nagy feszültséget 100-500 volt) - talána angy feszültség nagy örvényáramot indukál???
Igaz hogy túl kezdő vagyok, de logikailag nem tudom értelmezni az egészet, az én logoikám szerint az elektromágneses erőtérnek erővonalai vannak és csak az erővonalak növelésével lehet kiterjeszteni az elektromágneses tér nagyságát. Ha egy tárgy nincs benne ebbe a térerősségbe, akkor bármilyen érzékenységű lehet a berendezés, úgymond nem látja.
Szóval lehet nagyon kezdő vagyok, de szerintem a térerősség kiterjesztével lehet mélyebben kutatni, vagy rosszak a gondolataim?
Ha pedig jó, akkor hogyan lehetne sok menetszámot megvalósítani nagy árammal és milyen elvű fémkereső lenne jó. Van egy nagyon jó multiméterem (frewkvenciát és induktivitást is mér), de oszcilloszkópom nincs, mindnesetre előbb az adótekercs kutatásán fáradoznék.
Gondoltam még mikrohullámra is (mikrohullámú sütő)

Az általad belinkelt képet nem tudom értelmezni, nem tudom hogy mi az a sok kimenet...
(#) entorio hozzászólása Okt 4, 2014 /
 
Még csak annyit, mi van akkor, ha kettő vagy több adótekercset helyezek el, mindegyik tekercset külön tranzisztorral választom le azonos oszcillátorral?
Még egy kérdésem lenne: a vevőtekercs az akkor elllntétes irányú és jó ha kisebb, mint adótekercs, gyakorlatilag a vevőtekercs az adótekercsben lenne?
(#) Ge Lee válasza entorio hozzászólására (») Okt 4, 2014 /
 
Pedig ha érdekel a téma akkor nem árt előbb olvasgatni.
A dolog a talaj miatt eléggé összetett, nem olyan egyszerű mintha a levegőben akarnánk fémet érzékelni. Az elektromágneses mező a talajban elhajlik, torzul, elnyelődik, stb. a talaj összetételének függvényében.
A PI gép elve teljesen más, ott a céltárgyban kialakuló örvényáram energiát csatol ki a tekercsen lecsengő (visszaalakuló) mezőből, ami által megváltozik ennek a lecsengésnek az időbeli lefolyása. A tekercsre rákapcsolunk mondjuk 12V-ot, felépül benne a fluxus, az indukció elér egy adott értéket. Ezt a feszültséget utána hirtelen lekapcsoljuk, ekkor az elektromágneses mezőben eltárolt energia hirtelen visszaalakul feszültséggé, amiből lesz egy több száz V feszültségű, ellentétes irányú rövid impulzus. Hogy ez az impulzus mennyi idő alatt épül le (azaz mennyi idő alatt csökken nullára a feszültség) annak is függvénye, hogy van-e, illetve mekkora a közelben lévő fémtárgy, amelyben ilyenkor örvényáram indukálódik. Ez a lecsengés van mintavételezve és kijelezve.
Az IB VLF néven emlegetett műszerek pedig fázisdetektorok. Ezek azzal a megoldással dolgoznak, hogy az adótekercs elektromágneses mezejében elhelyezik a vevőtekercset, olyan helyzetben, hogy az abban indukálódott feszültség minimális, nullához közeli (úgymond kiegyenlített) legyen. A mezőbe kerülő fémek, illetve a talaj különböző módon befolyásolják a két tekercs kiegyenlített állapotát, különféle értékű és mértékű fázistolást okozva a vett jelben. Ezt a fázisváltozást feldolgozva jelezhető a céltárgy, illetve lehetőség van a különféle fémek "szelektálására" is, mert azok más más értékű fázistolást okoznak.

A dolognak azt a részét jól látod, hogy ha a céltárgy kellően távol van az adótekercs mezőjétől, akkor semmilyen válaszjelet sem fog produkálni a vevőtekercsben, akármilyen szuper áramkör van utánakötve. Hogy ez a mező konkrétan mekkora egy adott átmérőjű, menetszámú, amplitúdójú adótekercs esetén, ezt én meg nem mondom.

A tekercsen a jelet egyféleképpen látod, oszcilloszkóppal, amivel egyúttal a frekvencia is mérhető. Ha ilyesmivel akarsz foglalkozni, akkor a szkóp az alap. Abból is a kétcsatornás, hogy lásd 2 jel egymáshoz képesti fázishelyzetét, enélkül csak sötétben tapogatózol. A 3 csatorna még jobb, ezen egyszerre nézhetek hármat is (csatolt kép). Az induktivitás értéke ezeknél a tekercseknél inkább csak a rezonancia meghatározásához lényeges, egyébként lényegtelen.

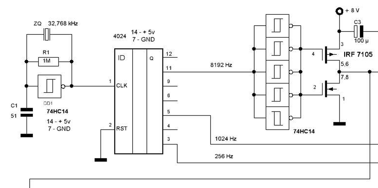
A képen egy lehetséges megoldást mutattam a vevőtekercs meghajtására. A 7414 egyik invertere az oszci, ennek a frekijét leosztja kétszer (azaz negyedére) a 4024, ami a további párhuzamos invertereken (buffer fokozat) keresztül hajtja a 2db komplementer fetet, azok pedig a tekercset. Ha a 4024 kimenete kellően szimmetrikus, és elbírja 2 tranyó bázisáramát, akkor közvetlenül a 4024 kimenetéről is meghajtható 2db tranzisztor, ami aztán hajtja a tekercset.

3_channel.jpg
    
(#) Ge Lee válasza entorio hozzászólására (») Okt 4, 2014 /
 
A kísérletezésnek csak az idő és a kedv szab határt, egyébként a határ a csillagos ég.
A vevőtekercs fázishelyesen van kötve az adóval, de ez kapcsolásfüggő is, mert többször is lehet forgatva a vevőoldalon. A mérete sincs kőbe vésve, a koncentrikus fejnél jóval kisebb, a többinél (OO, DD, SEF, egyéb szimmetrikus formák) pedig ugyanakkora.
(#) Attilawap hozzászólása Okt 5, 2014 /
 
Van egy olyan őrült ötletem, hogy a Deltámhoz szeretnék kisebb átmérőjű fejet csinálni, hogy a kisebb fémtárgyakat jobban jelezze (persze nem fél méter mélyen). Szerintetek jó ötlet? Na mármost írtátok, hogy nagyobb menetszám esetén célszerű vastagabb drótot használni a fejhez, mert kisebb az ellenállása. Én úgy tudom, hogy a Deltához 400-500uH-s tekercset célszerű készíteni, de ha én vastagabb dróttal 1000uH-sat csinálok, azzal érzékenyebb lesz?
(#) nagym6 válasza Attilawap hozzászólására (») Okt 5, 2014 /
 
Delta nincs nekem, Surf és Equinox van, szintén Pi rendszerű. Annyit tudok hozzáfűzni, hogy a 400uH körüli induktivitás értéket azért is kell tartani, mert ennek csillapítása jól megoldható. 1000uH tekerccsel nagyon belengene, rezonálna, nem lehetne beállítani a kellő csillapítást. Illetve lehetne, de olyan mértékben kellene, ami az érzékenységet eléggé csökkentené. Tehát rosszabb lenne. Én is kísérleteztem nagyobb induktivitású tekercsekkel, nagyon hosszú lecsengésű rezonanciák keletkeztek.
(#) Attilawap válasza nagym6 hozzászólására (») Okt 5, 2014 /
 
És ezt a belengést mi okozza? Ki lehet ezt küszöbölni valahogy?
(#) nagym6 válasza Attilawap hozzászólására (») Okt 5, 2014 /
 
A tekercs és a hozzá kapcsolódó kapacitások rezgőkört képeznek. Szórt, és áramköri kapacitások, pld. a kapcsoló FET is. Lényegében impulzus hatására berezonál a rendszer, és lecseng, ahogy a csillapító ellenállás felemészti energiáját. Tudtommal nem lehet kiküszöbölni, legalábbis én még nem hallottam ilyen sikerről.
A hozzászólás módosítva: Okt 5, 2014
(#) entorio hozzászólása Okt 6, 2014 /
 
Olvasgatok a témának, napi több órát is, a hobby elektronika fémkereső könyvet is megvettem.
Az induktív híd vagy a PI impulzusos megoldás tetszik, bár szerintem ötvözni lehetne több megoldást több vevőtekerccsel.
Bár most a fejekhez küloön téma van, mivel itt kezdtem írni, lenne egy alapvető kérdésem, mert az induktív hídat nem teljesen értem: a két menetszámot (adó és tekercs) úgy álíltják be, hogy 0 Volt ill. kicsivel több, 1 volt legyen a kimeneten, na már most a vevőtekercs ellentétesen van és ellentétes irányú feszültség keletkezik az adótekerccsel, így lesz nulla volt???
Mert gondolom alapesetben végülis egy lemezmag nélküli trafó.
A DD fej miért lett előnyősebb, mint ha az adótekercsen belül egy kisebb átmérújű tekercseléssel helyezném el a vevőtekercset?
És az ötletemre visszatérve (több adótekercs) megvalósítható valamilyen szinkronnal (egyforma szinuszjel)?
Hát igen oszcilloszkóp jó lenne, de ha vennék egyet, akkor helyette már fémkeresőt is tudnék venni belőle...amilyen drága...
A hozzászólás módosítva: Okt 6, 2014
(#) tursaba válasza entorio hozzászólására (») Okt 6, 2014 /
 
Az oszcilloszkóp egy igen sokrétűen használható eszköz, ha megtanulod a használatát.
Az ár tükrözi az eszköz használhatóságát. Ha elkezdesz elektronikával foglalkozni, sokat segít.
pl.: fejet beállítani nehéz nélküle.
(#) Cavalier válasza entorio hozzászólására (») Okt 6, 2014 /
 
Ha komoly célra kell, akkor nem úszod meg a beruházást. Mire egy használható fémkeresőt csinálsz, ráköltesz annyit, mintha vennél egyet, kb. 100ezerért.
Ha "játszani" kell, akkor csinálj egy mikrokontrolleres PI-t, van sokféle a neten, azzal elég jó érzékenységet el lehet érni, és valamennyire tud szelektálni is.
Ha boldog vagy akkor is, ha alumíniumdobozokat, és traktorfogaskerekeket találsz, akkor csinálhatsz sima PI-t, pl. a Hammerhead belőhető egy jó multiméterrel is, ha érti az ember a működését. Ezekhez viszonylag egyszerű fejet készíteni.
Következő: »»   172 / 272
Bejelentkezés

Belépés

Hirdetés
XDT.hu
Az oldalon sütiket használunk a helyes működéshez. Bővebb információt az adatvédelmi szabályzatban olvashatsz. Megértettem