Fórum témák

» Több friss téma
Fórum » HEED canopus, obelisk /HTA-30/
Lapozás: OK   38 / 59
(#) Alkotó válasza Moszkvai hozzászólására (») Nov 19, 2013 /
 
Idézet:
„Az nincs rajta a nyákon, azt külön szoktuk megoldani.”

Van olyan terv, amin ez rajta van (és minden más is).
(#) Rappit válasza Alkotó hozzászólására (») Nov 19, 2013 /
 
És azt hol zárjam rövidre?
(#) Alkotó válasza Rappit hozzászólására (») Nov 19, 2013 /
 
Sajnos nem tudom ettől jobban megfogalmazni:
Idézet:
„Közvetlen a panel bementén zárd rövidre...”
(#) Rappit válasza Alkotó hozzászólására (») Nov 19, 2013 /
 
Rendben, majd kisilabizálom, csak nem akarok valamit elrontani Amúgy amikor bekapcsolom pukkanik egyet a hangszóró és a jobb oldalon elég nagy brumm van és az kb 5mp alatt megszűnik, ez azt jelzi, hogy a pukkanásgátló nem működik benne? (Még a brummhoz: a jobb oldalon nagyobb, a balon alig észrevehető alapból)
(#) Doncso válasza Rappit hozzászólására (») Nov 19, 2013 /
 
Koppanás gátló, nem pukkanásgátló. Fogd meg a panelodat, ahova a jel megy, azaz a bemenetet a panelon, és kösd le a jelvezetéket róla, majd zárd rövidre. Ezek után hallgasd meg brummos e. Így kiderül a jelvezetékkel vagy az ehhez tartozó kábelekkel, potival stb van gond, vagy mással.
(#) Rappit válasza Doncso hozzászólására (») Nov 19, 2013 /
 
Ja, tényleg! Oké, köszi mindenkinek, majd lehet nekiállok valamikor, de egyelőre jó így is.
(#) Moszkvai válasza Alkotó hozzászólására (») Nov 19, 2013 /
 
Tudom, hogy van olyan terv. Ezt most az Ő általa feltett nyákra értettem.
(#) Moszkvai válasza Rappit hozzászólására (») Nov 19, 2013 /
 
A csőfoglalat lábáról is vezetheted, a nyák alsó felén. De vigyázz, hogy az ellenállás lába ne zárjon rövidre semmit. Legjobb ha húzol rá szigetelőcsövet.
(#) Rappit válasza Moszkvai hozzászólására (») Nov 19, 2013 /
 
És ez igazából miért jó?
(#) Moszkvai válasza Rappit hozzászólására (») Nov 19, 2013 /
 
Ez a fűtés fesz brumját hivatott csökkenteni, ami a kimeneten is jelentkezik. Többféle megoldás is létezik erre, ez az egyik legegyszerűbb.
(#) Rappit válasza Moszkvai hozzászólására (») Nov 19, 2013 /
 
Oké, köszi!
(#) Doncso hozzászólása Nov 21, 2013 /
 
Sziasztok. Lassan épülget a HT-A30-am, és kis dilemmában vagyok. Előszedtem a trafót, amit neki szántam, s csak 42Vac jön le róla, ha jól emlékszem 48Vac a javasolt, ez nem tudom mennyire probléma, illetve a másik nagyobb dilemmám, hogy a trafó segédfeszültsége 15Vac, ezt szánom fűtésnek, de latolgatom milyen módszerrel csökkentsem 6,3-ra. Eszembe jott, hogy stabbal, de ahhoz egyenirányítani kell, és fog fűteni rendesen majdnem 5w-ot, esetleg ellenállással, ez mondjuk egyszerűbb, de nem tudom mennyire célra vezető, vagy rendeljek ilyen kis kapcsi üzemű step down konvertert? Mit gondoltok erről?
(#) CIROKL válasza Doncso hozzászólására (») Nov 21, 2013 /
 
Szia Doncso ! a 42 AC -vel semmi gond ez még jó is a 15 Volt fűtés feszültség sem vészes , én ha helyedben lennék P jelű csövecskét tennék máris mást mutatna simán egy7805 felemelve a megfelelő feszre és ennyi!
(#) reloop válasza Doncso hozzászólására (») Nov 21, 2013 /
 
Szia! Ha a trafó megengedi tekerd rá/fűzd bele a 6,3V-ot. Akár 2x3,15V is lehet, a megcsapolást testelendő.
Amennyiben a fölös feszültséget kénytelen vagy hővé alakítani akkor valóban egy soros ellenállás a legegyszerűbb. Kombinálhatod is, az ellenállás után egyenirányítasz, pufferelsz, stabilizálsz, így megoszlik a disszipáció.
(#) CIROKL válasza reloop hozzászólására (») Nov 21, 2013 /
 
Idézet:
„egy soros ellenállás a legegyszerűbb”
Ez valóban a legegyszerűbb de a soros ellenállás legalább annyit fűt mint egy stab kocka és az ellenállást nehezebb eltüntetni és be építeni mint egy stab kockát amit egyszerűen felcsavaroz a doboz bármely részére , na ha csak nem fából lesz a doboz !
A hozzászólás módosítva: Nov 21, 2013
(#) CHZ válasza Doncso hozzászólására (») Nov 21, 2013 /
 
Ahogy reloop is javasolta, R/C szűrést követően stab. IC, így a keletkező hő megosztható. Az ellenálláson és az IC-én feleződne a disszipáció. Szűrésben is sokat segítene.
(#) reloop válasza CHZ hozzászólására (») Nov 21, 2013 /
 
Üdv! Egy megfelelő reaktanciájú soros kondenzátort már nem is mertem ajánlani.
(#) Doncso válasza CIROKL hozzászólására (») Nov 21, 2013 /
 
Szia Laci. P jelű csőbe gondolkoztam, de megvallom őszintén, évek óta féltve őrzök egy aranyozott lábú új dobozos mullard 88-ast, kifejezetten erre a célra, most a végénél már nem lenne szivem lecserélni másra. Hajlok az ellenállásos - stabos megoldásra. A dobozt még nem tudom miből lesz, de jó eséllyel lesz benne fa.
(#) Doncso válasza reloop hozzászólására (») Nov 21, 2013 /
 
Szia. A trafó sajnos nem engedi, impregnált, réz árnyékolt nagyonegybevan trafó, viszont cserébe csendes. Hajlok a soros ellenállás és a stab dologra.
(#) Doncso válasza CHZ hozzászólására (») Nov 21, 2013 /
 
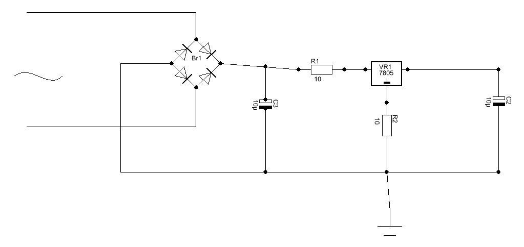
Tetszik a dolog. Esetleg tudnátok segíteni ennek a kiszámításában? Készítek egy rajzot, csak egy kis segítséget kérek az értékekben.
(#) Doncso hozzászólása Nov 21, 2013 /
 
Az elmondottak alapján rajzoltam egyet. Tudnátok segíteni az értékek kiszámításában?
(#) reloop válasza Doncso hozzászólására (») Nov 21, 2013 /
 
Magam is rajzoltam egyet, hogy világos legyen mire gondoltam. Mekkora áram folyik az fűtőszálon?
Szerk.: 365mA?
A hozzászólás módosítva: Nov 21, 2013
(#) bakos13gab válasza Doncso hozzászólására (») Nov 21, 2013 /
 
Esetleg ha most tervezed, építheted LM317-el is. Kicsit módosítva a Slow turn on 15V-os áramkört, full extrás fűtőtápod lehet, lassú felfutással. Az értékekkel lehet játszani. egyszer már megépítettem és ha jól emlékszem egy 5K-s helitrimmert raktam bele, amivel tökéletesen be lehetett terhelve állítani 6,3V-ra a fűtést és kb. 5 másodperce lőttem be a felfutást a kondi értékével játszva (nem teljesen lineáris).
A hozzászólás módosítva: Nov 21, 2013
(#) reloop válasza reloop hozzászólására (») Nov 21, 2013 /
 
Ilyen a tranziense.
(#) Doncso válasza bakos13gab hozzászólására (») Nov 21, 2013 /
 
Köszönöm a rajzot, ezt elteszem. Később még jól jöhet. De most reloop egyszerű rajzát fogom alkalmazni. mivel csak egyetlen csövecske fűtéséről van szó.
(#) Doncso válasza reloop hozzászólására (») Nov 21, 2013 /
 
Igen, 300-350mA, jó lesz szerintem. R1-nek 5W-os ellenállást gondoltam, ha jól sejtem összesen lesz 4-4,5w disszipáció. A stabnál a soros diódákra nem is gondoltam, az tök jól megemeli 2 p-n átmenettel. Pont elég. Nem kell ellenállásokkal neccezni. Köszönöm a rajzot. Van is próbanyákom, azon gusztusosan össze lehet állítani.
A hozzászólás módosítva: Nov 21, 2013
(#) Doncso hozzászólása Nov 21, 2013 /
 
Mesterek. Meg is van az első probléma, mely élesztéskor lépett fel. Mindkét oldalnál ugyanaz a probléma. A tápágban lévő 10 ohmos ellenálláson 8V-esik, ez szerintem elég magas. A mellékletben szereplő LAY alapján építettem. A BC tranzisztorok tipusát és lábait szintén a nyák tervről vettem, mivel rajzot nem találtam a csöves verzióról. Poti tekerésre növekszik az áramfelvétel, viszont az elektroncső felett található 150ohmos ellenállás melegszik, 15-20mp múlva kezd elszineződni. Mind a két oldal ugyanezt produkálja. Próbálok rájönni, talán a kis tranzisztorok pozíció rajzolata nem lenne jó?

hta.JPG
    
(#) Doncso hozzászólása Nov 21, 2013 /
 
Elméletileg rájöttem mi a baj, az átkötéssel lesz a gond, én a 27K-ohmos ellenállásra kötöttem, a rajzon pedig a 12K-ohmos ellenállás lábára van kötve. De akkor a 27K lába üresen van, akkor ezt most nem értem. Rossz a nyák terv? nincs esetleg ehhez a nyák tervhez rajz, hogy látható legyen mi a probléma?
(#) Rappit válasza Doncso hozzászólására (») Nov 21, 2013 /
 
Szia!
CIROKL képén nagyon jól látszik, hogy hova megy. : Kép
(#) CHZ válasza Doncso hozzászólására (») Nov 21, 2013 /
 
Szia!
Nincs átkötés, fólia megy oda.

HTA.LAY
    
Következő: »»   38 / 59
Bejelentkezés

Belépés

Hirdetés
XDT.hu
Az oldalon sütiket használunk a helyes működéshez. Bővebb információt az adatvédelmi szabályzatban olvashatsz. Megértettem