Fórum témák
» Több friss téma |
Fórum » Huzalozott logika
Témaindító: hagymásbab, idő: Okt 13, 2009
Témakörök:
Üdv!
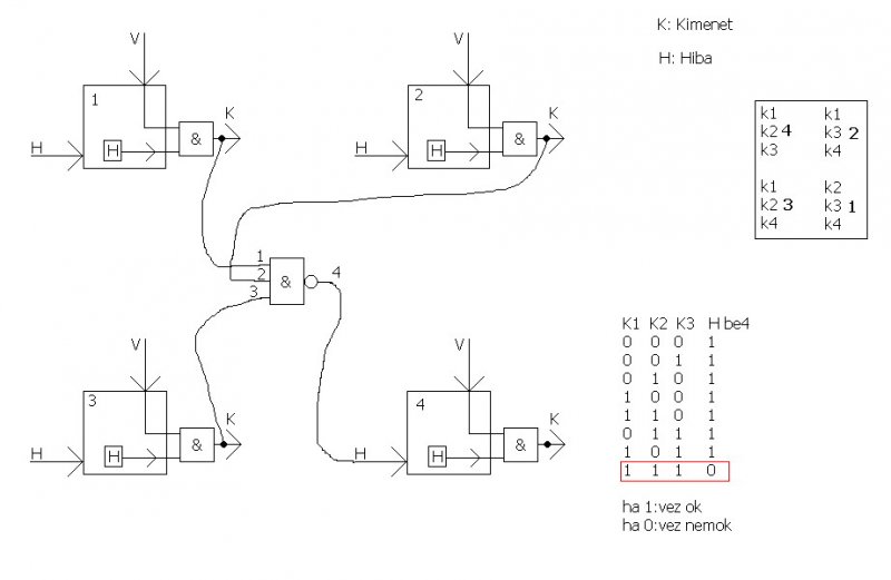
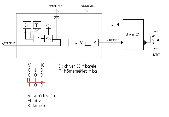
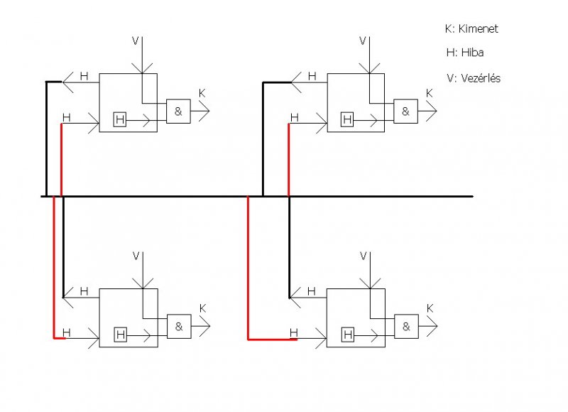
A segítségeteket szeretném kérni a következőben: A 001-es képen az látható (1db panel), hogy ha a driver IC kiad egy hibajelet, vagy pedig hőmérsékleti hiba jelentkezik, akkor először az RS tároló átbillen (az RS tárolót csak manuálisan egy gombbal lehet resetelni), majd a hibajel invertálódik, és továbbmegy az ÉS kapuba. Az igazságtáblán látható, hogy bármilyen hiba esetén nem lehet vezérelni. A 002-es képen 4db panel látható (leegyszerűsítve, és nincs IGBT és IC). Eddig csak a driver IC hibajeléről és a hőmérsékleti hibáról volt szó. De az is ad egy hibajelet, amikor bármelyik panel meghibásodik, akkor a hibás panel az "error out"-on kiadja a hibajelet, a másik három panelnek pedig megjelenik az "error in" bemenetén,ennek következtében a nem meghibásodott paneleken is le lesz tiltva a vezérlés. A gondom az, hogy ezt az "1 panel meghibásodik, a másik 3 is letilt" működést nem tudom,hogy hogyan oldjam meg huzalozott logikával (eddig sajnos még azt se találtam meg, hogy mi pontosan a huzalozott logika). (Egy megoldásom viszont van, az van feltüntetve a 003-as képen.)
Ha huzalozott VAGY kapcsolatra gondolsz, azt nyitott kollektoros kimeneteknél lehet alkalmazni (aktív alacsony jeleknél szokás, tehát itt az lenne a jel, hogy "hiba"). Ez úgy működik, hogy az összes kimenetet direktben összehuzalozod és az egészet egy ellenállással felhúzod magas szintre. A megoldás előnye, hogy így n db. kimenetet is össze lehet kötni, nem kell előre tudni, hogy hány bemenetű kapu kell majd.
A rajzod szerinti (003-as ábra) igazságtáblához a fentiek szerint kapott jelet a 4-es panel számára még negálni (invertálni) kell.
Hello!
Nem tudom mi ez, de gondolom egy vezérlő modul, melynek van hiba ki és bemenete. De szerintem kissé elkomplikálod a problémát. Gyanítom a ki és bemenetek jel kompatibilisek, így nem kell oda semmi, legfeljebb egy ellenállás a vonal lehúzására. (De az a gyanúm az sem kell!) A 001-es ábrán, a hiba kimenetén látok egy diódát. Tehát a modul, ki tud adni logikailag magas szintet (hiba van), de ha a hibaszintje nulla (nincs hiba) nem tudja lehúzni a hibakimenet feszültségét. Tehát alapvetően, minden modul hiba ki és bemenetét közösítheted egy vezetékkel, ahogy a 002 rajzon látható. (ez maga a huzalozott logika). Ebben az esetben, ha egy modulban hiba lép fel, akkor annak a hiba kimenetén megjelenik egy magas szint. Ezt megkapja a többi modul hiba bemenete is, és ezzel minden modul letiltja a vezérlő jelét. (a hibát kiadó modul, is megkapja saját hibajelét, de ez nem gond, hiszen a saját belső jele, már előzőleg tiltotta a vezérlést) Ha a hibás modulon megszűnt a hiba forrása, és megnyomod a törlő gombot, akkor annak hibakimenete alacsony szintű lesz, így a huzalozott szakaszon, eltűnik a hibajel. (Persze csak abban az esetben, ha más modulnál nem volt hiba. Mert ha volt, csak akkor tűnik el, ha minden hibás modul nyomógombját már megnyomtad.) üdv! proli007
Hello itt egy program hátha segít. Logikai kapcsolásokat lehet tervezni illetve működtetni.
Üdv!
Köszönöm a válaszokat, és a programot is! |
Bejelentkezés
Hirdetés |







