Fórum témák
» Több friss téma |
Fórum » ICL7106/ICL7107
Sziasztok!
Ehez a hozzászoláshoz kapcsolodoan (#486650) dudzsi szeretném megkérdezni hogy a lomex oldalán található "MŰSZER DIGITAL PM435 200mV PANELMETER LCD/B -V- PANELMŰSZER KÉK HÁTTÉRV" müszerhez elég e ha berakok egy fesz stabilizálot ahoz hogy az alábbi linken található akkutöltönek az amperét mérhessem?kép A söntöt pozitiv vagy negativ ágba érdemes rakni? Elöre is köszi
Sziasztok
AZ ICL7106 el tudja vinni a LED kijelzőket vagy egyáltalán nem alkalmas rá? Ha jól tudom akkor a 06-os az LCDs a 07-es pedig a LEDes. Ha kis méretü /fogyasztásu/ LED kijelzőt használok kompatibilisek?
Szia!
Semmiképpen sem. Az LCD és a LED kijelző teljesen más elven működik...
Szia
Nem grafikus vagy karakteres hanem 3,5digit 7szegmenses LCDről van szó. Ez nem ugyanugy müködik mint egy LED kijelző? Közös anód és szegmensenként egy 3v-os katód? Csak kissebb áramerősségen hajtja mint a LEDest. De lehet hogy tévedek, nagyon ellentétes infókat kaptam erről.
Az LCD kijelzők egyik fő problémája ,hogy NEM kaphat folyamatosan ugyanolyan polaritású jelet, mert tönkre megy.
Ezért váltott polaritású vezérlést kap.(általában ha nincs rajta kijelzés a két végén ugyan az a feszültség váltakozik (++ - -) ha a karakter megjelenik akkor ellentétes polaritást kap, de ezt is váltogatja .(+ -,- +) (a hátlaphoz képest) Ezért nem használható úgy mint egy ledes kijelző.
Értem. Köszönöm a válaszokat, most már legalább világos.
Kár hogy olyan drágák az említett LCD kijelzők hogy jobban megéri kész panelmérőt venni mint építeni egyet.
Hello!
De ha csak egyszerű józan paraszti ésszel gondolkodol.. Gyártott volna az Intersil kétféle IC-t, ha egyel is megoldható a vezérlés? Egyébként mindig olcsóbb komplett cuccot venni mint részegységenként. :yes: üdv! proli007
Ha egy tipuson belül is gyártanak 5-6 eltérő modelt akkor miért ne gyárthatna kétfélét. Az sejtettem hogy LED LCDvel nem felcserélhető de reménykedtem hogy fodítva igen.
Sziasztok.
Tévedésből vettem egy icl7107-est, de nincs rá szükségem. Érdekel valakit? Valaki átvenné tőlem?
Helló! És mit akartál venni eredetileg?
Jó reggelt!
Eredetileg 7106-ot akartam venni, mert van egy rossz műszerem, amiben az ic pukkant el. (Nem tudom, hogy hogyan, mert egy havertól kaptam.) Gondoltam csinálok egy panelműszert, de annyira rohantam, hogy a boltban 7106 helyet 07-et kértem. Azóta már megvettem a 06-ost is, mert a boltban nem mentek bele a cserébe. Hiába a 06-os olcsóbb, akkor sem mentek bele az egy az egybe cserébe. Téged érdekel esetleg?
Helló!Kár, hogy meg vetted mert pont egy cserét akartam felajánlani. Mert 7106-ból el vagyok eresztve de 7107-em nincsen.
Tiszteletem mindenkinek.
Egy olyan kérdésem volna, hogy az itt közzétett kapcsolási rajzok között, a Topi által írt feszültségmérős cikkben ( Ez ) található NYÁK-panel fizikai mérete mekkora? 74mm * 42mm? Üdv.: 002
Teljesen beszerelve, üzemszerű körülmények közt is működik már a szoros illesztéshez tervezett kétpaneles kijelző. Még attól is jobb, mint amit vártam, gyakorlatilag szinkronban mér a multiméteremmel. Ez bőven kielégítő mérési pontosság.
Mindenkinek ajánlom, kicsi, univerzális, csak egyetlen AC8V kell neki, és szinte bármilyen kijelzőhöz kaphat "kis panelt". Itt van egy melléklet, aminek végén néhány fotó kimondottan a műsze...lteti. Az említett műszer pl. itt található
Eddig erről még nem volt itt szó, de a számjegyes kijelzők elé célszerű egy kis ablakot tenni.
Ez távolról sem olyan egyszerű probléma mint azt sokan hiszik, ugyanis ilyen "ablakot" nem lehet kapni, csak csinálni. Ma én is ezzel bíbelődtem, és hogy még izgalmasabb legyen, csak olyan plexit tudtam szerezni, aminek a felülete nem sima volt, hanem rücskösített. Ezt én jó sok lépésben, egyre finomabb csiszolással leszedtem, majd políroztam (jó kis meló, nem kívánom senkinek). A mellékelt fotón kétféle plexi is van, egyszer vakuval megvilágítva, egyszer a nélkül. A Felsőből csináltam ma 10 db-ot, az alsóból már csak kettő van régről. Kipróbáltam, a felsőn is nagyon jól átjön a számjegyek fénye, viszont az éppen nem világító szegmensek nem látszanak. Viszont ha napfényben kell használni, akkor a számok se plexivel, se a nélkül nem olvashatóak jól, sőt plexivel talán még kicsit jobban.
Sziasztok!
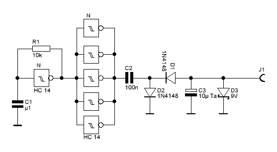
7107-nek a -5 V-os ága mennyi áramot vesz fel? Sajnos nincs a közelemben próbadarab amit lemérhetnék. A problémám hogy 12 V egyenfeszültség áll rendelkezésre és abból kellene csinálni +--os tápot : találtam kapcsolást NE555-tel de nem tudom hogy mennyire terhelhető. Ezért lenne jó tudni hogy megkora az áramfevéltele...köszi szépen Üdv Kicsa
Hello, 0,6mA-t. Nálam ehhez egy 74HC14-gyel felépített "táp" is elégségesnek bizonyult.
Bőven elég. Volt amikor úgy oldottam meg, hogy a saját oszcijáról vezéreltem egyetlen tranyót, úgy állítottam elő a negatív tápot. mA-t vesz fel maximum.
Sziasztok!
Medve ! Esetleg tudnál mutatni egy rajzot a tápról? Hirtelen nem találok ilyen ICvel felépítettet. Vagy akkor mehet az NE555-ös verzió is nyugodtan? köszönöm szépen mindketőtöknek! Üdv Kicsa
Szia!
Itt van két megoldás is.
Szia!
Köszönöm szépen,nekem az első szimpatikusabb valamiért. Így arra esett a választásom! Köszönöm szépen! Üdv Kicsa
A 7660-as IC éppen erre van kitalálva. (egy 8-lábú IC + 2 kondi)
:eek2:
Nem semmi...ehez tényleg össz vissz 2 kondi kell. Igaz hogy kicsit drágábban jövök ki így,viszont helyet tudok vele takarítani ami most fontos szempont! Szóval azthiszem akkor ez marad...még jó hogy nem nyomtam még rá a HE store rendelésre... köszi szépen
Igen nem felejtem,bár már így is szegény panelon lesz vagy 4 db 5V-os stabic...
köszi szépen
Sziasztok!
Szeretném a segítségeteket kérni. Megépítettem Attila86 kapcsolási rajzát. A problémám hogy a kijelzőn egy „1” számjegy látható. Ha a bemenetre 50 mV vezetve sem változik. Rossz lehet az IC? Válaszokat előre is köszönöm.
Nem tudunk eleget a diagnózishoz.
Azért van amit érdemes kipróbálni: 1. Mérd meg a tápfeszültségeket (+5V az 1-es lábon; -5V a 26-os lábon; és persze GND a 21-es lábon és még a 30-ason is, meg a 32-n is. ) 2. Referenciát is le kell ellenőrizni (36-os lábon 100mV-nak kell lennie) 3. Rövidrezárt bemenetnél nullát kell mutatnia, hiszen van egy autozéro funkciója. Pontosabban az enyémek úgy mutatnak nullát, hogy közben néha felvillan a negatív előjel. 4. Végül, amit előre kellett volna írnom, nem árt átnézni nincs e elkötés valahol. Esetleg rosszul berakott IC, sőt láttam már olyan tervet is, ahol úgymond "kifordították" az IC-t a tervezéskor (csak úgy lehetett berakni, ha a lábait áthajligatták a másik oldalra). Valamint kijelzőből is többféle bekötésű létezik, annak is stimmelni kell.
Mielőtt beleraktam az IC-t kimértem a +5v -5v GND és beállítottam a referenciát 100mV-ra a 36-os lábon. Csak ezek után raktam bele az IC-t a foglalatba. Viszont most újramértem mindent és a -5V a 26 lábon nincs meg. Lehet hogy a 79L05 kifeküdt? Este kicserélem hátha ez okozza a hibát.
Szia! A csere előtt mérj feszt. a 79L05 kimenetén. Ha nincs -5 Volt én elvágnám snicerrel a fóliát és úgy mérném meg a táp IC kimenetét mert lehet egy zárlat is és leül az IC.
|
Bejelentkezés
Hirdetés |












