Fórum témák
» Több friss téma |
A topikot azért nyitottam, mert sok témakörnél találkoztam azzal a problémával, hogy hogyan lehet valamilyen alakú jelet más alakká transzformálni, de ezeket jó lenne együtt látni. Sok magasszintű kapcsolás mellett - főként a kezdők számára - hasznos lenne, ha alapkapcsolásokat is lehetne találni. Ilyeneket viszont sehol sem találtam.
Konkrétan engem most az érdekelne, hogy négyszögjelből hogyan lehet a legegyszerűbben szinuszjelet csinálni. Egyszerű kapcsolást és valami magyarázatot is szeretnék kapni. Ha valaki tud ebben segíteni, azt nagyon megköszönném.
A négyszögből először háromszögjelet kell csinálni egy integrátorral, majd azt formálni színusszá. Egy adott frekvencián R-C tagokkal is meg lehet oldani.
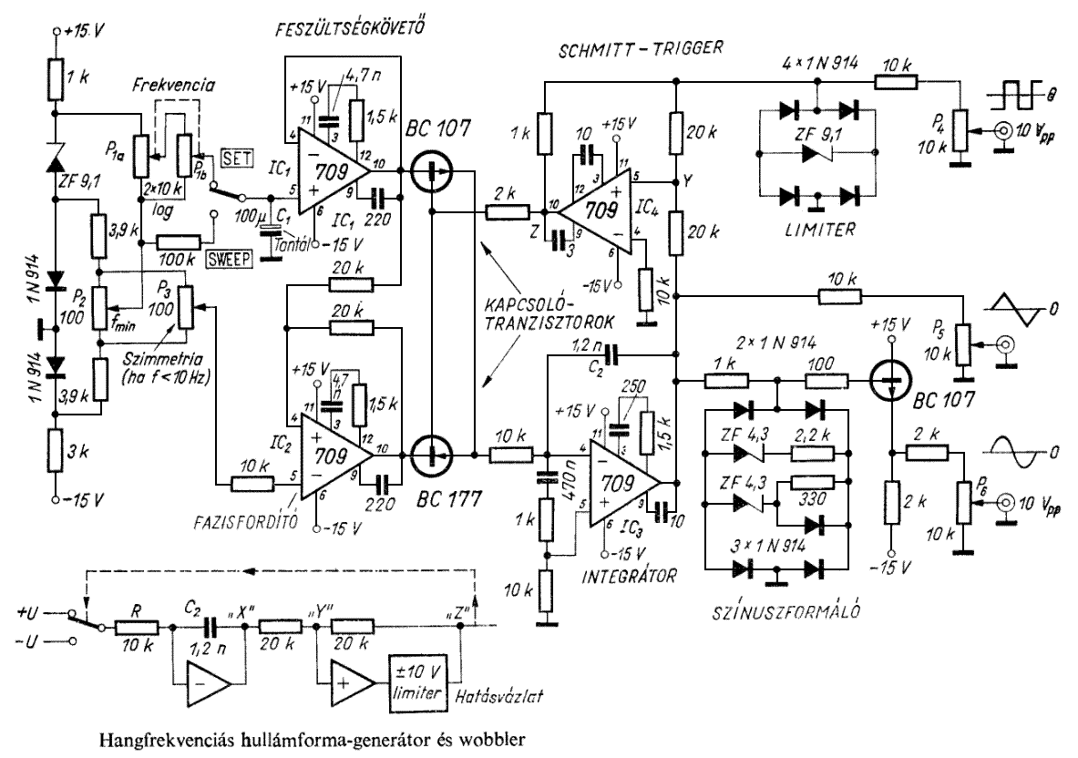
Itt egy ősi kapcsolás, ezen mindenre akad példa.
Van egy olyan sanda gyanum, hogy Göndör valami egyszerubbre gondolt, nem egy komplett fuggvenygeneratorra. Peldanak amugy erdekes, mert nem mindennapi
Egyebkent ahogy Sebi is irta RC alulatereszto szuro tagokkal lehetne legegyszerubben kivitelezni mondjuk a negyszogbol szinusz jelet egy adott frekvencian. Minel tobb RC tagot kapcsolsz egymas utan annal szebb szinuszt kapsz. Es hogy miert mukodik a dolog? Azert mert minden periodikus jel felbonthato megfelelo amplitudoju es frekvenciaju szinusz jelek osszegere. A megfeleloen meretezett RC szurok pedig annyit tesznek, hogy a negyszog jelben levo nemkivanatos szinuszjeleket kiszurik es vegul megmarad a az un. alapharmonikus aminek a frekvenciaja egyenlo a negyszogjel frekvenciajaval. Egyebkent az elektronikaban egyszerubb szinusz jelet eloallitani es abbol kozvetlen negyszoget csinalni.
A magyarázatodat értem, köszönöm. Meghatározott frekvenciájú szinujeleket rezgőkörrel tudok csinálni, de egyszerűen és folyamatosan változtatható frekvenciájú szinuszt nem tudom hogyan lehet. Erre van valami egyszerű megoldás?
Az EXAR XR2206-hoz mit szólnál? A hqvideo-nál láttam utoljára 1000Ft körül van.
0,01Hz-től 1MHz-ig csinálhatsz vele szinuszt (meg az összes többit )
XR2206-ra van kész projektem Eagleben. (Ugyan az mint az Urbános, csak átrajzoltam Eaglebe.)
Ha érdekel valakit odadom.
én egyszerűen digitálisan tudom elképzelni (bocsi, de erre áll a kezem :p):
D/A átalakító közvetlenól rákötve egy ROM adatkimenetére, a ROM-ba beleégetve a szinusz jelnek a táblája, a ROM cím bementére egy számláló, a számlálót meg vezéreli a négyszögjel.... bár itt az a gond hogy frekvenciabeli eltérések lesznek, de PLL-el ki lehet azt is küszöbölni :p
Érdekes ez az IC. Kevés forrasztással működőképes ketyere készíthető belőle. Erre szokták mondani, hogy egyszerű kapcsolás. Én semmit nem értek belőle, ezért nekem bonyolult. Mindenesetre elmentettem, mert ha csak a végeredmény (a profi eszköz)kell, akkor lehet, hogy majd megcsinálom. Köszönöm!
Amire én vágyom: egy elvében egyszerű "szinuszosító", persze változtatható frekivel. Egy gerjesztett párhuzamos rezgőkör frekvenciáját nem lehetne szűk határok között módosítani? Vagy eleve egy változtatható frekvenciájú sin-generátort csinálni tranzisztoros kapcsolással vagy valami hasonlóval? Egyébként szerintem sokan örülnének neki, ha valaki tudna egy rövid cikket írni ennek az IC-nek a kapcsolásairól, mondjuk függvénygenerátor II. névvel! Ha van még valakinek jó ötlete, kapcsolása, azt szívesen venném.
Köszönöm Attila86 a rajzot. De ez is IC-s.
Hello, ezzel a kapcsolással van valami baj? (IC-kkel egyszerűbb és jobb minőségű kapcsolásokat építhetsz)
Ha csak a szinusz-generátor részt (bal fölső negyed)csinálnám meg, akkor hol lehetne levenni a jelet? T3 kollektoráról? Miket kéne elhagyni, amelyek nélkül teljes lenne, illetve mit érdemes megváltoztatni? A kb. 30V-os tápfesz egy kicsit soknak tűnik. Miért nem elég pl. 5 V? Ebből a kapcsolásból már első ránézésre is lehet érteni sok mindent, persze azért még rágódnom kell rajta a teljes megértésig. Ez a rajz mindenesetre jó kiindulópont. Köszönöm. Ha a kérdéseimre tudsz válaszolni vagy bárki más, kérlek, válaszolj!
Igen, a C14-ről, a 3-as pontról szinusz jön le. Az 5 V biztos kevés lenne, mert annak az izzónak pislákolnia kell, az stabilizálja az amplitúdót. De stabil 24 biztos jó lenne neki...Ez van. Nézegettem ilyen kapcsolásokat, de +-9 (18) V nál egyiknek sem kevesebb a tápfesze. Nem állítom, hogy nem lehetne sin.generátort építeni akár 3V táppal, de ezek jó minőségű generátorok. Majdnem laborműszernek is csúfolhatnánk.
A kapcsi megértéséhez elküldöm a folytatást, és egy ízelítőt egy műveleti erősítős sin.generátorról!
A gondolatomat találtad ki. Múltkor elfelejtettem kérni a cikk folytatását. A műv. erősítős is érdekes, de egyelőre ezt későbbre félreteszem. Nem tudsz nagyon rossz minőségű sin-generátorról kapcs.rajzot vagy/és leírást adni? A rossz minőség cserébe 12V-nál nem nagyobb tápfesz volna jó (még nincs nagyobb feszű tápegységem), és persze az egyszerűséget díjaznám.
Köszönöm az eddigi segítségedet is!
Nem változtatható frekvenciájú szinusz-generátort csináltam már, ami 0,8 V-os tápfesszel is működik. A kondenzátor és a tekercs változtatásával lehet a frekvenciát módosítani, vagy nagyobb tekercsnél a ferritmag tologatásával, de szeretnék egy folytonosan változtathatót.
Hello!
Biztosan hallottátok már a módosult szinusz kifejezést. Csináltam még anno egy invertert (12VDC-230VAC) csak felmerült egy problémám. Az akváriumom szivattyúját szeretném róla üzemeltetni, viszont a négyszög kimenet miatt meg sem mozdul. Valahol olvastam, hogy a négyszöget megszűrve egy RC taggal szinuszt lehet "csinálni". Ebben szeretném a segítségeteket kérni.
Hali mindenkinek!
Nekem is az a gondom, mint az elöttem szólónak, csak én keringető szivattyúnak szánnám. Hozzájutottam egy 24V/230V-os módosult szinuszos kimenetű inverterhez, csak rá is jöttem, hogy nem igazán barátok...(meg persze erről is olvastam néhány fórumot, hogy nem igazán jó párosítás ez a kettő) Arra lennék én is kiváncsi, hogy milyen RC-vel lehetne /kellene/ ezt szürni, hogy el tudjon pöcörögni szegény kis szivattyú? Bár majd épiteni is akarok egy invertert, csak 12/230-ast, de elöbb a meglévöt akarnám úgy megcsinálni, hogy jó legyen... Ha valaki tudna segiteni, akkor azt megköszönném
Azt én is....
|
Bejelentkezés
Hirdetés |





) 






