Fórum témák

» Több friss téma
Fórum » Kapcsolási rajzot keresek
 
Témaindító: Kallai Csaba, idő: Márc 11, 2006
Témakörök:
Lapozás: OK   33 / 386
(#) sebestyen_ferenc válasza hapro hozzászólására (») Aug 17, 2008 /
 
Az első kérdésedre a válasz: nem. Egyszerű nyomógomb kell, ezért alkalmasztam én is az 5.1 erősítnél ezt a kapcsolást, mert nyomogomb adta az impulzust a tranyoknak és az kapcsolta a relét.
Szeritem ez a nyomógombos áramkör azért jó, mert ha két bementet közül akarsz választani, akkor egyik vagy a másik nyomógomb segítségével történik.
(#) Sebi válasza hapro hozzászólására (») Aug 17, 2008 /
 
Ha jól meggondolom, elegendő lehet a bemeneteken a két jelforrást megcserélni. Igaz ez a kimenetekre is, mivel csak két választás van itt is, ott is.
Tehát, mondjuk meghúzott relénél 1. CD az 1. erősítőn, 2. CD a 2. erősítőn, elengedett relénél pedig fordítva, így 4 db váltóérintkezős reléből csak 1db kell.
A kimeneten mindez duplán, mert nem tudjuk(?) a végfok szerkezetét. Ide két db 4 váltóérinkezős relé szükséges, amelyek egyszerre működnek.

választ.GIF
    
(#) Doncso válasza hapro hozzászólására (») Aug 17, 2008 /
 
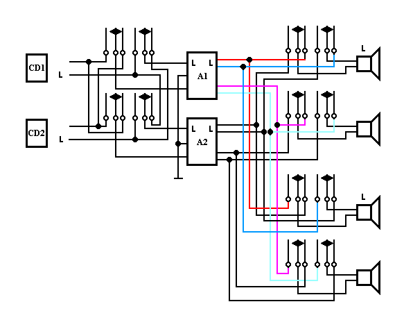
Ehez mit szólsz? Csak 1-2 oldalt fotóztam le, hogy nagyvonalakban tudd miről van szó. Ez egy FET-es bemenet választó. Ez jelenleg 4 bemenettel bír de korlátlanul bővithető, fogsz egy 2*6 os jaxley-t és meg is van oldva a pattanásmentes bemenetválasztás.
Üdv: Doncso
(#) sebestyen_ferenc válasza Doncso hozzászólására (») Aug 17, 2008 /
 
van két kérdésem:
Hogyan vezérled a feteket? Hogy,ha mind a 4 fetet vezérelem, akkor mind a 4 jelről megy, holot az a cél, hogy csak 1 legyen aktív nem keverőt kell késziteni
(#) Doncso válasza sebestyen_ferenc hozzászólására (») Aug 17, 2008 /
 
jaxley-vel
(#) Doncso válasza Doncso hozzászólására (») Aug 17, 2008 /
 
esetleg meg lehetne oldani egy nyomógombbal és egy sima számláló IC-vel, és akkor egy gombnyomás=egy bemenet átkapcsolás. Igy még lehetne egy LCD-t vagy egy szegmenses kijelzót meghajtani ami ki is irja mi az éppen aktuális bemenet, vagy csak egy sima ledet rákötni és az világít amelyik aktiv.
(#) webinas hozzászólása Aug 17, 2008 /
 
Sziasztok!
Egy izmosabb 12V-24V / 5A feszültség kétszerezőhöz keresnék rajzot Gk-ba.
Két 24V-os, (egyenként kb. 2 A áramfelvétel) motort kellene meghajtani, alkalmanként 20-30 mp-ig.

Köszönöm előre is, ha tudna valaki segíteni!
(#) Doncso válasza webinas hozzászólására (») Aug 17, 2008 /
 
Nem akarlak elkeseríteni de a feszkétszerező én úgy tudom váltóárammal működik. Neked inverter kellene.
(#) webinas válasza Doncso hozzászólására (») Aug 17, 2008 /
 
Felőlem talicska is lehet, csak 24V/5A csorogjon belőle...
(#) mex válasza webinas hozzászólására (») Aug 17, 2008 /
 
Neked is azt ajánlom nézd meg ezt a hsz-t:#114651
Eredetileg laptop táp lenne 12V-ról,de minimális átalakitással használható lenne. A motorokkal paralell szükség lesz egy gyors diódára,záróirányban kötve az induktiv feszültségtüskék miatt.
(#) webinas válasza mex hozzászólására (») Aug 17, 2008 /
 
A gyors dióda nem gond.
Erre a hsz-re hogy lehet rákeresni?
Bocsi, ha hülyeséget kérdeznék...
(#) mex válasza webinas hozzászólására (») Aug 17, 2008 /
 
(#) webinas válasza mex hozzászólására (») Aug 17, 2008 /
 
Köszi!
(#) hapro hozzászólása Aug 17, 2008 /
 
Na jó... Ezeket jól átrágom, de szerintem a tranzisztoros sebestyen ferenc féle a nyerő nálam. A relékre +- lábára teszek egy-egy ellenállás LED párosítást, és így látni is fogom épp mi szól.

Sebi: "Tehát, mondjuk meghúzott relénél 1. CD az 1. erősítőn, 2. CD a 2. erősítőn, elengedett relénél pedig fordítva,.."
Nem pont ez a célom. Tesztelni szeretnék ezzel a cuccal hangforrást, vagy végfokot, vagy hangfalat. Mikor mit. Nem az, hogy egyszerre két végfokon tudjon szólni más más. De a legvalószínűbb az, hogy ebből a 3-ból egyszerre csak egyet fogok változtatni, mikor mit.
Egyébként én is a rajzod szerinti elképzelésben szeretném megépíteni: Relé váló érintkezője a kimenet, és a két álló érintkező meg az egy-egy bemenet alapon.

Úgy döntöttem, hogy a bemeneten 2db 2 morse-s relé lesz a kimeneteken meg 2 db 4 morse-s.
(#) perlaci hozzászólása Aug 17, 2008 /
 
Tesla Nc420 lemezjátszó eredeti szíjjának méretét keresem. sajnos a szervíz rajzon ezt nem adják meg.
Előre is köszi a segítséget.
(#) Imi65 válasza hapro hozzászólására (») Aug 18, 2008 /
 
Sok esetben nem rossz, ha senki sem tudja, éppen mi szól. Így ki lehet zárni azt, hogy ki melyiket akarja kihozni jobbnak. Én is csináltam már ehhez hasonló vaktesztet, de nem bonyolítottam túl a megoldását. A bemenetekre a CD játszóm két (sztereó) kimenetét kötöttem (két, azonos minőségű kábellel, tehát mindkét erősítő folyamatosan vezérelve volt. Csak a kimenetet kapcsoltattam egy 3 morzés KS11R Evig kisrelével, DC 12V-ról. Egyedül a hangerőt kellett beszabályozni, tehát nekem azért nem volt ismeretlen a forrás. Csak műsorszünetekben váltottam - néha csak kapcsolgattam egy csomót, és ugyanazt kapcsoltam be - így a hallgatóság nem tudhatja, hogy mit hall. Ha megtéveszthetők, a két erölködő igen közel van egymáshoz.
(#) sebestyen_ferenc válasza hapro hozzászólására (») Aug 18, 2008 /
 
Őrülők,hogy segithetem én eszt a kapcsolást használom és nem kell hozzá veni ilyen olyan IC-ét, egyszerűen "a dobozból ki veszem az alkatrészeket"
(#) hapro válasza sebestyen_ferenc hozzászólására (») Aug 18, 2008 /
 
Szia!

próbapanelom kipróbáltam a kapcsolást, működőképes, viszont érdekelne, hogy bc 639 tranyóval miért nem működik?

Egyébként kiegészítettem egy-egy e 820ohmos ellenállással a ledekkel párhuzamosan, mert nem aludt el teljesen a led amikor átváltok egyik oldalról a másikra. Csak akkor ha egészek kis feszültségről működtetem.
A 12V-ot választottam, és kiegészítettem, a 10Kohmos ellenállás és a LED csatlakozási pontjánál egy 1k ohm plusz pnp bc640 tranzisztor, aminek az emittere a plusz tápon van, a kollektoron a relé egyik lába a másik meg a testen. Így vígan kapcsolja a relét is gombnyomásra.
Mivel a testet is kapcsoltatom a relével, így 4db 4 morse-s relé kell hozzá.
Nem olcsó mulatság ez a kapcsoló szerkezet de ez a hobbim.
(#) szunyi hozzászólása Aug 18, 2008 /
 
Sziasztok!
Van egy EMG 1464 (ugyanaz,mint a TR-1657) típusú nixie csöves multiméterem és már régóta keresek hozzá egy leírást és kapcsolási rajzot.
Ha valaki rendelkezik ezekkel a dokumentumokkal kérem ossza meg velem.
Azért ebben a topikban írom mert ez a legolvasottabb.
Előre is köszönöm!

Én meg köszönöm, hogy a jövőben nem adsz plusz munkát a moderátoroknak! --vicsys
(#) sebestyen_ferenc válasza hapro hozzászólására (») Aug 18, 2008 /
 
A BC639 esetén a tranisztor hibás vagy kicsi a bétája! Én egyszerűben oldotam meg a relé egyik lábát a pluszra a másikat a tranzisztor kollektorára kötőtem. A ledet pedig ugy szintén + egy soros ellenállás.
(#) Sebi válasza hapro hozzászólására (») Aug 18, 2008 /
 
No igen, ez a végletekig leegyszerűsített kapcsolások tulajdonsága...
Többféle megoldás lehetséges, persze mind plusz alkatrészek beépítésével jár. Először is szúrja a szemem, hogy a tranzisztoroknak nincs lezáró ellenállásuk (B-E közt) ezt gyakran szeretik elhagyni, aminek eredménye a fent leírt működés: nem zár le teljesen, mert a C-E maradék (szaturációs) feszültség terhelt állapotban (és/vagy elégtelen bázisáram miatt) eléri a 0,6V körüli értéket.
(#) zoltan0904 hozzászólása Aug 19, 2008 /
 
kérlek ha tudtok segitsetek!keresem a HITACHI HA-3700 erősitő kapcsolási rajzát?köszi!!
(#) Slope válasza zoltan0904 hozzászólására (») Aug 19, 2008 /
 
Mondcsak hallottál már a keresőről?
Pontosan ugyanezzel a címmel is létezik már topik.
(#) SD hozzászólása Aug 21, 2008 /
 
Üdv.
Egy Videoton TS-5326 TXT-F tipusú Super Infra Color tv-nek szeretném megszerezni a kapcsolási rajzát. Akinek megvan légyszi linkilje be vagy küldje el e-mail ben. Az is jó ha csak egy könyvet mondtok pl. Szines tv-készülékek szervízkönyve és hogy ebböl a három kötet közül melyikben van benn. Előre is THX.
(#) pali_2006 hozzászólása Aug 23, 2008 /
 
Kapcsolási Rajzot keresek ehez a végfokhoz
(#) roland0327 válasza pali_2006 hozzászólására (») Aug 23, 2008 /
 
Ez szerintem nem végfok IC, de ha mégis akkor a kereső biztos segít!
(#) rammeradrian hozzászólása Aug 23, 2008 /
 
Kéne egy panel ami szirénázó hangot ad
12 v ról

Hangszóróm van
(#) Imre1 válasza deguss hozzászólására (») Aug 23, 2008 /
 
Szia a laptopok általában 19 ill 20 v egyenfeszültséggel müködnek.Deaz alján lévö kis cimkére is rá van irva ,ha van ilyen rajta.
(#) Moderátor hozzászólása rammeradrian hozzászólására (») Aug 23, 2008
 
A panelek ritkán adnak hangot, ha mégis, ott már baj van!
Sziréna ügyben tele a net, de itt a HE-n is van egy "Sziréna" topic. :google:
Direkt nem linkelem be, tessék megtanulni használni a keresőt!

Nekem pedig egy fél vagon 20.000-es kéne. Na és?
(#) newyork válasza sanya74 hozzászólására (») Aug 23, 2008 /
 
Volt egy hasonló problémám, az volt a megoldás, hogy kiszedtem belőle egy szivacsgyűrűt, ami a 25db-os cd csomagokban van, hogy ne lötyögjenek a lemezek. Godolom, ez ráragadt valamelyik lemezre és nem vették észre! Azért kaptam a vdi új dual layer dvd írót, mert két lemez után nem ment. Hát ennyi volt a probléma!
Következő: »»   33 / 386
Bejelentkezés

Belépés

Hirdetés
XDT.hu
Az oldalon sütiket használunk a helyes működéshez. Bővebb információt az adatvédelmi szabályzatban olvashatsz. Megértettem