Fórum témák
» Több friss téma |
Jó szerencsét, Mindenkinek! Előszedtem egy régi problémámat, ezért egy olyan szakemberekkel szeretnék beszélni, akik járatosak Nakamichi CR2-es deck javításában. Szerintem pause-ben maradt a mechanikája és masszivan ott is áll, a pause visszajelzés is világít. Meg van akadva, nem pedig szorul. Szét van szedve, persze addig nem szeretnék felelőtlenűl belenyúlni, míg nem kapok valamiféle instrukciót, irányadást. Köszönöm a segítséget. Természetesen további tapasztalatokat is leírok, fényképet is készítek, ha szükséges. Üdv.: Joe
Így hirtelen: a harmadik motor, ami alul van, működő képes? A kis kontaktok, amiket ez kapcsolgat, jól érintkeznek? Még a héten rálesek a BX-1-esre (azonos mechanika) és okosodok.
Köszönöm a választ. Közben megoldódott, illetve megtaláltam az okát. A három kis érintkezőhöz tartozó "sonkák" nem jó helyen álltak meg. Kézzel kicsit megmozgattam a controll motor csigafogaskerekét, aztán, jó nem elsőre, de elindult. Majd nagyon sokszor play-pause váltás, kezdetben párszor hibázott, aztán egyre kevesebbszer. A lényeges kérdés, hogy ez mitől lett, ill. hogyan tudom megelőzni?
Szétszereled a motort,+ a mechanikát tisztítod, és újrakened.
/ a régi kenőanyag elöregedett, valamint szennyeződés került bele/ , és a motor a használatból eredően csökkentett teljesítményre képes/ Érdemes újat beszerezni, de beépítés előtt mérni, és járatni szükséges, ha tartósan használni szeretnéd. A hozzászólás módosítva: Szept 19, 2019
Valami ilyesmire gondoltam a kenéssel kapcsolatban, milyen zsírt tegyek rá? Bár éppen ez az, hogy a műanyag fogaskerekeken semmiféle maradványt nem érzékeltem. Egyébként arra tippeltem, hogy a mozgás kissé lomha és késik.
A lényeg a régi kenőanyag, tökéletes eltávolítása, ezután pénztárca függő különböző kiszerelésű, és adalékot tartalmazó anyagok beszerezhetőek, de én a gyógyszertári vazelint javaslom.
Természetesen előtte érdemes a felületeket nagyítóval ellenőrizni, mert lehetnek, mikrórepedések, berágódások amik a tökéletes mozgást akadályozzák. Ezután, viszont érdemes a teljes tápellátást végigmérni, szükséges mértékben , javítani. Az érintkezések átnézése, tisztítása is szükséges.
A "késés" esetleg lehet a vezérlés oldalon is, pontosabban a mikrokontaktorok, amiket nyomkodsz. Ha csak erős nyomásra reagál, akkor érdemes a panelt kiszedni és úgy megnézni, hogy mi a helyzet. Ha még mindig erősen kell nyomkodni, akkor az érintkezők belül elkoszolódtak (korábban már javítottam Sonyban, pepecs meló, párszáz hsz-el előrébb megtalálod), javítható, vagy csere, ahogy érzed. Ha nem, akkor maga a panel volt rosszul rögzítve, nagyon fontos a milliméter pontos pozíció és a rendesen meghúzott csavarok.
Szerencsére nem a gombokkal van a gond, azonnal reagál a mechanika és nem is kell erősebben nyomni. Az állapotjelzők érintkezők oxidmentesítése jó ötlet, valamilyen finom polír papírral megtisztítom. A tartólemezek a helyén vannak, mert a távtartókon van egy "váll", ami fixen pozícióban tartja, a csavar csak rögzíti. Továbbra is azt gondolom, hogy nem jó helyen állt meg a tengelyre rögzített jelző. Pár tizedmiliméteren múlhat, sajnos nem néztem meg, bár nem is lehetne látni. A "késést" inkább mechanikai lemaradásra értem, mint időbelire. Egyébként valóban ráférne egy általános tisztogatás, karbantartás. (A másik 3 magnómra is.)
Következő:
A géprombolónak írt válaszom ide is vonatkozik, és az itt leírtakat is alkalmazni fogom. Természetesen köszönöm a tanácsot.
Egy darab alkoholba mártott rongy is tökéletesen megteszi (nekem bevált), nem hiszem, hogy jót tenne neki, ha bármivel csiszolod. Mint mindenhol az elektronikában, a szesz az lehetőleg minimum 90%-os legyen. A rongyot áthúzod párszor az érintkezők között úgy, hogy kicsit egymáshoz nyomod őket és máris patyolat tiszták.
A "rongy" valami mikroszálas, nem szöszölős legyen.
Ja, természetesen. Mikroszálas "szalvétát" használtam.
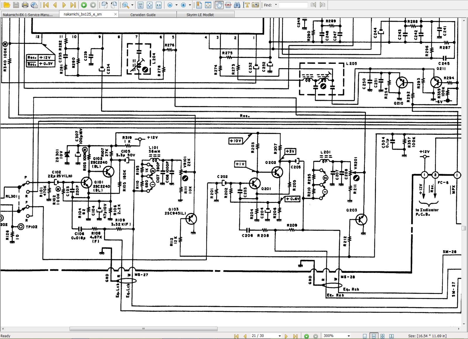
Kérdés a szakikhoz: Adott a Nakamichi BX-125e előerősítő foka, amiből a 400Hz-es freki (beállító kazettáról) még hibátlanul jön ki, viszont a 10KHz-es már az egyik csatornán erősebb, a másikon gyengébb. A 100mV RMS-re belőtt jelerősség a jobb csatornán csak 80 körül mozog, míg a balon 95-100 körül. A kép alapján meg tudja valaki mondani, hogy merre keressem a hibát? A fej újszerű, biztos, hogy jó, be is van állítva, valami más okozhatja a magasak eltolódását. Köszi.
Kicseréltem a némító tranzisztorokat, köszi a tippet! Így már hibátlan a jel a kimeneten, nincs benne egyenfesz.
Ettől független a tíz perce leírt hiba a magasakkal.
Ha a kazetta a jelforrás és a felvétel jelszintje 0 dB, akkor ez a jelszintesés normális. A 80 mV a 100 helyett kb. -2 dB esés (1,93 dB). A másikon még ennyi se. Gondolom a jobb csatorna a jobb oldali. Az van ugyanis belljebb, a szalag közepe felé, ott kevésbé fodrozódik a szalag.
A kazettás technika ezt tudja. A többi magnó még rosszabb. És a kazettában a szalag is olyan, amilyen. Nyúlik, fodrozódik. Hiába vettek rá kvarcvezérelt jelet kvarcvezérelt magnón...
A jelszint -12dB. A szalagon van egy 400Hz 0dB, egy 10K -12dB, 400hz -12dB, meg 3K -12dB. A -12dB-eseket vetettem össze, miután belőttem a 0-ással a jelszintet. Érdekes, a 3K-s jel enyhén fordított, ott a bal jel gyengébb, de ott tényleg elhanyagolható a különbség, kb 5mV.
Ha még így is érvényes amit mondtál, akkor megnyugodtam. szerk: Majd holnap közösítem a jelet a fejen és meglátom, hogy úgy mit mérek. Hogy ez eddig nem jutott eszembe! A hozzászólás módosítva: Szept 23, 2019
Idézet: „A kazettás technika ezt tudja. A többi magnó még rosszabb.” Minden tökéletes,abban az esetben, a szintek beláthatóak. Itt valószínűleg azért, van valami hiba láncban, mint korábban írta a drágán vásárolt kazettával is voltak mechanikai problémák, és ezenkívül egy jellel kellene mérni a két csatornát. A hozzászólás módosítva: Szept 24, 2019
Idézet: „a szintek beláthatóak.” - beállíthatóak-
A fej után egyesítettem a jelet és ugyanúgy féloldalas a jel a kimeneten, illetve a mérőpontokon. Már kiírtam az alkatrészeket, holnap megrendelek mindent aztán gyanússág alapján szép sorjában kicserélgetem őket. Gondolom a kondikkal kellene kezdenem. Valami tipp, hogy melyik lehet? Köszi
A jelútjában lévő összes kapcsoló- érintkező rendben van,
lemágnesezted a fejet a mérés előtt? Szerintem készítsél egy saját mérőkazettát, -20dB jelszinttel, 6-8-10 KHz. / Cro2, vagy metál szalagra/ Fejnél közvetlenül, tudnál mérni az volna az optimális. Ennek a magnónak 0 db-en is át kell vinni a 10 K KHz-t.
Ha így áll a dolog, akkor a két oldal erősítése nem egyforma. Ez nem kondenzátorok hibája, azok cseréjével nem érsz célt. A két oldal erősítését kell egyformára állítani. Ha van a jelútban potméter, trimmer, akkor azzal, ha nincs, akkor valamelyik fokozat erősítését kell állítani.
A helyzet az, hogy most mértem rá, a fentebb mutatott képen látható trimmerek (VR101 és VR201) kurzorjait összekötöttem egymással és láss csodát, hirtelen a bal és jobb csatornán a 10KHz majdnem teljesen egyforma lett (a 400 Hz eddig is azonosat mutatott a két csatornán), tehát így már tuti, hogy ebben az előfokban van valahol a hiba, ami szűri/gyengén erősíti a magasakat.
Összegzem: -a fej újszerű, a jelet a fejtől összekapcsolva a magas ugyanúgy féloldalas, a mély hibátlan. -A lejátszási hangerőt beállító trimmerek kurzorjainak összekapcsolásával a hiba megszűnik. -a 70-120us kapcsoló mindkét állásánál jelentkezik a hiba, csak a mért érték változik, tehát a kapcsoló is kilőve.
Olyan kérdésem van, hogy nem tudom, jól értelmezem-e a következő szöveget:
"Output (Line) ... 0.5V (400Hz, 0dB, output level control at max.) 2.2KOhm" Jól gondolom, hogy ez azt jelenti, hogy 2,2KOhmos terhelésnél mérendő a 0,5 voltos kimeneti jel? Mert akkor pár dolgot újra kell mérjek, mert eddig terheletlenül mértem a kimenetet (a szervizkönyvben nem írja, hogy terhelés mellett kell a kimeneti jeleket mérni). Hogy ez miért most jut eszembe? Mert most tekertem a szervizkönyv aljára, ahol a specifikációk vannak
Jó szerencsét, Mindenkinek! Azt szeretném kérdezni, hogy egy AIWA AD-F990-es deck rendbetételét el tudná végezni valaki? Elsősorban Tatabánya közelében keresnék. További részleteket írok, ha valaki válaszol. Köszönöm: Joe
Mi a gond vele?
Pl. szíjcsere biztosan kell. Aztán véletlenszerűen teljesen belassul a szalag, mint mikor egy walkman-be lemerül az elem, majd megáll. Szintén esetenként a kijelző egyes részei csökkent fényerővel világít, a többi egyáltalán nem, egy idő után rendbejön. A gépből, pedig jön egy csikorgásszerű hang is. Sajnos, akitől vásároltam, állította, hogy minden rendben, szíjcsere megvolt, de ez most mindegy. Szerintem kellene egy általános átvizsgálás.
A hozzászólás módosítva: Szept 27, 2019
Tunerman- Takács Jenő, ha ő nem vállalja, biztos tud ajánlani valakit.
Köszönöm, megkeresem.
Szia ! Én legfőképp Aiwákat javítok , ha gondolod szívesen átvizsgálom a deckedet ! Elèg sok alkatrészem is van aiwához . A 990-esedet először mechanikailag kène rendberakni ès utána megkeresni hogy mi terheli meg az elektronikát . Győri vagyok de szerintem Tatabánya nincs olyan messze . Ha érdekel szívesen segítek ! Zoli
Jó szerencsét! Ez határozottan tetszik. Mindenképpen felvenném a kapcsolatot! Üdv.: Joe
A hozzászólás módosítva: Okt 2, 2019
Hű, srácok, ezt látnotok kell! Ez már nem is magnó, hanem antik bútordarab! Csodaszép!
Itt a hirdetés. |
Bejelentkezés
Hirdetés |






