Fórum témák
» Több friss téma |
Megnéztem, de a szkóp biztos, hogy rosszat mutat.
A kép 10 V/T és 3 ms/T beállításnál készült, itt látszik a legjobban. A hozzászólás módosítva: Aug 7, 2025
Ennek semmi köze a videojelhez, inkább csak valami zavarfeszültség.
Mondjuk, ha a szkóp ábrán nem kerítést látnánk, hanem csak kb. két periódust, többet lehetne tudni az esetről. Praktikus még a DC állás is.
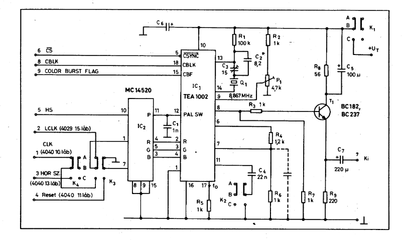
Ott van az, valahol. A TEA1002 elvileg megy.
Így vannak bekötve a jelek. Az IC-ket teljesen újra cseréltem. A videójelet egy 47µF kondenzátorral kicsatoltam. Az RF modulátoron is ugyanaz a kép. Színt nem látok sehol.
10us-os időalapot állíts be, így látszódniuk kellene s a sorszinkronjeleknek.
Elvileg lemértem, dehogy a műszer is egyáltalán le tudja-e mérni, azt nem tudom.
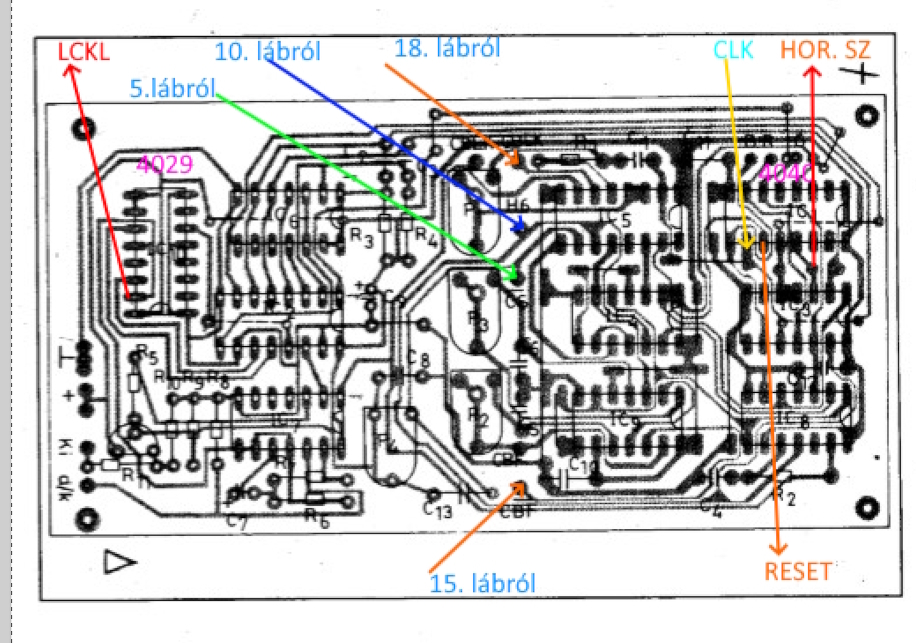
Mérőműszer: Voltcraft EO211 oszcilloszkóp Tápfeszültség (+Ut ) stabilizált +12 V, mért: +12,02 V Vezérlő IC: TEA1002 Külső kvarc oszcillátorának frekvenciája (TEA IC 13. láb), mért kb. ~8,4 MHz PAL külső színvivő frekvencia (TEA IC 17. láb), mért frekvencia: 3546,48 kHz 1. kép - 1. CLK - 30 µs/T és 5 V /T beállításnál 2. kép - 2. LCLK - 3 ms /T és 0,02 V /T beállításnál 3. kép - 3. HOR. SZ - 3 ms /T és 5 V /T beállításnál 4. kép - 4. RESET - 3 ms/T és 0,02 V /T beállításnál 5. kép - 5. HS - 3 ms/T és 2 V /T beállításnál 6. kép - 6. CS - 10 ms/T és 0,5 V /T beállításnál 7. kép - 7. PAL dekóder video kimenet fekete-fehér - 30 µs /T és 0,01 V/T beállításnál 8. kép - 8. CBLK 0,1 ms/T és 5 V /T beállításnál 9. kép - 9. COLOR BRUST FLAG 0,1 ms/T és 5 V /T beállításnál A beállításokat úgy adtam meg, ahol látni lehetett valamit.
A PAL kóder panel kimenetén van kép, ott nem olyan vészes, de hullámzik.
Ennyit sikerült egyelőre. Már arra is gondoltam, hogy én hibáztam a bekötéssel.
Tápszűretlenség vagy földhurok miatt van ez a brumm.
A szikronok meg vannak? Vagy nem nagyon?
Különben vétettem egy hibát. A PAL kóder panelen az R4 ellenállás helyett 220 Ω-ost raktam véletlen, amikor 1,2 kΩ-os van a rajzon. De nem ez okozta, a működési hibát. Sajnos. A hozzászólás módosítva: Aug 7, 2025
Lehet, hogy ezeket a szikronjeleket árnyékolt kábellel kellene bekötnöm?
Van kép, tehát szinkron is van, csak arra a brummszerű behúzásra próbálhat képszinkronizálni a tévé.
Rendben. Köszönöm. Majd kitalálok valamit.
Feladom, ezt most nem sikerül felélesztenem.
Szerintem is brumm van a tápban. A 90-es években én is megépítettem... A kört nem tudtam installálni. Négyzeteket csíkokat színeket minden variációban előállítottam. A brummszerű csík a potikra érzékeny ?
A hozzászólás módosítva: Aug 17, 2025
Igen, az RGB panelon lévő potikat csavargatva. Egy kicsit arrébb mászik.
Minden potit kicseréltem újra, hátha valami azokkal van , de semmi. A tranzisztorok mérve jók. Átnéztem az egész NYÁK-ot, ellenőriztem. Kivettem a dobozból. Csak külső 12 V-os akkuról, megtáplálva sem jó. Kapcsolókat ellenőriztem, befújtam, kontakt spray-vel mindegyiket. Megnéztem másik TV-vel is. Színt nem sikerült még eddig kicsikarni. Lehet, a PAL kóder panelján lévő potméter nem reagál. Pedig 14520 IC cserélve. Szinte minden új a panelen. Itt is ellenőriztem már mindent, hátha valamelyik forrpont összeér, de nem találtam hibát. A hozzászólás módosítva: Aug 17, 2025
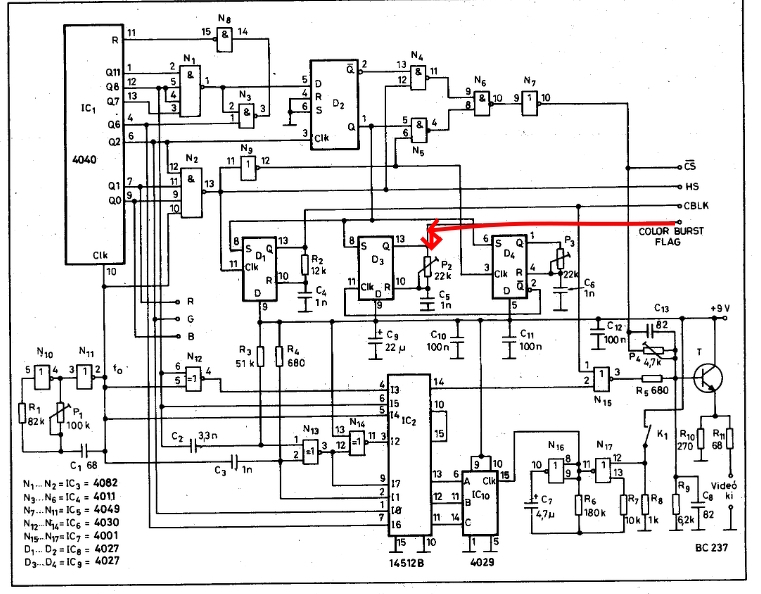
Szerintem az 50hz-es szinkronjelben lesz a hiba. A CS jel az összetett szinkronjel, kicsit bonyolult az előállítása... A D2 tároló 5-ös lábán ott kell, hogy legyen az 50Hz. Mérd meg !
Minden lábat ellenőrizz, lámpázd meg a panelt, nem-e összefolyt valahol az ón.
PIC PAL VIDEO szoftver könyvtár. pixel, karakterek, vonal , kör stb rajzolás képernyőre szoftver rutiinok
https://www.micro-examples.com/public/microex-navig/doc/089-pic-pal-tv.html
https://hpc-notes.soton.ac.uk/pic/video_PIC.htm
Idézet: „PAL külső színvivő frekvencia (TEA IC 17. láb), mért frekvencia: 3546,48 kHz ” ez kissé fura mert annak nem 3579 kHz-nek kellene lennie ?! vagy ntscvel keverem
De az IC1 17. láb-án mérendő freki a cikk szereint f = 3,546895 MHz ± 10 Hz-be belefér, nem?
Vagy mérési hiba van.
Idézet: „Szerintem az 50hz-es szinkronjelben lesz a hiba.” @kalmi.kalmi: Írtad, hogy ezt a szinkronjelet a CD4013 állítja elő. Nem nagyon akarja előállítani szerintem. @Mindenkinek szól Nagyon nehezen látható ez a PCB rajz számomra. Esetleg abban tudnátok segíteni, hogy CBF jelet, hova kell kötni? A kapcsolási rajzon csak egy pontra megy a D1 tárolóra a 13-as lábra. Igen ám! De a PCB rajzán van egy másik pont is az CBF bekötésére. A kapcsolási rajz szerint a P2 potméterre is rákerül a jel. Ilyenkor valóban a IC9 13. lábára megy a CBF jel. Ha a kép szerinti alsó pontra kötöm a CBF jelet, akkor az IC9 12. lábára megy, ha jól néztem. Miért van ez így? Végül is hova kell kötni? Összekötöttem a kettő CBF jelű pontot, meg is halt a CD4001-es IC7-es. ![]() Egy másik pont is van amit nem értek. Az IC5-re megy a CBLK jel. Ami a PCB_.jpg képen a lila 1.-es sorszámú. Ide biztosan be kell kötni a CBLK-át. Mert így jut el D1 tároló IC8 D1 tároló bemenetére. Igen ám! De hogy megy el a jel CD4030-as VAGY kapuhoz? Még ha a a képen a lila 2-es pontra is kötöm a CBLK jelet, akkor sem oda fog menni. Hogy is van ez? Itt lesz valami, csak nem tudom, hogy rontom el. Nem világos ez most. ![]() Kérlek benneteket, akinek van ideje legyen szíves nézzen rá, hogy jól kötöttem-e be jeleket. Én már számtalanszor ellenőriztem, de valamit nem veszek észre. Bekötésem. A hozzászólás módosítva: Szept 6, 2025
Lehet, hogy a kapcsolásban hiba van, segítenék is de én utánépítettem 74xx sorozatú ic-k ből. A működési elv, a leírás alapján jó. Majd megkeresem a generátoromat és teszek fel fotót.
Amit pirossal jelöltél az csak a színszinkronjel, az nekünk most nem fontos. Az nélkül még kell lennie fekete-fehér állóképnek. Ha más nincs egy fülhallgatóval nyomozd ki hallgasd meg az 50Hz és a 15625Khz-es jelet. Az N1 1-es lábán 50Hz-nek kell búgnia, az N2 13-as lábán 15625Khz-nek kell sípolnia. Ezt nézd meg első körben. A hozzászólás módosítva: Szept 6, 2025
|
Bejelentkezés
Hirdetés |






























