Fórum témák
» Több friss téma |
Fórum » Ki mit épített?
Ez a téma ha úgy tetszik a mi "kiállítótermünk", nem pedig a ki mit csinált volna másképpen, mások helyett, és legfőképpen nem javítós téma.
Minden készüléknek van saját témája, ott kell kitárgyalni a részleteket!
FONTOS! A kapcsolási rajzok keresésére is van saját téma, ott keressetek rajzokat!
Sziasztok!
Megosztanék egy kis videót veletek, amin egyrészt rajta van a KD Mester féle VF2 mod erősítőm, és a kivezérlésjelző próbája,ezt szeretném megmutatni nektek. (ez az első videóm, és hát nem lett a legjobb sajna, de majd a kész cuccról jó lesz már). Sikerült szereznem egy Kollégától IN-13 bárgráf csöveket, és azokkal tervezek egy sztereo kivezérlésjelzőt csinálni. Ma sikerült is az oldalon lévő kapcsolás átalakításával működésre bírni, nagyon látványos, az biztos ![]() A video És egy két kép még a csőről üzem közben ![]() Hamarosan remélem már kész lesz az erősítőm, és akkor már a kész dobozról tudok szép képeket feltenni, addig a végfokról nem is teszek fel képet, majd csak a szép kész eszközről
Szép cső, ilyet még nem láttam működés közben. Nekem nagyon tetszik. Gratulálok, várjuk a kész műről a videót.
Szia!
Szerintem is nagyon jó! Kapcsolási rajzot hol találtad? Nekem is van egy nagy az IN-9 .. ha jól emlékszem csak ciril betűvel írva.. Üdv!
Ez marha jól néz ki!
:kalap: Zoly15: Így van írva? "ИН-9"
Alapkapcslásnak itt az oldalon levő kivezérlésjelző kapcsolást használtam, az hajtja a deprezt, meg vezérel egy tranzisztort, ami a cső áramát szabályozza. A cső bekötése és egy mintakapcsolás az adatlapjában megtalálható.
Az IN-9 is szép lehet
Úgy néztem, hogy az a lényeges különbség, hogy annak 2-3x akkora áram kell, kb 12mA, ennek elég 4,5mA körül.Örülök hogy Nektek is tetszik, nekem is nagyon A hétvégén megkapom a dobozt az erősítőhöz, úgyhogy lesz mit csinálni a jövő héttől...
Sziasztok!
Elkészült az LPT portos LED-mátrix kijelzőm. Egy txt fájlba írt szöveget ír ki scrollozva. Az oszlopok léptetését 4017-es IC-vel oldottam meg. Videók: Itt még ékezetes betűk nélkül Itt már ékezetes betűkkel is Üdv.: vegyészmérnök
Sziasztok!
Most lettem kész a Skori által tervezett feszültségnövelős áramgenerátorral ami a 10W-os ledemet hajtja. A lelke ennek is egy 555-ös IC ami rendkívül jól végzi a dolgát és így nem kellett cél ic-t rendelnem erre a célra. A 12V-os akkufeszből 14V körüli feszt állít elő ami már elegendő a lednek és az áramot is pontosan be lehet állítani.
Marhajó...
Kapcsolási rajzot kapunk? Meg szoftvert?
Szép munka!
--használod valahova a ledet, vagy csak játszol? //mindkettő jó móka
Skori még nem tette ki az oldalra mert csak én tesztelgetem, mivel ez az áramkör egy hosszú mailezést követően jött létre. Ő adott egy kapcsolást és én mindíg írtam, hogy mit lehetne változtatni, Ő pedíg segített a beállításban. A led amúgy egy bringalámpában fog szolgálni ha megérkezik hozzá a konvex szelncse és lesz valamiféle házam is hozzá. Ha kész lesz akkor arról is teszek fel képeket.
(holnap megyek a bolhásba és megpróbálok olcsón hozzájutni valami kínai "luxeonos" lámpához mert azt könnyedénm át lehetne alakítani)
A jó öreg IN-13...
Nekem is itt pirít 2 a cuccos tetején... ![]() Furcsa, itt még nem is találkoztam olyannal, aki épített volna ilyet! Széééép
Gondoltam dicsekedek egy kicsit a ma délutáni munkámmal...
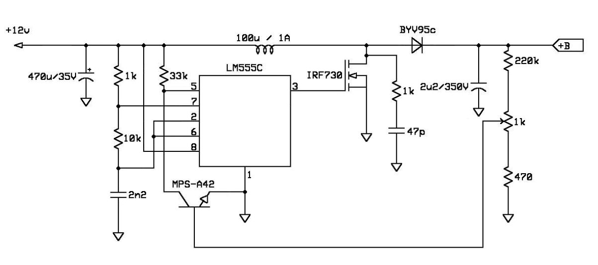
A nyák is a délután munkája.. (tervezés).. Egy Nixe csöveket meghajtó DC-DC konverter ez.. A kapcsolás GTk órájából származik.. Bővebben: Link Lenne egy kérdésem is! A meghajtó FET D és S-je között van az az 1K és a 82pF 500V os kondenzátor.. Nekem csak 220pF 400V os van ezt beletettem és működik.. Használhatom vele? Üdv! UI.: Annyi hibája van a nyáknak hogy a felirat a nyákon el van írva de rendesen.. Már arra gondoltam erősen hogy mindjárt kész erre írtam a hülyeséget mégpedig : Anód+ Anód- --> Katódot írhattam vonla.. Ez már így veszett..
Szép munka, bár szegény elko az ...1 és ...2 kép jobb szélén kicsit többet ihatott a kelleténél, hogy így megborult.
A logod továbbra is tetszik!
Köszönöm!
A logó betonkeverés közben született bennem majd megalkottam A kondiknak az a baja hogy 5mm-es lábtávot terveztem bele, de nem néztem meg a tényleges méretét ami csak 2.5mm... Mostanra már merőleges az elkó a panelra.. Üdv!
Szia !
Nagyon jo lett! Foleg hogy arnyekoltad, ez nagyon tetszik benne! Legalabb csillapitja a nagyfrekis zajt, es nem hallod. Sajnos ezek a toroid magok ezen a frekvencian is (~44Khz) tudnak futyulni. En a nixi oraban kicsereltem a toroid magot szigetelt induktivitasra, mert annyira idegesitett a futyulese. A mostani induktivitassal a kiveheto teljesitmeny is jobb es nem hallom hogy futyulne. Keszitettem egy merest, csak azert hogy erthetobb legyen miert kell az RC tag. A lenyege hogy a DSen keletkezo nagyfrekis zajt -lasd a kepen a 2 csatornat- csillapitsa. A Gate frekvenciaja fole szoktak meretezni. (Varom masok velemenyet is ezzel kapcsolatosan) Hagyhatod ugy nyugodtan. A mellekelt kepen a "2-" a Drain, "1-" a Gate jelalakja. (Ez mar VFD tapegyseg, de lenyegeben ugyanaz a kapcsolas mint a nixi tapegysege.)
Szia!
Köszönöm! Árnyékolni azért árnyékoltam mert szeretnék egy "gyári" cuccot összehozni Még nagyfesz jel is fog rá menni! Nekem egyáltalán nem sípol a mag.. Te nem tudnál valamit mondani arról hogy a FET D és S-je között van az az 1K és a 82pF 500V os kondenzátor.. Nekem csak 220pF 400V os van ezt beletettem és működik.. Használhatom vele? Üdv!
Jaaa, hogy ez az, valahogyan átsiklottam felette
Köszi hogy szóltál
Mint látható, próbanyákra építettem az áramkört, rajzom nincs hozá. A forrasztási oldal sormintára hasonlít az átkötések miatt.
Az oszlopokat és a sorokat BC337-es tranzisztorok kapcsolják. Az oszlopok léptetéséhez a 4017-es IC Reset és Clock bemenetét kell csak vezérelni a printer port H37A címének 0. és 1. bitjével (negált kimenetek), az adatot meg a H378-as címen kell kiküldeni. A programot nem akarom feltenni, nem akarom elvenni senkitől az alkotás örömét...
Az első tesztköröket rója a nixi, sajnos az 1Hz-es jeladó 555-ből nem épp úgy viselkedik ezzel a fajta táppal párosítva, ahogy kéne, így kicsit több mint kétszer olyan gyorsan telik rajta az idő, de ezt is kijavítom nemsokára
![]() Ahogy elkészül a doboza, mutatom kívül-belül a dolgokat, egyelőre ennyi... (nagyon úgysincs mit nézni rajta, egy halom SMD-s cucc van az alján)
Egy nixe csöves hőmérőt tervezek építeni..
neked a fet mennyire melegszik? Van rajta hűtés? Én kiperforáltam a dobozt mert melegedett, de inkább az induktivitás.. Ja hülye kérdés.. Ott a cikk.. meg is nézem Üdv! UI.: Miért úgy írtad hogy "mi a csoda lesz belőle"?
Mivel tápolod meg, hogy megelgszik a FET meg a tekercs?? Csak érdekel, mert nekem a 6 csőnél nem melegszik semmi...
De ugye végül azért nem 555 lesz az időalap ?
Én is alkottam, összedrótoztam próbapanelen egy frekvencia mérőt. Igazából még nagyon nincs kész, lesz majd neki nyákja. A függvénygenerátoromba lesz beépítve egyszer ha elkészül. Jah, és ebben az időalap 4.194304 MHz -es quartz + CD4521. Szerintem órához is jó lenne.
Úgy van eleve kialakítva a cucc, hogy ha nagyon csúnya lenne az 1Hz 555-tel, akkor egy egyszerű adapterrel ki lehessen iktatni, és valami értelmes jeladó csatlakozzon rá (valószínűleg ki fogom onnan venni az 555-öst
)
Egy labortápról hajtom...
12V-ot kap.. Igaz én még csak "szórakoztam vele" glimmeket kötöttem rá, megcsodáltam a nixe csövet.. Az előző oldalon azt a kivezérlés jelző csövet... A fet langyos az induktivitás melegebb.. Nekem 100uH de gtk azt írta hogy ha nagyobb nem melegszik annyira Lehet hogy megpróbálom nagyobbra cserélni.. Üdv! De az a kapcsolás amit feltettél más mint az enyém! |
Bejelentkezés
Hirdetés |







:kalap:









)





