Fórum témák
» Több friss téma |
Fórum » Knight Rider, oda-vissza futófény
Idézet: :yes: „Mivel CMOS IC-kkel lett elkészítve a kapcsolás, ezért az 5-15V-os tartományban üzemképes.”
Egy db 1Kohm-os ellenállás van a LED-ekre kötve.
Ha feljebb emelem a feszültséget 3V-ról, össze vissza villog.
Ha így kötötted akkor jónak kell lennie... :yes:
( Természetesen a potenciométert utána kell állítani!!! )
Az előbbi kapcsirajzhoz jó a HEF4017BP is? Gondolom jó, csak a lábkiosztásban térnek el ha jól látom...
Sajnos NEM!
! A Idézet: -es IC egy egészen más felépítésű.„HEF40174BP” Datasheet: HEF40174BP - Hex D-type flip-flop - NXP Semiconductors.
Kicsit utánanéztem a dolgoknak és tévedés történt, az IC mégis csak jó, még a lábkiosztása is ugyanaz. Becsapós ez az adatlap keresés dolog...
... Na igen!
De egy számot is könnyű elnézni az IC-n. Akkor már egészen más típus lesz.
Ez a 4017-es IC tud visszafele is számolni? És ha igen, akkor hogy? Mert akkor több LED-et lehetne vele meghajtani.
Nézz fel ide . http://www.mickey5.fw.hu/knight_rider.htm
Egyébként a 4017 csak egy irányba számol ,de van olyan kapcsolás ahol kettő db 4017 van és az egyik számol 10 ig aztán a másik számol szintén 10 ig de ott ellenkző irányban vannak rákötve a ledek a kimenetekre .
A futófény témában is van erre példa (ha jól emlékszem )
Akkor 1db 4017-el nem lehet 6-nál több LED-et meghajtani így. Nembaj, már úgyis összevan rakva.
Segítségetek szeretném kérni:
Ezzel kapcsolatban Szóval az kellene, hogy (akár külön tápról, én erre gondoltam) világítson mind, afféle lámpának használva. Szóval itt közösíteni kell akkor a ledek 'felső' lábait is, de úgy állandóan nem lehet közösön, mert akkor nem működne a futófény effekt. Én arra gondoltam, hogy diódákon keresztül közösítem, és akkor csak akkor van közösítve, ha máshonnan jön a fesz. De itt + testelésű az áramkör, és gondolkodásom alapján így semmit sem érek a diódákkal, ellenben ha - testelésű lenne, akkor működne a dolog. Mellékelek egy gyors rajzot a tervről, remélem érthető és tud valaki segíteni, hogy mit csináljak ![]() Előre is köszönettel
Szia!
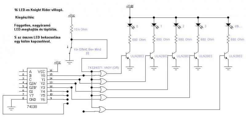
Némi átalakítás majd kell az áramkörben. hogy az összes LED-et egyszerre is tudd működtetni. 1: A kapcsolásban csak egy LED aktív a kimenetén, s így csak egyetlen ...almaz. Akkor ha minden LED-et szeretnél világításra bírni, célszerű minden LED elé, egy - egy külön ellenállást bekötni. Én :no: nem javaslom a LED-ek "sima" párhuzamosítását, mert az eredő áram 16 LED-nél igen tetemes lesz. 16+20mA = 320mA! S a hozzá tartozó teljesítmény is jelentős (1.2W!), 5V-os tápfeszültséget és tökéletesen azonos elektromos paraméterű LED-eket feltételezve. S az ellenállás értékét is ehhez az áramerősséghez kell kiszámolni! De ez az ellenállás a fényeffekthez már nem lesz jó! 2: Ha a LED-ek táplálását a vezérlő áramkörtől független áramforrásról akarod megoldani, akkor célszerű a OC ( azaz nyitott collektoros ) kimenetről meghajtani. Ez akár tranzisztor híd ( ULN2003 vagy ULN2803 ) IC-vel is megvalósítható. Vagy OC kimenetű logikai kapukkal... Már csak a vezérlő logikától kell gondoskodni. Ide célszerű OR ( VAGY) kapukat alkalmazni... Lásd mellék! Nincs kidolgozva de könnyen elkészíthető belőle a végleges kapcsolás!
Köszönöm, de kezdő vagyok, és pár napon belül be kellene fejeznem. Ebből annyi megvan, hogy vannak alkatrészek
![]() Esetleg, azt nagyon megköszönném, ha valaki át tudná tervezni negatív testelésűre, mert onnan azt hiszem hogy már boldogulok pár diódával meg pár ellenállással. De ehhez kérném segítségeteket. Szóval ha valaki átszerkeszti a .pdf-eket úgy, hogy legyen alsó meg felső oldal, leírja hogy mit kell átkötni, és esetleg csinál egy beültetési rajzot, na Ő az Isten Előre is köszönöm
Itt az én elképzelésem, persze miniben, mert elég láma vagyok...
Szia!
Miért olyan fontos, hogy a LED-ek negatív (katód) közös pontúak legyenek?
Gondolom autóban szeretné használni pótféklámpának.A vezérlést egy relével vagy tranzisztorral meg lehetne fordítani.Egy ötlet :ha minden led elé tesz egy előtétellenállást+diódát plussz megmarad az eredeti egy előtét a pozitív táp előtt akkor működőképes a dolog? Kérdés hogy az ic kimenete mit szól az állandó testelésnek.Sajnos most nem tudom kipróbálni az áramkörön.
Szia! Az lehet... De az áramkört így is úgy is ki kell egészíteni némi elektronkával. Mindenesetre az jó lenne ha a probléma és a feladat pontosan lenne megfogalmazva a kérdező részéről... Na de majd apránként kialakul _oo_
Mert akkor (a fenti rajzom alapján) szerintem meg lenne ez oldva 16db diódával, meg egy nagyobb teljesítményű ellenállással, vagy rosszul gondolom?
Idézet: „_Nincs_olyan_probléma,_ _amit_ _kitartással,_ _szorgalommal,_ _ne_lehetne_megoldani...” Szóval bármit meg lehet oldani! S egy másik változat is elkészült a megadott infó alapján... Remélem ez jó lesz.
Köszönöm szépen, de ez is sok.
Viszont mondok még annyit, hogy 3 állású kapcsoló lesz, tehát vagy az effekt tápja megy, vagy a világítás, tehát nem kell ennyi minden. Igaz nem írtam, nem fék-pótlámpa lesz, hanem egy afféle kiegészítő lámpa, mert olyan területen lesz, ahol néhányszor kell egy kis plusz fény a földre, és a fényszóró meg nem annyira szimpatikus ![]() Szerk.: szóval ha valaki át tudja tervezni negatív testelésűre, akkor zsír minden.
De ez a kapcsolás negatív testelésű, s közös-katódos a LED-ek kötése is.
S korrekt ( Viszonylag költséghatékony! ) kapcsolás. Persze az eredeti kapcsolás kiegészíthető logikai kapukkal - inverterekkell is ... DE MÁR KEZDEK KIFOGYNI AZ ÖTLETEKBŐL... ( ) Talán érdemes lenne kicsit elgondolkodnod a problémán... Nemtudom mire gondolsz akkor amikor ezt írod, hogy Idézet: „, de ez is sok.” Mert bizonyos alkatrészekre igenis szükség van a korrekt működéshez. Úgy a LOG.-kapus; az inverteres és a bipoláris tranzisztoros változatnál is. Az eredeti kacsolásban a LED-ek az anód pontjaikkal voltak közösítve. S az egyszerű működés miatt csak egy áramkorlátozóra volt szükség. A te igényedhez ez már nem alkalmas. Ez ok. Közös testelés... : Itt a demultiplexert invertálni kell, hogy a katódjaikkal a GND-re lehessen kötni a LED-eket. Külső feszültségről az összes LED világítson... : Az egy szem soros ellenállás nem alkalmazható a LED-ek áramkorlátozására! De pár hozzászólással ezelött már kifejtettem a véleményem az ellenállásokról! A vezérlő áramkört védeni kell az "idegen feszültség" hátbatámadásától. Ehhez egyszer kell 16 dióda amik ezt a feladatot látják el. Valamint a LED-eket is el kel választani egymástól amikor az effekt működik per állandóan világít. S ehhez még egy sor (16DB) dióda szükséges. Ezek a diódák akár 1N4148, vagy bármilyen univerzális, 100mA-s típus is lehet, aminek darabja azt hiszem2FT. De az ellenállások is hasonló árban vannak. Így a tranzisztoros változat sem mondható túl drágának. ( A Méretek csökkentésre lehet SMD alkatrészeket is használni! ) Bocs, hogy kicsit bepirosodtam... ... Attól hogy valami kicsit bonyolultnak látszik az nem jelenti azt, hogy az tényleg bonyolult. S az egyszerűnek tűnő kapcsolások is okozhatnak ...
Alkalmazható ez a kapcsolás is a LED-ek közvetlen vezérlésére.
Sajnos itt is van egy kis hiba. ( Fáradt lehettem. ) A NPN tranzisztoros vagy közös katódos LED-vezérlésnél a 74138-as kimeneteit invertálni kell! Viszont változtatás nélkül alkalmazható PNP-s tranzisztoros vagy közös anódos LED-vezérlésnél. :yes:
_JANI_!
Kérlek csak akkor szinezd ki az írásod, ha az nagyon indokolt. Megértésedet köszönöm.
Köszönöm szépen.
Még gondolkodok rajta, egyenlőre megépitem a rendes, eredeti változatot, aztán majd valamelyik héten ki lehet egészíteni. Kösz a segítséget, teljesen igazad van, szerintem még úgyis fogok itt lenni
OK Rendben.
(#482657) Pako94: Az jó lesz. Addig én is alaposan leellenőrzöm a kapcsolásokat. Nehogy legyen bennük még hiba...
Üdv
Nézegettem a forumban is, meg az oldalon lévő leírást is, de nem nagyon tudtam dűlőre jutni, hogy melyik is lehet az a kapcsolás amelyik nekem megfelelne. Konkértan olyat szeretnék ami úgy fut, hogy a mellette lévő 2 led halvány, bár ez videó jól látszik, úgyhogy inkább linkelném is. Aki esetleg tudja a választ a pls írjon. http://www.youtube.com/watch?v=twWo5rTWNTM
Szia! Szerencsére van miből válogatni!
Ez egy viszonylag egyszerű kapcsolás. Csak egyszerűen.... Egy izzós változat... Ennél az izzók "tehetetlensége" adja a késleltetést... 16-LED-es ''alapkapcsolás''... ( A 16-lépéses változat alapkapcsolása is lehetne... ) Pár kapcsolás. Érdemes belenézni... (Mikrokontrolleresre is van példa... ( ATtiny22; AT90S1200)) ( Kozmetikázott, ellenőrzött TTL-es leszimulált rajz. ) Hat lépésig egyszerűen 555 -> 4017 -> diódás VAGY-''kapuk'' -> LED-ek. Mickey: ''Az igazi Knight Rider futófény''... ( az elvi rajz ) Egy HE-s változat... ... Még egy 16 lépéses változat ... Én személy szerint Mickey ''Az igazi Knight Rider futófény''-ét ajánlom! Remélem sikerül választani.
Húú ez a mickey-s változat tényleg baromi jó
Amint tudom meg is építem. Köszönöm szépen |
Bejelentkezés
Hirdetés |




) 
! A
De egy számot is könnyű elnézni az IC-n.





DE MÁR KEZDEK KIFOGYNI AZ ÖTLETEKBŐL...





