Fórum témák

» Több friss téma
Fórum » Kondenzátor
 
Témaindító: Alba, idő: Nov 30, 2005
Témakörök:
Lapozás: OK   71 / 105
(#) proba válasza kadarist hozzászólására (») Okt 27, 2015 /
 
Én is gondoltam erre, de azért elég durva, a fólián nem látszik hiba, de a legtöbb ilyen alkatrész kapacitásának fele kétharmada oda. Lehet még többet szétverek. Mindenesetre ha ez az ok, akkor keresni kell nagyobb feszültségűt helyettük.
(#) proba válasza kadarist hozzászólására (») Okt 27, 2015 /
 
Azért tetszik :
Idézet:
„az élettartam akár 200 000 óra (22,8 év) is lehet a különleges gyártási technológiának köszönhetően;”
. Régi kondenzátorok lehet nem ilyen különlegesen voltak gyártva, mégis tudták ezt a paramétert teljesíteni.
(#) ZaiKo hozzászólása Okt 31, 2015 /
 
Sziasztok!
Szeretnék egy kis segítséget kérni.
Egy monitort szeretnék életre kelteni. Feltehetőleg a tápegységében van a gond, van pár púpos kondi benne. (Nem kapcsol be a monitor, csak a bekapcsoló gombja világít és marhára sípol )
Azonban lecserélném egyúttal mindet, ahogy azt szokás.
(Csináltam már ilyet korábban, sikerrel..)

Azonban van egy kondi amit nem nagyon tudok beszerezni...
0,47µF 50V

A kérdésem az volna, hogy ha helyette egy 1µF 50V (low esr) példánnyal cserélném ki, az okozna gondot?
Amennyire tudom, lehet picit feljebb menni feszültségben is meg kapacitásban is, de nem tudom, hogy ebben az esetben is rendben volna-e? Mert ez már gyakorlatilag 2x akkora kapacitású...

Előre is köszönöm
(#) kadarist válasza ZaiKo hozzászólására (») Okt 31, 2015 /
 
Szia!
Inkább mérd meg a multimétered kapacitásmérőjével, és ha nem éri el a névlegest, akkor cseréld. Egyébként nem okoz gondot az 1uF.
(#) ZaiKo hozzászólása Okt 31, 2015 /
 
Szia!

Értem! Köszönöm a segítséget
(#) Sebi válasza ZaiKo hozzászólására (») Nov 1, 2015 /
 
470nF elkó kizárólag anyagi megfontolásból készült, nyugodtan tehetsz a helyére fólia kondit - ha elfér.
(#) c27 hozzászólása Nov 17, 2015 /
 
Sziasztok!

A Hitano kondik mennyire számítanak jónak/gagyinak? Mostanában ha bárhol veszek mindig csak hitano van, az a pár jobb márka elég nehezen elérhető. Általánosságban milyen tapasztalataitok vannak ezzel a kondival?
(#) pisti89 válasza c27 hozzászólására (») Nov 20, 2015 /
 
Hát én még nem találkoztam, csak pár bontott kis kapacításúval, azok jók voltak (nem száradtak ki)
Sajnos az a tapasztalatom, hogy amiket boltban lehet venni, az szinte mindig az olcsó, kommersz elkók, ez nem azt jelenti, hogy rossz, de biztos nem a legjobbak közé tartozik.
(#) djhans hozzászólása Jan 29, 2016 /
 
Sziasztok. Tudja valaki hol lehet kapni axiális elkókat. Videoton erősítő felújításhoz kellene.
(#) Dudus válasza djhans hozzászólására (») Jan 29, 2016 /
 
Az összes rendes boltban kapható.
(#) djhans válasza Dudus hozzászólására (») Jan 29, 2016 /
 
Akkor én nem jó boltokba járok. Lomexben és Elektrokonthában nem nagyon van.
(#) Dudus válasza djhans hozzászólására (») Jan 29, 2016 /
 
Például a HQ-ban HQ axial elko
(#) etm hozzászólása Feb 7, 2016 /
 
Hello! Azt szeretném kérdezni ,hogy egy gretz kapcsolás után lévő elektrolit kondenzátor miért sercog az idő alatt míg feltőltődik.A kondi adatai: 50 V, 47 mikroF,és 105 C fok. Ez a kondi egy táp IC lábán van,és neki biztosítaná az egyen feszültséget. 14V-ra van kapcsolva,de mikor rákapcsolom a feszre,erősen sercog,mialatt töltődik.Próbáltam ujra cserélni,és az is ezt csinálja. Lehet hogy a gretz átenged váltót?Multiméterrel dióda állásban mérve jó a gretz.
(#) kadarist válasza etm hozzászólására (») Feb 7, 2016 /
 
Később nem serceg, csak a bekapcsolás pillanatában?
(#) etm válasza kadarist hozzászólására (») Feb 7, 2016 /
 
Igen.
(#) kadarist válasza etm hozzászólására (») Feb 7, 2016 /
 
Akkor az nem kondenzátorból jön, ráadásul egy ilyen körömhegynyi kondi régen szétdurrant volna, ha valamilyen baja van.
A hozzászólás módosítva: Feb 7, 2016
(#) etm válasza kadarist hozzászólására (») Feb 8, 2016 /
 
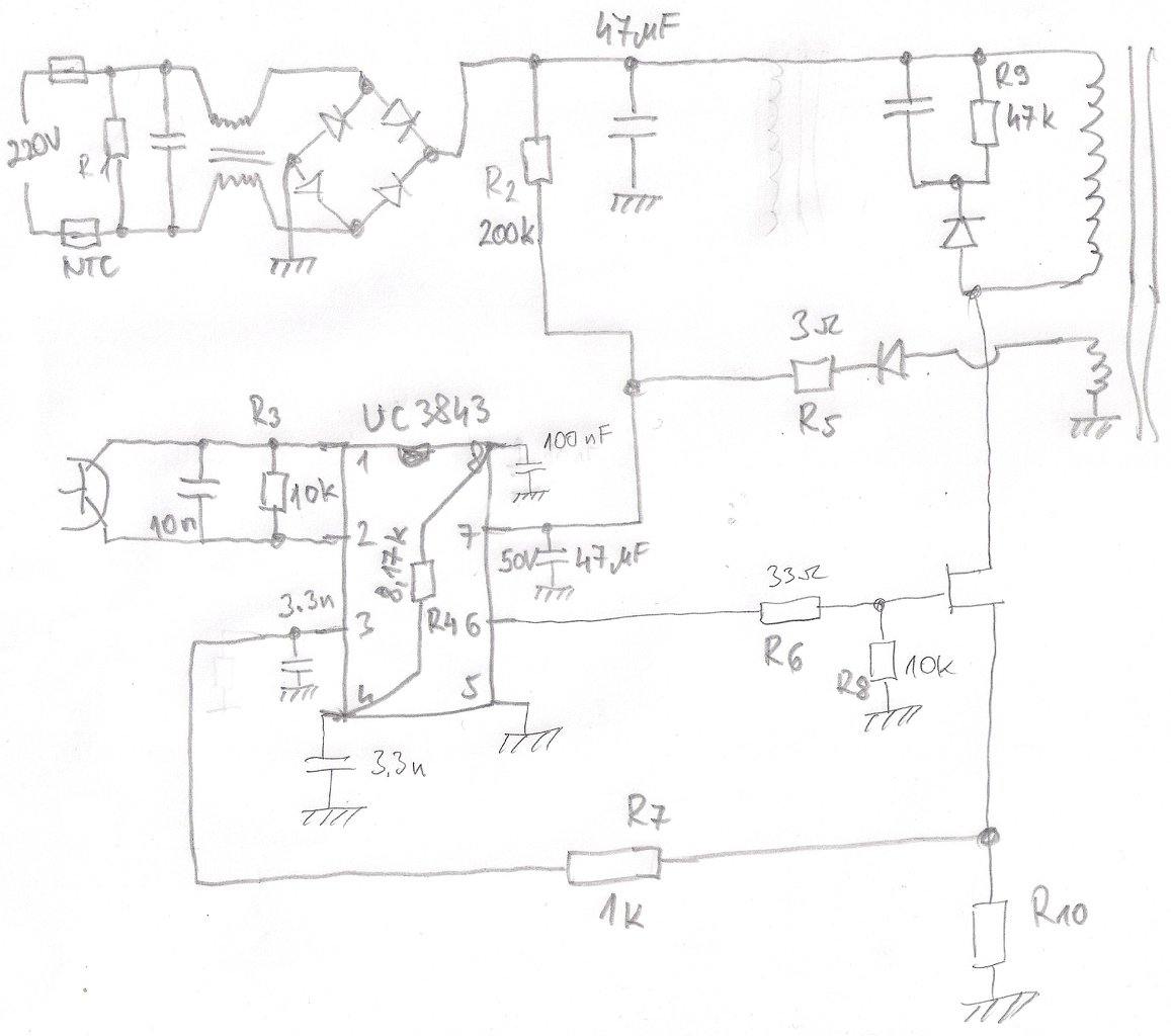
Hello! Erről a kapcsolásról van szó. Azért gyanakodtam kondenzátorra,mert bekapcsolás pillanatától számítva 1-2 mp-ig sercog.Ha az NTC-t áthidalom,akkor erősebben.(tudom hogy az NTC csökkenti az indító áramot). Az IC addig nem indul míg a kondi fel nem töltődik a 7-es lábon.Ezért szerintem vagy a kondi,vagy pedig a hálózat,és a kondi között valami . Szerinted? Üdv!

scan0001.jpg
    
(#) Dudus válasza etm hozzászólására (») Feb 8, 2016 /
 
Az R9 melletti kondenzátort és diódát ellenőrizd, és persze az ellenállást is. A snubber hibája okozhat ilyen furcsa zajokat.
(#) kadarist válasza etm hozzászólására (») Feb 8, 2016 /
 
Én úgy gondolom, hogy a trafó zizeg, más nem szokott ilyet csinálni.
(#) steelbird válasza kadarist hozzászólására (») Feb 8, 2016 /
 
A kapcsitáp zizeg a túlterhelés miatt, amíg fel nem tölti a szekunder oldali puffereket. Addig valami nagyon rossz frekin rezeghet.
A hozzászólás módosítva: Feb 8, 2016
(#) kadarist válasza steelbird hozzászólására (») Feb 8, 2016 /
 
Ne nekem válaszolj, hanem a kérdezőnek!
(#) thegeq hozzászólása Feb 16, 2016 /
 
Sziasztok!
Ha egy kapcsolási rajzhoz tartozó alkatrészlistán azt írják, hogy "0µ22 radial elect 10V", akkor milyen kondenzátorra gondolnak? Az tiszta, hogy 0.22µF-os és 10V-os. Elektrolit kondenzátorra gondolt?
Mások kérdés, hogy van-e olyan, hogy egy adott értékű kondenzátorból van kerámia meg elektrolit kondi is? Ha igen, akkor fel mindegy-e, hogy a kapcsolásomban milyet használok?
(#) pucuka válasza thegeq hozzászólására (») Feb 16, 2016 /
 
Valószínűleg tantál kondenzátor akar lenni, a mérete nagyon kicsi még alu elektrolit kondinál is. Lehet, hogy SMD kivitel
(#) ODU hozzászólása Ápr 4, 2016 /
 
Sziasztok!

Adott a mellékelt képen látható kondenzátor. Az van ráírva hogy 275VAC. A kérdésem az, hogy ez a 275VAC ez csúcstól csúcsig értendő vagy a váltakozó feszültség effektív értéke? Hálózati feszültséggel lenne sorba kötve (a kapacitív reaktanciát kihasználva) áram korlátozás szempontjából, viszont a teljes hálózati feszültség esne rajta ami ugye 315V csúcstól-csúcsig.

14558_0.jpg
    
(#) proli007 válasza ODU hozzászólására (») Ápr 4, 2016 /
 
Természetesen az effektív feszültség, pont azért van rajta a "AC".. De mindig tegyél vele párhuzamosan nagy értékű kisütő ellenállást és soros kis értékű áramkorlátozót. Mert az 50Hz csak addig annyi, míg egy tranziens nem jön, vagy nem kapcsolod. Akkor pedig akármekkora is lehet és az áram is ennek megfelelően.
(#) ODU válasza proli007 hozzászólására (») Ápr 4, 2016 /
 
Köszönöm a választ. Az ellenállások megvannak, csak kondenzátort cserélek. Egy LED-es izzóban van ez csak túl nagy áramot engedett át a kondenzátor és kiégtek a LED-ek. Kicsit kisebbre cserélem a kondenzátort hogy megnöveljem a LED-ek élettartamát.
(#) proli007 válasza ODU hozzászólására (») Ápr 4, 2016 /
 
Sajnos a mai kondik, nem egy "örök élet meg egy nap" technológiával készülnek. Öngyógyítók, aminek a végeredménye, a kapacitás vesztés..
(#) ODU válasza proli007 hozzászólására (») Ápr 4, 2016 /
 
Jelenleg sajnos annyira elméretezték a tervezők, hogy 1 hét volt az élettartam és kb 90°C-os volt a műanyag burkolatú izzó. Így a kisebb kondenzátorral nem sokkal kisebb a fénye, viszont szinte nincs melegedés.
(#) Simon mondja hozzászólása Ápr 9, 2016 /
 
Sziasztok!

6000uF, 350V, 70mohm ESR mennyire számít elhasználódottnak? FACON gyártmány. Nemtaláltam seholsem katalógust rá.
(#) kadarist válasza Simon mondja hozzászólására (») Ápr 9, 2016 /
 
Szia!
Mekkora a ráírt kapacitása?
A hozzászólás módosítva: Ápr 9, 2016
Következő: »»   71 / 105
Bejelentkezés

Belépés

Hirdetés
XDT.hu
Az oldalon sütiket használunk a helyes működéshez. Bővebb információt az adatvédelmi szabályzatban olvashatsz. Megértettem