Fórum témák
» Több friss téma |
Fórum » Középhullámú adó
sziasztok!lehet nem idevágó a téma de rádió lenne keresek egy ojan vevő leírást rajzal ami a 430-470mhz sávokat fogja ez a pmr sávok kb. ha van ijen!előre is köszönöm!
Ilyen! LY mint a lyuk. Vagy gólya, sirály, harkály, komoly, tavaly, ilyen, olyan, milyen, melyik, valamelyik. Tettem vesszőket is. Láttad? Ha az ember felsorol vagy összetett mondatot ír, vesszővel választja el.
nagyon rendes vagy tanárbácsi de ez még nem válasz a kérésemre!
Üdv!
Akkor tedd fel a kérdésedet a megfelelő helyen! Van PMR, URH, CB topik!
Ilyen helyesírás mellett a kisbetű-nagybetű már csak apróság
(Azt meg sokan mások sem tudják, hogy az a betűkülönbség mekkora frekvenciakülönbséget jelent.)
Sziasztok, van egy régi-régi Orion 115A rádióm (3 gombos) és ehhez szeretnék egy KH adót , amivel a gépról vagy bármely jack csatlakozás lejátszómról átjátszhaok zenéket, a rádió áthangolását én megoldanám , csak nem találok a régi szabványra kapcsolást.
Köszi!
Milyen régi szabványra gondolsz, és mit, hova akarsz áthangolni?
Készíts egy oszcillátort a középhullámú sávra, és azt amplitúdóban megmodulálod a lejátszódról jövő jellel. AM et legegyszerűbben "anódmodulációval" készíthetsz, ami gyakorlatilag a KH oszcillátor tápfeszültségének kismértékű változtatását jelenti.
Szia
Két kapcsolást találtam neked amiről pucuka irt. Próbáld ki.
Ez ugyan nem anód, hanem rács modulációnak megfelelő, de ugyanolyan jó lesz. Elkészítheted Si PNP, vagy NPN (fordított polaritás) tranyóval is.
Sziasztok!
Nagyon rég jártam már erre... Lenne egy kérdésem ami talán sokakat érdekelhet. Nem tudni a Kossuth meddig sugároz még AM-en, de ha befejezi akkor mind a 4 rádióm (Terta T328, Orion 520A, Orion AR205, Orion 115B) elhallgat. Gondoltam építek egy kis teljesítményű AM adót, amivel tetszőleges line jelet szórhatnék a rádióimnak középhullámon. A gondom az, hogy egész sok kapcsolási rajzot találtam kondenzátor mikrofonra, de line jelről üzemelőt egyet sem. Van esetleg itt valakinek tapasztalata ilyesmiben? A csatolt képen az eddigi legesélyesebb megépítendő kapcsolás. Előre is köszönöm a segítséget.
Kösd a mikrofon helyére a jeledet egy csatolókondin keresztül. Egy tesztet megér.
Köszi! Így gondolod?
Köszönöm! 1-2hét és lesz is időm összerakni.
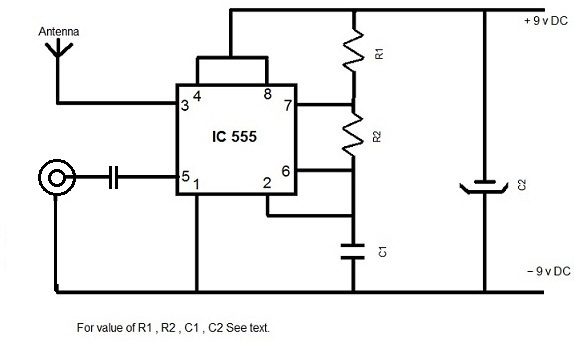
Ezt az 555 -ös kapcsolást el ne kövesd! Csak hangolt körös kiadót építs, mint az előző cikkben is látható.
Igen. Az gondoltam megépíteni amit korábban Skori linkelt be, konkrétan ezt.. Egyszerű és nem látom miért ne működne. Transzformátort már sikerült is kitermelnem egy SOKOL-ból, de oszcillátort még nem sikerült találnom otthon. Ha végképp nem találok akkor megpróbálok venni, ha az sem sikerül akkor ez lesz egy BC212-vel, mert ahogy olvastam erről is van pozitív tapasztalat. Ezer bocsánat a lassú válaszidő miatt, de mióta átalakult az oldal hiába állítom be a témafigyelést, nem jönnek meg az e-mailek... A hozzászólás módosítva: Szept 26, 2012
Azt azért nem értem, hogy ha már ott van a sokol és abból bontasz alkatrészeket, akkor miért nem csinálsz egy kutya közönséges egy tranzisztoros oszcillátort?
Mondjuk valahogy így: Bővebben: Link
A hozzászólás módosítva: Szept 26, 2012
Végül is ez is az, csak van előtte egy erősítő fokozat, mert némileg modulálni is szeretné.
De Sokolban van oszcillátor tekercs is, meg a KF tekercs is jó, ha kiszedi belőle a hangoló kondit.
Szerintem maradok a "lemezjátszó távadapter" nevű történetnél. Ahhoz szinte mindent össze tudok kukázni itthon. Ez az egész rádiós témakör még nagyon új nekem, nem kísérletezek ha van bevált, kipróbált változat is.
A hozzászólás módosítva: Szept 26, 2012
Ezt a linket azért elmentem, hátha később még jól jön valamire. Köszi!
Ehhez a trafós megoldáshoz honnan tudok ilyen 1 MHz-es kvarcot szerezni? Vagy egyáltalán hogy keressek rá? HQvideo-nál csak kétlábúakat találok a 'kvarc 1 mhz' keresésre...
Sziasztok! Megépítettem az alábbi kapcsolást, működik is ahogy kell és ott ahol kell (1100Khz) mert ha a bemenetet kézzel megérintem, a rádióból egyértelműen hallható a brumm. Viszont ha jelforrást kötök rá süket mint az ágyú. Mértem az áramkör áramfelvételét nyugalmi állapotban szabad bemenettel 5uA ha kézzel fogom a bemenetet felmegy 1mA-re, ha jelforrást akasztok rá szintén 5uA. Nem igazán értem mit csinálok rosszul. Az kimaradt hogy a jelforrást próbáltam testhez és a pozitív ághoz is kötni de ugyanaz.
A hozzászólás módosítva: Márc 14, 2013
Meglett a hiba! Kissé rosszul értelmeztem a rajzot mivel nem túl szabványosan van rajzolva. A bázist nem kötöttem össze a 47k-s ellenállással és a 10nF-os kondival. Így már működik, de azt azért megkérdezném miért van az hogy, ha az antennának használt kb 5cm-es szigetelt drót fém részét megérintem akkor jóformán elhallgat (gondolom leterhelem a rezgőkört) viszont ha a drót szigetelését fogom meg akkor jelentősen megemelkedik a rádió hangereje és az addig kissé zúgós vétel is teljesen kitisztul. próbáltam kisebb nagyobb dróttal is de az 5 cm tűnik ideálisnak.
A hozzászólás módosítva: Márc 14, 2013
Sajnos fogalmam sincs, még nekem sem sikerült beszerezni... Elméletileg bontani lehet régi hálózati kártyákról talán, de nagyon nagy szerencse kell hozzá.
Igen már közben meglett a hiba, hogy a srác kifelejtette a kapcsolódást jelző csomót.
Első nekifutásra itt találtam, de lehet még több helyen is, illetve erre hajlandó kereskedő nagykerből beszerzi Neked, ha szépen kéred...
Tokozott kristályoszcillátor a neve, nagyon sokféle frekvenciára készül (10MHz-enként, 2 hatványai ill. azok kombinációi, szokványos kf értékek különbsége, stb...), olcsó, hobbi célokra elég stabil és pontos, a hasonló kinézetű tokok bekötése már-már szabványnak tekinthető.
Amit fentebb beillesztettem kapcsolási rajzon, elég a rezgőkör 1nF-os kondiját 1,5nF-ra cserélnem hogy kissé csökkentsem a frekvenciáját? Mert akkora mázlim van hogy pont telibetaláltam a Kossuth illetve most már dankó rádió frekijét.
Köszi! Meg is rendeltem, majd beszámolok az eredményről.
|
Bejelentkezés
Hirdetés |








Igen. 





