Fórum témák
» Több friss téma |
Fórum » Külső tápegység
Témaindító: mark.budai, idő: Szept 30, 2008
Sziasztok Egy HP külső CD író kapcsolási rajz kellene, a márka mind1 (5, és 12V kell)(csak azért HP mert itt van nálam egy Külső HP CD író, aminek viszonylag kicsi (kb. 10x6x4cm)a tápja, de sajnos nem az enyém, ezért kéne másik). Egy usb to ide átalakító IC-t rendeltem a TI -től, amire winchestert fogok kötni. Nem akarok ezért "előráncigálni" egy nagy AT-s tápot. Leginkább azé lenne a megoldás, aki ingyen megrendelhető IC nevét tudná mondani(itt gondolok a ti.com-ra is), mert ugye az is kell egy ilyen tápba(ha jól tudom). A válaszokat előre is köszi!
7805 és 7812 stab ic és meg van oldva...
kb.2-3 száz ft!!! nem kell mindent ingyen...
Ti-s? mert akkor van ott kapcs.rajz. És köszi. De ha nem ti-s tudsz kapcs.rajzot? És a neve nem LC-vel kezdődik?
Köszi a gyors választ ! Így is kijön 150Ft-ból. Ennyiért simán megéri.(Azért nem néztem az oldalukon, mert nem tudtam, hogyan keressem. De hát ezért van ez a fórum, nem?
) De ahogy nézen 40V körüli fesz. kell nekik, de azt hogyan csináljam meg, mert nekem 220V-ról kell.
Ez elmehetett volna a kezdő kérdések topicba is...
Utálom az ilyen ingyenélőket... De hogy ON is legyen; egy transzformátorra, egyenirányításra és pufferkondikra lesz szükséged. Ezek közül a transzformátor a legdrágább, de előre megsúgom hogy azt egyetlen gyártó sem fogja neked ingyen odaadni.
Ja és az tényleg ingyen lessz amit te ítrál, van itthon 1 ATX tápegységem. Ja, és nem ingyenélő vagyok, hanem nem szeretnék erre sokat költeni!
Ja és arról ne is álmodj, hogy akkorában megcsinálod házilag föleg nem ingyé...
Annál még a trafó is nagyobb(18-20 w)
Idézet: „Egy usb to ide átalakító IC-t rendeltem a TI -től” Idézet: „De ahogy nézen 40V körüli fesz. kell nekik, de azt hogyan csináljam meg, mert nekem 220V-ról kell.” Panelt csináltál már? Nem lesz ez nagy falat első projektnek?
Akkor mind1, hogy mekkora, megcsinálom ATX-es tápból. (De ehhez neg kéne külön kapcs.rajz ACORP LC235ATX(Amúgyis ebből akartam megcsinálni.))
Haver, te egy kicsit el vagy tévedve!! Minek neked 40V-fesz? Az első HSZ-edben 5 és 12V ról írtál, utánna 40V kell? Mire? A stabilizátoroknak? Honnan veszed hogy 40V kell? Az 5 voltos stabilizátornak kell kb 7-8V a 12V-osnak meg vagy 15V a helyes működéshez!
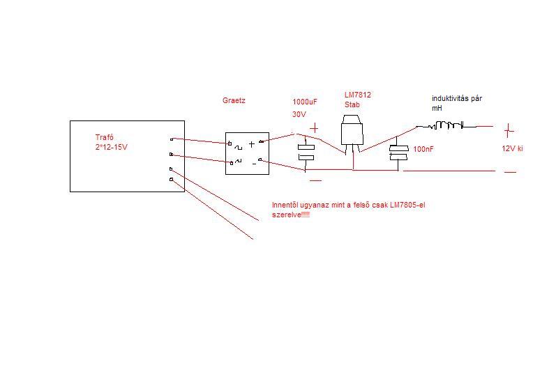
Fogsz egy 2*12V-os puskás trafót, meg egy próbanyákot, beforrasztasz 2 graetz hidat, 2 puffert meg hidegítő kondit, esetleg egy pár mH indukciót, a stabokat, a végén összehuzalozod aztán jónapot kivánok. Ha melegszenek akkor meg rányomsz egy egy hűtőzászlót és kész. Bár hozzáteszem nem szükséges ugyan szimmetrikus trafót és két külön graetzet használni, de én így csinálnám. Jobb a külön táp. Üdv: Doncso
Egyébként ha jobban belegondolsz, amit írtál az elég sokrétű merthogy
Idézet: „Sziasztok Egy HP külső CD író kapcsolási rajz kellene” Szuper! Kapcsolási rajzot keresek topic már VAN!! Idézet: „5, és 12V kell” Na ezt értem! Idézet: „Egy usb to ide átalakító IC-t rendeltem a TI -től, amire winchestert fogok kötni.” Mi köze ennek ahhoz kogy kapcsi rajzot keresel, aztán meg 5-12V ot?? Idézet: „Leginkább azé lenne a megoldás, aki ingyen megrendelhető IC nevét tudná mondani(itt gondolok a ti.com-ra is), mert ugye az is kell egy ilyen tápba(ha jól tudom). A válaszokat előre is köszi!” Milyen IC? Nekem itt dőlt össze a káoszfal! Stabilizátorra gondolsz vagy USB-to-IDE ?? Idézet: „De ahogy nézen 40V körüli fesz. kell nekik, de azt hogyan csináljam meg, mert nekem 220V-ról kell.” Na ezt már végképp nem értem!Szóval nekem az a javaslatom, hogyha segítséget szeretnél kérni, előbb szedd össze a gondolataidat és érthető formában tárd a nyilvánosság elé, mert egyébként mindenki zavartan fogja bámulni a képernyőjét és nem fogja kibogarászni senki hogy mi az amit valójában szeretnél. Üdv: Doncso
Ez érdekel,de így szóban nem értem teljesen, kísérletezni meg nem akarok a winyómmal. Nagyon szépen megkööszönném ha csinálnál erről egy egyszerű rajzot. Tiéd is lenne a pont. És nem az utolsó hsz.-edet idézdem, hanem az eggyel előbbit!
Parancsolj kérlek, kicsit móricka rajz de így működni fog!
Ha valami nem tiszta írj. Üdv: Doncso
Akkor van 1-2 kérdésem.
1.A Gratez az a diódahíd? 2.Az induktivitás az tekercs? kb mennyi tekerés kell? 3:A stab-ot mind1, hogy hogyan kötöm be?
a graetz, az igen a diódahíd, rajta is van a bekötés, a két kunkorra kell kötnöd a trafót, a másik két láb pedig már az egyenirányított + - ami megy a pufferre.
A stabot egyáltalán nem mindegy hogy kötöd, úgy kösd be ahogyan rajzoltam, feléd van a stab, bal láb a bemenete a puffer felől, középső láb test, jobb láb pedig kimenet a kis 100nF-os kondi felé, az induktivitás annyira nem fontos de nem árt, a nagyfrekis zavart kiszűri, fogsz egy rossz pc-tápot és kitéped belőle, vagy fogsz egy 5mm-es ferritrudat ami kb 1,5-2cm hosszú és 1-2 sort tekersz rá, szépen egymás mellé, réz zománchuzalból. |
Bejelentkezés
Hirdetés |




) De ahogy nézen 40V körüli fesz. kell nekik, de azt hogyan csináljam meg, mert nekem 220V-ról kell.
Na ezt már végképp nem értem!
