Fórum témák
» Több friss téma |
Fórum » Labortápegység készítése
Nem az én hibám, mit csináljak vele, ha a kapcsolás technikája ilyen, egyébként sem 3055-van benne hanem 249, az meg te is tudod elég labilis, 3055-el most építettem egy ugyanijet, az bitang pedig 4 helyett csak 3 áteresztő van benne.
Igen, a védődióda?!
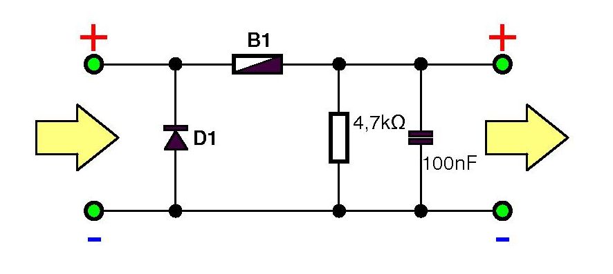
Ez egy elég vitatott kérdés, ki így, ki úgy vélekedik erről. Szerintem biztosan nem árt, eltekintve egy-két nagyon speciális esettől. Mellékelek egy rajzot, amit szinte minden tápegységhez lehet alkalmazni. Az induktív terhelés egyébként nem terhelés közben okoz problémát (általában), hanem abban a pillanatban mikor leválasztod a tápegységről. Akkor van egy jó nagy löket. Épp e miatt szokás a relék tekercseit is átkötni egy diódával. Ez a kis kiegészítés még a fordított polaritástól, és szinte minden egyéb előre nem is várható tranzienstől és védi a tápunkat. 1. a biztosíték kb 20%-al legyen nagyobb, mint a max. kimenő áram. 2. A diódából olyat kell választani, ami nagy valószínűséggel, legalább addig kibírja az áramot, ameddig a biztosíték ki nem olvad. (Ide azért illik legalább a kimeneti áram dupláját kalkulálni.) 3. Az ellenállás és a 100n nagyfrekis hidegítés, biztosan nem árt. Eléggé téves megközelítésnek gondolom, ha bárki motorokat, főleg mondjuk nyákfúrót akar labortápról működtetni. Természetesen lehet, ha a határadatok beleférnek, de ez legalább akkora botorság, Mint XVI. századi aranyserlegben nyákot maratni, mondván, hogy azt nem bántja a sósav. A fúrógépnek bőven elég egy trafó meg 4 dióda, még puffer sem kell, de ha van, az nem árt. Figyelem! van egy kivétel! Vélhetőleg csak hozzáértésem hiányosságai miatt, de nem látom át miként működne a rajzocskám egy olyan tápegységnél, ahol négyvezetékes kialakítás van, az-az a mérőpont a fogyasztóhoz kikerül. Ekkor a mérőpontra kéne kitelepíteni ezt az egész miskulanciát, ami szinte megoldhatatlan. Alkotó
Szia!
A rajz jó, csak az a biztosíték szerintem nincs jó helyen. Azt inkább a szekundertekercsre kellene tenni, még a graetz és a puffer elé. A biztosítéknak is van egy ellenállása, amit nem célszerű a kimenetre tenni, mert rontja a táp stabilitását. Nagyobb áramoknál már millivolt szintű a rajta eső feszültség. Üdv!
Na tessék! Kezdődik...
Ha védeni akarjuk a stabilizátort, akkor nagyon is jó helyen van ott, ahová rajzoltam. (Amit te mondasz, az a trafót védené, ha mondjuk totál zárlatra pukkanna az egész táp.) De valóban, eshet rajta néhány mV, ebben teljesen egyetértünk. Dönteni kell! védelem és mondjuk 2mV hiba a stabilitásban, vagy a szuper stabil feszültségen darálunk le néhány ezer forintnyi alkatrészt .Alkotó
Azért nem kellene leharapni mindenkinek a fejét ha valami más ötlettel áll elő.
Idézet: „Na tessék! Kezdődik...” Ez meg milyen stílus? Nem így ismertelek meg.
Akkor sajnos csalódnod kell, elég rosszul tolerálom a "mindegy mit, csak írjak valamit" féle megszólalásokat. Hangsúlyozottan nem az egyszerű kérdésekről van szó, mert azokra kimondottan nagy figyelmet fordítok, hanem a saját megítélésem szerint, rossz irányba terelő gondolatokról.
De az én véleményem és nem egy etalon. Bárkinek lehet más álláspontja, viszont ettől én még próbálom a saját igazamat támogatni. Ha jól megfigyeled, az első sort leszámítva, elég korrektül igyekeztem érvelni, remélem az legalább meggyőzőre sikerült. Alkotó
Hello!
Akkor most mát ne fosszál meg bennünket a véleményedtől, ha már a hozzá tartozó ideológiát kifejtetted! Fejtsd ki, hogy kit védünk és kitől, ha itt, vagy ott van a bizti. Mert én nem értem az előző okfejtéseket. (Amúgy nem kell feláldozni semmit, ha a feszültség visszaszabályozás pontja a bizti után van.) üdv! proli007
Ha szakértő állásfoglalásra vágysz, akkor nem engem kellene megszólítanod. De ha már így jártam, a "magamét" elmondom.
Próbálsz összemosni két dolgot (nem kéne!). 1. Mikor a saját véleményem hangsúlyoztam, akkor a hozzászólások egy általam minősített fajtájáról volt szó. Nem hiszem, hogy ahhoz még bármit is hozzá kéne fűzni. 2. A "mérőpont" biztosíték utáni kihelyezése valóban megoldaná azt a pár mV-os stabilitási hibát, de ennek oltárán eltűnne a védelem, pontosabban annak alapossága. Ugyanis ebben az esetben, a külső káros tranziensek (mondjuk ha kimegy a biztosíték) nem jutnak az áteresztő tranyókra, de a mérőponton keresztül agyonvágják a vezérlést. És innen jön a gumicsont, amit majd jó sokáig fogunk itt rágni. Lesz olyan álláspont, mi szerint a mérőág az mindig valamilyen nagy ellenálláson keresztül csatlakozik, lesz olyan, aki azt mondja, hogy még a bizti kiolvadása előtt is bejuthat olyan jel, ami árt a vezérlésnek, és még sok egyéb is, amik közül a többség mind hordoz magában részigazságot. A lényeg, hogy a SPAFI féle tápnak, az én kis kiegészítésem jót tesz, nagyon nagy mértékben növeli a biztonságot. Viszont aki mást gondol, az tegye azt, amit jónak lát. Igyekeztem világosan fogalmazni, remélem most már értesz. Alkotó
Nos én szeretnék kimaradni most ebből a dologból.
De nem értem, az olvadó biztosító egy táp kimenetén mit véd? (Nem mondom hogy kell vagy nem kell, csak kérdem hogy mit véd.) A tápegységet vagy a rá kapcsolt áramkört? Jó kérdés?! Az olvadó biztosító (közkedvelt nevén "biztosíték") ugye kiolvad, hogyha túl nagy áram folyik rajta át. Na mármost, egy labortápegységnek általában van áramkorlátja, ami jobb bármiféle mechanikus-termikus biztinél. De mindegy is, a tapasztalat azt mutatja hogy sajnos a tranzisztorok saját 'életük' árán is megvédik a 20Ft-os biztit. Mert hamarabb elfüstölnek ők maguk. Érdemes megnézni az olvadó biztosítók adatlapját, meglepően hosszú ideig tart mire kiolvadnak... Ha a táp esetleg elromlik, akkor az olvadó biztosító már megvédheti a rákapcsolt áramkört. De ez elég kétséges, mert lehet hogy a táp maximális kimenő árama mondjuk 10A, én pedig egy 20mA-t fogyasztó áramkört tettem a kimenetére. Ez esetben ugye az olvadó biztosító legalább 10A-os, na de ez a 20mA-t felvevő áramkör már valószínűleg kb 100mA-től vígan is elfüstöl. Na és csak most jön a szubjektív véleményem: Az áteresztő teljesítmény-fokozat zárlatának következményeit kivédeni szerintem nagyon nehéz. Hiszen ha az zárlatos, akkor nem tud tenni semmit sem a szabályozó kör sőt, lehet hogy az áteresztő fokozat a a szabályozó kört is magával rántja és az is elfüstöl. Az egyetlen járható út az, hogyha még egy (olcsó, igénytelen és egyszerű) áteresztő fokozatot teszünk az áramkörbe, ami a valódi szabályozó körtől függetlenül működik, és alapesetben teljesen ki van nyitva és csak akkor zár le, hogyha az áteresztő fokozat meghibásodik. Csak hát ezt elég nehéz indikálni. Most jut eszembe, bár nem teljesen kapcsolódik ide; láttam valahol egy olyan megoldást, hogy a táp nagy pufferkondija után betettek egy olvadó biztosítót, majd utána egy tirisztort és annak másik lábát a pufferkondira kötötték. Túláram esetén pedig begyújtott a tirisztor, ami gyakorlatilag kisütötte a puffert a biztin, ami így azonnal kiégett. Elég érdekes megoldás, de végülis ilyet is lehet.
Én csak azt nem értem ,hogy egy 4A-nél többet ki nem engedő tápegység után mi értelme van egy 5A-es biztosítéknak? Ha a rákapcsolt áramkör totál zárlatba megy, akkor sem fog kiégni a biztosíték, ezt tudom mert a frissen megépült Spafi táppal próbáltam ki. Igaz az áteresztők fűtöttek mint atom, de a biztosíték meg sem nyikkant. A védődiódát annó Fery , Attila és én oda vissza kitárgyaltuk már, pro és kontra, nem egy elegáns megoldás, de hasznos ha motorozni akarunk, inkább érdemesebb kapcsolhatóra tenni, talán. Ha a táp egyik áteresztője száll el, akkor garantáltan a puffer feszültség jelenik meg a kimeneten, ez ellen se véd meg a biztosíték, szóval nem lovagolni akarok a biztin, csak nem látom értelmét. Egyébként nekem egyáltalán nem az ötletetddel volt problémám, sem azzal hogy "támogatod" az érveidet, hanem azzal hogy mindezt miért kell fentről elmondani.
Attila86, Doncso, Proli007!
A biztosíték csak és kizárólag a tápegységet védi. Semmilyen hatással sincs a tönkrement, vagy hibásan működő tápegységre kötött áramkör megóvására (ha a táp elszáll, akkor az viszi magával azt is ami rá volt kötve, legalábbis ha az érzékeny az ilyesmire). És akkor vissza a biztosítékra. Az emberi találékonyság páratlanul leleményes, mikor a labortáp kimenetére kötendő dolgok kitalálásáról van szó (szándékosan nem is hozok példákat). Addig maximálisan igaza van szinte mindenkinek, ameddig a fogyasztónk "fogyaszt". De egész más a helyzet, mikor befelé akar valamit "táplálni". Mondjuk pl, az induktív terhelések, jó nagy tekercsek, vagy egy akkumulátor, ami esetleg fel is van töltve és persze fordított polaritással kötjük a kimenetre. Na ekkor kell a dióda, amit ha jól túlméreteztük, képes kiverni a biztosítékot (ami bizony rövid ideig a névleges értékének sokszorosát is átengedi). Ha sikerül a biztosítékot feláldozni, akkor jó eséllyel megóvhatjuk az áteresztő elemek épségét, ami általában a legnagyobb érték a tápegységben. Egyébként ez távolról sem egy újdonság. Sok kapcsolásnak eleve szerves része (pl. pioneer kapcsolása, RIM NTM305, gyári készülékek sokasága, stb.) Minezzel együtt is, ez csak egy lehetőség, akit meggyőznek a fentiek használja, akinek ellenérzése van, az meg kerülje el. Az én hozzáértésem nem elég ahhoz, hogy komolyabb tranziensvizsgálatokba, illetve azok hatásainak elemzésére mernék vállalkozni. Ezért egyszerűen elhiszem a korábbi tervezőknek, hogy jót akartak. Ha ők tévedtek, akkor én is. Alkotó
Ajaj! nagy baj van!
Jól kiveséztük a kis rajzocskámat, amin most vettem észre a súlyos hibát (nagyon reggel volt még mikor rajzoltam). A dióda a biztosíték másik oldalára kell! Csak úgy működik helyesen! Szánom bánom, elnézést mindenkitől! Ha átképzeljük oda, akkor már úgy működik ahogy az előbb felvázoltam. Alkotó
Hello!
Látod egyszerűen, ezért kérdeztem, hogy ki véd mitől - mit. Hátha vannak más meggondolások is, amiből okulni lehet. Nem volt ebben semmi kötözködés! De azért az ideológiák gyártását jobban szereted. ![]() Nem abból kell kiindulni, hogy megtámadtak, mert más a véleményed. Mert szerintem nem tennénk ilyent, és én személy szerint tisztelem azt a sok és igényes munkát, amit az áramkörökbe ölsz. A szabályzó fokozat védelmét, két mezei diódával lehet biztosítani. Egyébiránt, bizti ide-oda meg kellene tenni anélkül is. Csak nem szoktuk, mert tapasztalat szerint nem szokott bej lenni belőle. A tervezés, viszont igazából arról szólna, hogy a számba vehető üzemi és üzemen kívüli helyzetet is kezelje. Hát ez van.. üdv! proli007
Akinek még aktuális, sűrű elnézés kérések közben, lerajzoltam jól is az utólagos tápegység védelmet. Ez elég sok külső behatás ellen, hatékonyan védi a szerkezetünket.
A korábban leírtak igazak, csak a rajzom volt hibás, de most javítok a helyzeten. Alkotó
Kimondottan a labortápomhoz kellett egy viszonylag specifikus kialakítású digitális kijelző. Nem akartam itt hígítani a témát ezért a "helyére" tettem. Viszont nekem éppen ide illik, ezért akit érdekel az itt megtalálja.
Még nem próbáltam ki, csak terv! Alkotó
Nagyon ötletes, és mindenképpen egyedi megoldás, gratulálok! :kalap:
Sziasztok, elkezdtem leszimulálni multisimbe a Spafi féle táp mosfetes verzióját, de nem akar menni, tudna valaki segíteni esetleg? Nem szabályoz semmit, illetve néha hiba üzenetezik. Ha valaki segítene nagyon megköszönném. Szeretnék kísérletezni vele.
Üdv.
Szia!
Próbáld meg a FET-ek Drain-jén lévő 680 ohm-os ellenállásokat 0,68 ohm-osra cserélni ![]() Üdv: Pioneer
Szia!
Találtam még hibákat benne, ezért inkább próbálkozz ezzel. Üdvözlettel: Pioneer
Azt a mindenit, iszonyat puska vagy, nagyon szépen köszönöm. Ha jól sejtem, a referencia, a a 2SJ107 és az OPA bekötése is gatya volt. Amim viszont van rajzom azon 680-ohm van, de nagyon örülök, hogy átnézted. Viszont eltünt az a hiba, hogy nem meg le a kimenő 0V-ra, ez lehet hogy a TINA hibája volt csak?
Üdv.
Egész szuperül tudok kisérletezni vele, csak annyi problémám lenne, hogy ha bekapcsol az áramkorlátja, akkor hibát ír ki a szimulátor. Ezt mi okozhatja?
Szia!
Cseréld ki az OPA-t TL083-ra. Ezzel nálam működik. Üdv: Pioneer
Működik is, nagyon szépen köszi a segítséget!
Na, már meg is van az első gondom, valószínű az ami a Tinánál is, szépen belőttem hogy 10A-ig lehessen az áramot engedni, a feszültség marad 50V, ha az áramot letekerem, szépen leesik a kimenő feszültség is ,a fesz bárhol lehet, de ha a feszültséget tekerem le és az áram egy kicsit is fel van tekerve akkor 1,9-2,3 V között van a kimenő feszültség. Mit lehetne csinálni ezzel?
Hello!
Például "méregetni". Mitől nyit ki a Fet? Hogy áll a műveleti munkapontja: Mi történik a kaszkád erősítőben?.. stb. üdv! proli007
Konkrétan nem tudom mi az a kaszkád dolog, de igazad van, méricskélni kellett, kicsit megizzadtam vele, egy két ellenállás értéket módosítottam, például az áteresztők GATE körében lévő 2sJ107-el sorosan lévő 470-et csökkentettem 100-ohm ra, ez jótékonyan levitte a feszültséget ami magas volt letekert potinál is, viszont a kimenp fesz nem akart 48V fölé menni, ezen úgy tudtam segíteni, hogy az áteresztők és az azokat meghajtó BD140-es között csökkentettem az ellenállást, na így egész jónak tünik, viszont még mindíg 700mV fesz jött ki a kimeneten, nem tudom honnan jutott eszembe, vagyhogy ez milyen megoldásnak számít, de tettem az opa kimenetére egy 4148-at visszafelé, így teljesen rendbe lett a dolog, a szimulátor szerint, 1mV-50V-ig rendesen viselkedik, 0-10A ig lehet szabályozni, lehet hogy megoldódott a probléma?
Hello!
- A kaszkád (v. kaszkód) fokozatot a Q3/Q4 tranyó kapcsolása alkotja. - A dióda elég vicces ebben a felállásban. Olyan, mint ha az erősítő kimenete nem tudna elég feszültségre felmenni és a dióda szinteltolást végezne. Viszont a C2 kondi, mindenképpen a dióda elé kell betenni nem utána. Mert gerjedni fog az IC. - Spafi, valószinűleg azért tette be a Jfet kapcsolást, hogy erre az áramgenerátor fokozatra dolgozzon a Q3 nagyjelű erősítő. Viszont ha a Jfet forrásellenállását csökkentetted, akkor nőt az áramgenerátor árama is. (amúgy annak van egy optimális értéke, ahol hőfokfüggetlen az áram. Itt biztos nem számít, csak mondom.) De lehet a Jfet okozza az IRF Fetek nyitását is nulla kimeneti feszültség esetén. Esetleg megpróbálhatod, a Q18 kollektor-emitterével párhuzamosan egy ellenállást tenni, hogy a Fet le tudjon zárni, kis szivárgási áram esetén is. üdv! proli007
A dióda elé kötöttem a kondit, az ellenállást a C-E vel párhuzamosan megpróbáltam, de sajnos nagyon elmászott minden, így ahogy beállítgattam jónak tűnik, az lenne a kérdésem, hogy szerinted így maradhatna e a kapcsolás, vagy feltétlen ki kell venni a diódát? Tudom hogy nem egy elegáns megoldás, de így stabil, bármelyik letekert potinál áram/fesz 0 a kimenő fesz. Tulajdonképpen a szimulátor szerint stabil.
Még egy kérdésem lenne, hogy az áramkorlát működésekor a lednél 1,7V potenciál különbséget mértem, ez elég szerinted ahhoz. hogy kigyulladjon az áramkorlát működésekor? Üdv. |
Bejelentkezés
Hirdetés |





.
Mert hamarabb elfüstölnek ők maguk. Érdemes megnézni az olvadó biztosítók adatlapját, meglepően hosszú ideig tart mire kiolvadnak... 







