Fórum témák
» Több friss téma |
Fórum » LED-es kivezérlésjelzők
Témaindító: KeserűCukor, idő: Márc 27, 2006
Témakörök:
Köszönöm szépen! Itt a C 4 illetve C 3 szerepet játszik a "visszafutás" -ban?
Szia! Természetesen. A 20+2,2k sütögeti ki őket.
Azt szeretném kérdezni ,hogy az ic bírna 3 db kb 20 mA es ledet párhuzamosan kötve? Minden led helyén 3 lenne. Vagy érdemesebb sorba kötni és nagyobb feszültségre álítani a kimenetet?
Az LM3915 kimenetei áramgenerátorosak, tehát csakis sorba kösd a ledeket. A tápnak alig kell meghaladni a 3 led nyitófeszültségét.
Sziasztok!
Tudnátok segíteni? Megépítettem 2 féle kivezérlésjelzőt.Az első az LM3915 adatlapja alapján.Semmire nem reagált, nem működik.A második szerintem jó lesz.Futnak a ledek.A 8-10 led szinte soha nem villan fel.A második rajz alapján készült kivezérlésjelzőt kell kalibrálni, vagy jó a rajz alapján.Sok jelentősége számomra nem lenne.Úgy próbáltam ki őket, hogy hozzáforrasztottam egy magnó gyári kivezérlésjelzőjéhez.A működő kapcsoláson van egy 2u2-es kondi.Ha kiveszem a kondit akkor is működik.Valamint ha a 9-es lábat nem kötöm 12V-ra akkor is működik ugyanúgy mint amikor rákötöm.A kondi elhagyható?És a kilences lábat rákössem azért 12V-ra? Köszönöm előre is Szép napot
Hello!
Elég nehéz kitalálni hogy melyik az egyik, és a másik, és melyikre milyen "panasz" vonatkozik. - A "VU meter" című kapcsolásnál, a bemeneten van egy egyenirányító. Ez helyes, csak épen ez nem való kis jelek fogadására, mert a diódák ki sem nyitnak kis feszültségen. Vagy is ezt a hangszóróra kell mindenképpen kötni. De a referencia feszültség megválasztása 12V tápfesz esetén már nem szerencsés, mert kb. 11V lenne. a 18k ellenállást érdemes lenne csökkenteni, hogy a referencia feszültség (RFO) ne legyen 10V felett. Ekkor növekszik a kijelző érzékenysége is. - A "VU meter jó" kapcsolásnál, a kondi a tápfeszültség szűrésére szolgál. Ezt illetlenség kiszedni, mert a Led-ek bekapcsolásakor az IC rángatja a tápfeszültséget. Ha erről a tápról más is üzemel a készülékben, lehet az észreveszi, vagy behallatszik majd az erősítőbe. A másik kapcsolásból is hiányzik ez a kondi, sőt én még nagyobbat is tennék, mint 2,2uF. A 9-es láb bekötése-kikötése azért hatástalan, mert itt az IC váltakozó feszültséget kap. (nincs egyenirányító, mint az előzőnél.) Mivel a feszültség pillanatról pillanatra fel-le változik a bemenő jellel, a pont kijelzés pedig a bementet követve, azzal együtt szaladgál. Így úgy néz ki, mint ha oszlop kijelzés lenne az is. (Már számtalanszor leírtam..) - Az, hogy rákötötted egy magnó gyári kijelzőjéhez, nem mond semmit, mert ott azt sem tudni váltó, vagy egyenfeszültség van-e, és mekkora a szint. De vélhetően sokkal kisebb, mint egy hangszóró pontjain. - Kalibrálni úgy kell, hogy a végfok maximális kimeneti feszültségén kapcsoljon be az utolsó Led. Így a beállítás elég szubjektív lehet. Magnónál más a helyzet, mert ott tényleg kivezérlésjelzőként funkcionál, vagy is a névleges kivezérlési szint 0dB-jével kellene egybe esni a kivezérlés 0dB-es jelzésének. üdv! proli007 üdv! proli007
Szia
Az első kapcsolás (DIY KIT89 Stereo Vu meter egyátalán nem működött.Szerintem ez lesz az amihez erősebb jel kellene?Én egy keverőt próbálok majd összehozni és abba szeretnék belerakni egy ilyen kapcsolást.A másik kapcsolást (amin pirossal utólagos jelölések vannak)kötöttem a magnóra és ott működött.Erről írtam a kondit.De akkor nem fogom lehagyni a kapcsolásból. A keverő tápja nemtudom bírja-e majd.Abba egyenirányitott 12V és 5V lesz.De elvileg ott is kis jelet fog kapni a kivezérlésjelző.Majd a kimenő (Master) csatorna fogom rákötni. Ha esetleg megírnád, hogy milyen értékü cuccokból rakjam össze azt megköszönném. Köszi
Hello!
- Azt, hogy egyáltalán nem működött, nem állíthatod teljes biztonsággal, hiszen nem mértél rajta semmit. Csak egy kis 6..12V-os trafóról kellett volna 50Hz-et adni a bemenetére, és már is láthattad volna működik-e. - A keverő tápnál szerintem célszerű külön tápfeszültséget biztosítani az IC számára. De ha abban 5V is lesz és azt nem a 12V-ból fogod előállítani, az 5V pufferelt "nyes feszültsége" is megfelelő lesz az IC számára. - Egy keverő kimenetén 0..+6dB jelszint van, tehát ott 775mV..1,5V közötti jel lesz. Ehhez célszerű inkább ezt a kapcsolást megépíteni. (és amit Alkotó ír elolvasni) üdv! proli007
Köszi a tanácsot.Úgy terveztem, hogy a stabil 12V-ból fogom majd előállítani az 5V-ot.De előbb kipróbálom ezt a kapcsolást is.
Mégegyszer köszi
Tiszteletem! Azt szeretném kérdezni ,hogy ha hármassával sorba kötve szeretném használni a ledeket LM 3915 - el akkor a 7. láb és a test közötti ellenállást kell csökkentenem ,hogy a három ledet tudja kiszolgálni feszültséggel? Természetesen egyforma színű és típusú ledek lennének hármassával sorbkötve. És a 8. lábbal az "átfogást" lehet szabályozni?
Tisztelettel. Skero.
Szia! A LED meghajtó kimenetek áramgenerátorosak, számukra közömbös hány LED van sorba kötve.
A LED áram, és a kijelzési tartomány (Vref) számításához szükséges képleteket csatolom.
Sziasztok! Összedobtam egy kapcsolást. Csak kísérletezni használom ,cserélgetem az alkatrészeket ,tapasztalatgyűjtésre használom. Köszönet Reloop fórumtársnak és Proli007 akik mindig segítik a kérdezőt. Bővebben: LinkBővebben: Link Itt van két video egyiknél lassabb a visszafutás ,másiknál úgy csináltam ,hogy gyorsabb legyen.
Szia! Nagyon szellemes a LED elrendezés. Ha zavarna az első LED állandóan megmaradó halvány fénye, akkor egy velük párhuzamos 0,5mA-re méretezett ellenállással eltüntetheted. A lassúbb visszafutást like-olom
Köszönöm! A halvány fény nem zavar ,mert ez az áramkör nem lesz felhasználva de volt rá kötve ellenállás és igen akkor eltűnt de az nem lett tervezve a panelra így csak hozzáérintéssel vizsgáltam. Sajnos a fényképezővel felvett videón csúszik egy kicsit a kép a hanghoz ,élőben egész más. Csináltam sok kísérleti dolgot vele...
Nagyon ötletes. A végkitérésnél esetleg lehetne még színezni a "mutatót", mondjuk pirosra.
Köszönöm! Igazad van az utolsó vagy az utolsó két oszlop lehetne piros. Arra lennék kíváncsi milyen lenne dupla ic vel így növelni a "felbontást" és oszloponként 6 leddel (sűrűbben rakva). Ezt azért raktam össze ,hogy ha valamibe kivezérlés jelzőt szeretnék akkor némileg támaszkodhassak az ennél tapasztalt dolgokra.
Szia!
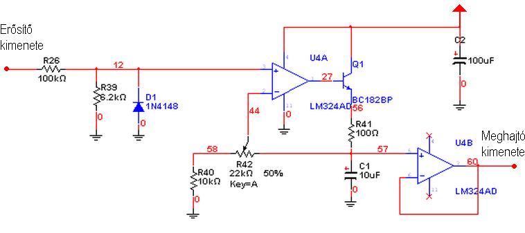
Nagyon bevált ez a kivezérlés jelző, és most szeretném egy másik típusú erősítőhöz is hozzákötni, ahol a problémám a következő: Az erősítő szimpla 50V tápfeszültséggel működik, és egy-egy kimenete és a GND között 25-25V mérhető, tehát pont a tápfeszültség fele, így ha a GND földhöz viszonyítom a "vizsgálandó jelet", akkor a kivezérlésjelző folyamatosan világítani fog. Kérdésem az lenne, hogy megoldható lenne-e az, hogy a két kimeneti vezetéket egymáshoz viszonyítva vizsgálja ? Köszi! Üdv, zoka.
Hello!
Akkor ez egy hídkapcsolású erősítő. Megoldható, de felesleges a két kimenetet egymáshoz képest nézni, elég az egyiket. Viszont a DC feszültséget le kell választani, a bemenettel sorba kötött 100nF/100V-os kondival. üdv! proli007
Igen, hídkapcsolású. (Bár a TDA7293-nál például ha hídba kapcsolom, nincs DC fesz. a GND és például az Out+ között. Úgy látszik, ennek az erősítőnek más a működési elve.
Ezzel a kondenzátorral tényleg működik (igaz már tegnap is próbáltam így, csak túl nagy soros ellenállást kapott a kondi mellett, és "elveszett" a jel. Most kb. 70 kOhm, de próbáltam ilyen 220kOhm-al is, azzal nem működött, aztán nem is hangosítottam tovább. De most így jónak tűnik. Köszi! Üdv, zoka.
Szia!
Ha van két ilyen hídkapcsolású erősítő, tehát sztereó, és ehhez csak egy mono kivezérlés jelzőt szeretnék használni (1 sor LED-et), akkor ha ezen a képen látható kapcsolásból kettőt használok, és a kimenetüket egy-egy ellenállással összekötöm, úgy működni fog? Másik ötletem: tudom, hogy furcsán hangzik de jó volna úgy megoldani, hogyha például az egyik kimeneten pillanatnyilag 8V mérhető, és a másikon 3V, akkor ha közösítem a jeleket, ne 11V, hanem 8V legyen, vagyis a 2 kimenetet úgy szeretném közösíteni, hogy a kivezérlésjelzőn mindig az éppen legerősebb jelszintet lehessen látni. Erre lehet valami megoldás? Köszi! Üdv, zoka.
Sziasztok!
Azt szeretném kérdezni hogy hogyan lehet egy jack-dugót kötni ehhez a kapcsoláshoz : http://kapcsolasok.hu/images/stories/jdani/kivezerles/nagyok/25.JPG A segítséget előre is köszönöm.
A lényeg lemaradt: A jack dugó legbelső gyűrűje a test, a közepe a jobb csatorna kivezérlésjelzője a csúcsa a bal csatorna kivezérlésjelzője. Természetesen a kapcsolásból kettőt kell készíteni.
Üdv: Gábor
Hello!
- Nem csoda. Ha a végfok +- tápfeszültségű, akkor a kimenetén nincs DC. Ha "egy tápfeszültséges" akkor ott féltáp van. Mivel a másik végfokban is ugyan ekkora a DC feszültség, a hangszóróra nem jut rá. - Ha két ellenállással kötsz össze jelet, akkor a két feszültség számtani átlagát kapod, nem az összegét Vagy is nem 8V+3V-ot, hanem (8V+3V)/2-őt. - A megoldás igen egyszerű. Tekintve, hogy a kapcsolás csúcsérték képző, csak a két C1-es kondi pozitív pontját kell összekötni, és "magától" fog teljesülni a kívánságod. üdv! proli007
Szia! Ezt nem is tudtam, akkor a szimpla táp miatt van a DC.
A két C1 kondi összekötését lerajzoltam egy ábrán, így kell elképzelnem? Az egyik opampot elhagytam a kimenetnél. Köszönöm! Üdv, zoka.
HEllo!
Természetesen nem szükséges a két kondi, de "változtatás nélkül" így a legegyszerűbb a megoldás. üdv! proli007 |
Bejelentkezés
Hirdetés |














