Fórum témák
» Több friss téma |
Fórum » LED-es kivezérlésjelzők
Témaindító: KeserűCukor, idő: Márc 27, 2006
Témakörök:
Igen,akarmekorat tehetsz 10u-tól 220u-ig,es a + az a plusz,es mellete van a - oda kotod a tapodnak a negativjat!
a 2.1-es tápjának a --ját kössem oda?
még annyi lenne a bajom hogy a 2.1-nem nincsen füllhalgató bemenete!
és az mindegy hogy PL: 10UF 10v vagy 10UF 50V az mindegy?
Neked 3v-tap kell.En nemtudom hogy neked mekkora a tapegyseg.De jobb ha beszerzel egy 3voltos adapert,es azt beleszereled a dobozba.A jelet ott kapja ahova bedugod a jelet a hangszoroba.Tehat amelyik csatiba szoktad dugni a kabelt,onnet kottod be a villogonak.
Itt ha 3v a tap akkor eleg pl:47uf 10 voltos kondi.
Sziasztok! Készítettem egy 160 ledes kivezérlésjelzőt, akinek kell egy igazán nagy 20 centis látványos cucc az erősítőjéhez, annak ez kihagyhatatlan lesz!
A kis tesójához hasonlóan ez is mindent tud amit tudnia lehet de ha nem akkor írjátok meg és okosítunk rajta. Video
Meg tudnátok mondani hogyan kell ide bekötni potit?Bővebben: Link
Illetve visszaesési sebességet és érzékenységet mivel lehet befolyásolni? Köszönöm
Hú ez aztán már komoly! Költséges projekt. De nagyon szép részletes megjelenítése van! Gratulálok.
Annyira nem költséges kb 10k huf-ból kijön
szia
szereztem egy 4,5V-os 300mA régi telefon töltőt, meg egy 47UF 16v kondit és a BC182-helyett bekötöttem egy c3198-bl-est. a két ledet párhuzamosan összekötöttem mindent bekötöttem ahogy a kapcs rajzon volt amit küldtél. a régi teló töltőt bedugtam a konektorba erőteljesen világított mind a két led, és mikor a 2.1-est plafon hangerőre tettem az egyik hangfal + - -át rákötöttem, akkor halványan kezdet villogni. de közbe amit a BC182-helyet raktam be az nagyon fel melegedett. Valami ötlet? byq28x-200 szerinted jó lenne? c3198-bl -helyet?
itt van egy kép a 2.1-es ről
mi elött valaki megkérdezné csak ez az egy panel van benne!!
Sziasztok
Szeretnék építeni egy ilyen kivezerlésjelzőt. (ki gondolta volna? ) ![]() Naszóval keresgettem a neten és találtam párat, de a leg jobban ez tetszett a 2 ic lehet h drága de el azt hallottam, hogy ezek megbízható ic-k. Szerintetek ez működőképes kapcsolás? Jah és még egy kérdés. A poti itt mit szabályoz? A fényerőt vagy a bemenő jellel babrál? A válaszokat előre köszönöm.
Szia! Érzékenységet tudsz vele állítani. Első ránézésre a két IC sorba fűzése R6, R7 feszültségosztóval elég szokatlan (lehet csak számomra). Az LM IC-k nem csak a megbízhatóságuk miatt kellenek a kapcsolásba, hanem azért mert logaritmikus lépcsőben tudják a led-eket kapcsolni.
És akkor ehhez logaritmikus poti is kell?
Nekem ilyenre nem lenne szükségem az a fő, hogy tudjam válogatni, hogy hogyan villogjon... Ezen van olyan átkapcsoló ami vel tudom válogatni a dot mód ill a bar mód között ami szerintem nagyon állat
![]() A kapcsolási rajzon valamin megakadt a szemem. A 0V és a input össze van kötve. Én eddig úgy voltam vele, hogy a 0v be szúrnám a jack dugó 0 ájat az inputba meg a bemenetet, de akkor rövidre zárnám a bemenetet. Azt gondolom nem kell és nem is lehet össze kötni. valami tipp, hogy az miért van úgy megrajzolva? Idézet: „A kapcsolási rajzon valamin megakadt a szemem. A 0V és a input össze van kötve.” Melyik rajzon látsz ilyet? Üdv Inhouse
Szia!
Nincs összekötve, csak egy kicsit túlszalad az egyik vonal.
Koaxiális csatlakozót jelöl (árnyékolt asszimetrikus), pl. RCA, a külső kör az árnyékolás, a belső a melegpont. Kicsit túlcsúszott, ahogy Kadarist írta, ne akadj fenn rajta...
Üdv Inhouse
És az ic 3 nak az 1- es lába miért nincs bekötve?
Idézet: Az az érdekes, hogy ennek ellenére az első hozzászólásodban pedig a linked, erre a kapcsolásra mutat. Akkor most hogy is van ez? „Nekem ilyenre nem lenne szükségem az a fő, hogy tudjam válogatni, hogy hogyan villogjon... Ezen van olyan átkapcsoló ami vel tudom válogatni a dot mód ill a bar mód között ami szerintem nagyon állat”
Nagy valószínűséggel így igényli a kapcsolás. Az LM3916 adatlapjában is van egy ilyen verzió.
Üdv Inhouse
Hát jah.
![]() Arra mondtam, hogy nincsen rá szükség, hogy megjegyezze egy darabig a maximumot és az lassan csökkenjen. Nekem az kéne(kellene), hogy lehessen választani a között, hogy 1(egy) led ugráljon vagy több(.) ez a dot/bar cucc ha jól tudom. Má(r) csak annyi kéne(kellene), hogy valaki azt írja: Ez a kapcsolás tuti működni fog persze csak ha jól megtervezed és nem kidobott pénz az amit belefektetsz... Én nem értek hozzá (csak jövőre fogunk ilyennel foglalkozni a suliban)
Sziasztok! Mivel abszolút kezdő vagyok, valaki legyen szíves nézzen rá a rajzomra (eredeti is mellékelve), hogy a kapcsolás ok-e, mielőtt megcsinálnám a nyákot.
Köszönöm szépen!
Hello!
Jó! De hogy sikerült egy ilyen szimmetrikus áramkört ilyen aszimmetrikusra rajzolni? :no: üdv! proli007
Igazad van, belátom, de az Eagle-s kapcs. rajz a nyák készítéséhez kellett ("csak"). Ettől függetlenül jogos a leszúrás, át is gondoltam magamban, azt hiszem átrakosgatom az alkatrészeket szimmetrikussá, legalább addig is tanulom az Eagle-t...
![]() A fórumban kapott segítségekből meg az elektronikát... ![]() Ezek szerint a png megegyezik az sch-val? Akkor már talán joggal kivívtam magamnak az "abszolút gagyi kezdő" címet! Bár ebben még nem vagyok biztos. A munkádat köszönöm szépen!
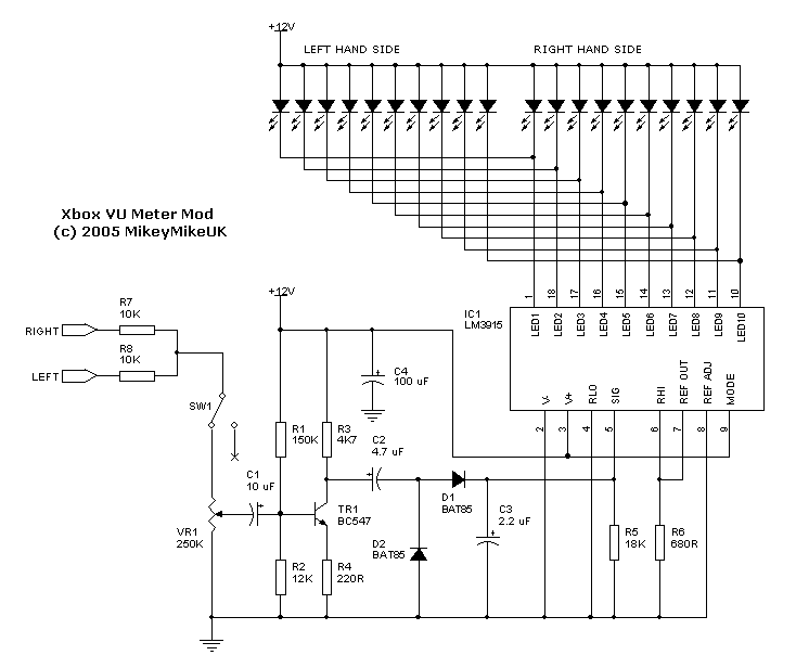
Sziasztok érdeklődni szeretnék ,hogy az alábbi kapcsolásban lévő BAT 85 -ös Schottky dióda lecserélhető -e 1n4148- ra. Miért kell oda az a gyors dióda?
Szia! Kisebb a nyitóirányú feszültségesése. Megépítheted 1N4148-cal is, valamelyest módosul a kijelzés jellege.
Köszönöm szépen a válaszod. A nyáktervet "összedobtam".Ha semmi nem jön közben kipróbálom hétvégén.
|
Bejelentkezés
Hirdetés |
















