Fórum témák
» Több friss téma |
Elnézést mégegyszer, többet nem fordúl elő. Amúgy végre sikerült megcsinálni és műxik
A nyák felválás ellen jó még a hőfokszabályozós páka... pillanatpákával hamar tönkre lehet tenni a fóliát.
Végre valami jó hír!
Melyik változat készült el?
OK, el van nézve! Örülök, hogy rendben működik!
:yes:
Persze a villogó árankört PNP-s tranyóval is meg lehet építeni (pl.: BC212, stb). Ekor a LED-eket, a kondikat és a tápfesz polaritását meg kell fordítani. Jó kisérletezést!
Ha pl valameik ledet normál égőre cserélném (persze a neki megfelelő ellenállással), akkor is működne? Vagy muszály dióda legyen?
Izzókal is müködnie kell. :yes:
De a ledellek egyszerübb mert a paraméterértékei viszonylag állandók. Míg az izzóknál van hidegellenállás és melegellenállás, aminek paraméterei erősen függnek az alkalmazott izzó tipusától és az alkalmazott tápfeszültségtől is... STB. De ha az izzó(-k) meghajtását elkülöníted az alap oszcillátortól (villogótól) akkor az izzó(-k) különböző paraméterei az oszcillátor rezgési tulajdonságát nem befolyásolják. Erre utaltam korábban, h. a vezérlést és a teljesítményrészt érdemes elkülöniteni egymástól.
hi
az általad javasolt cucc hogy működtethető 12(autóakksi 12-14,4V) voltról? fontos lenne mert kihalt a riasztó és villogtatott 2 ledet a műszerfalon de az már nem megy.(azóta el is csórták a pioneer rádiót )
Hi!
Javaslom egy 555-ös astabil kapcsolás összeállítását (keresőben találsz bőven), a fentebbi IC ugyanis tapasztalataim szerint nem beszerezhető. 555-ös mehet közvetlen akkuról.
na vettem 2 ilyen ic-t, további kérdésem, hogy valami szálybarágós módon kapcsrajjzal nem tudná valaki megmagyarázni hogy lehet ebből 2led es villogót csinálni?
Hello!
Részben a témához illő kérdésem lenne: Elhatároztam, hogy készítek egy pici villogó karácsonyfát díszítés céljából. (Nem karácsonyfa alakú NYÁK-ot!) Mert jól néz ki, szeretik a gyerekek, jön a karácsony meg minden jó. Két problémám merült fel: 1. Létezik-e és ha igen, kb. mennyiért szerezhető be kicsi, de viszonlag jó fényű LED. Parázsizzóhoz hasonló fényűre lenne szükségem, csakhát a fogyasztás mégiscsak LEDekkel optimálisabb. 2. Tápfeszültség: egy két-körös villogó áramkör (azért írok kört mert 5-5 ledet villogtatnék) gondolom nem éppen 1,5V-os gombelemmel táplálkozik. Érdemes step-up áramkört építeni, vagy egyszerűbb egy 9V-os alkáli elem? Jó lenne ha mobil lenne a szerkentyü és nem kéne tápegységezni. Elsősorban most a fizikai méret, és nem a bonyolultság számít. Várom a tanácsokat! Máskor sem csalódtam bennetek Üdv: Ákos
A magas fényerejű ledek sajnos legtöbbször erősen irányított fényt adnak, többnyire 30°-os félkúpszöggel. Szemből jó, de karácsonyfára nem lehet ilyen elvárás, úgyhogy ha veszel ledet, figyelj a láthatóságára is.
Amúgy utoljára a TeszVesz-en vettem 180°-ban szórt fényű, 25000 mCd fényerejű sárga, piros, meg kék ledeket, darabját 120 Ft-ért, plusz posta. Áramfelvételük normál (10 mA-ről már szépen világítanak), és cca. 2 V esik rajtuk, mint általában a ledeken, így a gombelem kiesik. Step-up konverterrel én nem törődnék, erősebb táp kell, nem hiszem, hogy csak egyetlen estére tervezed. Apósomnak csináltam az említett ledekből futófényt, egy, a karácsonyfatalpba beépített 12 V / 7 Ah akksival hajtva, ami egy régi riasztóközpontból lett kitermelve. Egy töltéssel kibírja az ünnepeket, gond nélkül, csak tippként mondom. Drágák az elemek
Igen, ez bennem is felmerült, hogy sajnos jellemző a ledekre az irányított fény. A sok pici izzó meg egyrészt melegszik, meg fogyaszt, fogyaszt, fogyaszt.
A villogás amúgy nem lészükséglet, de jó lenne egy kis látványelemnek, pluszként. Még megfontolom, sajnos sok a hátráltatató tényező .. nade nem adom fel egykönnyen.
Nem is szabad feladni
Tegnap láttam egy oldalt a neten valahol, gazdája ledeket rejtett belül üreges üveg és műanyagfigurákba, aztán kiöntötte a belsejüket áttetsző epoxigyantával. Volt pár kép (tengeri csikó nagyon bejött neki), szépen világítottak minden irányba, barátságos szórt fénnyel. Mi volna, ha hasonlót követnél el pár hagyományos karácsonyfaizzóval, foglalatukat levágva üvegtestbe fehér ledek (merthogy az üveg színes), és valami áttetsző kitöltőanyaggal beöntve?
Ötletes módszer
Azonban: az egész karácsonyfácska kb. 10 centi magas tehát miniatürizálás a nagyobb feladat a "projektben". Forrasztó, NYÁK-tervező jó barátom, nem is az a baj. Láttam egy netes áruházban 3 mmes ledeket, viszonylag kerek tokban, nem is drága, még jó is lehet.. A sima két tranzisztoros (astabil multivibrátor) áramkör bővíthető olyan módon, hogy 5-5 led párhuzamosan, persze jóval nagyobb közös ellenállással? Mert ha sorba kötöm összegződik a nyitófeszültség. Javítsatok ki ha tévedek, elvégre még csak tanulgatom a szakmát.
Ha párhuzamosan kötöd őket közös ellenállással, éppen hogy kisebb ellenállás kell. A rajtuk eső feszültség egyforma, áram viszont csak 1/5-nyi folyik át rajtuk, már ha nagyjából egyformák. Pl. 5 V táp mellett egy lednél, 10 mA áram mellett R=(5-2)/0.01, vagyis 300 Ohm, a szokott 2 V-os eséssel a leden. 5 leddel R=(5-2)/0.05, azaz 60 Ohm, mert ötször 10 mA-t kell biztosítanod. Emiatt esetleg más bázis-ellenállás kell az AMV-be, hogy a tranzisztor szaturáljon, ne az erősítő tartományban legyen (attól függ, mekkora a bétája, az áramerősítési tényezője), mert ott jobban melegszik, és ha ellenállást kell cserélni, talán a kondin is módosítani kell, hogy ne változzon a kitöltési tényező.
Ilyen alapdolgokra van egy jó kis Java applet itt, igaz, hogy nem választhatsz bele akármilyen tranzisztort, de az áramokat és feszültségeket nagyjából be tudod lőni, mielőtt bármit is forrasztanál. Töltsd le a zip-et, van benne pár alapáramkör is. Ha ilyen kicsi a fa, smd ledek is jók volnának, csak nehéz bánni velük.
Igaz, én gondolkodtam fordítva így 11 óra táján.. köszönöm a helyesbítést.
Mielőtt forrasztok tűzdelő panelon mindenképp összerakom a kapcsolást, esetleg szimulátor programban is. SMD alkatrészt nem szeretem, egyszer elpárologtattam egy kondenztort Méretben a hagyományos mini LED még belefér szerintem
sziasztok. lenne egy nagy kérdésem. van nekem egy erös 8 ledből álló lámpám de olyan erős hogy sztroboszkópot szeretnék belöle épiteni. nem tudjátok hogy lehetne ezt megoldani ugy hogy a 8 led villogjom??? mert találtam egy 2 ledes villogós kapcsolási rajzot de nekem csak az lenne jó ha csak a lámpa villogna , tehát 1 izzós villogó. meglehet ezt oldalni???
Csak az egyik izzót/ledet kötöd be. Ha konkrétabb választ akarsz tegyél fel rajzot.
1# Szia;
2# Hasznalj keresot, tutty van ilyen tema! 3# Ezert nem kelett volna ujj forumot nyittani! 4# Epitecc egy 2ledes villogot, es az egyik led helyere bekotod a azt a 8db ledet,.. Hanem van 555 -os, vagy egy tucat megoldas,.. Ha lusta vagy itt egy kapcsolas;
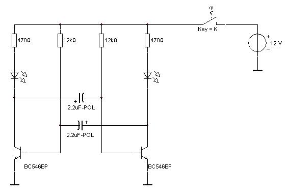
És a két kapcsrajz egy darab sarokpontban különbözik? Milyen tranyó kell bele?
![]()
Modositani akartam, es tessek belotte 2x, kisse megfagyott az explorerem es mire ujjat inditottam a tema modosithatlan volt,.. De javitva lecc Remelem! Az attol fugg, h mit akarc vele meghajtani,.. 8db lednek eleg sztem egy tokosebb BC, de nyugodtan rakhatsz bele egy BD tipust is,..
köszi szépen. most kapott tipekböl már megoldom.
csak azé kérdeztem ezt mert én még most tanulom ezt az elektronikát,és még nagyon amatör vagyok. gondoltam megkérdezem a profikat ök hogy csinálnák. köszi mégegyszer
Célszerű lenne az is, ha kirajzolnád a 8 LED bekötését, mert nem biztos, hogy minden feltett rajz jó hozzá.
Továbbá kell az általad alkalmazandó tápfesz értéke is, mert az sem mindegy.... alkatrészértékek változhatnak és esetleg nem is működik a cucc vagy rosszul..
mi a helyzet olyankor mikor megcsináltam ezt a két ledes villogót és nem villog jól a leg ,hanem az eggyik egyátalán nem müködik a másik meg csak pislákol,10 sec-onként 1et...
ilyenkor mit kell tennem???? rossz a bekötés???
Kondi korul keresd a bajt, vagy az egyik tranyot kototted el,.. Jol jonne egy kep a kapcsrol amit megepitettel,.. Egyforma ellenallasokon toltod a kondikat? ami a tranyok bazisara megy?
Kb ilyen a kapcsolasod mint az alabbi?
valve ugyanezt épitettem meg ,minden klapolt csak nem volt 3 azonos ellenállásom a negyedik az már erösebb. lehet hogy ez a baj??
|
Bejelentkezés
Hirdetés |




Melyik változat készült el?
Szerintem ez a legátláthatóbb és legolcsóbb kapcsolás
)
köszi még a héten megcsinálom








