Fórum témák
» Több friss téma |
Hát van egy kb 8V-os tekercs a trafón és külön-külön van egyutas egyenirányítással megoldva mindkettőnek a +-5V, de ugyanarról a tekercsről.
Tehát külön pozitív és negatív stabilizátora van az ICL7107-nek, ez eddig szuper.
Most a pontos kapcsolási rajzot kellene látni.
Hasonló problémám sajnos nekem is volt/van. Nekem a tápegységemben van 2 panelműszer, áram és feszültség mérésre. Viszont ha közös táppal próbálom ellátni őket, akkor meghülyülnek. Így már 3 éve külön-külön 9 V-os elemekről mennek, mert egyszerűen nem bírtam őket kibékítani közös elem esetén
Pontosabban ezt csináltam meg. Viszont a leírásban van egy olyan rész, hogy valamelyik átkötést ki kell hagyni, ha nem akarom összekötni a bemenetet a földdel. Egy átkötés van ott arrafelé, ahol a bemenet van, de ara más is megy. Ha azt lekötöm, akkor a referencia sem kap földet. Ezért én csak a fóliát szakítottam meg a bemenetnél.
Fantasztikus, csak éppen kapcsolási rajz nincs hozzá.
Én is ez alapján csináltam meg. nem bonyolult a nyák simán ki lehet jönni belőle.
Az lehet, de nekem most eléggé fáj a fejem és ezért nincs kedvem keresztrejtvényt fejteni. Ha lenne kapcsolási rajz, akkor könnyebben tudnék segíteni.
Helló
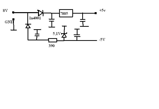
A műszer ugyanaz, mint a gyári, csak a táp része van máshogy megoldva. Csatoltam hozzá a rajzot. Csak így gyorsan rajzoltam meg painttal, de kivehető belőle a lényeg. A kondik értékét nem írtam bele, de mindenhol 470µF-os van, plusz még mindenhol 100nF is van, ami nincs belerajzolva.
Szórakozik az oldal és nem csatolta a képet. Na majd most.
Nem a tápegység résznek a kapcsolási rajzára vagyok kíváncsi, hanem magának az ICL7107-es panelmérőnek a rajzára!
Ma már szerencsére nem fáj a fejem, de most meg időm nincs arra hogy kimazsolázzam a beültetési képről a kapcsrajzot.
A többi az adatlap szerinti alapkapcsolás. Semmi más különleges dolog nincs benne.
Na várj csak most esett le, hogy tegnap így fogalmaztál:
Idézet: „...ha lekötöm a 30-as lábat a földről...” Ezt kifejtenéd bővebben? Mert az nem elég hogyha csak a 30-as lábat kötöd le a földről! A 32-es lábat is ki kell kötni! Tehát a nyákon a 30, 32 és 35-ös lábakat a GND-hez kötő hosszú átkötést szedd ki a panelból (vagy vágd el). És a 30-32-es lábak közti kis fóliát kapard ki! ha nem világos hogy pontosan mire gondolok akkor szólj és lerajzolom. Ajánlom figyelmedbe az ICL7107 gyári adatlapjának 12. ábráján lévő szaggatott vonalakat!
Azt hiszem, hogy értem miről beszélsz. Holnap megcsinálom és írok, hogy működik-e.
Na ez jól megszivat engem. megnéztem az adatlapot, megcsináltam úgy ahogy mondtad, de így nem mér. Viszont nullán áll és ugrál is kb 8 egységet.
Biztos hogy azt csináltad amire én gondoltam?
A 12. ábra szerint legyen a kapcsolás, és a rajzon lévő két szaggatott vonalat tekintsd úgy mintha ott sem lennének (szakadás).
Pont úgy van ahogy írtad. Az átkötést kivettem és a fóliát megszakítottam a 30-as lábnál. Így külön van a 32 és 35-ös lábaktól. De mégse mér.
Hát pedig kellene. Valami különbség van a nyákodon a 12-es ábrához képest, különben működne rendesen.
Esetleg tudsz fényképet mutatni a nyákról?
Most már késő van nem foglalkozok vele. Majd holnap csinálok képet, meg átnézem megint. Ha lenne hely, akkor nem foglalkoznék vele beletennék egy kis trafót. Még lehet trafóm is lenne hozzá, de nem tudnám hová rakni, ezért jó lenne ha menne. Már csak ez hiányzik a végső összeszereléshez.
Ma megint átnéztem, de minden úgy van, ahogy az adatlapon. Ahogy elnéztem mérni mér, de állandóan nulla és egy érték között ugrál. Csináltam is róla egy kis videót. Meg készítettem képet is a nyákról.
Na, ilyen hibát én még nem láttam.
És nem is nagyon tudom elképzelni hogy mi okozhatja. Egy digimultival mérd meg közvetlen az IC 30-as és 31-es lábai közt lévő feszültséget, illetve a 35-ös és a 36-os láb közti feszültséget! Ja és alaposan mosd le a panelt aromás hígítóval vagy denaturált szesszel! Ez nem feltétlen oldja meg a problémát, de mindenképpen szükséges ha ICL71xx-ről van szó. Az ugrálásban mintha lenne valami szabályszerűség, de lehet hogy csak én látom úgy... Halkan kérdem meg; ugye egyenfeszültséget mérsz a panelmérővel?
Hát igen elég érdekes hiba. Az ugrálásban én is észrevettem valami szabályszerűséget. ha változtatom a referencia feszt a trimmerrel, akkor változik az érték is. Van amikor teljesen kiakad és 1-et mutat és úgy villog 1 és nulla között. Holnap lemosom denszesszel. A műszerrel persze hogy egyenfeszt mérek. A táp kimenetét mérném, ha mérné. Amíg rendesen be volt kötve rendesen mért. Semmit sem ugrált. Több óra üzem után sem mászott el a kijelzés.
Ne legyen igazam, de nekem is produkálta már ezt a hibát 7107. Csere oldotta meg a problémát. :yes:
Na de biztos hogy egyenfeszültség az az egyenfeszültség?
Egy digimultival mérd meg azokat a pontokat amiket írtam! Ha van kéznél egy másik ICL7107 akkor kipróbálhatod hogy kicseréled, nem lepődnék meg ha Szamóca tippje bejönne. Tényleg, az ICL7107-el a megvásárlása óta hogyan 'bántál'? Ugye nem tapiztad meg a lábait?! Fém dologgal nem értél-e hozzá?
Ha üresen hagyod a bemenetet akkor lehet csak antennázik,a bemeneten ,ha nincs min egy 1 Mohm legyen .Ha van akkor bocs.
Na közben mégis kimentem lemostam den szesszel, de semmi. Megmértem a 30, 31-es lábaknál kb 70mV van egy tizedet sem ugrál. A 35, 36 között 106mV van. Az IC tuti jó, mert visszakötöttem rendes mérésbe és ott megy. Meg sem moccan a kijelzés.
Ha a bemeneti jel is tiszta meg a referencia is, akkor nincs több ötletem. :no:
A referenciát hidegítsd le egy 100-200nF-dal GND-re.
Megtaláltam a hibát. Tényleg csak az átkötést kellett volna kivenni és nem kellett volna elvágni a fóliát.
Most már megy rendesen, nem ugrál semmit. Holnap össze is rakom és megint bekalibrálom az egészet. |
Bejelentkezés
Hirdetés |






Most már megy rendesen, nem ugrál semmit. Holnap össze is rakom és megint bekalibrálom az egészet.




