Fórum témák
» Több friss téma |
Fórum » Léptetőmotorok (vezérlése)
ugyanaz kjell neked mint ufinak, dupla H-híd. meg a vezérlés.
akkor bocs, nemszóltam, vélemény az ötletemről? Nemtetszik a csöppnyi mechanika?
Ne velem beszéld meg...
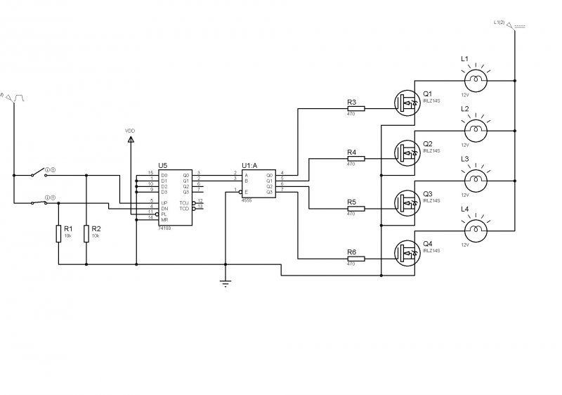
Biztos jó, de van egyszerűbb is... és ha már ott az enkódere miért ne használhatná. Egyébként egy számláló, egy muliplexer és 4db FET. Pill és küldöm...
Na én így képzeltem el...
A 74193 helyett (mert már nem lehet kapni) 40192-t használhatsz, lábkiosztása ugyanaz. A két kapcsoló jelképezi az enkóder érintkezőit. A felső kapcsoló előre, a másik hátra léptet (forgat). A kapcsolókra a könnyebb szimuláció miatt került egy négyszögjel generátor, de az nem kell neked.
Köszönöm, jól néz ki.. még nem egészen értem
de idő kérdése. Jól gondolom hogy akár így két motort is vezérelhetek? Egyszerű megoldás
SN74LS193N Nem jó hozzá? Azt lehet kapni... és a lábkiosztása is ua...
Van ilyen enkóder, aminek az érintkezői ilyen jeleket adnak? Vegyük itt figyelembe, hogy az enkóderek többsége két 90 fokban eltolt jelet ad csupán. S még valami, gondoskodni kell a számláló nullázásáról is, mert igy döcögős lesz
Azt nem is néztem... jó hozzá persze, de a 40192 is ugyanaz.
Nekem van... jobbra forgatáskor az egyik lábon, balra forgatáskor a másik lábon ad impulzusokat.
Milyen gyártmány? amit belinkeltem alpsnak is van 3 lába.. középső a gnd és x y irány.. plusz egy kapcsoló is van benne.. az pedig ha megnyomom a tárcsát...
Hinnye! Akkor egy tároló és egy vagy kapu és kész a STEP-DIR jel!
Még jó, hogy a fülembe tette Medve kolléga a darazsat. Sajnos ez is eltolt jeleket ad a kimenetén, inkrementális jeladó módjára...
Talán egy ilyen kapcsolás meghajthatná a kétirányú számlálót. Vagy találtam egy másikat, az már StepDir!
Lehet kipróbálom, ha már így előkerült... még egy kicsit kreatívkodok
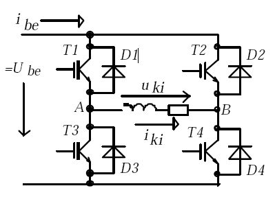
Na ezt a rajzot tedd közzé, a viccek, mókás... topikban, hagy nevessenek rajta. Elvi rajznak jó, de ennél nekünk több kell...
Na elkészült... volt közben egy kis dolgom
A 4070-et kihagyhatod... szerepe annyi, hogy megkétszerezi az impulzusok számát (XOR). A 4013 egy D flip-flop, a számlálót pedig lecseréltem más típusra: 4516. A flipflop dönti el, hogy jobbra, vagy balra forgattál-e, majd az enkóder "A" vagy "B" kimenetén jövő frekvencia egy NAND kapun jut a számláló órajelbemenetére. A NAND kapunál lévő ellenállás és kondenzátor feladata, hogy az órajel "megvárja" a flipflop beállását.
Helló Ufi!
Építsd meg az 555-ös impulzusgenerátort, majd tegyél rá egy fel le számlálót. Azt pedig kösd ennek a kapcsolásnak az A és B bemenetére. Utána jöhet a mux és a híd. Ha nem érted szólj és megrajzolom. A komparátoros verziótól ma már inkább megkímélem magam... A számlálós megoldással kapcsolatban nézz be a másik léptetőmotoros topikba... küldtem oda egy rajzot (az unipolárishoz jó, enkóderrel vezérelve)
Na ezen már helyes a rajzjel, működhet! Javallom, előbb a hidat építsd meg, s ha egy CMOS kapu ki tudja nyitni rendesen őket, nem melegszenek, akkor folytasd. Probléma ugyanis ott lehet, hogy a felső FET-ek nem nyílnak ki rendesen, mert azoknak magasabb GATE fesz kell. Lehet, hogy emiatt jobb lesz magasabb tápot adni a vezérlésnek, nade a gyakorlat majd eldönti ezt a kérdést.
Nyilt válasz a privátra... hátha jól jön még valakinek
A kapcsolók csak az előző verzió maradéka, nem vettem ki a rajzból (végülis lényegtelenek). Az előző verziónál, még azt hittem, hogy neked is olyan jeladód van, ami pl. jobbra forgatáskor az "A" kivezetést "pöcögteti, balra forgáskor a "B"-t. Ekkor egy négyszögjel generátort tettem a két kapcsoló elé, és amelyiket kapcsoltam, arra "forgott". A négyszögjelgenerátorok szimulálták úgymond a forgatást. Jelen rajzban két négyszögjel generátor található, mint azt láttad. Feladatuk az enkóder szimulálása. A két négyszögjel között 90° fáziskésés van. A frekvencia 1Hz, így a periódusidő 1sec. Ahhoz, hogy 90°-ban el legyenek tolva, az egyik jelet 250ms-al késleltetem a másikhoz képest. Ahogy az a rendes enkóderednél is van. Tehát ha az egyik jel késik a másikhoz képest, akkor balra forog, ha a másik késik az egyik jelhez képest akkor jobbra. A kapcsolókkal nem kell mahinálni, nem az a lényege. Szóval a generátorok "START" paraméterét változtasd: ha az egyik 0s akkor a másik 250ms, és fordítva. Amellett, hogy az enkóder forgatásakor megállípítja az elforgatás irányát, a léptetési frekvencia is az enkódertől jön. Mégpedig úgy, hogy az A és B kimenetek négyszögjeleinek frekvenciáját megduplázza egy XOR (kizáró VAGY) kapu. Ha gondolod nézd meg a jelalakokat a Proteus szkópjával (A csatorna az egyik négyszögjelre, B csatorna a másikra, C csatorna pedig a 4070 kimenetére (3-as láb), ott látni fogod. Az utána NAND kapu annyit tesz, hogy R7-en keresztül tölti C1-et, amikor az órajel felfut. Így a NAND kapu másik bemenete csak valamivel az órajel után fut fut fel, így késlelteti az órajelet a kimenetén. Azért van erre szükség, mert az órajel előbb lépteti a számlálót, mintsem a D tároló beállna a megfelelő léptetés irányába. Ezzel elkerülhető a hibás téves irányú beléptetés. Az enkóder középső kivezetésére köss 5V-ot, a két szélsőt pedig kösd a két kapcsoló helyére, az ellenállásokat megtartva. Ja és szerintem a bemeneteket invertálni kell, mert az enkóder aktív nullás, ha jól láttam (vagyis amikor logikai 1 van, akkor nyit). Ezt megteheted a 4011 maradék kapuival. A NAND kapu két bemenetét összekötöd, majd egy 10k-s ellenállással felhúzod 5V-ra. Ekkor az enkóder középső kivezetése menjen a GND-re. A NAND kapuk kimenetét pedig kösd a D tárolóra és az XOR kapura (ekkor már nem kell oda ellenállat.
Csináltam két fotót a jelalakokról, az orajel1.jpg a jeladó "A" és "B" kimenetének, valamint az XOR kapu utáni jelnek a képe (ebben a sorrendben)
A másik kép az órajel késleltetést szemlélteti. A felső az órajel, alatta a NAND kapu másik bemenetén létrejövő jel, és végül a kapu kimenetén megjelenő, késleltetett órajel látható.
Köszönöm az útmutatást!
Valamiért azt gondolom lesz még kérdésem a közeljövőben
scoppal megnéztem tényleg úgy van ahogy leírtad.. szuper
Köszönök szépen mindenkinek minden segítséget,ha elakadok szólok,vagyis kérdezek!
Ez az 555-ös impulzusgenerátor? Ezt kell megépítenem?
|
Bejelentkezés
Hirdetés |






de idő kérdése. Jól gondolom hogy akár így két motort is vezérelhetek? Egyszerű megoldás













