Fórum témák
» Több friss téma |
Fórum » Léptetőmotorok (vezérlése)
Sziasztok!
Olyan információ érdekelne epson em 257 típusú motoromról, hogy mekkora terhet képes megmozdítani? Jelen esetben kb 2Kg -t képes mozgatni egy sínre fixre erősítve?
Sziasztok!
Egy olyan léptetőmotoros áramkört szeretnék építeni ami kb. 5 lépést végezne el. Leírom, hogy pontosan mihez kellene. Tolatókamerához szeretném beépíteni, egy ultrahangos tolatóradar ledjei szolgáltatnák a jelet, hogy mekkora távolság van az akadályig. Így pl. ha nagyobb mint 2m az akadály, akkor az egyik végállásba lenne a kamera, azaz hátrafele mutatná az utat, ahogy közeledik az akadály, mondjuk 1m-nél lépne 1-et, 0,7, 0,5, 0,3m-nél újabbakat lépne a motor. 0,3m-nél a másik végállásba kerülne a tolatókamera, ott már a lökhárítót mutatná a kijelző szélénél, így akár cm pontosan is lehetne tolatni. Most 2 tolatókamera van az autóba, az egyik hátrafele, a másik a lökhárítót mutatja, csak kapcsolni kell a kettő között, ezt akarom kiváltani, hogy automatikusan mozogna 1 kamera, az akadály függvényében. Ha pl. utolsó állapotban a lökhárítót mutatta a kamera (0,3m), de a következő bekapcsolásnál pl. egy másik távolságot mutat a led kijelző pl. (1m), akkor a léptetőmotor lépjen oda, ne csak akkor tudjon lépkedni, ha folyamatosan csökken az akadály távolsága. A vezérlő jelet a 7 szegmenses led kiejlzőről venném le, olyan szegmensekről, amik csak azon a bizonyos távolságon világítanak. Milyen könnyen beszerezhető motorral lehetne megvalósítani, és milyen nem PIC áramkörrel? Olyan áramkört szeretnék építeni, ami kis helyigényű, és működik 12-15V között. Előre is köszönöm szépen a segítségetek! A hozzászólás módosítva: Ápr 18, 2013
Szerintem jobb megoldás a modell szervó mint a léptető motor ha pic nem akarsz akkor ott az avr silab nec stb. Kontroller nélkül is megodható szervóval szerintem.
Szia!
Nekem a lényeg az lenne, hogy kb. 5 lépést tegyen, de mindig ugyanannyit lépjen. És ne csak sorba tudjon lépkedni, hanem, ha hirtelen változik a tárgy távolsága, akkor akár 3-at is tudjon lépni, és ahova lépett ott álljon meg, amíg nincs változás a tárgy távolságában. Azért nem akarok programozható IC-set, mert nem tudom IC-t programozni, azért lenne előnyös, ha standard alkatrészekből állna. Bármilyen megoldás érdekel, nem csal léptetőmotoros. Előre is köszönöm szépen a segítségedet
A modellezős szervó motor tengelye 1ms impulzus hatására az egyik kitérésben 2ms impulzusra a másik kitérésre áll be ez között kb 90 fok van, az irányt tartja mert a tengelyre egy poti van felszerelve mint helyzet jel adó.
Az áramkör egyszerű lenne, fogsz két (oly népszerű itt a fórumon) NE555 IC-t, az egyikből készítesz egy 50Hz astabil multivibrátort a másikból egy 2ms imulzusidejű monostabilt, az időzítés beállító ellenállással párhuzamosan teszel még pnp tranzisztor vagy analóg kapcsolóval CD4066 kapcsolható ellenállásokat, a bekapcsolt ellenállások és a fix eredője adja az impulzus hosszt, a kijelző kimenetéről kapcsolod az analóg kapcsolót. A korrekt működés érdekében lehet ide kell tenni valami szintillesztést és kombinációs logikai hálózatot pl ésnem CD4011 kapukból. Menj el egy modellboltba és válassz megfelelő szervót.
Sziasztok egy olyan kapcsolást keresek amivel egy léptetőmotort, kapcsolóval vagy potméterrel jobbrabalja tudom forgatni, ha lehet forgási sebbeség is álítható legyen.
Ha lehet több kapcsolást is meglesnék. Köszönöm.
Olyan kérdésem lenne hogy AVR-el akarom feldolgoztatni a Step-Dir jeleket, úgy hogy a program kiküldi a Step Pin-re és a Dir Pin-re a jeleket és azokat szeretném egyesével kiküldeni a motor tekercseire (FET-eken keresztül). Ez így megvalósítható-e vagy sem. Egy gondom van hogy (pl.:mach3) Step/Dir program 25.000Hz-en történő működtetése az annyit jelent hogy 25.000 jel-et küld másodpercenként ha jól értelmeztem. Na ez a gond. Az időzítés nem tudom, hogy igazítsam a mikrovezérlő időzítését a kiküldott lépésekhez. Ebben tudtok-e segíteni?
Sziasztok!
Tudna valaki adatlapot a Gamma ML330/200K típusú léptetőmotorhoz? Itt van róla egy kép: http://aprod.hu/hirdetes/lepteto-motor-ID12TCW.html Olyasmik kellenének pl. hogy mekkora a start/stop frekvencia. Meg jó lenne még nyomaték görbe is. A ráírt "11Ncm / 5lépés / sec" adat a maximális sebességet és hozzá tartozó nyomatékot takarja? Köszi!
Sziasztok!
Tudna valaki adatlapot a Gamma ML330/200K típusú léptetőmotorhoz? Itt van róla egy kép: http://aprod.hu/hirdetes/lepteto-motor-ID12TCW.html Olyasmik kellenének pl. hogy mekkora a start/stop frekvencia. Meg jó lenne még nyomaték görbe is. A ráírt "11Ncm / 5lépés / sec" adat a maximális sebességet és hozzá tartozó nyomatékot takarja? Köszi!
Hali!
szerintem igy nincs értelme, ha felteszed az asztalra akkor a terhelés miatt azonnal "megváltoznak" az értékek, vagyis ki kell kisérletezni az adott mechanikával, adott terheléssel mikor veszt lépést
Hali
Van egy két fázisú bipoláris léptetőmotorom, aminek vezérlőt szeretnék építeni. A motor fázisonként 3.5A-t vesz fel. Valami egyszerű és olcsó vezérlést szeretnék. Én gondoltam az L298-ra, ami összesen párhuzamosan bekötve ki tud adni 4A-t. A vezérlőm akkor tartalmazna egy L297-est és két L298-ast, plusz még a mikrokontrollert és a kondik meg ellenállások. A problémám, hogy nem tudom hogyan kössem párhuzamosan őket. Kéne egy kapcsolási rajz. Esetleg valami más jobb és olcsóbb megoldás ekkora motorok vezérlésére?
Ezeket nézegesd meg.
A hozzászólás módosítva: Máj 16, 2013
A TB6600-as ic-k jónak néznek ki, de nincs honnan beszerezzem. Itt ahol élek két elektronikai üzlet van, de egyik helyen sem volt. A TME-n sincs.
3 hét sajnos sok...nekem max egy hetem van
. Jah és Romániában élek...a román posta eléggé lassú és megbízhatatlan. Pl a motorjaim is Amerikából elérkeztek Romániába (Bukarestbe) 5 nap alatt és kb 20 nap múlva kaptam meg a megyeszékhelyre, ami 200km-re van tőlem.Sajnos akkor marad az l298-as. Tulajdonképpen figyelmetlenségből azt hittem, hogy 4A-t bír meg, nem láttam, hogy összesen, azaz csak 2*2A-t. Meg is építettem. Üresjáratban pörgeti a motorokat, de terhelés alatt szerintem leég.
Akkor viszont miért nem csinálsz IC helyett FET-es meghajtót.
Bővebben: Link Ezek lehetnek több 10 A-esek is. Döglött PC-ből (alaplap) esetleg ki is termelhetők, de nem is túl drágák. A hozzászólás módosítva: Máj 16, 2013
Igazad van. A fenti kapcsolás működik? Ki volt próbálva?
Egy l298-ból kapott kapott jelet, bevezethetem ebbe és akkor mikrokontrollerről csak egy órajelet kéne kiadjak.
Erről a fórumról lőttem. Ez a 298 helyett való. Olvasd végig az összes hozzászólást az elejétől és meglásd profi leszel. Megéri.
A hozzászólás módosítva: Máj 16, 2013
Bocsánat elírtam...az l297-ből kapott jelet vezethetem bele ebbe a kapcsolásba.
Természetesen a kérdésem kiírása előtt olvasgattam a fórumot, de nem erőst találtam olyat aki nagyobb motorokat hajtana meg. Biztos van, csak mint mondtam idő hiányában vagyok és így inkább kiírtam ezt a kérdést. Köszönöm szépen...nagyon sokat segítettél.
Ez is jó megoldás...két ilyet rakni az l297 után.
Nem ismersz olyan ic-t mint az l297-es csak egyszerűbbet? Mármint csak egy bemenő meg egy dir jelet kelljen megadni, ő meg generál 4 négyszögjelet a dir-be megadott sorrendben. A 97-nek van még a a többi opciója ami jelenleg számomra felesleges, mivel nem a 98-al használom.
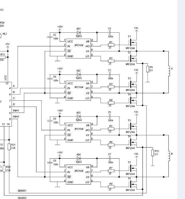
Na beleütköztem a következő problémába. Az l297-es ic-nek van a REF, INH1/2, SENS1/2 lába amikkel nem tudok mit kezdeni ha saját hidat építek. Ezeket hova köthetem be? Egyáltalán muszáj bekötni?
Hali!
nézd meg a 298-as, vagy a 6203-as belsejét, bekötését. A híd alatt van az áramfigyelő ellenállás, ez megy a sens lábra, a ref-fel lehet még az áramot állítani, az inhhibit meg a tiltás.
Konkrétabban a pjg kollégától kapott kapcsolási rajzot szeretném elkészíteni az l298-as híd helyett. Fennebb megtalálhatod, viszont iide is belinkelem.
A sense lábak az l298 szerint egy ellenálláson keresztül a földre mennek. Ez akkor OK. Az inh lábakat hanyagolhatom akkor. Maradt a vref. Ez a sense lábakon keresztül manipulálja az áramot, ahogy megfigyeltem. Jól gondolom ezeket? Na de engem az érdekelne, hogy mennyire lehet elhagyni ezeket a lábakat? Engem tulajdonképpen csak az irány, a fél/egész lépés, órajel és a négy kimenet érdekel. Nem akarok áramkorlátot sem...semmit csak, hogy egy órajelre kapjak négy pwm jelet. Ez vajon mennyire megoldható? Vagy nincsen erre egy egyszerűbb ic?
Miért olyan nagy baj ha biztonságosabb a vezérlésed és nem ég le a motorod?
A motorokat illik nagy feszről "járatni" áramgenerátoros módban, igy fickósabban indul/lép, gyorsabban épül fel a mágneses tér, az áramkorlát meg gondoskodik hogy max a megengedett áram folyik a nyugalmi helyzetben is. Ha nincs áramkorlát akkor tücsköznöd kell a feszültséggel hogy a motor tekercse által meghatározott ohmikus ellenállással számolva a megengedett áram legyen. nem olyan drága az a teljesítményellenállás és poti. A hozzászólás módosítva: Máj 18, 2013
Mondjuk igazad van
![]() Mennyire egészséges a mikrokontrollert és a 3A-t biztosító feszültségforrást közös földre rakni?
Na megépítettem vezérlést FET-ekkel, de nem működik rendesen. A táp állandóan rövidzárba lép, szóval valahol nagy áramok vannak. A rajzom itt található, de eagle .sch formátumba is megadom a jobb átláthatóság érdekében.
Egyszerűen nem tudom mi lehet a probléma. Túl kicsi a motorom tekercseinek az ellenállása (1 ohm)? Mintha bezavarná a FET meghajtónak a feszültsége a motorok tápfeszültségét...vagy fordítva. Őszintén megmondva semmi ötletem nincs mi lehet a gond.
Valami ilyet ajánlanák helyette.
Vagy nézd át, hogy mivel másabb , elég sok eltérés van. A motor táp részre tegyél egy izzót, ha valami zárlat van akkor az izzó világítani fog és nem tesz tönkre semmit. |
Bejelentkezés
Hirdetés |




. Jah és Romániában élek...a román posta eléggé lassú és megbízhatatlan. Pl a motorjaim is Amerikából elérkeztek Romániába (Bukarestbe) 5 nap alatt és kb 20 nap múlva kaptam meg a megyeszékhelyre, ami 200km-re van tőlem.







