Fórum témák
» Több friss téma |
Sziasztok!
Van otthon egy leszállásjelző nyomógombom,ilyen zöld világítós régebbi fajta, de valamiért nem működik, mert úgy viselkedik mint egy kapcsoló. Ha valaki tudna valami rajzot a szerkezetéről akkor megköszönném :yes: Én már sok helyen kerestem de nemnagyon találtam
Csak nem leesett a buszról???
![]() Egyébként valami rugó veszhetett el benne, vagy csak kiugrott a helyéről, ha korábban valóban leszállásjelzőként funkcionált.
Villamosról
Van benne két rugó is, de akárhogy csinálom sehogyse működik.....:no:
Szia!
Amennyire én tudom, ez egy két áramkörös kapcsoló. Az egyik kör a kapcsoló rész a másik pedig a kapcsolóba épített izzó köre. Amikor megnyomod a gombot akkor egy relét(mágnes kapcsolót) vezérel és annak behúzó hatására, mintegy visszajelzésként világítani kezd az izzó.
Pontosabban Öntartó relé
![]() párhuzamosan van kötve a nyomógomb és a relé egyik érintkező párja... és a relé kapcsolja "maga allatt" a villanyt. Szóval a gombal áramot adsz a tekercsre, behúz a relé. de mivel behúzott a relé azért továbbra is zárul az áramkör. ergo ott marad a relé...
Én láttam olyan leszállásjelző gombot egy villamossági boltban.(Sajnos a bolt már megszünt.
)Itt nézegethetsz. Szerintem lessz. Vagy a Lomexben nézd meg. Itt.
szia !
olyan mint pl az autóbuszokon? vagy a minipress kávéfőzőn?
Buszokon! a kávéfőzős gondolom kapcsoló, de ez nyomógomb, és nem az áramkör nem jó hanem a nyomógomb nem működik
Alaposan átkell nézni a nyomógombot, s egyszercsak kiveri az ember szemét a felismerés
(nem a rugó), hogy csak a visszanyomórugó van megfáradva...:nyes:
Sok ilyen bontottat babráltam (18-20-at). Csináltam kapcsolótáblát dizsibe. Nekem ki kellett belőle szecskáznom azt a rugót, aminek eredetileg vissza kellene nyomnia, de meg van hervadva.
Hoztam képeket, a kérdés tehát az hogy mi hiányzik vagy mi nem jó ami miatt akárhogy rakom össze nem lesz nyomógomb
Segítsetek!
Hogyan működik a busz leszállásjelző csengője. Fizikára kell.
A sofőr megnyomja az ajtózáró gombot, van valmi késleltetés, amíg nem csukódik az ajtó (2-3 sec), addig szól a csengő, amíg nem érzékeli azt h. az ajtó be van csukva.
Erre gondoltál?
TUDOMÁNYOSABBAN KELLENE. a FIZIKA TANÁR AZT HISZEM VALAMI KAPCSOLÁS-FÉLÉRE GONDOLT.
Jelzo gobok parhuzamosan,
ajto zaras erzekelok sorosan egyebkent pedig egy ontarto jelfogo?
Én úgy figyeltem, hogy két gomb van a sofőr közelében. megnyomja a csengő gombot, akkor az elkezd világítani és csengetni a csengő, majd átrakja a kezét az ajtó becsukás gombra, és amíg meg nem nyomja, addig kerreg a csengő.
Jelzésnél pedig bistabil flip-flop féle rendszer kezeli a jelzőgomb nyomkodást. (ezért van, hogy azokon a buszokon, ahol a jelzés idejében csenget egyet egy csengő, az mindig csak egyet csenget, akárhányszor is nyomod meg a leszállásjelző gombot.)
Heló!Csatoltam egy kapcsolási rajz féleséget!A kis q betű a relé kapcsolási ideje tehát a gomb megnyomása és a relé behúzásáig eltelt idő!Remélem segítettem!
Üdv! Az 1,87MB (!!) képet cseréltem gif-re.--vicsys
attól, hogy átnevezed jpg kiterjesztésre, nem lesz jpg. máskor paintben válaszd ki fájltípust jpeg-re...és esetleg ki is vághatod a felesleges részeket. (ajánlom az IRFANVIEW programot képszerkesztésre-könnyű, kicsi)
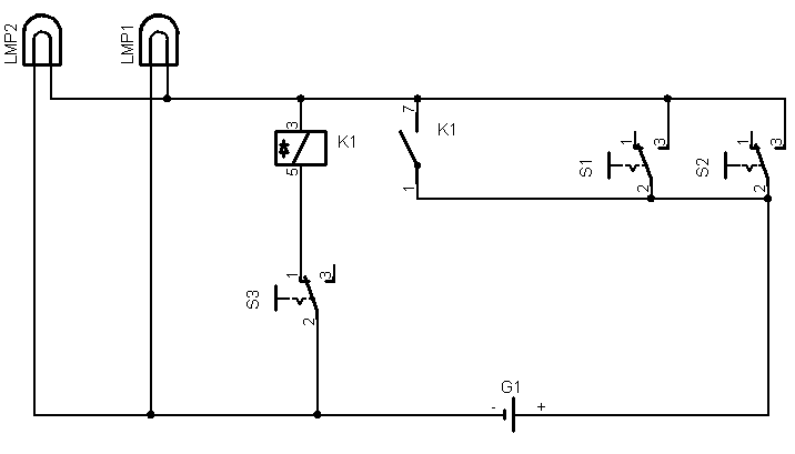
Rajzoltam egy sematikusat. Ez kb. 1 ajtó, csak a leszállásjelző része. S1 és S2 a leszállásjelző nyomógombok, K1 egy jelfogó, egy záró munkaérintkezővel. S3 az ajtónyitás érzékelője. G1 az akkumulátor, LMP1 és LMP2 a két visszajelző lámpa, ezekből az egyik az ajtónál, másik a vezetőnél van.
S1 és S2 megnyomásra zárnak, S3 akkor van zárva, ha az ajtó is zárva van. A K1-gyel kialakított kapcsolás egy klasszikus öntartó kapcsolás, ha S1-et vagy S2-t működtetve behúz a jelfogó, onnantól a saját munkaérintkezőjén keresztül kapja az áramot, és behúzva marad, egészen addig, amíg az S3-mal meg nem szakítjuk a tápfeszültséget.
Elektronikusak!
A busz leszállásjelző CSENGŐJE a kérdés. Az,ami ha bármely utas(polgár) bármelyik leszállásjelző gombot megnyomja,azt monja "plingggg". Az pediglen egy tetszőleges bemenetű VAGY kapcsolatot tételez fel,esetleg egy monoflop-pal. Vagy tévedek?
Szevasztok. Remélem segíthetek.
Bkv nál vagyok autóvillamossági szerelő.Nap mint nap javíthatom tom. ![]() namost. Az ajtók fölötti dobozokban vannak ugynevezett s2-es kapcsolók. Amik egyenként 2 áramkört képesek kapcsolgatni nyitott állásban küldi a jelet a sofőrnek, nyitva jelző. ez egy test szál- Ebböl tudja, hogy mikor melyik ajtó van nyitva. ez a szál még bemegy egy csengő rellébe a sofőr ekkor tudja az áram szállalall kapcsolgatni a rellé fegyverzetét ki vagy be. Csenget az akkor az ajtóegy elektropneumatikus szelep segítségével becsukódik. egészen addig szól a csengő amig a nyomólap ami az ajtóra van szerelve benyomja az s2 est akkor a csengő rellének a test megszakad, és és értelemszeűen elhallgat. Az s-2 ekkor kapcsol egy másik áramkört. ami a leszállás jelzőt müködteti. Ekkor aktív csak ha csukva van.. ha érdekel részletesebben minden dokut tudok adni. ikarushoz. |
Bejelentkezés
Hirdetés |






)








