Fórum témák
» Több friss téma |
Üdv! összedobsz egy délután egy primitív kapacitásmérőt, ami ha nem is hiteles, de mivel egyforma körülmények közt mér, összehasonlításra kitűnő.
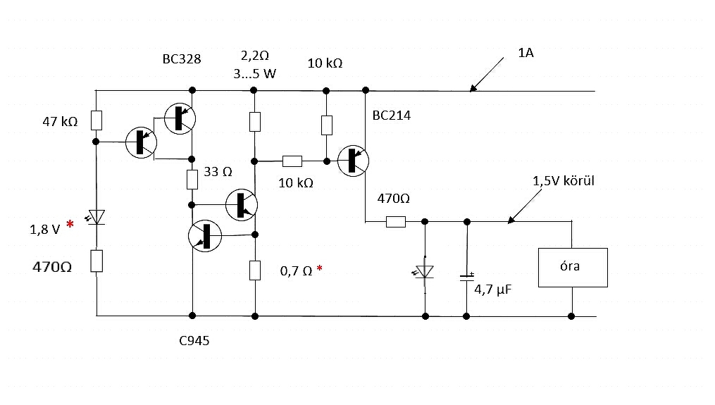
Egyenként feltöltöm őket egy ilyen modullal. Azután áthelyezem az általam készített kisütő áramkörbe. Az időt ráírom. Belső ellenállást nem mér. Befejezés képen beleépítem a töltőt és az átkapcsolót. Egyszer. ![]() Az 1,8 V-os LED referenciát egy zöld adta, hogy a kisütés 28V körül legyen. (Oda sikerült.) Az áram generátor ellenállásával állítottam be összes terhelésnek 1 A-t. A ág. tranzisztora 3A-es BD. Ez mind bontott ház körüli. Az órát még régebben vettem 250 Ft. Az óra addig megy, ameddig a kisütés.
Segítséget szeretnék kérni, adott egy MEISTER AS20VP típusú li-ion akkus fúrógép, akku 20v/2,0Ah-ás sajnos nincs hozzá töltöm, olcsó de biztonságos megoldással milyen töltőt kellene beszereznem? Hol és kb mennyiért vehető?
Sziasztok!
Adott egy 5s akkupack, szerszámgépé, gyárilag LiIon, 18650-es cellákkal, BMS benne. Akku csomag elhalálozott. Helyesebben 2 akku megszakadt benne. Semmi gond. Vettem LGDBHE21865 új cellákat. Újracelláztam. Nyúztam. 2 hónapig minden OK, majd megállt a gép. Töltöm, nem tölt. Szétszedem. 0V. Minden cella szakadt, töltést nem vesz fel. 2 akku csomagom van, mindkét alkalommal azonos csomag csinálta. Mondom OK, lehet, BMS hiba, balancer is van bene, 50Ohmok vannak cellánként, hátha a balancer nyírja ki, állásában merül, széthullik, túltölt. Nem... Tettem bele új cellákat. Próbára. A töltő 4.19V-ig engedi el a cellákat. Vagyis eddig minden OK. Minden cellával sorban a bms fele menő leágazásoknál mértem, nincs bekapcsolva maradt ellenállás, nem merít aránytalanul 1 cellát. Na ilyenkor mi van? Egyébként nem nagy csoda, előző szériás parkside akkus szablyafűrész. Fákat, bokrot nyesegetek vele...de dühít ez az akku dolog... Kikapcsolva nem fogyaszt a fűrész sem. Szerintetek mi a magyarázat? Régi eredeti csomagban 2 szakadt volt, az LG-ben meg mind, egytől egyig... Gondolom a fuse akadt ki... De mindben? Egyszerre? Megcelláznám megint, de ha megint megeszi a cellákat... Vagy vegyek bele 40A cellákat? Kevés a 20A? Gyárilag is 20A volt bene, valami kínai...
Szia! pl: .Bővebben: Link
20 meg 40A-es cella? Inkább belső ellenállás alapján kellene ezeket a cellákat rangsorolni, annak legalább lenne értelme. Ha aberakott cellákat túlterheled, bizony gyorsan tönkremennek. Azt kellene megnézned, meddig engedi a cellákat az elektronika meríteni.
5S1P? Mérhetnél áramot max terhelésen, ha tudsz. 6-12A-nál nem kellene többnek lennie, folyamatosan.
Üdv! Mostanában sok bontott cellát töltöttem, kisütöttem, kapacitást mértem. Azt tapasztaltam, hogy a note book akkuk cellái nem csak kapacitást vesztenek, (jellemzően 20...30%-ot, de jelentős a belső ellenállás növekedés. Kisütöm 1 A-ral 2,8V ra és rövid idő után visszaállnak 3 Volt fölé. Attól az egy 1 A-tól sok cella langyosodik is.
A hozzászólás módosítva: Okt 25, 2019
Ha langyosodik a cella, az pontosan a belső ellenállás növekedését mutatja. Azt a cellát pedig nem lehet már nagy árammal terhelni. Esetleg párhuzamosan kötve több darabot, lehet készíteni egy ismét terhelhető akkupakkot.
Igen van 20 és 35A terhelhető aksi is. Amúgy a kérdezőnek a véleményibb érdemes bele venni a nagyobb terhelhetőségű aksit.
Persze hogy van, de értelme az nem sok.
Mit jelent az, hogy egy akkumulátor 20A-rel terhelhető? Mennyi ideig lehet terhelni? Mennyit esik a feszültség eközben? A hozzászólás módosítva: Okt 25, 2019
Például a linken látható aksi folyamatos maximális terhelhetősége 35ABővebben: Link
A súllya a normál 18650 aksinak 40-41gr Ennek meg 48.6g. Gondolom ez a többlet súly azért lehet hogy pont a feszültség ne essen vissza amikor terhelve van. De ebben egy tesztekben jártas ember tudna döntés hozni. De azért gondolom egy 35 amperes aksival felszerelt gép ami maximálisan 20A terheli meg az aksikat ami nem fog annyira izzadni hogy tudja teljesíteni.
Számomra a "max. áram 35A" nem jelenti azt, hogy folyamatos árammal lehetne terhelni. De ha lehetne is, esni fog a feszültség, a kérdés, hogy mennyire? 4.2V-ról 3.7V-ra? Mi alapján határozzák meg a terhelés maximális áramát?
Egyébként megsúgom, hogy ha egy hiper szuper 18650-es cellát találsz, ami 5mOhm belső ellenállással rendelkezik (szerintem ilyen nem is létezik!), akkor 35A esetén 0.175V-ot fog esni a kapocsfeszültsége (pl. 4.25V-ról 4.075V-ra), és a cellában 6.125W-nyi hő fog fejlődni, tehát igencsak meleg lesz!. Arról nem is beszélve, hogy a 2Ah-s akksit 35A-rel, 3perc 45mp alatt csontra lemeríted. Véleményem szerint az 5mOhm belső ellenállás megadása értelmesebb lenne, mint az Amperekkel dobálózni! Ha 10mOhm-mal ugyanezt kiszámolom, 0.35V feszültség esés,12.25W hő keletkezik a cellában, a vicc pedig, hogy a tárolt energia mindössze 7.4Wh (3.7V*2Ah), így a tárolt energia 10%-a arra megy el, hogy a cella fűti magát. De én még 10mOhm-os cellával sem találkoztam, eddig 20mOhm volt a legjobb, egy márkás csavarbehajtó akksipakkjából.
Urak, csak nem hagyott nyugodni a kapacitásmérés. Közel 40db akkut feltöltöttem, mérőműszerrel kapacitást mértem egyenként, utána újból feltöltöttem.
Konstruáltam egy, az autóakksik kisütővillájához hasonló cuccot, ami tulajdonképpen a multiméter két mérőcsúcsa közé forrasztott 1 Ohmos spirál huzalellenállás. A feltöltött telepekre rátettem és háromig számoltam, majd a kijelzett értéket ráírtam a cellára, a kapacitás mellé. Ahogy a görbén látszik, durva saccolásra alkalmas a módszer, finomabb kapacitásmegállapításra nem. Azonban amire nekem kell, tehát hogy megállapítsam egy telepről, hogy melyik cella gyengélkedik, alkalmasnak látszik.
A mérési módszered nem rossz, csak vele nem kapacitást, hanem a belső ellenállást tudod megállapítani. Úgy kellene mérned, hogy először terhelés nélkül megméred a cella feszültségét, majd a terheléssel is, a két feszültség különbségét pedig felírod a cellára. Minél kisebb ez az érték, annál jobb a cella. Ha akarod, át is számíthatod belső ellenállásra, ha tudod, mekkora áram folyik. Ha relatív pontos értéket akarsz kapni, akkor minden cellának azonos feszültségen kell lennie. Így meg tudod állapítani, hogy melyik cellát, mekkora árammal tudod terhelni. Ami nagyon ejti a feszültségét, az sajnos már nem lesz jó csavarbehajtóba vagy e-bike akksipakkjába. A kapacitás mérés pedig egy teljesen más paramétere egy akksinak, mint a belső ellenállás, de ezzel a kettővel már szinte mindent tudsz az akksiról!
Egyébként kapacitást "mérni" pár mp. alatt fizikai képtelenség. Csak, ha a teljesen feltöltött akksit teljesen lemeríted. Az autószerelő műhelyekben használt terhelő villa is a belső ellenállását "méri" az akksinak. Ha már nem terhelhető, csere. Teljesen mindegy a kapacitása, az indítózás olyan kicsi ideig tart, hogy egy sokkal kisebb kapacitású akksi is elegendő lenne, ha tudná a szükséges áramot. Csak ugye a kivehető áram nagysága összefüggésben van az akksi méretével. A hozzászólás módosítva: Okt 26, 2019
Köszönöm a kiegészítést, el fogok mélyedni a témában alaposabban.
Köszönöm a választ.
Üdv!
Nézzétek meg légyszi ezt a videót Bővebben: Link! Szerintetek van ebben az akkupakkban BMS, és egyéb véleményeket is várok, köszi! A hozzászólás módosítva: Okt 26, 2019
Üdv!
Ha,jól értettem a videó szövegét itt foglalkoznak ezen pakkok BMS-ével:Bővebben: Link
BMS van benne, balansz nem tudom, csak 2mp-et néztem a videóból, meg nem ez volt a kérdés. Ha nem lenne benne BMS, sorba égnének le a házak... Tilos Li-Ion akkumulátort védelem nélkül tölteni, használni!
A hozzászólás módosítva: Okt 27, 2019
Sziasztok
Egy olyan kéréssel fordulnék hozzátok amiben tanácstalan vagyok. 3s3p akkupakkot szeretnék bontott akksikból készíteni. Már kötöttem be tudom, hogy kell de még össze pakolni még nem csináltam. Egy fajta akkukról van szó csak nem egyforma a kapacitásuk. Azt szeretném megkérdezni, hogy hogyan érdemes összepakolni, na meg érdemes e egyáltalán. 3db 1800, 3db 1700, 3db 1600 mAh-sak. Én úgy gondoltam, hogy ezekből csinálok 1-1-1p pakkot és utána sorba, ha jó az elképzelésem. Egyébként max 2-3 A-t kellesz majd leadniuk, nem nagy terhelhetőségre lesz használva.
Az egyformákat sorba,majd azokat párhuzamosan!
Üdv!
Azt szeretném kérdezni tőletek, hogy a fotókon látható változtatás hajtanán végre. Hogy alakítsam át a régi /nicd/ töltőt, hogy tölthető legyen vele ez a li-ion akkupakk. Egyáltalán lehetséges? Köszönöm!
Lehetségesnek lehetséges, csak nem szabad. Tűzveszélyes.
Li-ion akksihoz Li-ion töltő kell, amiben benne vannak a védelmek.
Senki sem foglalkozik a belső ellenállással. De miért?
Az áram a belső ellenállás alapján fog megoszlani, a cellákban keletkező hő is különböző lesz. A cellák terhelése nem lesz se azonos, se hasonló. A hozzászólás módosítva: Nov 4, 2019
Van az akkupakkban BMS? Mert ha nincs, akkor szedheted szét ismét. Másik lehetőség, hogy a sorosan kapcsolt cellákra egy balanszer kábelt forrasztasz (valahova el kell dugnod...), és akkor töltheted az akkupakkot egy szabvány Lipo töltővel, a cellákat egyesével figyelve, és balanszálva. Minden más megoldás veszélyes.
Az a helyzet,hogy mérni sem tudom,de az egyforma cellákat ha összeválogatom tuti,hogy jó lesz a pakk. Egyébként labortápról töltöm őket,úgy kéthavonta szoktam a balanszeres töltővel szintre hozni a cellákat-
Pedig nem nehéz mérni. Mindegyik cellát feltöltöd teljesen, majd egy fix terhelést raksz rájuk, egyesével, mondjuk 1Ohm-ot (25-100W-osat), és méred, mennyire esik le a feszültség. Ebből már sorba tudod a cellákat állítani, a gyengéket ki tudod szortírozni.
"de az egyforma cellákat ha összeválogatom tuti," - akkor lennének a cellák egyformák, hogy a belső ellenállás is hasonló... A hozzászólás módosítva: Nov 4, 2019
Lehetne szimulálni is, több párhuzamosan kapcsolt kondenzátorral, a kondenzátorokkal pedig egy kis értékű ellenállást sorbakapcsolni (mondjuk 15mOhm-100mOhm közötti, természetesen különböző értékűeket, ami a cellák közötti különbséget szimulálná). Ezt pedig terhelni.
Azt gondolom, hogy amíg a terhelés jelen van, a legtöbb áram a legkisebb belső ellenállású cellán folyik, ő szolgáltatja a legtöbb kapacitást (ő merül legjobban). Aztán ha megszűnik a terhelés, a gyenge cellák elkezdik szépen visszatölteni ezt a cellát, és a cellák kapacitása egy szintre kerül. Érdekes lenne megnézni. A cellák induktív ellenállását talán el lehet hanyagolni, hiszen egy csavarbehajtó nagyjából DC árammal terhel. |
Bejelentkezés
Hirdetés |















