Fórum témák

» Több friss téma
Fórum » LPT 2 COM
 
Témaindító: vtsoftware, idő: Dec 30, 2007
Témakörök:
Lapozás: OK   1 / 1
(#) vtsoftware hozzászólása Dec 30, 2007 /
 
Sziasztok

Van egy olyan problémám hogy nincs a gépemben COM port

LPT viszont van, tudtok valami kapcsolást amivel az LPT portról COM portos eszközöket tudok vezérelni?

Vagyis egy LPT -> COM konverter kellene nekem.

Köszi szépen
(#) Medve válasza vtsoftware hozzászólására (») Dec 30, 2007 /
 
Hello, PCI soros kártya kihúzva?
Amúgy egyszerű lenne, Egy MAX232-t (klón) kell csak ráakasztani a kívánt bitekre.
(#) vtsoftware válasza Medve hozzászólására (») Dec 30, 2007 /
 
Itthon nincs sajna...
Meg helyem sincs.
Egy háló-kártya, egy usb-kártya, meg egy wifi-kártya.
(#) Medve válasza vtsoftware hozzászólására (») Dec 30, 2007 /
 
USB soros átalakító sem drága, csak vannak (lehetnek) vele problémák.. Marad a MAX?
(#) vtsoftware válasza Medve hozzászólására (») Dec 30, 2007 /
 
Na igen az USB-s.
Az nem nagyon kőne.
Gondolom Maximra gondolsz.
Pontosan melyikre, és ha van hozzá akkor tudsz kapcsolást mutatni?
(#) Medve válasza vtsoftware hozzászólására (») Dec 30, 2007 /
 
Tökre mindegy, MAX232. KA232, HIN232...ami a kezedbe akad. Az adatlapon láthatod, (4. ábra) hogy hogyan kell bekötni. Tápfeszt rá 5V-ot, az öt kondi kötelező, s a két-két ki, ill. bemeneti illesztőt tetszőlegesen felhasználhatod. Ez végül is egy szintkonverter, a TTL szintet invertálja, és ráteszi a kb 12V-os szintre. A másik pár ugyanez visszafelé.
(#) vtsoftware válasza Medve hozzászólására (») Dec 30, 2007 /
 
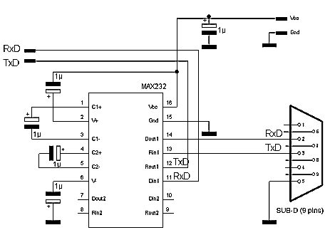
Szerintem erre gondolsz.
De ezzel hogy csinálok LPT-ből COM-ot?

max232.gif
    
(#) Medve válasza vtsoftware hozzászólására (») Dec 30, 2007 / 4
 
Pontosan. Az RxD-t és a TxD-t rákötöd az LPT azon be ill kimeneteire, amit a szoftver kezel.
(#) vtsoftware válasza Medve hozzászólására (») Dec 30, 2007 /
 
Óóókés, így már értem, köszi szépen...
(#) Medve válasza vtsoftware hozzászólására (») Dec 30, 2007 /
 
Ha keresel pl egy PIC-ekben alkalmazott "szoftveres" USART progit, abban láthatod, hogy hogyan szokták...

rs232_sw.asm
    
Következő: »»   1 / 1
Bejelentkezés

Belépés

Hirdetés
XDT.hu
Az oldalon sütiket használunk a helyes működéshez. Bővebb információt az adatvédelmi szabályzatban olvashatsz. Megértettem