Fórum témák
» Több friss téma |
Jah igen csak fejből írtam, de késő van már én 4ohmba gondolkodtam hídba is közbe azt nemis lehet nah mind1...
Viszont ennyi erővel énis a sztereo változatra szavazok, 300Wattos trafó simán kihajtja.
Igen, végülis lehet sztereót is építeni, de célszerű az egyik csatornát invertálva bekötni (ezért javasoltam eredetileg a hidat), így szimmetrikusan fogja terhelni a tápot! Kis frekvencián aszimmetrikus terhelésnél a trafó kissé telítésbe megy a kétszerező egyenirányítóval.
De én nem külön akarok építeni egy erősítőt a hangszórókhoz, hanem csinálok bútorlapból egy nagy dobozt, és abban helyezem el a két hangszórót. Szóval amit csinálok hozzáerősítőt, az ebbe a dobozba lesz szerelve. Igaz nem tudom a hangszóró tipusát, és adatait, ami segítségével winisd-vel tudnák dobozméretet számoltatni. De körül belül nem tudnátok mondani egy űrtartalmat, ami már kb. megfelelne?
És akkor szerintetek a két tda IC túl nagyfalat volna a két hangszórónak???
hello!
a hidalt tda7294 biztos, hogy túl nagy falat lesz,de ha tda7293-mat(egy darabot) hajtasz ezzel a trafóval, akkor az nagy valószínűséggel elbírja a 4ohmot, meg a 34voltot. és még lehet, hogy így sem tudod majd az ic-t 100%-ra kihajtani... egyébként próbálgatni kell, mert lehet, hogy 16ohmos terhelés esetén is bőven elég oda az a kb. 40watt, amit az ic le tud adni 16ohmra, ugyanis a régi hangszórók az idő vasfoga miatt kevesebb teljesítményt tudnak leadni.
Na ez az a hangfal, ebből van 2 darab. És én ebből szeretném kiszerelni és felhasználni a 2 hangszórót és subwoofert építeni.
A hangfal típusa SS-RX88, 8 Ohm Kutattam a google-n, és valahol találtam hogy talán 100W-os. És akkor megoldható lenne a dolog kettő TDA7294-essel, amelyeket hídba kötnék, és a hangszórókat egymással sorba kötve kötném rá az erősítőre. így +-35 V kellene az IC-nek, én +-34V-ot tudnék adni. És az IC adatlapja szerint így max 170W lenne a teljesítmény, így akkor a 100W-os hangszórók 85W-ban volnának kihasználva. Mi a véleményetek???
"akkor a 100W-os hangszórók 85W-ban volnának kihasználva." -ezt nem értem. ha a hangszóró x wattos ,akkor ahhoz elég x/2wattos erősítő is (mélyhangszórók esetén). nem fordítva!
Én úgyértem hogy együtt a hangszórók 200W-osak. De az erősítő ehhez képest 170W-os. Szóval akkor bírniuk kell a hangszóróknak, nem???
Egyébként az a 170W az RMS teljesítmény vagy zenei???
ha két darab 100wattos hangszórót összekötsz, nem nő és nem is csökken a teljesítményük.pontosan 100wattosak maradnak, melyet ha 50wattal hajtasz, már lehet ,hogy torzítanak. 170watt az rms.
Szóval ha összekötnék 3db 100W-os hangszórót, azt nem tehetném rá 300W-os erősítőre??? Csak 100W-osra? De miért???
De én ezt az összekötést úgy értem, hogy pl. sorbakötöm, és együtt az egészet teszem az erősítőre.
így gondoltam én a bekötést. Az IC adatlapja szerint 2 IC hídkötésével az erősítő 170 W-os lesz 16Ohm mellett.
így nem jó???
Pontosan ilyen hangszóróval szerelt hangfalat adtam el pár napja. 100 W-ot csak csúcsban bír, szinuszban max. 50 W, szóval ki fogod tudni hajtani a TDA-val. Ha nem vezérled túl az erősítőt, akkor biztonságosan működhet. Vagy nézd a membránt, és ne engedd, hogy +/-6 mm-nél nagyobbat mozduljon! Így nem lesz baj.
Hogy mekkora láda kell neki? Két hangszórónak az eredeti térfogat kétszerese. Nyilván.
Pafi kössz a válaszod, jobb ember nem is írhatott volna
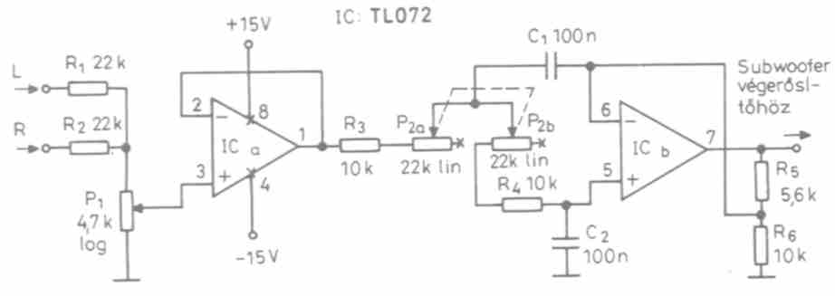
A mellékletben szereplő kapcsolást szeretném berakni még a végfok elé. És akkor ha jól gondolom a P1-es potival fogom tudni szabályozni az egész subláda hangerejét??? És szerinted úgy jó volna, ha biztonságilag a P1-es poti mellé beraknék mégegy 4,7kohmos potit, amin be tudnám állítani, hogyha a P1-eset 100%-ra állítanám, akkor mekkora lenne a max hangerő? Szóval az a másik poti hangerőkorlátozás céljából volna benne. És még annyit, hogy a P2-es poti az sztereó, ugye? És azzal mit állítok??? Ezer köszönet
bocs a kérdésért
mikor kapsz nagyobb fényt? Ha két izzót sorba kötsz vagy ha párhuzamosan. Így nem sok értelmét, látom. Kivétel hogy a membrán felületét megnövelted. És csak 100W, ne kössed rá, a 170W
nem teljesen lehet összehasonlítani izzókkal..!
Ha sorban van kötve 2hangszóró akkor fele-fele teljesítmény kapnak viszont ahogy írtad a membrán felület dupla akkora... de viszont mivel 2hangszóró van +3dB-t eredményez de teljesítmény viszont feleződik szval ugyan ott vagy.. Leszámítva azt,hogy kisebb a kitérés és az ebből adódó nemlineáris torzítás is csekélyebb .. na meg a végfoknak se kell megszakadni nagyobb impedancia miatt...
Akkor inkább mégis a TDA7293-cel fogom csinálni az erősítőt, nem akarom kockáztatni a hangszórókat. És akkor inkább párhuzamosan fogom kötni. Az IC-nek viszont 4Ohmnál +-29 V kell.
Bővebben: Link És én ezt ezzel a kapcsolással akarom megvalósítani, de nekem a trafóm 24V-ot ad le. Ebből a kapcsolás segítségével +-34V lesz. Szóval lehetséges volna csökkenteni a feszt a kondikon, hogy a kondik előtt lévő diódákkal még sorbakötnék egy-egy 4V-os zenert. Ha jól gondolom így csak 28-29 Voltra töltődnének fel a kondik, ami már jó volna az IC-nek. Lehetséges ez. És nem kell a kondikkal ellenállást sorbakötni, hogy amikor még a kondik nincsenek feltöltődve, ne zárják rövidre a trafó szekunderét??? A trafó szekundere 24V-12A, szóval elég lenne egy 2Ohmos ellenállás is, vagy felesleges???
2ohmos ellenállás olyan szépen füstölne
kár pazarolni.esetleg 1kohm felettivel próbálkozhatsz. már írtam,hogy az ic 16ohmon sztem elbírja a +-34voltot,de úgy látom nekem nem hiszel, úgyhogy majd más elmondja ugyanezt,és akkor minden jó lesz.
Hiszek neked, de én a +-29 Voltot 4Ohmos terhelésre gondoltam(szóval hogy a hangszórókat párhuzamosan kapcsolnám). Azért gondoltam így, mert az adatlapon csak 4 és 8 Ohmos hangszóróterhelés volt feltüntetve és a hozzájukvaló feszültségérték. 16 Ohmos terhelés csak kaszkádkötésnél volt, de ahogy te is mondtad elég egy IC(TDA7293).
Szóval ha abba fenti kapcsolásba a kondenzátorral nem kötnék sorba ellenállást, elfüstölhetne akár a trafó is? De 1kOhmos ellenállással viszont nem töltődne túl lassan a kondi??? Viszont ha tényleg +-29 Volt kellene, akkor jó volna úgy, hogyha sorba kötnék a kondikkal egy zenert?? Idézet: „nem teljesen lehet összehasonlítani izzókkal..!” Ebbe teljesen igazad van. Mert ha a izzón, áthajtom a áramot, ugyan úgy fog égni. Csak dupla fesz kell, hozzá. Azért készítek egy hídkapcsolást, hogy meglegyen a dupla fesz. Számomra értelmetlen. Inkább sztereo, és közösíteni a bemenetet. Ott a 100W hangszóró 100W kap, nem170W. Idézet: „Ha sorban van kötve 2hangszóró akkor fele-fele teljesítmény kapnak” Igen, ha elfogy a feszültség, és nem tudod, azt a áramot áthajtani. De itt nem. Mert itt a adatlap, is ezt ajánlja. (16ohm) Tehát 100W hangszórón, 170W teljesítmény lesz. Idézet: „Leszámítva azt,hogy kisebb a kitérés és az ebből adódó nemlineáris torzítás is csekélyebb” Ezt nem értem, mitől lesz kisebb? Ha 3A kötök a hangszóróra, van egy kitérése. Ha kettőt sorba kötök és a 3A így hajtom át, mitől lesz kisebb a kitérés. Ez akkor igaz ha párhuzamosan kötöm mert úgy az egyik hangszórón 1,5A folyik. Így fele lesz a kitérés. (de lehet hogy, Kirchhoff bácsinak újra kell értelmeznie, a elgondolását) De ti tujátok. Bocs hogy beleszóltam. üdv.
Szívesen!
Idézet: „És szerinted úgy jó volna, ha biztonságilag a P1-es poti mellé beraknék mégegy 4,7kohmos potit, amin be tudnám állítani, hogyha a P1-eset 100%-ra állítanám, akkor mekkora lenne a max hangerő?” Ez legfeljebb akkor lehet jó megoldás, ha kizárólag 1-féle jelforrással használod, hangszínszabályzó nélkül. Mindig jöhet nagyobb jel, mint amire be lett lőve a poti. Ezt csak önuralommal, vagy egy (jó) limiterrel lehet megoldani. A P2 a határfrekvenciát állítja, ami fölött levág a szűrő. Viszont a kapcsolás egy kicsit el lett szúrva: R5 és R6 értékét vagy jelentősen csökkenteni kellene (tizedére), vagy R5 helyett rövidzárat, R6 helyett szakadást betenni, mert a jelenlegi méretezéssel ez átereszti a magasakat is! Ha csak 29 V a táp, az sem jelent életbiztosítást a hangszórónak, mert túlvezérelve úgy is simán le lehet égetni. A soros zéneres feszcsökkentéssel az a gond, hogy akkora zénert nem kapsz a boltban, ami ezt az áramot sokáig kibírná. Inkább a trafóból kellene megpróbálni letekerni pár menetet! fongab! Elárulom a titkot! A hidalást csak azért javasoltam, mert egy hídnak mindig szimmetrikus az áramfelvétele. Mivel a táp feszültségkétszerező, nem nagyon szereti az aszimmetrikus terhelést!
m.joco az az aluláteresztő szűrő tényleg nem kóser!!
van egy ehhez hasonló, íme: Bővebben: Link ez eléggé hasonlatos és még nyákterv is van. Én ezt a hangszóró védelmet úgy oldanám meg, először megcsinálnám az erősítőt (maradnék a TDA7294 hídnál)és a ládát, aztán szignalgenerátorral megkeresném a z Fs-t, és egy egy trimmerpotit iktatnék az erősítő bemenetére és azt úgy állítanám be, hogy csumahangerőn se lépje túl a hangszóró az Xmaxot, kár lenne egy jó kis tápot ellenállásokkal lebutítani
na most lehet én gondolkodom hülyén!
De ha sorba köstsz 2db 8ohm-os hangszórót akkor az erősítő 16ohm-ot fog látni... Abban igazad van,hogy az áram ugyan az lesz de viszont a feszültség csak a fele és akkor teljesítmény szempontjából fele teljesítmény folyik egy hangszórón... Tegyük fel,hogy az erősítő ad 50V-ot és 3A-t átjhajt(jelképes számok...) akkor egy hangszórón 25Vx3A=75W 2hangszórón 150W Párhuzamosan kötöm akkor meg fele áram 50x1.5A=75W hangszóróként! Szval tök 8 hogyan kötöd őket fél teljesítményen lesznek... Vagy ha nem akkor én tudom rosszul...
ami nincs az adatlapban, az is létezik. én a tda7294 adatlapjából néztem (vagy következtettem.... ?), hogy +-35voltnál 8ohmon 70-75wattot ad le az ic. tehát 16ohmon ennek fele (35-40watt, ami még mindig bőven elég lehet a hangszórókhoz-ki kell próbálni). 4ohmon nem bírja az erősítő +-35volttal a hangszórókat. nincs is szükség 7293-ra.
vagy tehetsz mást: letekersz a trafódból ,vagy veszel új trafót, vagy másik (akár tranzisztorors) erősítőt építesz, mert ezzel a tda-val csak ennyit lehet kihozni (vagy esetleg egy hidalással egy óriási erősítővel hajtanál gyengébb hangszórókat, amihez odafigyeléssel semmi baj nem lehet) Jó építgetést! Idézet: „fongab! Elárulom a titkot! A hidalást csak azért javasoltam, mert egy hídnak mindig szimmetrikus az áramfelvétele. Mivel a táp feszültségkétszerező, nem nagyon szereti az aszimmetrikus terhelést!” Ha 116232 HSZ.-be belinkelt tápot kapja ott kondenzátor kérdése. hogy jó legyen nem híd kérdése fél hullámig tárolni kell 3,5-5A. Az egyik erősítő a pozitív oldalt használja, a trafó azt tölti. De ugyan akkor a másik erősítő, a negatív oldalt és ezt a trafó csak fél hullám után tölti. A terhelés ugyan úgy, nem lesz, szimmetrikus Jó pár 10000µF kell hozzá, és a bekapcsoláskor a töltésre figyelni kell. (lágy indítás ) Hídnak ott lenne a jelentősége ha +40V üzemelteted, és 100W akarsz. De igy, még mindig nem látom. De tanulni, sose késő. üdv.
Köszi a sok választ. Ezzel az ellenállással kiegészítve már nem fogják rövidre zárni a kondik a trafót, és az ellenállás is bírni fogja. És akkor maradok a TDA7294-esnél, és akkor csak egy IC-t fogok használni, mert a hangszórók RMS teljesítménye kb. 50-50W, az IC RMS teljesítménye pedig 100W. A hangszórókat párhuzamosan fogom kötni, és a feszkétszerező kapcsolásban a diódákkal még sorbakötök egy-egy zenert, így meglesz a +-29V. A zenerek sem fognak kisülni, mert bekapcsoláskor, amikor még nincsenek feltöltődve a kondik, a 200 Ohmos ellenállás korlátozza az áramot. így csak annyiban fog változni a dolog, hogy bekapcsoláskor kell majd várni egy kicsit, hogy feltöltődjenek a kondik. Ezzel az ellenállással mennyi idő lesz szerintetek??? Pár sec?
És a mute és a stand-by kapcsoló az hogy működik. Egy pillanatra tápra kell kapcsolni, vagy hogy?
A teljesítmény P=IxIxR = 170/16=IxI ami 3,26A P=UxI =170/3,25=U ami 52V ezt a erősítő kiadja.
A hangszórót árammal vezérled (Lenz bácsi) igaz ehhez kell a feszültség. Ha a két hangszóró között, letesteled, ott vagy mint, az egy erősítőnél. Csak a membránok, ellentétesen mozognak Csak akkor lesz, fele áram, a hangszórón, ha párhuzamosan kapcsolod. Erősítő kiad 3A az egyik hangszórón 1,5A a másikon is 1,5A így lesz meg a 3A (Kirchhoff bácsi) de itt vigyázz mert ha ohmosan eltérnek akkor a kisebb ellenálláson nagyobb lesz a áram. tehát egyiken 2A a másikon 1A akkor is kijön a 3A de a 2A először fűstől, és ha rövidzár 8ohmbol 0 lesz megy a másik is. Ha szakad akkor a másik meg úszta.
én oda nem tennék ellenállást, de te tudod
Igaz, tényleg nemjó ötlet, mert amikor már használatban van az erősítő, az az ellenállás nem engedi gyorsan töltődni a kondikat.
Azt meg tudná mondani valaki, hogyha sorbakapcsolnám a hangfalakat, és úgy rá a TDA7294-re, működhetne. Mert az IC adatlapján csak 4 és 8 Ohmos terhelés van emlegetve, 16 Ohmos csak ha hídba van kettő kötve, de én csak egy IC-vel akarom, mert kettő sok volna.
én azt mondom ha már van egy jó tápod akkor ne sajnálj 2 tda7294-et (2500 ft /egységcsomag)
amúgy meg próbáld ki, hogy sorba vagy párhuzamosan szól jobban, tönkre biztos nem megy
Csak tudod mondták, hogy a hangszórók 100-100W osak, de csak zenei wattban. rms-ben csa kb. 50-50W. Szóval ha hídkötéssel próbálkoznék, akkor az ic-k 16ohmnál 170W-osak lennének, de rms-ben. Szóval ha a két hangszórót egy eggyüttesnek vennénk, akkor a 100W rms -jüknek sok volna az erősítő 170W-ja.
Ezért nem tudom hogy mit csináljak. Viszont ha így csinálnám meg, akkor +-35 volt kellene az IC-knek, tehát akkor a trafóm a feszkétszerezővel pont jó volna. |
Bejelentkezés
Hirdetés |







kár pazarolni.esetleg 1kohm felettivel próbálkozhatsz. már írtam,hogy az ic 16ohmon sztem elbírja a +-34voltot,de úgy látom nekem nem hiszel, úgyhogy majd más elmondja ugyanezt,és akkor minden jó lesz.





