Fórum témák

» Több friss téma
Fórum » MIG/MAG/Co2 hegesztő készülékek házilag
Lapozás: OK   168 / 278
(#) Pety_ válasza laacika hozzászólására (») Szept 9, 2015 /
 
Menünél lehet állítani hogy a kijelző mit mutasson? Dolgoztam már olyan géppel ami ki tudta jelezni a beállított és aktuális áramot, igaz 4-kijelzős volt.
(#) laacika válasza Pety_ hozzászólására (») Szept 9, 2015 /
 
Ez sajna nem digitális gép.

I-Tig 200.jpg
    
(#) mpisti válasza laacika hozzászólására (») Szept 9, 2015 /
 
Örülj neki hogy nem olyan ez a gép, ami mutatja a beállított értéket, mert az egy kész átverés show. ugyanis a legtöbb kommersz gépnél a potméteren beállított feszültség értékét mutatja, aminek semmi köze a valós áramhoz.
(#) laacika válasza mpisti hozzászólására (») Szept 9, 2015 /
 
Jó oké,csak ha olyan lenne akkor azért könnyebb a beállitás mert akkor ott megjegyzem hogy pl 90A en hegesztem a 3mm es anyagot,110A en meg a vastagabb 5mm es anyagot,igy egyedül a potméter melletti vonalkázásra hagyatkozhatok és azt azér nehezebb fejben tartani mint egy számot.
(#) mpisti válasza laacika hozzászólására (») Szept 9, 2015 /
 
A preset funkció jobbára a profi gépek sajátja. Előre beállítod azt a feszültséget/áramot amivel dolgozni szeretnél, és hegesztés közben az elektronika folyamatosan vagy ciklikus mintavételezéssel ellenőrzi hogy a beállított és a valós érték eltér-e egymástól. Ha eltér, korrigálja az eltérést. Nem láttam olyan hobbi gépet, ahol ez a funkció nem parasztvakítás lenne, illetve van, de az nem alsó kategóriás az árát tekintve. Hozzáteszem az áramköri felépítés sem annyira egyszerű hogy simán megépíthető legyen egy ilyen. A potméter melletti vonalazásra azért nem lehet adni, mert ahány féle elektródát használsz, mindegyik más-más munkaponton ég, a poti állásnál felskálázott érték csak arra jó hogy memorizáld az optimális beállítást a legközelebbi ilyen feladathoz. Sajnos ugyan ez a helyzet a kijelzővel ellátott olcsó gépeknél. Egy alkalommal megpróbálkoztam beállítani egyet, direkt műterheléssel, hogy az ív nemlineáris viselkedése ne zavarja a mérést, kudarcba fulladt a próbálkozás. Az vezetett meg, hogy volt mérősönt a kimeneten, és én balga azt hittem hogy a sönt jelét felhasználják az áram mérésénél. Tévedtem. Amint korábban írtam, a poti középkivezetésének a jelét osztották le a kijelző által megjeleníthető értékre, és a kijelző ezt mutatta. A műszer mutatott 180A-t, a valóságban 120A folyt. Amikor a potit visszatekertem 20A-ra, a valóságban 38A folyt de a mérés meredeksége nem volt állítható, mivel egy sima feszültségosztóval oldották meg a megjelenítendő jel nagyságát. Tehát csak így lehet megbízhatónak tekinteni azt az értéket amit a kijelző mutat.
(#) Pety_ válasza laacika hozzászólására (») Szept 10, 2015 /
 
Én ilyent (mini160) használok elektródára 5-10 amper ide-oda nem nagyon számít. AWI-nál már más a helyzet ott 2-3 amper is számít 0,5-1mm vastag lemeznél(olykor jól jön a gép tudása is tig 160 ac-dc ). Számozd be a potit, ha már eleget használtad akkor nem is fogsz ránézni csak tekersz rajt egyet...
(#) laacika válasza Pety_ hozzászólására (») Szept 11, 2015 /
 
Na igen,igy van ahogy mondod,ezek a te gépeid ugye?
Megmondom őszintén hogy én is rgy digit gépet akartam az Alfától de lemondtm róla,rz lett volna az Alfaweld 160 PD,de mivel kiderült hogy gondok vannak a géppel és megbizhatatlanok igy lemondtam róla,peig nagyon tetszett,csak az eladott 80 db ból 15 hibás lett az nem jó hiba%,igy egy régebbi kiforrotabb potis gép lett.
A tié mennyi volt?A boltos illetve a tulaj ajánlott volna 180 ér eg digits Ac/Dc gépt de mondtam neki hogy Ac re nincs szükségem,se 180 am.
Mióta van meg?Meg vagy vele elégedve?
Mailomra dobhatnál pár tanácsot vékony 0,8 as szénacél Awizásával kapcsolatban,mer jukadozok kifele
(#) Pety_ válasza laacika hozzászólására (») Szept 11, 2015 /
 
Pm-ment, e-mail fiókomról csak körülményessen tudok levelezní jelenleg...
(#) laacika válasza mpisti hozzászólására (») Szept 12, 2015 /
 
Köszi szépen ezt a hosszú érthető választ,tehát nygodjak bele hogy he nem 3-500 ezer ért veszek hegesztőt akkor az valszeg hülyeségeket fog ki irkálni.
Amit leirtál második ként hogy nem az igazi valósat mutatta a kijelző,nekem még az is megfelelne,egyedül annyira vágynék hogy ne hegeszté közbe ingadozva irkáljon ki hülyesèget hanem állásába is,tehát teljes letekerve 5A,maxon meg 200A-t.ennyi,ez ugye ahogy irod lehet el fog térni az igazi valós értéktől,na de ez van.
Amit még észre vettem (majd leirod lhet-e ilyen),hogy nem egyenesen arányos a poti állása a hegesztő árammal,tehát fél állásba ahol ugye már 100A körül kellene lenni ott még kanyarba nem érzek annyit,kicsit fentebb meg már többnek érem mint ahol a poti áll,biztos érted mire gondolok,tehàt jóformán a poti 3/4 állás körül dolgozik e ott brutális érzékenyen,tehát mint ahog az elején irtam nem egyenesen arányos!
(#) laacika válasza Pety_ hozzászólására (») Szept 12, 2015 /
 
Köszi,olvastam,irom majd válaszom.
(#) laacika hozzászólása Szept 12, 2015 /
 
Közbe kérdeznék azért mégegyet,ezen a gépen bekapcs hátul van,és tudjátok olyan biztositék,kismegszakitó kinézete van,na most igy nagyon kényelmetlen bekapcsolgatni,arra gondoltam hogy azt mindenképp benthagyvs természetesen de előtte megszakitanám mind két szállat és előre hoznék egy világitós kapcsolót 16A-est,tudjátok mint a kis hosszabbitókba szokott lenni,na most elbirná-e vagy szétégne a fenébe?Mert ugye nem valami vatagok a benne lévő cuccok,szóval z lenne a kérdésem.köszönöm válaszaitokat
(#) kissadam válasza laacika hozzászólására (») Szept 12, 2015 /
 
Kismegszakító kinézetben is van, kapcsoló, ez annyiban más a kismegszakítótól, hogy nem zárlatvédelmi eszköz. Amit te szeretnél beépíteni, olyan kapcsoló rengeteg gyári gépben van, a sajátomba is ilyet tetem, eddig gond nélkül működik. A lényeg, hogy ne ilyen fehér szobai elosztóból bontott gagyi * legyen, hanem nézzél valami értelmes 16A-es darabot és két áramkörös legyen!
A hozzászólás módosítva: Szept 12, 2015

hegesztő.jpg
    
(#) laacika válasza kissadam hozzászólására (») Szept 12, 2015 /
 
Köszi válaszod,akkor valószinű birni fogja,majd úgy kérem a boltba hogy valami jobb fajtát adjanak.
(#) laacika válasza kissadam hozzászólására (») Szept 13, 2015 /
 
2 áramkörös,szóval 4 csúszóérintkezős,igaz?
(#) Phile80 válasza laacika hozzászólására (») Szept 13, 2015 /
 
Ha 100-150A-en használod a géped nyilván bírni fogja a kis billenőkapcsoló, viszont ha 200A-en, akkor több mint 20A-t vesz fel gép. Kínaiak azt szokták csinálni, hogy párhuzamosan kötik a két érintkezőt, de ez nem szabványos, mert mind a két vezetőt meg kell szakítani.
A hozzászólás módosítva: Szept 13, 2015
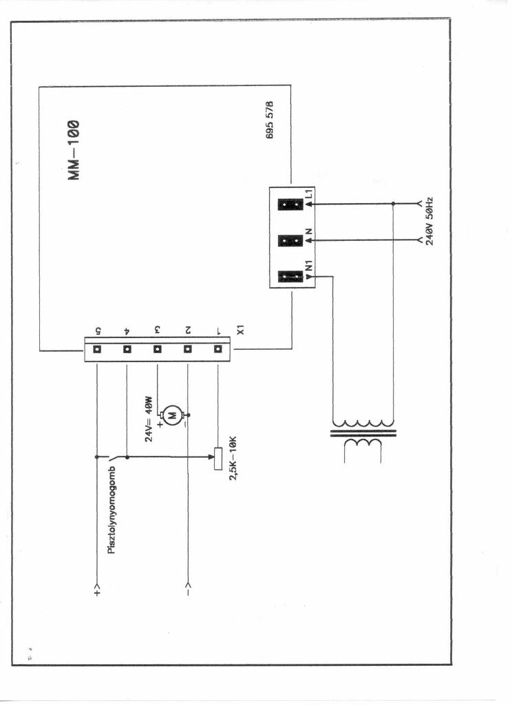
(#) Lali04 hozzászólása Szept 13, 2015 /
 
Sziasztok! MM101 panel bekötésében kérném segítségeteket, ha lenne hozzá rajzotok megköszönném. Sajnos a gép belsejéből több kábel hiányzik ami a vezérléssel kapcsolatos és nem birtam rájönni, hogy mit hova is kellene kötnöm. A segítségeteket előre is köszönöm. Lali
(#) mpisti válasza Lali04 hozzászólására (») Szept 14, 2015 /
 
Tessék.

MM101.jpg
    
(#) Lali04 válasza mpisti hozzászólására (») Szept 15, 2015 /
 
Köszönöm, ez alapján be fogom tudni kötni. Lali
(#) kissadam válasza laacika hozzászólására (») Szept 16, 2015 /
 
200A-en kell a 20A-es kapcsoló, szerzel egy 20A-es (van 16-os is) ganz kapcsolót, van 6001-es típus is belőle. Ez csak két áramkör kapcsolására alkalmas (fázis nulla), nem 3 fázisú vagy a 6002-es típusból csinálsz ilyet, leoperálod az egyik kapcsolókamrát, így kevesebb helyet foglal el a gépben. Ez már nem olyan szolíd kivitel mint a kis világítós kapcsoló, de megbízható és nem ég szét olyan könnyen.
(#) geri75 hozzászólása Szept 16, 2015 /
 
Sziasztok! Most vettem egy co gépet. Nem egy mai darab.nem tudom mi baj lehet vele, de csak pattog vagy leolvasztja az elektródát. Max amperen és egy bizonyos előtolással működik csak. Nem tudom mi lehet vele. Munkakábel jó. Üveg biztosítékot cseréltem benne. Testkábel a tippem. Azt hittem az 1-es huzal volt a baja de 0.8-al is ezt csinálja. Előtte alut hegesztettek vele és még nem tettem a munkakábelbe fémspirált de másik gépen így is jó volt. Ha van tippetek légyszi segítsetek! Köszönöm!
(#) laacika válasza kissadam hozzászólására (») Szept 18, 2015 /
 
Köszönöm megoldottam a dolgot egy 24V-os mágneslkapcsolóval,csak egy táp kellett neki.
(#) laacika hozzászólása Szept 18, 2015 /
 
Sziasztok
Aki vágja a Co val kapcsolatos hibákat azt megkérem szépen segitsen,ma vettem egy Einhell Bt gw 150 es kis hobbi gépet.
Legyenszives adjon teló számot az e-mailomra:laacika@citromail.hu

Előre is nagyonszépen köszönöm a segitséget.
(#) laacika hozzászólása Szept 18, 2015 /
 
Annyit hozzá tennék hogy a gépbe mindent rendbe találltam,előtolás rendben egyenletesen megy,viszont 4-5 ös fokozaton talán az 1 es lemezt tudja beégetni,2mm es anyagon már csak gombócosodik a 0,6 os huzal,az anyagba beolvadás nincs,csak meg gombócosodik a huzal vége,igy mivel csak a huzal "izzik" gombócosodik,annyira felmelegedik a pisztoly vége (áramátadó,gázterelő) hogy fűstöl,ez egy vivv kategória,ez igy használhatatla.
Hegesztettem régen a legalapabb TIP tronic 2 fokozatú kis géppel meg a nagy tesójával is a TIP tronic 180 assal de mindkét gép ehhez képest állom volt,ennyire használhatatlan az Einhell?
(#) zosza18 válasza laacika hozzászólására (») Szept 18, 2015 /
 
Szia!
Senki se szabó itt, hogy "vágja" a dolgokat...
új gépet vettél?
Egyenirányítót megmérhetnéd, nincs-e a diódahíd meghalva félig. Akkor tud ilyeneket művelni.
(#) laacika válasza zosza18 hozzászólására (») Szept 18, 2015 /
 
Oké,oké,nem vágja hanem érti!
Használt gép.
Leirnád légyszives részletesen hogy hogy tudom megmérni a dióda hidat?
Egyel föntebb megtalállod az e-mail cimem.
Előre is köszi szépen.
(#) kadarist válasza laacika hozzászólására (») Szept 18, 2015 /
 
Tudod, multiméter, diódamérés funkció.
(#) laacika válasza kadarist hozzászólására (») Szept 18, 2015 /
 
Köszi.
(#) zosza18 válasza laacika hozzászólására (») Szept 18, 2015 /
 
Itt van a rajza, hogy épül fel: diódahíd
Ahogy kadarist is írta, úgy kiméred és meglátod.
(#) laacika válasza zosza18 hozzászólására (») Szept 18, 2015 /
 
sajnso a műszeren csak szakadás vizsgáló van,dióda mérő funkció nincs
Itt az ideje vegyek egy rendes műszert.
A hozzászólás módosítva: Szept 18, 2015
(#) laacika válasza zosza18 hozzászólására (») Szept 18, 2015 /
 
A dióda hidnak semmi baja.
Következő: »»   168 / 278
Bejelentkezés

Belépés

Hirdetés
XDT.hu
Az oldalon sütiket használunk a helyes működéshez. Bővebb információt az adatvédelmi szabályzatban olvashatsz. Megértettem