Fórum témák
» Több friss téma |
Fórum » Mini erösitö Tda7372a-val
Hello Mindenki.
Lenne egy TDA7372A nevű icém kérdésem az lenne lehet-e hidalni?és ha igen hogy ?ez egy bookpc dobozbába lesz beépítve és(ezen a részen elvesztem) -12v bol egy 7915vc-vel lehet -5 v csinálni ez pedig a digitális hangszabályzóhoz kéne (ic típus: ds1669-100). Köszi a segítséget elöre is. Suhanc
üdv!
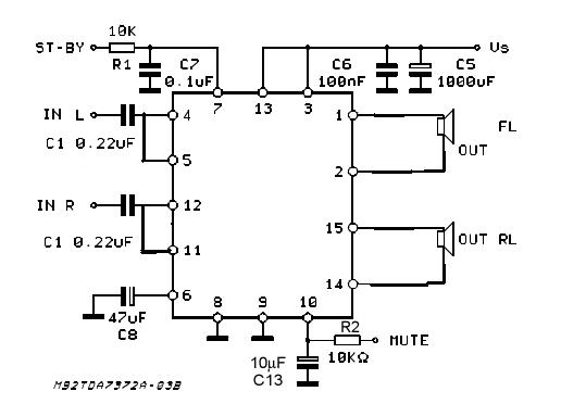
Itt az adatlapja. szerintem nem hidalható nem utalnak rá sehol. A 7905 tudsz csinálni -12 böl -5 vot. max 1 A-t adatlap
Szia.
Szerintem ezt az IC-t így lehet hidalni. (csatolmány) Van egy autómagnóm, és bár nem ez a fajta TDA van benne, de az így van bekötve. Javítsatok ki, ha ez ennél szerintetek nem lehetséges.
Köszi mindent . am ha valakit érdekell a projekt akkor felteszem a képeket meg a kapcsolásokat. kivezérlés jelzö, cd lejátszó ,digitális hangeröszabájzó,erösítő,egy nyomogombos bekapcs ami még nem biztos.
Szerintem viszont igy a hid nem menne:S mert mind kettö ki meneten csak plusz jön :S ezzért nem lenne hang (gondolom én) én arra gondltam hogy egyik be meneten be megy a jel annak a ki menetét visza köttöm a másik bemetre és akkor kapok oldalanként egy 12w 4ohm on.hülyeség?
Légy szíves, és használd a
Idézet: linket, mert így vagy tudjuk, mire reagálsz, vagy nem.„Válasz” Köszönöm.
Bocsánat télleg csak nagyon régen voltam már az oldalon és elfelejtetem az elsö komment az Tetyének szólt a második pedig Ronin-nak.
igen ahogy irtad hülyeség... nem müködö elképzelés az ic bemeneti szintjét nem nézted? ott van az adatlapban amit linkeltem neked, nem tudod hidalni. ha azt akarod más tipust tegyél bele... pl tda7375 az egész jo asszem 2x25 vagy 4x12w talán..
Amit írtál, az nekem butaságnak tűnik. Nézz át ebbe a topicba : Bővebben: Link
Helló mindenki.
Úgy döntöttem csinálok egy 2.1et tda7372vel mert ez tudok mindig szerezni. Az adatlapon rajta van a kapcsolási rajz alatt a nyák terv de nem tudom ki találni mi hogy merre... Amúgy az Ic nem hidalható de szerintem egy fázis fordító közbe iktatásával már igen ,de ez nem is lényeg 2.1 lelke ez lesz hozzá egy digitális hangszab. amit most nem tudok mi de már kész van ,stereo hang szabályzó és balance és mute is van benne nekem megfelel ha valakinek van valami jó 5lete szívesen fogadom.Végülis egy panel rajz kellene ha van valakinek ilyen. Köszönöm előre is : Suhanc |
Bejelentkezés
Hirdetés |











