Fórum témák
» Több friss téma |
Fórum » Mono-Stereo (ál sztereó) alakítás
Témaindító: silentworks, idő: Feb 24, 2023
Témakörök:
Sziasztok!
Lehet, hogy egy nagyon egyszerű kérdéssel fordulok hozzátok Elektro Gurukhoz, de nekem nagy segítség lenne. Azt szeretném elérni, hogy a szintetizátor fejhallgató MONO kimenteből ún. "ál sztereó" hang keletkezzen. Ahogy utánaolvastam, ezt úgy érik el (de javítsatok ki, ha nem így van), hogy a monó jelet ketté bontják, tehát lesz két monó jelem. Ebból az egyiket egy nagyon kis idővel (pl. 0.2 ms) késleltetem, így ál sztereó "széthúzott" hangot kapok. Hogy ezt mivel tudnám elérni, milyen áramkör kellene ehhez, milyen alkatrészek, vagy van-e esetleg ilyen? Köszönöm szépen a segítséget!
Hardveresen? Mert laptoppal audacity szoftveresen tudja és biztos van jobb minőségű plugin is hozzá.
Hangjel késleltetésére létezik IC-PT2399:
https://sound-au.com/pt2399.pdf Kábé 40ms-tól 300ms-ig késleltetésre képes. https://www.google.com/search?q=pt2399+delay+circuit+diagram Sok sikert!!!
Régen úgy csináltuk, hogy kondenzátor, ellenállás/ellenállás, kondenzátor.
Egyből balra került dob, jobbra meg cintányér.
Ha füles egyik oldalának megfordítod a polaritását, akkor nem az "agyad középén" fog szólni a zenekar, hanem "szétkenődik".
Nekem nem jött be.
Mi a fenének nyitottál egyből új topic-ot?
Vannak olyan szoftverek, amelyek egy felvételt szétszednek csatornákra, hangszerenként és énekesenként is (és néha meglepően, sőt hihetetlenül jól működnek). Ezután tetszés szerint megváltoztatható, akár újra keverhető a felvétel.
Mindenféle hardveres/szoftveres manipulálás helyett érdemes a szintetizátort górcső alá venni. Belépő alsószint hogy lennie kellene Midi kimenetek rajta. Midi jellel pedig már szinte bármit kezdhetünk.
Ha viszont sem Midi, sem sztereó kimenet nincs a hangszeren, akkor vagy valami gagyi műanyag játék lehet, vagy pedig valami régebbi analóg szinti, mint például a Moog Prodigy. Ebben az esetben érdemes még rááldozni kicsit. Szóló hangszerek (tehát nem dobgépes mindentegyben basszusos izé) esetében akár gyári, sztereó reverb effekt ki tudja tolni a hangot a térben, de az említett PT3299 IC - vel is lehet építeni olyan effektet, ami ezt megoldja. Régebben játszottam ezzel az IC-vel. Hat egyforma késleltető modult csináltam amiken egyenként lehetett a késleltetés állítani. Egy marék kapcsoló, egy marék potméter, valamint műveleti erősítőkből csinált összegző erősítőkből szinte végtelen variáció hozható létre. A késleltető modulok párhuzamosan, sorosan, vegyesen is kapcsolhatók. Lehet létrehozni visszacsatolásokat modulonként, vagy globálisan. A modulok kimeneteit ízlés szerint ki lehet panorámázni akármilyen arányban balra és jobbra. Nagyon mazochisták még alul- felüláteresztő szűrőket is használhatnak, ezzel bővítve a térélmény változatosságát. De ezt csak annak ajánlom, aki van annyira őrült, hogy beleássa magát ennek a világába. A hozzászólás módosítva: Feb 25, 2023
Van sok nagyon olcso gitárpedál, amik ezt tökéletesen tudják, chorus, flanger stb, de vannak intelligensebbek is, ahol már HALL stb van. ( menü).
Nagyon köszönöm mindenkinek a segítséget!
Végigolvasom mindet, ha ennyiből nem tudom megoldani, akkor úgy kell nekem ![]() Igen, hardveres megoldást keresek, és azért nem a szintibe rakom bele direktben (amúgy igen, régi analóg "játék" szinti), mert másik eszközbe is szeretném használni, tehát egy kis dobozka lenne, amibe belemegy a mono 6.3 jack és kijön a csodálatos ál sztereó 6.3 Legalább is ez a terv...Low budget megoldás nyilván a legjobb, nem akarok ezzel világot megváltani, csak egy kicsit legyen teltebb a hangzás, ha egyszerűen meg lehet oldani, akkor megcsinálom, ha nem akkor annyit nem ér. Reverb, Chorus, Flanger pedal is szóba jöhet, majd ha annyira megy már a felvétel (házi komponálás), akkor nyilván beruházok komolyabb cuccokra. Inkább ez ilyen teszt lenne, kíváncsi is vagyok, meg ha működik, akkor hurrá. Köszi még egyszer!
Bocsi, próbáltam keresni, de ilyen problémát nem találtam.
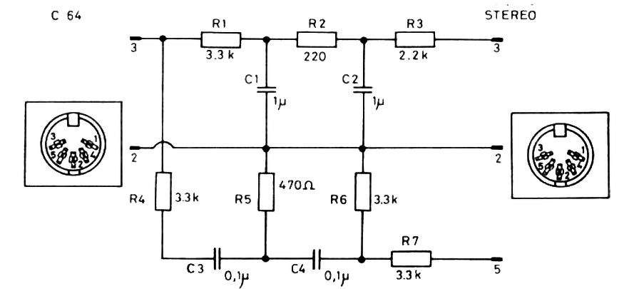
Szia! A mellékelt kép a "Tippek és trükkök a C-64-hez" című könyvből van (134 - 135 oldal), a leírás szerint 300Hz-nél választja ketté a hangot 6dB / oktáv meredekséggel. Passzív áramkör, ezért fülhallgatót közvetlenül nem tud meghajtani, valami kis erősítő még kell mögé. Pl. egy PC-speaker, amit most nem a számítógépbe dugsz be. Annó egy kartonpapíron raktam össze. A hangzására már nem emlékszem, de akkor tetszett.
![]() Bővebben: Link
Szia!
Keress rá: pseudo stereo Van sok jó ötlet, kapcsolás. Üdv: Gábor
Hello! Talán egy játék szintihez ez is megteszi. (Megrajzoltam a nyákot is hátha segít valamit.)
Az eredeti cikket itt találod.
Sziasztok!
Meg lehet-e oldani (ha igen, milyen kapcsolással), hogy egy sztreó végerősítő kimenete csak egy hangdobozra dolgozzon, azaz lehet-e a sztereót monósítani? Kösz és üdv, Rukh
Ha a bemeneten monó jelet kap és az egyik oldal fázisát megfordítod, akkor hídba kötve lehet. Ilyenkor a sima, sztereó végfok 2 meleg pontja közé kell kötnöd az 1 hangfalat. De vannak kikötések. Az eredeti terhelő impedancia duplája kell legyen a hangfal, tehát ha eredetileg 2*4Ω-ot tudott az erősítő, akkor 1*8Ω-ot lehet rákötni. A teljesítménye is legyen a 2-3-szorosa az eredetileg megadottnál.
|
Bejelentkezés
Hirdetés |





Legalább is ez a terv...



