Fórum témák
» Több friss téma |
Szerencséd van, OA1182 a legjobb, én is találtam 4db-ot, OA1161 van egy rakás, sajnos itt nem igazán jó, ezért nagyon óvatosan bánok vele. Próbáltam egyéb más GE diódával helyettesíteni. GE tranyók B-E diódái esetleg használható.
DC fűtést javaslom( C-R-C), mert így 0,03V-nál, nyitott bemenetnél sem lesz mutató kitérés (brumm). AC fűtés esetén jobban kell ügyelni a huzalozására, bemeneti osztó árnyékolása is szükséges lehet.
Mely tulajdonsága teszi az 1081 -et szinte kizárólag jónak?
Az OA1180, 82 gyors kapcsoló dióda kis diff ellenállással, nem túl alacsony kapacitással, ezért nem túl magas frekvenciára alkalmas. Az OA1161 demodulátor dióda, 100 MHz felett is használható, kicsi a kapacitása, viszont a diff ellenállása nem túl alacsony. Egy ilyen műszerbe igazából OA1154Q diódanégyes kívánkozna, ilyen feladatokra lőn kitalálva.
De ha már csöves, jobban passzolna bele egy 6AL5.
Köszönöm a javaslatokat.
Végigpróbáltam az OA széria diódáit, OA1182 tökéletesen megfelelő, nyitófeszültsége is 200mV alatt van, ami szintén előny. Skála kezdő szakaszában a linearitás is jobb ezzel a diódával. OA1161 20KHz felett erősen kiemel (kis kapacitás hátrány itt) és 300mV felett nyit. Nagyon jól használható még a 2SAxxx GE tranyók B-E diódáik, 100KHz feletti lineáris átvitel érhető el.. 6AL5 több hátránnyal járna mint előnnyel. Műszer skáláját át kéne rajzolni, skála első (alsó szakaszában ) tartományában pontatlanabb lenne, sokat gyengülne a linearitás, műszer fogyasztása is jóval megnőne, semmi nem szól használata mellett..
Tápegység nyákterve vasalható formában..
Többi légszerelt, egyszerűsége miatt gyorsan kivitelezhető.
Ez kis csalással érhető el, 0 pont felülkalibrálásával. Ezen a képen jól látszik a 0 pont "eltolása". Így érdemes beállítani.
GANZUNIV nagyon jó, pontos műszer, sajnos belső ellenállása pici, ezért sok helyen nem használható.
Ha az előlap vasalható terve is érdekel, azt is feltehetem..
Üdv!
Van egy ilyenem. A kérdésem az, hogy ehhez lehet-e valamiféle külső hőmérőszondát készíteni? Azért ide írtam, mert elméletileg kapcsolatos a multiméter építéssel.
Szerintem valamilyen hőmérős topikban jobban jársz a kérdéseddel, mert talán többen látják, és válaszolnak...
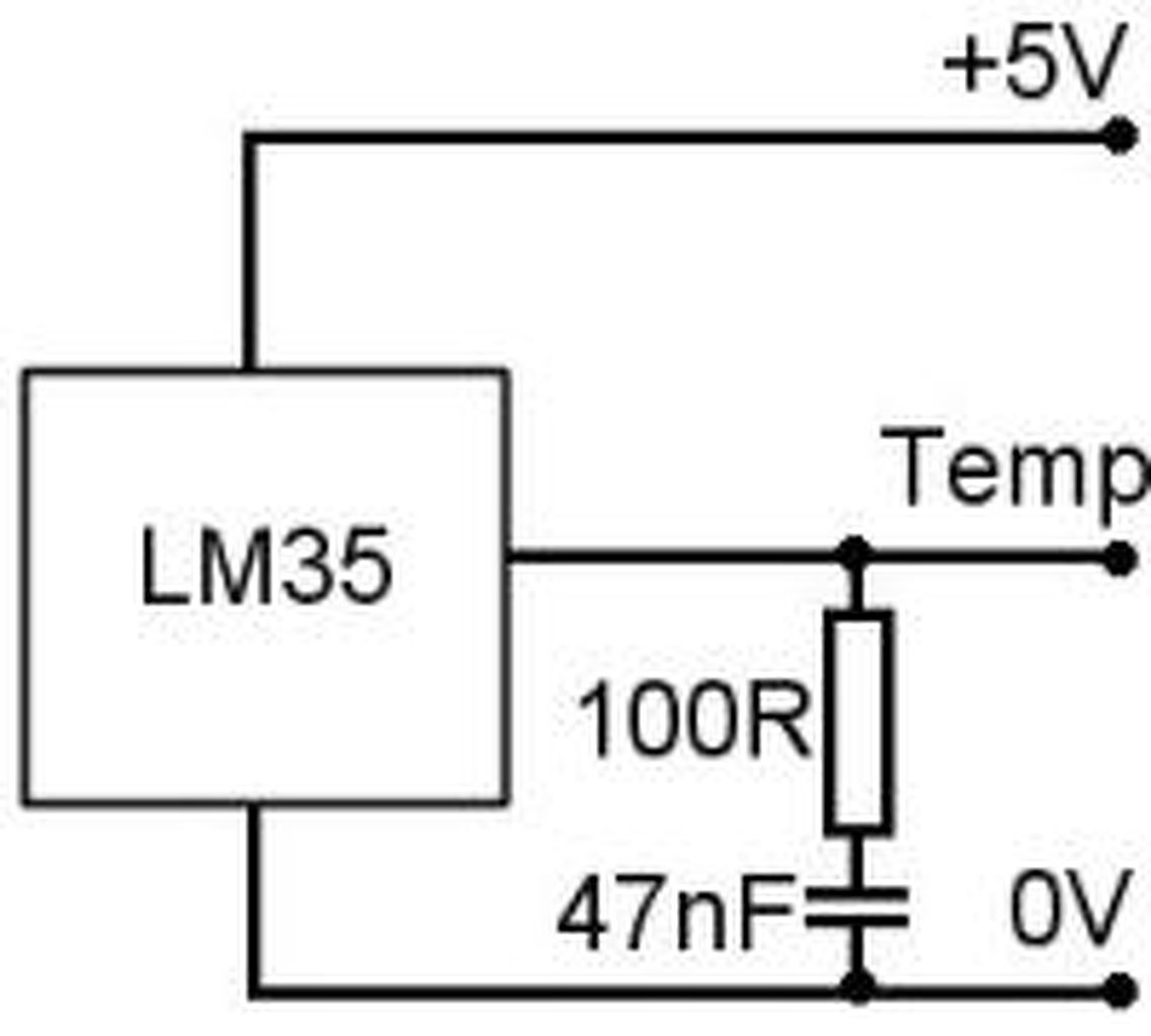
Amúgy attól függ, hogy milyen hőmérőt akarsz használni, milyen hőfokot akarsz mérni... Amit hirtelen tudok mondani az LM35-ös hőszenzor, ez ha jól tudom kb +150fokig mér, az alsó határ nem tudom mennyi (van adatlapja a neten), ettől magasabb hőfokra hőelem, pl K-típusú - ilyen szokott lenni a legtöbb multiméterhez, amiben van hőmérő - ehhez illesztő áramkörről kapcsolások vannak a neten, vagy vannak még ellenálláshőmérők pl PT100,PT1000, ezekhez is léteznek kapcsolások... A hőelemhez létezik 1ic-s megoldás is, de az amúgy majdnem annyiba kerül, mintha pl veszel egy Uni-T UT33C multimétert, amiben van hőmérő... Ilyen 1IC-s megoldás, panelre szerelve (ehhez már csak egy elem kell meg egy banándugós kábel a multiméter felé, meg persze a bemenetre a hőelemhez is csati) Bővebben: Link -AD597panel, de vannak másmilyen ic-k is valószínű kb 1000Ft/db-tól... Ja meg magának a hőelemnek az árát is számold hozzá... a multiméterhez viszont, amiben van hőmérő szokott járni maga az "eszköz" is A hozzászólás módosítva: Feb 2, 2015
Köszönöm a választ. Ezek szerint nem építek
Ne add fel , csak ennyi és 0-100fok 0-1000mv de 0.3-0.5fok gyártási hiba lehet .Különben pontos.
A hozzászólás módosítva: Feb 2, 2015
Üdv Mesterek!
Megépítettem ezt a multimétert. Minden működik rendesen kivétel, hogy a kijelzés nem 0,05-ös lépésekben megy hanem elég "fura" módon. 0-1V-ig az alábbi lépésekben írja ki a mért feszültség értékeket: 0,03 0,09 0,22 0,44 0,48 0,54 0,60 0,76 0,96. Valakinek van ötlete mi lehet a gond? A segítséget előre is köszönöm. |
Bejelentkezés
Hirdetés |













