Fórum témák

» Több friss téma
Fórum » Muzeális készülékek-alkatrészek restaurálása
Lapozás: OK   246 / 589
(#) silent15 hozzászólása Júl 22, 2012 /
 
Sziasztok, van 2 Elprom M10 0 Melodiám és szeretném felújítani. Az elektronika kész is , de a külső politúr réteg elég ramaty állapotban van, azt szeretném kérdezni , hogy egyszerűen hogy tudom ezt a politúr réteget felujítani ????

KöszI!
(#) gkari válasza silent15 hozzászólására (») Júl 22, 2012 /
 
Azon nem politúr van,hanem műgyanta lakk. Ha csak karcos, akkor kb. 200-as papírral egyenletesre csiszold fel, majd pl. Akriánnal-több rátegben lefújni. Ajánlatos mindig csak vizszintes felületre fűjni, függ.-en könnyen megfolyik. Ha a furnér is hibás, akkor bizony macerásabb.
(#) silent15 válasza gkari hozzászólására (») Júl 22, 2012 /
 
Hát sajnos hibás a furnér is Így mit lehet tenni?
(#) zolika60 válasza silent15 hozzászólására (») Júl 22, 2012 /
 
Nézegesd a képeket itt a fórumon a kis fényképező ikonra kattintva. Nemrég javított valamelyik kolléga dobozt ott jól látszik hogyan pótolta a hiányzó furnért. Meg is van:Bővebben: Link
(#) havranarpi válasza zolika60 hozzászólására (») Júl 22, 2012 /
 
Sziasztok!
Ma sikerült hozzájutnom egy VT gyári R946F-hez azaz Szimfóniához.
Szépen kompresszorral kiporoltam mindenütt.
Működik is nincs vele gond csak az ,hogy ha megy 5-10 percet elmászik az adó és recseg és az ,hogy a Hangolásjelző cső nagyon halovány
Az lenne a kérdésem ,hogy hogyan javíthatnám ezeket a gondokat .illetve az ,hogy az antenna helyére milyen és mekkora antennát tegyek?
(#) gkari válasza havranarpi hozzászólására (») Júl 23, 2012 /
 
A mellékletek szerint mérd meg a fesz.-eket, lehet, hogy kevés az anódfesz, azért halvány az EM, de ha mégis elég, akkor kuka. Minél hosszabb az antenna, annál jobb a vétel. Az elmászást ált. az osc., és mod. kőrök kondija(-i) okozhatják, vagy pl. az első ECH gyengesége. Bizonyosan ráférne egy újrahangolás, valamint a hullámváltó tisztítása.
(#) Tomi94 hozzászólása Júl 23, 2012 /
 
Üdv mindenkinek!
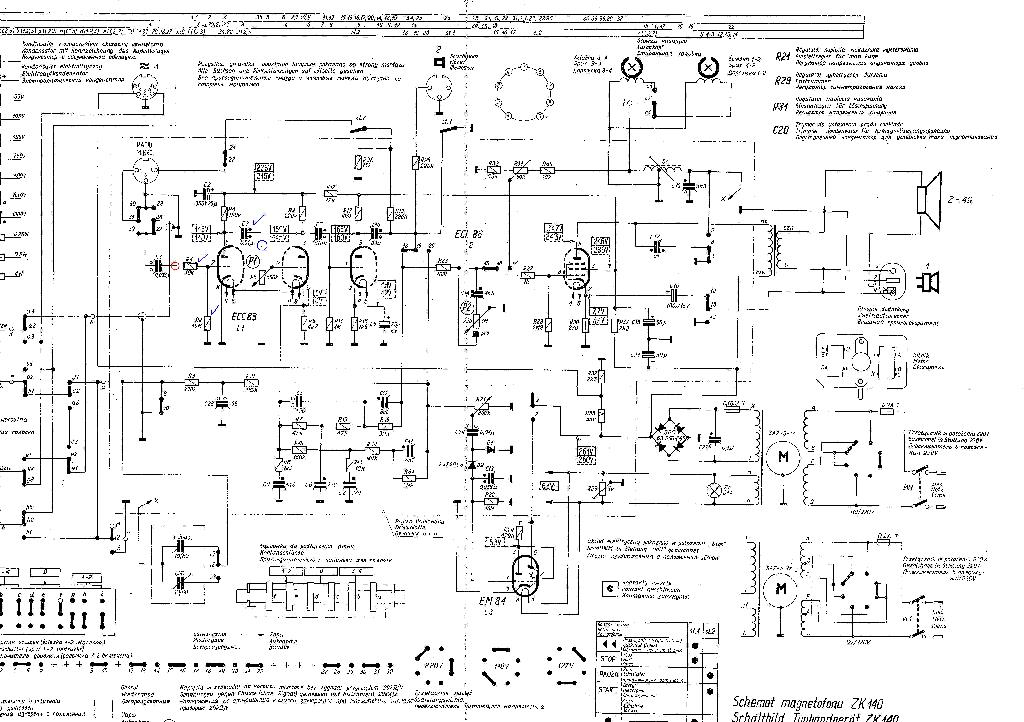
Újra nekifogtam a csöves ZK140-es magnó javításához. Az alap hiba: ha átkapcsolom felvételre, az első hangosabb hangnál teljesen elmegy a jel, a varázsszem nem jelez, nem vesz fel, sőt innen visszakapcsolva már lejátszás sincs. Kb. három napot áram nélkül állva hagyom, utána megint megy, lejátszásban órákat is gond nélkül, viszont felvételkor 10 percnél többet nem bírt még, mióta nálam van...
A csöveknél megmértem az összes feszültséget, benne volt az eltérés mindenhol abban, hogy a hálózati feszültség a 90-es években megváltozott. Így elkezdtem próbálgatni külső jelről. Odáig visszafele, ahol a rajzon kék körrel bejelöltem, tökéletesen működik az erősítőrendszer, az első fokozat előttről viszont csak valami halk zörej és erős búgás jön át. Az ellenállás osztó két tagját kimértem, egyik sem zárlatos vagy szakadt, valamint a C3 kondit cseréltem, de nem javult a helyzet sajnos. Tényleg okozhat ilyen hibát az ECC83-as cső? Másra már nem tudok gondolni, de eddig hibás csőnél én még csak torz hangot tapasztaltam...

zk140.GIF
    
(#) Tomi94 válasza Tomi94 hozzászólására (») Júl 23, 2012 /
 
Nagyon elrontotta a rajz minőségét az oldal, itt van olvasható változatban...
(#) Janó bácsi válasza Tomi94 hozzászólására (») Júl 23, 2012 / 1
 
Az ilyen "fulladásos" hibát mindenképpen a cső munkaponti beállításának a hibája okozza. Talán a C1 zárlatos, vagy a második csőfél katód része szakadt. Próbáld meg a 2-ik katódot lezárni a testre (3-as láb) ilyenkor persze nem működik a hangszín korrektor, de ha így elindul, akkor ott kell körülnézni. Esetleg szakadt lehet még az R5-ös potméter is. Üdv
(#) Tomi94 válasza Janó bácsi hozzászólására (») Júl 23, 2012 /
 
Nem tudom, mivel sikerült elérnem, de most megy folyamatosan, és vissza is kapcsolódik a lejátszás. A C1 kondit vettem ki, mérésre jó, vissza - és most már folyamatosan jelez a varázsszem. Viszont most meg a szalagra egyáltalán nem kerül jel, csak letörli az előző felvételt. Az erősítő elemeken túl kell jutnia a jelnek, különben nem jelezhetne a varázsszem, én most az átkapcsolóra gyanakszom...
(#) Janó bácsi válasza Tomi94 hozzászólására (») Júl 23, 2012 /
 
Igen, ennek a gépnek mindíg gyengéje volt a kapcsolósor, vedd ki a csuszkát, és úgy tisztítsd meg, illetve hajlítsd vissza az érintkezőket. Azt is meg kell nézni, hogy helyén van-e a csuszka, mikor átkapcsolod. A kondi meg a végei, kivezetései megmelegítésétől jött rendbe, legjobb ha kidobod.
(#) havranarpi válasza gkari hozzászólására (») Júl 23, 2012 /
 
Köszönöm a segítséget.
Megmértem a feszt és 220V helyett csak 160V van
A 470K Ohm-os ellenállás előtt.
ezt ,hogyan lehet javítani egy ilyen rádiónál?
Illetve nemrég pár oldallal ezelőtt valaki másnak ajánlották az alkatrészek újramérését főleg a kondikat.
Én is átmértem az enyémeket és a hangolásjelző cső 4.7 µF-os kondija 12 µF lehetséges?
Kicseréljem?
(#) Janó bácsi hozzászólása Júl 24, 2012 /
 
Üdv mindenkinek. Régen írtam már felújításokról, íme most egy gyöngyszem:
Ez egy Superhet Consul nevű rádió volt eredetileg, hozzám csak a panelja került felújításra, a többi részét nem ismerem. Valaki úgy a 60-as években már átépítette, 21-es sorozatú csövekre, de aztán átadták az enyészetnek, hogy az egereknek is legyen valami dolguk. Láthatóan felrobbant benne egy elkó, talán akkor rakhatták fel a padlásra. Aztán megint valaki nekiállt a felújításnak, ami abból állt, hogy lekente ecsettel, ezüst festékkel. Itt a szokásos javítás szóba sem jöhetett, az egész panelt lepusztítottam, újra letisztítottam, lefújtam ezüsttel, és jöhetett a teljes újjáépítés.
(#) Janó bácsi válasza Janó bácsi hozzászólására (») Júl 24, 2012 /
 
Folyt: Termászetesen a 21-es csövek már nem kerültek vissza, körmös csöfoglalatok lettek beépítve, illetve a végcsőhöz egy 11-es foglalat. Igy most a régi-új csövek ECH 3, EBF 2, ECL 11, Ennek megfelelően lett kialakítva a kapcsolás is, egy ilyen csősorozatú Orion készülék volt a minta, kis átalakításokkal. Minden rozsdás alkatrész le lett tisztítva, csiszolva, festve a beépítés előtt, a 2 KF-ben ki lettek cserélve a kondik, kapott egy teljesen új tekercsszerelvényt, és hullámváltót, majd az egész kapcsolás, korabelinek kinéző új alkatrészekkel lett megcsinálva. Szépen szól, most megint egy darabig jól használható lesz.
A többi a képeken. Üdv.
(#) MateKrisz válasza Janó bácsi hozzászólására (») Júl 24, 2012 /
 
Szép munka grat!
(#) zolika60 válasza Janó bácsi hozzászólására (») Júl 24, 2012 /
 
Igen szép munka, ahogy már megszokhattuk tőled.
(#) hatvanasjocó válasza Janó bácsi hozzászólására (») Júl 24, 2012 /
 
Elrontottad az egerek örömét! Gratulálok!
(#) speed008 válasza Janó bácsi hozzászólására (») Júl 24, 2012 /
 
Ismét csak ámulni tudok, azon a varázslaton amit ismét véghezvitt! Csak így tovább
(#) Janó bácsi hozzászólása Júl 24, 2012 / 3
 
Üdv megint. Még egy apró ötlet. Én a régi, háború előtti készülékek huzalozását általában varniscsőbe bujtatott vezetékkel oldom meg, ez hasonlít legjobban az eredeti kötésekre, és a kicserélt R-C tagok lábaira is ilyet húzok. Az a baj, hogy az új varniscsövek nagyon szép fehérek, vagy világos sárgák és nagyon elütnek a korhűségtől. Ezért a megvett szálat kicsire összetekerem, és berakom a dió pácos dunsztosüvegbe. Jól megrázom, majd kirakom száradni. Szép sötétbarna, foltos lesz, így jobban tűnik korhűnek. Különböző vastagságban kapható, sokszor a kisebb kondikat, diódákat is ilyenbe dugom el.
(#) zolika60 válasza Janó bácsi hozzászólására (») Júl 24, 2012 /
 
Ez igen praktikus ötlet. :yes:
(#) Tomi94 válasza Janó bácsi hozzászólására (») Júl 25, 2012 /
 
Üdv!
Végül a C1-C3 kondik cseréje megoldotta az elnémulás problémáját. A felvétel hiányát meg nem a kapcsolósor, hanem a szintén zárlatos C23 kondi okozta, most már működik minden funkció. A hangja egy kicsit magashiányos szerintem, de nyilván nem hifi készülék, és a most nálam levő Polimer próbaszalag sem mondható tökéletesnek. A saját felvétel alapzajában van egy furcsa, halk pattogó hang, ennek még nem jöttem rá az okára, egyébként nem is annyira zavaró zene közben.
Köszönet a segítségért!
(#) gkari válasza havranarpi hozzászólására (») Júl 25, 2012 /
 
Ha nincs 220V, akkor az eir., vagy (és) szűrőkör hibás; megvan-e előtte a 260V(EZ katód), az izmos 1,5 kOhm lehet "megnyúlva", a 2x50µF mindkét fele jó-e, eleve jön-e a trafóból a 260V-hoz szükséges cca. 185V váltófesz? Az EM rácsnál lévő 4,7nF értéke nem kritikus-de jobb, ha kicseréled (időállandó!).
(#) Puklee hozzászólása Júl 25, 2012 /
 
Üdv! De rég írtam... Már rég kész lettem az orion 324-el. Sajnos nem a legjobb... A tetején fajavító anyagot kellett használni ami csak fehér volt ezért több réteg páccal kellett lefedni.. Mondjuk azért jobb mint volt. Üdv! Az üveg Janó Bácsitól van!
(#) Dániel X hozzászólása Júl 25, 2012 /
 
Üdv!

Varázspálca készítésekor fontos hogy a műanyag rúd tömör legyen? Mert tömör rudat nem találok de van jó pár üres eldobható tollam ilyen fajták.
(#) silent15 hozzászólása Júl 25, 2012 /
 
Üdv !!!
Van egy Orion444 -es rádióm Bővebben: Link És megakartam javítani , kicseréltem benne egy rossz ECH21-et de amikor bekapcsolom, a csövek fűtenek, de nincs semmi hang, ha tekerem a forgókondit akkor sem, elvileg egy kis recsegésnek kéne lenni , de még az sincs. Ötlet, hogy ezeknél mi mehetett tönkre?

Kösz!
(#) zolika60 válasza Dániel X hozzászólására (») Júl 25, 2012 /
 
Hangoló pálcára gondolsz?
(#) speed008 válasza silent15 hozzászólására (») Júl 25, 2012 /
 
Üdvözletem!
Segítségeteket kérném az Orion rádiókészüléken beazonosításához. A hátlapján Orion 115A szerepel.
Ilyen kinézetű rádióval, már találkoztam 313 név alatt is.
(#) kisgeri válasza speed008 hozzászólására (») Júl 25, 2012 /
 
Eredetileg lehetett 115A, de házilag át lett alakítva folyamatos hangolásúra, és kapott egy skálaüveget.
(#) silent15 válasza speed008 hozzászólására (») Júl 25, 2012 /
 
Se nem 313 se nem 115 de sajna nemtudom a pontos típust.
(#) Dániel X válasza zolika60 hozzászólására (») Júl 25, 2012 /
 
Igen. Erre.
Következő: »»   246 / 589
Bejelentkezés

Belépés

Hirdetés
XDT.hu
Az oldalon sütiket használunk a helyes működéshez. Bővebb információt az adatvédelmi szabályzatban olvashatsz. Megértettem