Fórum témák

» Több friss téma
Fórum » Muzeális készülékek-alkatrészek restaurálása
Lapozás: OK   551 / 588
(#) Kera_Will válasza em hozzászólására (») Máj 2, 2021 /
 
Saccra írtam az évfolyamot +/- 1 2 év ... Természetesen Pálinkás Tibor tollából való.
A hozzászólás módosítva: Máj 2, 2021
(#) Jocef válasza rectamas hozzászólására (») Máj 2, 2021 /
 
Köszönöm! Szerintem ugyan ez van az előlapjára is írva...bár nekem így is kínai", hiába/hiba/ volt muszáj tanulni anno. Talán ezzel segít valaki a gép megjavításában.
(#) rectamas válasza Jocef hozzászólására (») Máj 3, 2021 /
 
Nem bonyolult szerkezet, az alektronikája könnyen javítható.
Elöszőr a tápegységet kell megnézni, utána az oszcillátor, osztók, motorvezérlés, ...
Ha nagyon elakadtál napközben rá tudnék nézni.
(#) Jocef válasza rectamas hozzászólására (») Máj 4, 2021 /
 
Üdv! Annyit kiderítettem, hogy a motor jó nem szakadt(2x550 Ohm), feszültség nem megy rá. A szalagra író rész(behúzó relé) is üzemszerűen működik amit a mérőmikrofon vezérel. Kontakt hiba kizárt hiszen csak 1 kapcsoló van rajta és forrasztások is stabilak. Számomra azért bonyolult mert belül minden vezeték kötegelve van és követhetetlen mi hová megy.
?Azt, hogy értetted "rá tudnál nézni"?
Esetleg kérhetem ezen folytassuk> erooskukacgmailpontcom
A hozzászólás módosítva: Máj 5, 2021
Moderátor által szerkesztve
(#) Kera_Will válasza Jocef hozzászólására (») Máj 4, 2021 /
 
Nyílvános fórumokon nem osztunk meg ennyire egyértelműen email címet . szét szedve részben "kódolva" ... mert a spammer cím gyűjtő botok erre vadásznak.
(#) Jocef válasza Kera_Will hozzászólására (») Máj 5, 2021 /
 
Köszi. Utólag tudok módosítani vagy törölni esetleg valahogy?
(#) nedudgi válasza Jocef hozzászólására (») Máj 5, 2021 /
 
Kérj moderációt a hozzászólásra.
(#) Fantasy hozzászólása Máj 31, 2021 /
 
Üdv Mindenkinek!
Orion AT848 Super Nova készülékhez szeretnék kérni segítséget:
A nagyfeszültségű tekercs (malomkerék) meghibásodott benne, (menetzárlatos, repedt), már előttem kiszerelték belőle. A mellékelt képen a baloldali volt benne, a jobb oldali egy új, még nem használt darab. A kérdésem az lenne, hogy a képen látható tekercsvéget hova kell visszaforrasztani a sorkimenőre, melyik lábra? A régin volt egy plusz kivezetés ami a vasmag mellett volt, gondolom az test volt, az újon ez már nincs, enélkül is jó lehet?
(#) Sebi válasza Fantasy hozzászólására (») Máj 31, 2021 /
 
Nem csodálom, hogy gondban vagy...
A rajzon nincs feltüntetve a nagyfesz tekercs: úgy néz ki, mintha a PL500 anódra menne a
DY 86 anódjára

A "malomkerék" megy a 10-es lábra, a másik kivezetésén ott a DY anódsapkája - nem lehet eltéveszteni.
Az árnyékoló lemez hiánya nem gond, nincs rá szükség - ezért hagyták el az újabb gyártmányoknál.
A hozzászólás módosítva: Máj 31, 2021
(#) Fantasy válasza Sebi hozzászólására (») Máj 31, 2021 /
 
Köszi, sajnos az a legrosszabb amikor már jár valaki egy készülékben és félbehagyja, és nem tudni, hogy esetleg mi hova volt kötve. Tehát akkor a vékony vezeték a 10-es lábra megy. Az anódsapka adja magát.
(#) Fantasy válasza Sebi hozzászólására (») Máj 31, 2021 /
 
Kicsit furmányos a rajz is.
(#) Sebi válasza Fantasy hozzászólására (») Jún 1, 2021 /
 
Nem furmányos, rossz. Amúgy a '70-es években született egy döntés az "egységesített sorvégfok" alkalmazásáról, így a VT és Orion csöves végfokok azonosak lettek.

fbt.GIF
    
(#) Fantasy válasza Sebi hozzászólására (») Jún 1, 2021 /
 
Köszi, ez alapján nekiállok.
(#) küzmös Gergely válasza Fantasy hozzászólására (») Jún 6, 2021 /
 
A régin a földelőgyűrű kivezetését láttad szerintem. Azt a későbbiekben már nem használták. Azonban a régi fekete bevezető kanócos, míg az új piros. Ettől még jó is lehet, de a színűk a menetszámokkal van összefüggésben. Ettől függ az előállított nagyfeszültség. Ha kevés akkor terül a kép, és sötét lesz a közepe. Ha pedig sok, akkor átüthet. Amúgy igen, a 10.-es lábat keresed.
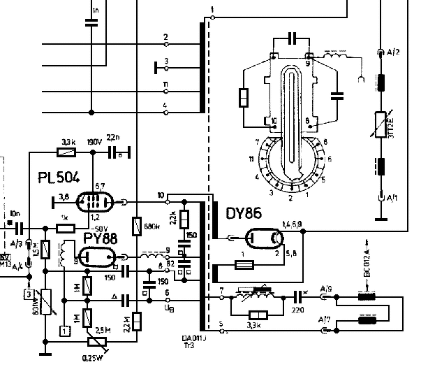
(#) tornadoplus hozzászólása Jún 16, 2021 /
 
Sziasztok!
Van egy Terta T 328 rádióm. Bekapcsolás után erős brummogó zúgást produkál. A hangerő potméterre nem reagál. Kérdezem, hogy mi lehet a hibája. Nem vagyok szakember, alkatrészeket ki tudom cserélni.
A kapcsolási rajzot mellékeltem.
Előre is köszönöm a segítséget.

T328.jpg
    
(#) fecameca válasza tornadoplus hozzászólására (») Jún 16, 2021 /
 
Első körben a 32 + 32 µF elektrolit kondenzátor helyére keresnék egy megbízható példányt. Akár ilyen 50 + 50 µF - os is jó lehet bele. A kora alapján biztos, hogy csavarmenetes, és az is, hogy bakelit szigetelő alátétnek kellett lennie alatta, mert a negatív pólus nincs rajta a fémházon.

Elkók.jpg
    
(#) _BiG_ válasza tornadoplus hozzászólására (») Jún 16, 2021 /
 
Lehet fűtés-katód átvezetés vagy zárlat is a brumm oka a második ECH81-nél, de inkább az EBL-nél.
(#) jani1987 válasza _BiG_ hozzászólására (») Jún 16, 2021 /
 
Vagy ahogy szoktuk. Sorba kihúzni a csöveket és ahol megszűnik ott a baj.
(#) fecameca válasza jani1987 hozzászólására (») Jún 16, 2021 / 2
 
Nem igazán jó ötlet. Ha kihúzza a végcsövet, akkor el fog hallgatni, akkor is, ha az elkó a ludas. Ilyen csavarmenetes elkó nálam sincs már, de hosszú vezetékkel is rá lehet akasztani párhuzamosan a rosszal, vagy azt akár kikötni, próbára. Mindenféle belső zárlattal csak az ECL 86 csöveknél találkoztam, EBL-nél még nem. A két ECH viszont egymással is felcserélhető. Az esetek 90 % -ában az elkó miatt brummos, és azt a legkönnyebb beszerezni, mégha nem is ebben a kivitelben. Aztán, ha mégis az, felhajthat csavarmenetest, ha ragaszkodik az eredetiséghez.
A hozzászólás módosítva: Jún 16, 2021
(#) _BiG_ válasza jani1987 hozzászólására (») Jún 17, 2021 /
 
Az EBL kihúzkodása felugrasztja az anódfeszültséget, mert megszűnik a terhelés, és az esetleg még működő elkók köszönik szépen és elhaláloznak. Nem javasolt.
(#) Fülöp Ferenc 49 hozzászólása Jún 17, 2021 /
 
Van nálam egy régi EMG sugárzás mérő , szivesen odaadnám egy szakinak akit érdekel ,és felélesztené , így kaptam , probáltak az elektronikába buherálni , szerintem az érzékelője érintetlen , a mellékelt kép róla szól. és itt van a részletes PDF róla .
(#) szikorapéter válasza Fülöp Ferenc 49 hozzászólására (») Jún 17, 2021 /
 
Érdekelne, írok.
(#) gkari válasza tornadoplus hozzászólására (») Jún 17, 2021 /
 
Ha van kedved, eljössz hozzám, adok szívesen elkót(privátban írj!), lehet gyenge az egyenirányító cső is. Mérni kellene az anódfeszültségeket.
A hozzászólás módosítva: Jún 17, 2021
(#) jani1987 válasza _BiG_ hozzászólására (») Jún 18, 2021 /
 
Én a sor elején kezdtem és az ECH81 kihúzása után megszűnt a zaj.
(#) fecameca válasza jani1987 hozzászólására (») Jún 18, 2021 /
 
Zaj, vagy brumm, nem egészen ugyanaz. A brumm 90 % -a elkó, 9 % -a fűtés-katód zárlat, a maradék 1% meg az, hogy valami leszakadt. (Hidegítés, test, stb. ilyenek.)
A hozzászólás módosítva: Jún 18, 2021
(#) jani1987 válasza fecameca hozzászólására (») Jún 18, 2021 /
 
Több nanós kondi kibukott a teszteren mivel a glimm folyamatosan világított. Kiforrasztottam és úgy mértem.
(#) Gobe54 válasza Fülöp Ferenc 49 hozzászólására (») Jún 21, 2021 /
 
Ha szikorapéter meggondolná magát .....
(#) szikorapéter válasza Gobe54 hozzászólására (») Jún 21, 2021 /
 
Olyat szerencsére ritkán szoktam.
Ha idekerül kerül fel fotó róla, és a javításáról is készítek leírást.
(#) tornadoplus válasza fecameca hozzászólására (») Jún 22, 2021 /
 
Köszönöm a segítséget. Amint jutok valamire jelentkezem:
(#) tornadoplus válasza gkari hozzászólására (») Jún 22, 2021 /
 
Köszönöm, hamarosan jelentkezem.
Következő: »»   551 / 588
Bejelentkezés

Belépés

Hirdetés
XDT.hu
Az oldalon sütiket használunk a helyes működéshez. Bővebb információt az adatvédelmi szabályzatban olvashatsz. Megértettem