Fórum témák
» Több friss téma |
Fórum » NYÁK-lap készítés kérdések
A témában nincs helye a nem szakmai indíttatású vitáknak, ezért a szabályszegést elkövetők azonnali figyelmeztetés nélküli kitiltásban, vagy némításban részesülnek. Ugyan így járunk el azokkal szemben, akik "blog"-nak nézik a fórumot. Ezt mindenki tartsa szem előtt!
Csak 90 fokkal jobbra kellett volna forgatni.
Ahol lehetett megvastagítottam a sávokat, de mint látni, ugyan az mint a terv. (Amikor a beültetési rajzot mentettem és a dokumentációt, még nem vastagítottam meg.) Tehát ha az nem tetszik valakinek hogy ahol lehet meg van vastagítva, na az szándékos, és nem hiba. Nyilván kétoldalas panelra kisebbet lehetne tervezni, de ennek a másik fele teliföldes,(ennek a próbának persze nem, a próbák mögé árnyékoló lemezt szoktam tenni ideiglenesen, hogy kimérhessem mennyire kell az oda) és nem ér annyit hogy vacakoljak két oldallal, de az éleseknek teliföldes. Meg ha nem 1206 alkatrészekbôl épíkezek, de itt abból. Persze lehet 1cm panelt csinálni, meg bármekkorát, de a másik irányban meg 9cm? És a vonalvastagság bizonyára nem ugyanaz egy full digitális elektronikánál, nálam sem. De ez itt egy kisfrekvenciás mérômûszer része lett, nincsenek megahertzek. Majd én is túrok szebbet magamtól, hihetetlen hogy, á. Nem is értem az összehasonlítást, nem a kapcsolást, nem a panelt, nem a tervet, hanem a szájbatekert festéket fotóztam, mintának. Utána még én magyarázzam meg hogy én terveztem? Ilyen TQFP adaptert én is csináltam, nem itt bukik el a vasalásos technika, hanem amikor már nem együtt futnak a vonalak, de ezt is írtam már. A hozzászólás módosítva: Szept 28, 2015
Értem ne kapd fel a vizet .Szóval azt írod , hogy ott bukik a dolog , hogy nem együtt futnak a vonalak kicsit bővebben ha lehet .Vagy ha tudsz esetleg példát mutatni , hogy mire is gondolsz pontosan , akkor többet tudnánk a dologról. De csak ha nem gond, mert a ha most nem érsz rá , akkor hagyjuk.
Utoljára: Régebben, 1986 tájékán kézzel rajzoltam, 2000 körül levilágíttattam. Itthon 2010 tájékán lézernyomtatóval csináltam - a fóliával nem volt bajom soha, mert a testvérem (Isten nyugosztalja) abban az időben minden komolyabb céggel jó viszonyban volt, akik csak gyártottak fóliákat. Nekem Renker saphir fóliáim vannak. Soha nem nyúltak számottevő mértékben. Készítettem vasalásos módszerrel is papírra, műnyomóra. Most cnc-vel csinálom, mert ez van kéznél, ha kétoldalas furatgalvános kell, akkor gyártatom. Ráhagyom a dtp-t is másra, a levilágítást és a filmkészítést is, mert aki csak ezzel foglalkozik jobban ért hozzá mint én, mert minden nap ezt csinálja. Ettől nem felejtettem semmit, csak kevesebb lett az időm - többek között azért, mert érdemi hozzászólások helyett veled vitázom olyanról, aminek semmi értelme. Az egyikünk almáról beszél a másikunk körtéről, pedig mindkét befőtt finom és ehető, de egyik sem jobb vagy rosszabb. Vagy kezdjünk el vitázni arról, hogy a cnc-vel készített panelek mennyivel gyorsabban és pontosabban elkészíthetőek és alkalmasak arra, hogy áramköröket építsünk? - Szerintem zero értelme van ennek a vitának. Engem már régóta nem vonz a ki tudja jobban? Vagy ki emlékszik jobban? -feladvány. Öreg vagyok én már ehhez. Eredményorientálttá váltam. Addig érdekel egy folyamat, amíg megoldom vele a problémáimat. Nem akarok mindent tudóvá válni. Árt az egészségemnek.
A hozzászólás módosítva: Szept 28, 2015
Idézet: .„Eredményorientálttá váltam” Erről beszéltem pont , aki már elérte nem adja lejjebb, de ez így van jól , mert mindig látunk szebbnél szebb dolgokat.
Elnézést, nem ide akartam.
A hozzászólás módosítva: Szept 28, 2015
Az biztos jó márka mert ha nem hallottunk róla akkor elég ipari lehet, biztos bemegy a boltba az illető, és ilyet adnak neki. Nekem nem sikerült két egyforma fóliát csinálnom a xeroxos lézeressel, és többen is mondták, hogy nem lehet egy fóliára két réteget rátenni, mert a másik ha nem pont ugyan azon a helyen kezdődik a fólián(mondjuk jobb felső sarok) akkor már lesz egy torzítása a rajzolatnak, és itt 10-16 miles vonalakról beszélgetünk, ami egy 10 centi széles nyákon tizedmilimétereket jelent, és annyit sem torzíthat a második fólia, mert hiába stimmel az egyik felén, ha a 10. centi végén már csak 5-8 mil eltérés van már használhatatlan. Ez akkor kapásból két fólia, vagy egy fólia kettévágása, és valami kevésbé hőérzékeny celuxxal egy papírlapra ragasztása a megoldás, miközben persze a fóliát nem fogdoshatod meg, mert ahol zsíros ott már nem tapad a festék. Persze vasalásnál ez nem annyira feltűnő mert 10 centi hosszú 10-15 mil lábtávolságú alkatrészek nincsenek, és ott csak egy réteg van.
Nem tudok mást mondani, ezzel kínlódni évi 2-3 nyáknál felesleges. Itt áll a fiókban van 80 darab xerox fólia, az életben többé elő nem veszem hacsak a gyereknek nem lesz kedve alkoholos filccel rajzolgatni rá. Én megvettem, ilyet adnak a boltban, te meg iparit kaptál a testvéredtől, és azzal sem tudsz teljesen fedett rajzolatot csinálni.
A nyomtató típust mond már légyszi, mert nagyon kíváncsi vagyok mivel lehet felcsavarni a toner mennyiségét, mert én a mai driverekben ilyet nem találtam még, és lehet hogy csak ennyi a gond.
Ha esetleg HP-d van, azokhoz már univerzális driver van, abban meg semmit sem lehet állítani, hacsak nem szeded le a hozzá való plussz progit.
Valami config átíró progi lesz (ha jól emlékszem ez: HP Printer Administrator Resource Kit)
A Samsungnál lehet állítani a fedettséget és nem mondtam soha, hogy az enyém nem fed. Az utángyártott tonerek okozhatnak ilyet, a gyári - nem. De ez nem a technológia hibája, hanem azé, hogy csórók vagyunk
A tiédnél lehet a gépen is állítani a képen láthatod , vagy ha van olyan szoftvered hozzá , akkor abban is lehet .Viszont a te gépednél van más hiba is .Szét kellene szedned a lézer egységet , illetve annak is csak a felső burkolatát , vagy ha ki lehet venni az egységet az még jobb lenne .Ezt úgy is tudod , vagy látod majd .
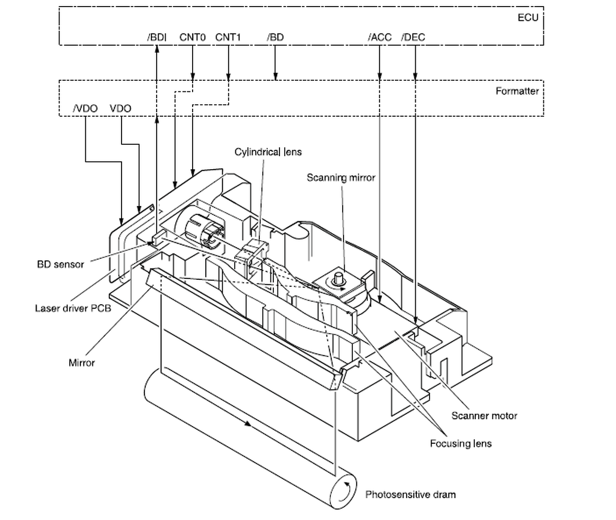
A képen be jelöltem neked , hogy mi a lényeg .Ezeket kellene megtisztítani .Magát a lézer dióda lencséjét óvatosan vatta jó lesz hozzá az a fűltisztítós az tökéletes.Akkor a motoron lévő tükrös forgó egységet , akkor a továbbító tükröket , ami a focus lens névre hallgat , és majd a Reflecting mirrort .Amíg ezeket nem takarítod meg , addig ne várj javulást.A halvány nyomtatás minőségért ezek nagyot ott vannak , hogy nem lesz megfelelő a kapott végeredmény.Ezek a tükrök általában , vagy az idő miatt porosak lesznek , vagy a nyomtatás során itt , ott beszivárgó toner por miatt elkoszolódnak , és romlik a nyomtatás minősége.Halványodik , illetve itt ott hibás nyomtatást eredményez a koszolódás mértékétől függően. Ha szét tudod majd szedni , akkor már most borítékolom neked , hogy a tükrök homályosak lesznek a por miatt , ezeket szépen megtisztítod , és csinálsz majd egy próba nyomtatást meg fogsz lepődni , hogy milyen volt , és milyen lett .Ezeket muszáj megtisztítanod ezek nagyon felelős dolgok a jó nyomtatásért. Ja , ha arra a nyomtató típusra vagy kíváncsi amivel nyomtattam a fóliára , mert van nem egy fajta egyébként annak a típusa TallyGenicom 8008 Color Laser. A hozzászólás módosítva: Szept 29, 2015
HP-nál mi az hogy nem lehet állítani?
Itt lehet:
Nekem ez sem tetszik.
![]() Egyes lábakhoz szögben és nem egyenesen csatlakoznak a vezetősávok, 45°-tól eltérő vonalvezetések még ott is ahol lehetne... Én még nem terveztem olyan nyákot amin 90°-tól vagy 45°-tól eltérő vezetősávok lennének rajta, mert valamiért bántja a szememet az ettől eltérő vezetősávok. Nálam ha nincs hely a pad-eknél a 45°-->egyenes-->pad kialakításra akkor 90°-ban zárom a szöget. Mellékeltem egy képet a "hibákról" amik nekem nem tetszenek benne.![]() KBal76: Szerintem nem kellett volna megvastagítanod, az csúnyította el. Az a baj, hogy úgy vastagítottad meg, hogy az egyenesből görbe meg púpos egyenes lett. Meg vannak a smd pad-eknél vezetősáv túlnyúlások is ami szintén nem szép, de a vezetősávok közötti távolságot is csökkenti néhol. Milyen programmal tervezted?De ezeket csak jó tanácsnak szántam, nem kell úgy felfújni a dolgot.
Proteusban. Nos engem az jobban érdekel hogy a hibáknak esélyt se adjak (azért vastag mert elfér, és jobban bírja ha egy alkatrészt lecserélek), mint hogy mi van az alkatrész lába alatt. Nem átlátszó plexidobozba tettem, felőlem mehet csigavonalban, ha az célszerűbb. Pl. itt ennél a konkrét példánál rögtön a mikrofon bemeneténél van egy tranzisztor, ahhoz pedig a panel túlsó végétől jön a vezetősáv. sokkal szebb is lehetne, viszont a mV jelszintet nem próbálom áthúzni a panel másik végére, meg vissza, mert nem kisrádiónak szántam. (..hanem egy akkusztikus távmérô-mûszer elôfokának, aminél a leglényegesebb, hogy a statikus háttérzajokat (közlekedés, fák-levelek szélzaja, stb) egy adott szint alatt tarthassam (AGC) de a hirtelen mérô-impulzusokat egy adott frekvenciatartományban áteressze.)
Számomra nincs jelentôsége hogy egy pad-hez, vagy forrszemhez hány fokos szögben érkezik a vezetôsáv, ameddig nem GHz tartományú patch antennát, vagy microstrip mixert tervezek.
De ez szerintem nem az alap driver része. Külön segédprogi kell, de van-e Win10 64bit alá?
Na azt hiszem én is szétkapom a HP-mat. Az is elég ramatyul nyomtat.
gulasoft: Ami a xeroxot illeti egyetértek, otthoni használatra tényleg ramaty, nyúlik meg minden, de ez a nyomtató hibája, mert ugyanakkor, ha beviszem a nyomdába (az sem mindegy melyikbe, de a nagyobbak jók) ott olyan képet nyomnak rá, hogy csak nézek. Mind a tinta sűrűségében, mind 2 lap átfedésében (még A3 esetében is) tökéletes. Igaz azok nem gagyi HP-k hanem minőségi Konica Minolta gépek. Ergo, a xerox nem jó otthoni felhasználásra, csak mint ahogy írtad a gyerekeknek rajzolni. Ettől én még használom, főleg kisebb panelok és tesztre készült dolgoknál.
Nem tudom a tiéd milyen típus , de ha kell segítség ne sajnáld a billentyűzeted .
A Hp1100-am nekem is van, de az XP után semmire nem tudom telepíteni. Ezért kellett új nyomtatót vennem, pedig semmi a baja a réginek.
Nem is kell xp után telepíteni , viszont van vp módba való futtatás miért nem úgy használod akkor ? És nem kell új nyomi.
Win7 alatt nekem alapból megy, semmi telepítés nélkül a HP1100-om. Bedugtam, Win7 közölte hogy talált egy új nyomtatót, örülés.
Annyit elfelejtettem még hozzá tenni , hogy semmilyen vegyszeres dolgot ne használj nehogy kárt tegyen a lencsékben .
Igen, de ez a saját progija HP1320-hoz nincs ilyen.
De ha neked megvan hozzá, kérlek küldd el emailbe. Az Universal Printer Manager progi ami WIN7 alatt elérhető az nem ad semmilyen felületet, csak az lesz amit a Windows alapból ad...
Nekem az 1200-as még win8 alatt is megy HP universal driverrel. Szerintem az 1100-ast is tudná kezelni.
Akkor itt lesz egy ki segítség hozzá.A többit leírtam fentebb Gulasoftnál.
A hozzászólás módosítva: Szept 29, 2015
Sziasztok!
Szerintetek jó a nyák tisztítására az ultrahangos tisztító? Van valakinek tapasztalata, evvel kapcsolatban?
Szia!
Van egy ismerősöm aki mobilokat javít. Ők használják az ultrahangos mosót. Simán beledobja a teló panelját és van, hogy attól javul meg. |
Bejelentkezés
Hirdetés |









Nálam ha nincs hely a pad-eknél a 45°-->egyenes-->pad kialakításra akkor 90°-ban zárom a szöget. Mellékeltem egy képet a "hibákról" amik nekem nem tetszenek benne.



