Fórum témák
» Több friss téma |
Fórum » NYÁK terv ellenőrzése
Szia! Nem, Közös a tápegység. De közbe kísérleteztem és egy másik erősítővel teljesen jól működik, közös táppal. Az erősítő amihez akarom egy TDA1518BQ hídkapcsolásban. Tehát a közös táp a baj?
A táp egy nagy áramerősséget elbíró feszültség szabályzós táp, szűrő kondikkal a végén. Ez elegendő neki?
Tehetnél elé egy 9V-os feszültségszabályzót, az adatlapon jelölt kondenzátorokról nem megfeledkezve.
Másik táppal jól működik! A 9V-os fesz.szab.-ot hogy gondoltad? És esetleg milyen lehetőség van még, mert 1 tápról szeretném üzemeltetni mindenképp.?
Mint a kolléga kifejtette, a táp minden rezdülés behallatszik a jelbe, a végfok terhelése simán vissza tud hatni a szűrőre. Megpróbálhatsz R66-tal párhuzamos 1-10µF kondenzátort.
Akár ezzel együtt is közvetlen a szűrő elé beiktatnék egy stab. IC-t. A 12V és 9V különbségéből még el tud lavírozni.
Nagyon szépen köszönöm a segítségeket!
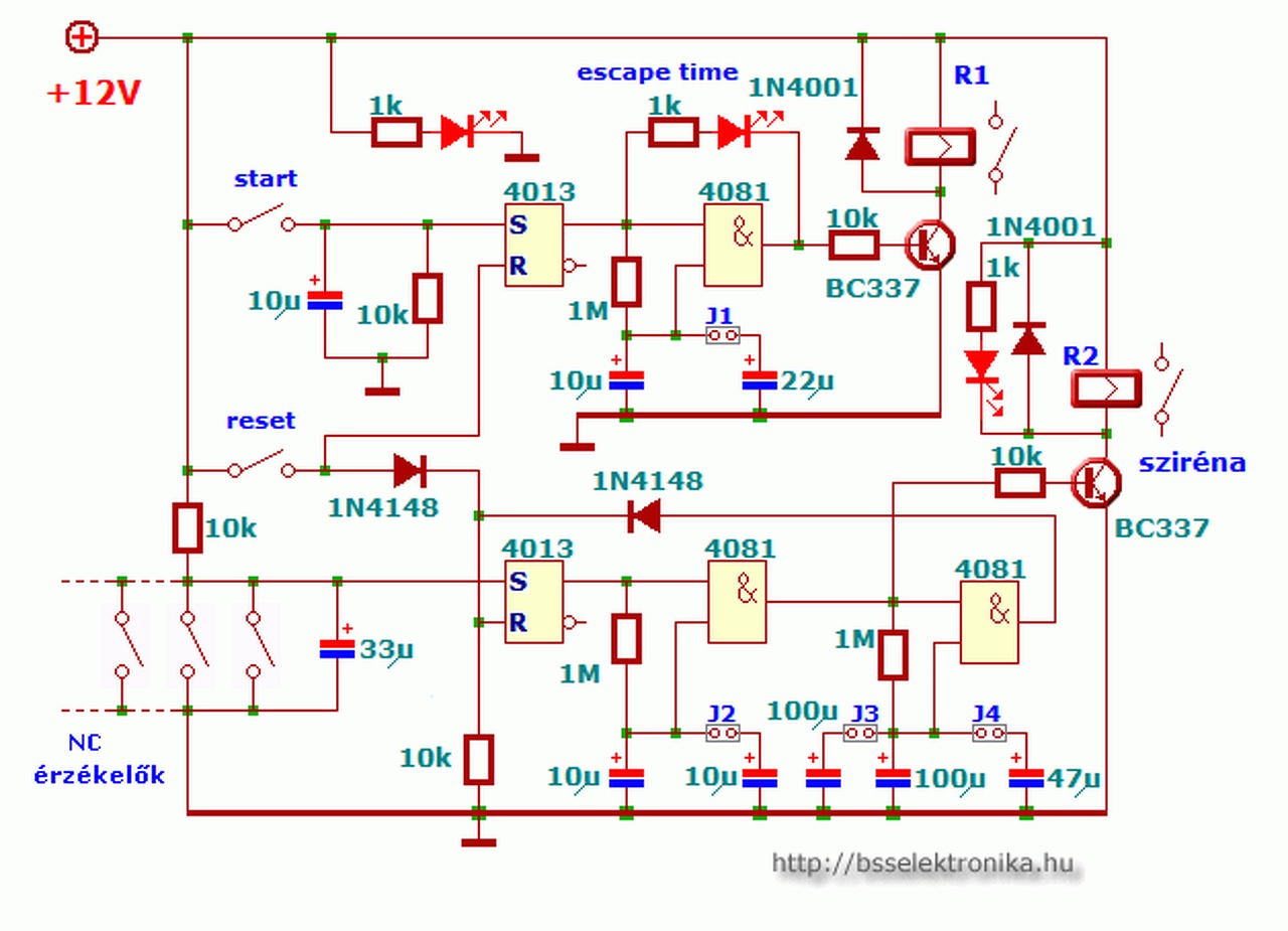
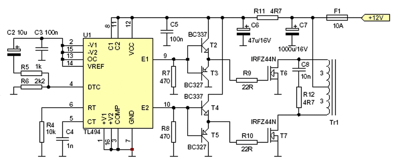
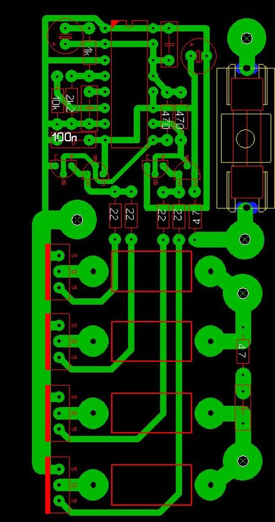
Sziasztok! Mellékelek egy kis inverter kapcsolási rajzot, a nyáktervel együtt. Én a rajzhoz képest annyit változtattam hogy 2 pár fetet tettem bele. Tudom egy két helyt bekell futtatni ónnal, és még annyi, tudom hiányzik a 4700µF-os kondi. A fetek drainje párhuzamosan van kötve, ami menne majd a trafóra.
Üdv!
Megépítettem egy régi muff féle torzítópedált, a nyákrajzot többször átnéztem már, de nem találok benn hibát, mégsem működik megfelelően. Szerintem valamit elnézhetek ellenőrzéskor, valaki tudna segíteni azzal hogy ránéz hogy jó-e a nyákterv? Köszönöm előre is.
Sziasztok!
Valaki megtudná mondani hogy ez a kapcsolás működik-e? És esetleg valaki megtudná nekem tervezni a nyáktervet ?
Ez így jó?
A hozzászólás módosítva: Júl 30, 2014
Ha szerencséd van akár még működhet is , de látszik rajta hogy te nem sok időt töltöttél a tervezéssel , a "sas" felhányta az alkatrészeket és ráugrasztottad az autoroutert. Inkább gondold át az elhelyezést és nyugodtan tervezd át kézivezérléssel..
Szia!
kicsit megkésve, de remélem nem túl későn... Szerintem a fetek Source lábát kellene fix gnd-re kötni és az ellenállást a Drainre tenni a trafó elé, de lehet hogy én tudom rosszul. Mellékletben mutatom hogy gondoltam, egy jobban hozzáértő meg remélem igazol.
Szia!
Amit 1 hónappal ezelőtt terveztettél velünk az miért nem volt jó? Arra csak 3 alkatrészt kellett volna rátenned ,és tökéletes lett volna...
Igen értem mit mondasz. Valamiért nekem úgy jött hogy a sourcéba tegyem, mert maga a kapcsolási rajzon nincs is olyan ugyebár mert csak egy párral van. Sokkal egyszerübb a vezetősávok útjai is. Szerintem megpróbálom egy az egyben lemásolni a képről, mert ez nagyon jó.(esetleg feltennéd .lay formátumban is?) Egyébként ezt is köszönöm szépen hogy időt szakitottál rá.
Már be is másoltam. Annyi hogy gondolkodom, hogy a biztosítékot kifogom vezetni, vagy nemtudom még mert 10 amper az nekem édeskevés lesz, emiatt lett megduplázva a végfetek száma is. Legalabb 30A fog kelleni, ha minden igaz. Szűkön a 2 pár is elbírta volna, de nem akartam csúcson járatni. Már a kérdés az hogy hány ohmos legyenek az 5W ellenállások, 0.22 vagy 0.33-on gondolkodom.
Szia! Kapcsoló üzemben a MOSFET-eket drain és source ellenállás nélkül párhuzamosítjuk.
Szia! Ma is tanultam valamit, ami életre szól. Ezt mélyik témában tudnánk kicsit bővebben kibeszélni? Nyákterven már nem változtatok, szépen átkötöm 1-2-es dróttal.
A hozzászólás módosítva: Júl 31, 2014
Íme a témája. Nekem még nem sikerült elfogadhatóan működő tápot készítenem, de a kollégák biztos segíteni fognak.
Üdv!
Valaki meg tudná nézni, hogy jó-e a nyáktervem? Köszi előre is!
Szia!
Az átkötéseket miért nem másik rétegre tetted? Így mind zárlat.. A Tervezésnél meg én a potikkal kezdeném, és utána tenném le a többi alkatrészt és akkor ez a keresztbe kötések megszűnnének.
Potikat azért így raktam be, mert így felfogják a nyákot a pedálházhoz és így nem kell külön csavarozgatnom, az átkötések pedig légkötéssel vannak megoldva így nincs zárlat sem.
Másrészt, azért van ennyi légkötés mert ha valamelyik potinak nem tetszik az "iránya" tehát mondjuk az óra járásával megfelelő irányban nem hangosodik hanem halkul akkor keresztbe kötöm és már jó is.
Sziasztok!
Adott a képen látható nyák terv de olyan problémám lenne hogy olyan ic-t csak smd-be tudok beszerezni. De sprint layout-ba nem találom az icnek a méretét esetleg tudna nekem valaki segíteni hogy tudom beletenni? Esetleg meg tervezi nekem kompletten?
A kép lemaradt szerkeszteni meg már nem tudom.
Sziasztok!
Tudna nekem segíteni valaki ennek a kapcsolásnak a megépítésében? Bővebben: Link Már megvettem hozzá minden alkatrészt, csak nem tudom megcsinálni a nyáktervet olyanra amit ha kinyomtatok akkor azt feltudom vasalni a NYÁK-lemezre (10x7,5cm) Ha az megvan onnantól kezdve már menne a beforrasztás, kimaratás Köszönöm előre is! A hozzászólás módosítva: Aug 8, 2014
Szia
Ez igy nagyon hiányos. Ellenállás mekkora 3...4....5...6 raszteros? Kondenzátor álló, fekvő, hány raszteros? Potmétert melyiket vállastottad? Ha valaki megcsinálja, jön a kérés, hogy javítani kell, mert rövid / hosszú nem olyat vettem, stb., stb. De ahogy elnézem, ha a potmétert felfogattad akkor rövid, lábakkal mindent rá lehet építeni, nyák nélkül. Mivel passziv egyébként se lesz, egy nagy durranás. ( nem lesz akkora kiemelés/ vágás, mint gondolod) Fogj egy kockás papirlapot és rajzolgass (ha ceruzával teszed radirozni is tudod a elrontott vonalakat) Egy kocka 2 raszter ( 2IC láb távolság) Alkatrész lábak ~1raszter legyen a vonalak minimum 1/4raszter, a nem kapcsolódó vonal alkatrész lábak minimum 1/6raszter távolságra legen, több lehet, de kevesebb ne. üdv. A hozzászólás módosítva: Aug 8, 2014
Kedves fórumtársak!
Megtenné valaki, hogy vet egy pillantást az általam átrajzolt nyákra. Esetleg kimaradt e valami vagy rossz helyre tettem. Lay formátumban az ellenőrizendő a képeken pedig az originál. A hozzászólás módosítva: Szept 15, 2014
Hello
Megint itt vagyok !Remélem most is segitetek mert megkérlek benneteket rá! Most egy jelzölámpát szeretnék késziteni! Megis terveztem csak nem biztos, hogy jol szoval segitséget kérek! Vagy tudtok valami egyszerübb kapcsolást???
Hello! Én a tápban látok hibát, és az R18 hiányát.
Hello! Nézd át, mert a kék vonalak nem keresztezhetik egymást! (Pld. NE555 3 és 4-es lábnál )
A zöldek néhol összeérnek. Hogy lett a 4017-nek 18 lába? Annak csak 16 van! Diódás mátrix sem jó néhol írd össze a lábakat. (Pld. A-piros: 3-2-4-7-10) És eztán ellenőrizd mind meg van-e. A hozzászólás módosítva: Szept 20, 2014
|
Bejelentkezés
Hirdetés |
















!







