Fórum témák
» Több friss téma |
Fórum » NYÁK terv ellenőrzése
Én nem T elágazásokat csinálnék, hanem lábtól lábig vinném a vezetőket, így a kondik jobban érvényesülnének.
Nem készítettem még nyák-tervet, ezért is hibázok ennyit, pl hogyan érted a lábtól-lábig, akkor is kell elágazás az ellenállástól a 2db kondiig, vagy nem ?
Az ellenállások nem lényegesek azok csak akkor kellenek amikor kikapcsolod és ezek sütik ki a kondikat.
Köszi a fotót, így már értem, és alkalmazom. Ezeket javítva, mehet gyártásra?
Valaki tud oldalt linkelni ahol már gyártatott nyákot? Tudom, én is találtam a neten több oldalt, de olyat szeretnék ahol már valaki gyártatott, és van tapasztalata vele.
Szia! Az ellenállások feszültségosztók, hogy a soros elkók hasonló feszültségre töltődjenek.
Sziasztok!
Leszeretném gyártatni az elkészült nyákot, találtam is gyártót. Viszont nem tudom pontosan mit kell bejelölni az olyan kérdéseknél mint: -Lötstop rétegek száma: 0 réteg 1 réteg 2 réteg -Szita rétegek száma: 0 réteg 1 réteg 2 réteg
Szia!
Lötstop az a zöld, kék, piros vagy bármilyen színű védőréteg, ha 0 akkor nem kell ha 1 akkor 1 oldalra kell ha 2 akkor 2 oldalra kell, szita meg az alkatrész kontúr, alkatrész számozás szokott lenni, és itt is a 0 kell 1 egy oldalra kell 2 2 oldalra kell. Itt max én az alsó rétegre kérnék lötstoppot a felsőre szitát.
Lenne még egy kérdésem a hozzáértőkhöz a nyáktervvel kapcsolatban. Sprint layoutban készítem a panel kapcsolási rajzát, és ellenőrzéskor kiírja hogy a szita vonal túl keskeny. Ezen hogyan tudnék állítani, és mekkorának kellene hogy legyen a szitavonal?
Sprint Layoutban kapcsolási rajz? Ebben nyákot terveznek, nem kapcsolási rajzot! Vagy valamit nem tudtam eddig?
Sikerült rájönnöm hogyan kell beállítani. Tudom hogy nyákot terveznek, köszi.
Fogd meg a söröm!
Le akartam tölteni de kártevőt észlel a gép. Ez valós lehet?
Nem tudom mert most letöltöttem próbaképpen, nekem a linux nem szólt hozzá semmi sem, kipróbálom win 10-el addig ne töltsd le
A hozzászólás módosítva: Okt 20, 2019
A SprintLayout kapcsolási rajzok készítésére csak jelentős korlátozásokkal használható. Az elemek makrókként fefiniálhatóak, és mivel szabadon lehet vonalakat huzigálni a programmal, ezért össze is lehet kötni őket.
De ezek a kötések csak látványként jelennek meg, semmilyen egyéb "opciót" nem kapunk hozzá. Talán úgy jellemezném hogy alkalmas lehet egy látványában kapcsolási rajznak tűnő rajzolat elkészítésére, de csak mintha egy mm-papíron rajzolnánk azt (egyébként panelszerkesztőként is hasonló, de ott vannak specifikus lehetőségek, hiszen ahhoz van kitalálva). A családnak van egyébként kimondottan kapcsolási rajz készítő programja is. Ez az.
Van ingyenes is Bővebben: Link
A hozzászólás módosítva: Okt 20, 2019
Idézet: „Sprint layoutban készítem a panel kapcsolási rajzát, és ellenőrzéskor kiírja hogy a szita vonal túl keskeny.” Szita vonal keskeny! mihez képest?
kíváncsi voltam, megnéztem a makró tartalmát. User mappa tulajdonképpen a nyáktervezéshez kell, a többi magánvéleményem szerint gagyi a kapcsolási rajz tervezéséhez.
01 mappa, de van amit küldtem Alkotónak linket. Persze az is csak rajzolóprogram, vagy 200 oldalt rajzoltam vele, hiba nélkül. Nem Tina! Csak rajz. A kérdést feltevő is csak rajzoló programot szeretett volna. Semmi egyebet, csak annyit hogy ne kockás papíron legyen, hanem dokumentálható.Bővebben: Link
A hozzászólás módosítva: Okt 20, 2019
Ok, semmi gond, megértettem, ... kötözködni mindig lehet, pl. a kockás papíron, ami igazából négyzetrácsos
Bővebben: Link
Csak próbáld ki. Több évet dolgoztam vele, és nagyon jó. Ja! Ingyenes!
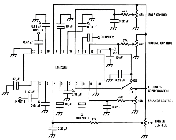
LM1036N sztereo hangszínszabályzóhoz és egy az oldalon található mély hangszóróhoz alul áteresztő szűrőhöz kellene nekem kettős tápegységet készítenem.
Edott egy trafó, paraméterek a következők: Input: AC 230V 50Hz Output: 12Vx2 200mA Az LM1036N számára stabilizálni kellene a feszültséget erre van egy L7812CV feszültségszabályozóm 12V/1,5A. A alul áteresztő szűrőnek is stabilizálni kellene a feszültséget (LM317T van már csak), és hogy tudom megoldani a kettős tápot (+ 12V, GND, -12V) 3 variációt is láttam erre. Az L7812CV-hez van valami használható rajz ? A szűrőt teszteltem számítógép kapcsolóüzemű tápról tökéletesen működött nem volt zúgá, viszont a hangszínszabályzó kicsit zúgott róla ezért szeretnék neki hagyományos tápból külön tápegységet készíteni. A hozzászólás módosítva: Okt 28, 2019
Ez a topic a "nyák terv ellenőrzése" címszó alatt fut! mit is kellene ellenőrizni?
Úgy gondoltam itt a NYÁK-tervedet néznék meg mielőtt legyártanád.
A tápegységedhez készítettem egy kapcsolási rajzot.
Mellékeltem a hangszínszabályozó és a szűrő kapcsolását, amit már megépítettem. A stabilizált táphoz nem tervezek nyáköt, összerakom próbanyákon.
A táp rajzán a test feliratú vezetősáv a gyakorlatban a lehető legrövidebb legyen! Ideális esetben nulla hosszúságú, azaz csak egy pont.
Sziasztok!
A GU50-erősítő nyáktervét próbálom elkészíteni. Valaki hozzáértő ránézne hogy jó e? A csövek mérete az nem 100%-osan méretarányos, de ez nem gond, mivel nem nyákba lesz ültetve a foglalat, hanem vezetékelve.
Szia!
Ez a terv pont olyan mint a kapcsolási rajz. Azért lenne pár kérdésem.. C2 testje miért megy át a cső lábai alatt amikor ott van R5 mellett a test ami megy a c3-hoz is? Jobb oldali cső alatt mi az a gubanc? Miért nem kötötted össze a 3-ast a 6-ossal? Bemenet felett mi az a krixkrax? Csinosítsd már meg egy kicsit Mellesleg a nyák tervnek nem kell ám olyannak lenni mint a kapcsolási rajznak.. Mutatok egy másféle elrendezést..
Szia!
Azért teszem fel itt a kérdéseimet, mert nem csináltam még ilyet, és az itteni emberkék nálam jóval ügyesebbek e téren. Átküldhetnéd, vagy ide feltehetnéd az általad elrendezett, javított lay-ot, hogy megtudjam nézni, mit miért, hogyan kell elrendezni. Köszi. |
Bejelentkezés
Hirdetés |



















