Fórum témák
» Több friss téma |
Fórum » Orion hs 280 - 282
Témaindító: rolandosss21, idő: Okt 23, 2007
Témakörök:
Igy mar enis
Sziasztok!
HS 280-asomban immár másodszor "száll el" a magassugárzó. Annyira felmelegedett, hogy a papír csévetest is átégett. Ez típushiba, vagy az enyémmel van valami baj? Azért kérdezem, mert nem az itt közölt váltók vannak benne. 8Ohm-os, de nem 22µF van a méllyel párhuzamosan, hanem 47u. Nem elcserélés, sufni tuning, mert a nyák-ra rá van festve az érték! (minden más alkatrészérték is szerepel, azok egyeznek a rajzon láthatóval) Lehet ez az oka a visszatérő hibának? szeretnék hozzá vásárolni pillét. Ha nincs már, akkor mivel érdemes helyettesíteni? Olvastam fórumokon, hogy SAL dft12-vel lehet. Valóban jó helyette? Köszi Gy.
A nyák-lapra sokminden lehet írva, az még nem biztosíték, ha a magas előtti szűrő is 10u × 0,1mH akkor tényleg 4 ohmos a váltó, és elvileg ez is lehet a magashangszóró égetés oka, mert keresztezés könyékén leesik az impedancia 1-2 ohmos értékre, és ezen a ponton sokkal több teljesítményt vesz fel a hangsugárzó, valószínűleg az erősítő sem tud mit kezdeni a dologgal.
Ha a váltó és a magashangszóró mégis 8 ohmos, akkor valami más probléma lehet, pl. könnyen elképzelhető, hogy túl alacsony az erősítő kimenőteljesítménye, torzításba vezérled, és a négyszögesedő jelek fűtik fölöslegesen a lengőcsévét, esetleg van magastartományban egy gerjedés, ami már nem hallható, de azért mégis megöli a dómot, persze akár az is lehet, hogy nem jól javították meg a hangszórót. A DTF-12 leginkább semminek a helyére nem jó, addig jó, míg nem kerül hangsugárzó közelébe. Az eredeti hangszóró elég más stílus, ha nagyon szükség van rá, megjavítható.
Hangszórók 8Ohmosak, a váltó összes többi alkatrésze-bekötése is a 8ohmos rajznak megfelelő.
Tudsz a javításban segíteni? Mennyibe kerül?
Megfelelő lengőcsévét adok ingyen is szívességből mondjuk.
![]() Javítani 800-1000 pénz körül szokás az ilyet.
Sajátkezű cserére nem vállalkoznék...
Vállalod, vagy ismersz valakit aki megcsinálja? Köszi Gy.
A lengőcséve lenne a "pille"? Melyet tegnap kiemeltem? Bocs, ha hülye a kérdés...
Ez a lengőcséve, amit csatoltam. Itt épp alu csévetesten, ha a terhelhetőséggel van gond, ez pl. segíthet valamennyit.
A pille az a membrán+cséve+műanyag keret (vagyis pápaszem, a Videotonos szóhasználattal) együtt. Megcsinálom, ha úgy gondolod, de inkább privátban részletezzük.
Sziasztok, sikerült hozzájutnom nagyon jó áron 2db tökéletes állapotú HS 282-es hangfalhoz. (Tényleg olyanok, mintha most jöttek volna ki a gyárból.) Van valakinek ilyen hangfala? Mi róla a véleménye?
Tegyél bele egy normális hangváltót, és cseréld ki benne az összes hangszórót valami jobb típusra és ezek után rádöbbensz, hogy a doboz még tűzifának sem való. Ennyit dióhéjban...
Én egy ilyet használok jobb híján. Elájulva nem vagyok tőle, de a múltkor egy műszaki áruházban láttam egy mozisarkot hatalmas TV-vel és hangrendszerrel. Nos, az a méregdrága cucc ott sokkal szarabbul szólt!
Én még arra lennék kíváncsi, hogy mondjuk olyan 30ezer forintos értékhatárig melyik a legjobb ár/érték arányú doboz? Ami a címben szereplő hangfal helyére léphetne. Használtan, persze...
VT Preludium B31 vagy Heybrook HB1. A heybrook jobb, de azért általában többet is szoktak kérni picit.
Nézz körül az ebay-en! Keress rá az Isophon márkanévre. Ezek elég jól muzsikálnak! Néha meg lehet őket csípni egészen barátságos áron! (Jópár ReVox dobozban is Isophon hanszórókészlet muzsikál)
Az a baj, hogy a hangszórók önmagukban nem sokat jelentenek. Ettől még elszúrható a doboz, vagy a váltó (ahogy a Prelu előtti összes magyar hangsugárzónál).
Vagy B32, mert az meg mindkettőnél jobb, de harmincezernél többet egyik sem ér. Ha a szemed előtt gyártanák, akkor sem.
A kétes javításokkal meg (amikor kínai habszél kerül a hangszóróra) vigyázni kell.
No-no. Üljünk be az idögépbe, Irány 1970-80. VT hangsugárzók Angliában, igaz olcsóbban, mint a KEF vagy társai, de ott sem volt mindenki botfülű..
Hát az 1970-80 intervallumtól korábban kezdődött a dolog, mert a Minimaxot exportálták legalább 20 évig a fehérváriak.
Az ugye kétutas hangsugárzó volt (D132), nehezebb elszúrni a váltóját. Ennek ellenére sok ponton sikerült rontani. Volt neki szép mélyhiányossága, középtartományban kiemelések, váltási hibák, illetve már a hangszórókészletnél probléma volt, amikor a 130mm-es mélyközép mellé teljesen indokolatlanul került be egy 100mm-es középhangszóró, a felső oktávban megszűnő átvitellel. Gyakorlatilag a HC13 szélessávú is jobb volt tőle.
A B32 mindkettőnél rosszabb. Főleg még ha a 26os magas van benne.
Egy nem hozzávaló magashangszóróval biztosan. De a kényszerű változtatás csak elenyésző részét érinti a B32-es preludiumoknak.
Ettől eltekintve ez az egyetlen hangsugárzó, amiben helyesen kezelték a sokak által használt hangszórókészlet (M21WG0908 és D25TG0506) hibáit. A B31-nél kifejezetten rossz irányba indultak el a másod, és harmadrendű túlbonyolított szűrőkkel, a HB1 100Hz alatt halott a tankönyvi váltó miatt, az alkatrészek kritikán aluliak, a második verzió hozzá nem értő módon, induktivitással lekaszált felső oktávjáról, és az ennek ellenére megmaradt zavaró 11k-s rezonanciáról már nem is beszélve.
Lehet tervezték eleget, mégis rosszabb lett mint az előd.
Ez biztosan nem igaz. Nagyságrendekkel jobb, akár a HB1-hez akár a B31-hez képest. Az előbb leírtam a pontos indokokat.
Még jobban sikerült megfojtani mint a B31-et. (A Heybrookhoz képest)
Ha megszoksz egy hibás hangképet, akkor érthető, hogy ragaszkodsz hozzá. De attól, hogy szereted, még nem lesz jó. És félre ne érts, nem arra gondoltam, h. nem szeretheted jobban. ![]() Ha pl. a középtartomány hibáit-kiemeléseit és a mélyhiányosságot kedveled, akkor akár a HOX 05-öt is mondhatod kifejezetten jónak. Vagy a hb1-et.
Tiszteletem mindenkinek!
Látom már elég régi ez a téma, de segítségre lenne szükségem. Nemrégiben vettem egy HS280-as párt (a 4ohmos fajtát) Amikor megérkeztek a mélyétől le voltam nyűgözve, viszont tompa volt a hangja. Hamar kiderült, hogy az egyik hangfalban nem szól a magas, a másikba viszont hallottam. Sikerült egy magasat szereznem és átkondiztam MKP kondival a hangváltót. Most viszont kiderült, hogy az a magas amelyik szólt, de halkan, az is szét lett küldve az előző gazdinál, be van kontaktosodva a tekercs benne. Nincs valakinek véletlenül egy darab HD25-ös 4 Ohmos magas sugárzója amitől szívesen megválna egy jelképes összegért? Előre is köszönöm!
Valójában egy pillecsere is megtenné... mert elvileg a lengőcsévék ültek csak le, két rossz dómom meg van...
Üdv mindenkinek!
Azért amiket itt olvastam a HS 280-ról és más ORION testvéreiről, hát eléggé elképedtem. Néhány ember itt eléggé leszólja ezeket a hangfalakat, meglehet, hogy vannak hibáik, mint minden elektronikai berendezésnek, de azért akkoriban, és manapság is csúcs hangfalak ezek. És ezt bátran merem kijelenteni, mert a mai hangfalakról a tapasztalatom, hogy szólnak mindenféle képpen, csak jól nem. Egyszóval "papírhangfalak" régen legalább nem spórolták ki belőlük az anyagot. Hát az meg hogy a bolgár hangszórók gyengék lennének, végképp nem értek egyet, tökéletes hangzásuk van, nem hiába szerelte az ORION szinte minden hangfalát ezzel a típussal. Még mai napig is állják a helyüket, nincsennek szétporladva, ellentétben a Videotonokkal, 30 évet elég jól átvészeltek. Aláírom hogy vannak jobb hangfalak több 100 ezerért, de az ORION volt az akkori időkben az egyetlen olyan hangfalcsalád amely elfogadható áron és igen jő minőségben voltak forgalomban.
Majd ha meghallgatsz pár normálisabb hangfalat akkor másképp fogsz te is vélekedni (:
Az már más kérdés hogy akkoriban nehezen lehetett hozzájutni jobbakhoz, de manapság más a felállás.
Üdv mindenkinek!
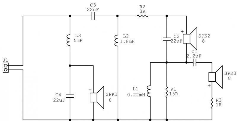
Van nekem egy Orion HS 282-es hangfalam, és szeretnék kérni egy kis segítséget, elég sok mindent tudok már az orion hangfalakról, és tisztában vagyok azzal is hogy ez a típus már nem a legjobban sikerült hangfala az orion gyárnak. Szeretném feljavítani úgy hogy majdnem olyan jó legyen mint az elődje, a HS 280. Már a belső tömítését megoldottam vattával, de az eredeti "hangváltója" helyébe is szeretnék valami jobbat tenni. Egy ilyenre gondoltam mint amit csatoltam, ha vkinek van valami jobb javaslata, nagyon szívesen meghallgatom, meg még egyéb feljavítási tippeknek is nagyon örülnék!
Én tudom hogy ma is vannak rendkívül jó hangfalak, pl: a JBL hangdobozok, de ezek sajnos nagyon drágák. Hát én a "papírhangfalak"-nál a Sal-t értem, nekem csak rossz tapasztalataim vannak róla, van egy 2 utas kivitelű típus nekünk, még alig 4 éves, de mindkét magasa kiment, ezek a gagyi mylar-al lett szerelve, és az a vicc, hogy a hangfalra 80 W teljesítmény van írva de közben meg ez a csipogó meg 10-15 W-ot tud, utánanéztem. Pedig egyszerse volt túlhajtva, mert a TV-hez van csatlakoztatva, ami meg nem igen tudná kiütni elvileg. A bassreflex műanyag csőről meg ne is beszéljünk, olyan rossz anyagból volt, hogy a kezemben szétmálott mint a korpa.
Ha már a régi dolgokról van szó, akkor 20 ezerért vettem fényévekkel jobbat. Preludium a neve.
A videoton mélyek habszéle meg természetes, hogy elporlad 10-15 év alatt, mutass egy márkát, aminél örökké megmarad a habszél! A bolgár mélyeken impregnált vászonszél volt. |
Bejelentkezés
Hirdetés |









