Fórum témák
» Több friss téma |
Szia!
Nekem radiátoros fűtésem van,de a Beryl nekem sem jött be,nagyon érzékeny.És a dizájn hát.......Vettem egy Computerm Q7 tipusú thermosztátot.Minden gondom megoldódott.+/- 0,2 Cfokon belöl tartja a hőfokot.Ha padlófűtésre használod akkor be lehet állítani -0,2/+0,0fokos hiszterézist.Ceruzaelemről működik és 230V-ot is lehet vele kapcsoltatni.Én 5500Huf-ért vettem.
Udvozletem mindenkinek!
bocs ha nem fogalmazok nagyon szakszeruen... ![]() Fura a padlofutesem: A kazanbol jovo csore ra van teve egy csotermosztat, ami vezerli a szivattyut, ez a cso aztan talalkozik egy thermofejjel, utana van az oszto-gyujto, az oszto masik szelen van egy szivattyu "nem fejjel lefele", amit vezerel a csotermosztat, a szivattyu "felfele" viszi a vizet, ha mukodik. A szivattyu felett van a thermofej rezerzekeloje bedugva az oszto-gyujtobe. Ha a thermofejet 40 fokra rakom, a csotermosztato meg 30-ra, akkor nem nagyon kapcsol be a szivattyu, 22-es csapdaja lesz:mivel 40fokot elerni hamar a thermofej szenzora, igy az lezar, es a csotermosztat soha se fog jelet adni a szivattyunak. Ha 30-nal lejjebb veszem a csotermosztatot, akkor meg allandoan keveri a vizet, a radiatoros kortol elszivja a meleget. Jol van ez bekotve? A kek szinu pottynel jon a MELEG viz, lasd kazanra rairtam, hogy melyik az eloremeno kor. skicc itt Nem lehet hogy szimplan forditva kotottek be eredetileg? Hogy lehetne javitani a helyzeten viz leengedes es rendszer szetszedes nelkul? Gondoltam egy idokapcsolora, ami mondjuk x percenkent bekapcsolja a szivattyut. koszonom, K.
Hello!
Amiről írsz az a kazánvédelem termosztátja. Amíg a kazán nem melegszik fel addig egy kis körön belül forog a víz,hasonlóan mint a gépkocsik motorjánál. Lényege az hogy gyorsan felmelegedjen a kazán,és így a káros pára lecsapódás minél rövidebb ideig tartson. Amikor a kazánban a víz felmelegszik kb. 40°C-ra,akkor adja ki a szelep a fűtést a rendszerre. A rendszerben keringő fűtővíz hőmérsékletét egy másik szelep, esetleg szelepek szabályozzák. Amennyiben nem figyelt a fűtésszerelő,akkor előfordulhat,hogy rosszul építette be a szelepet. A szelepen felíratok vannak általában "A" "B" és "AB" a működést átgondolva tudod megállapítani,hogy jól van-e beszerelve. Normális esetben nem kell időrelével sem egyéb módon trükközni! Összefoglalva: Termosztát indítja a keringető szivattyút. A víz addig,míg a kazánban nem melegszik fel a víz a beállított értékre kb.40°C a kis körben kering,vagyis nem megy ki a fűtés a rendszerre. Majd utána az szelep a másik véghelyzetbe megy és az egész fűtési körben fog forogni a meleg víz. Természetesen ez nem ugrásszerű változás,mintegy játszik a szelep. Röviden ennyi! Üdv. Ottó
Kedves Otto!
Eme thermofej feladata, hogy 40 fok felett /vagy amennyire beallitom/ allitsa el a viz aramlasat, hogy ne menjen tul magas homerseklet a padlorendszerbe. Amikor bejon a melegviz, es eleri a kivant hofokot, akkor hallom, hogy zar, s nem enged be tobb meleg vizet a rendszerbe. Csak ugye az a gond, hogy ilyenkor akar orakra is elzarja magat, mivel nem hul olyan gyorsan vissza ott, ahol az erzekeloje van. Amikor elzarja magat, csak a radiator korre megy a meleg, itt nincs lehetosege a padlo korben visszamennie. Ezert gondoltam egy idokapcsolos megoldasra, ami neha beinditja a keringetest, ezzel lehutve az erzekelot. A kazannal van egy masik szivattyu, ami megfelelo homersekletnel nyomja a vizet /ahova tudja /.Azt a szivattyut nem rajzoltam be, mert annak mukodese nem jatszik szerepet a padlofutes "furcsasagaban". Koszonom a valaszt!
Kedves ugynok!
Nem feltételeztem,hogy eme "ősi módon" oldották meg a padlófűtés szabályozását. Ez nem szabályozás,hanem védelem! A szabályozáshoz három járatú,vagy négy járatú szelepet szoktak használni. Így valóban hatalmas a padlófűtési rendszer időállandója. Mivel a fűtési idény közepén nyilván nem akarod módosítani a rendszert,így valóban egy időrelés kiegészítés hoz némi javulást a szabályozásban. Azért írtam,hogy "ősi" mert amikor még csak ismerkedtek a fűtésszerelők a padlófűtéssel,akkor gyakran születtek ilyen megoldások. Azonban hamar rájöttek,hogy ez nem az igazi profi megoldás. Üdv. Ottó
Szia!
Komolyan nem értek semmit az egész skiccből, de ha így van bekötve a rendszered, akkor a szivattyú csak meggyorsítja a keringést a rendszerben a radiátoroknál, de a padlóba nem megy semmi, mert a szivattyúval össze van kötve az előremenő és visszatérő ága az osztó-gyűjtőnek. Vagy talán a kazánnak is van egy szivattyúja és arról lenne lecsatolva a padlófűtés? Amit berajzoltam pirossal az lenne az áramlási irány? Amit meg Te nem rajzoltál be kört a padlóból azt odarajzoltam, de így abba nem fog áramolni a víz. Ha mégis ez volna a bekötés, majd kijavítva felvázolhatom a működőképes változatot.
Udv,
a kazanbol kijovo eloremeno csovon rogton a kazan utan van egy szivattyu ami 53 C foknal indul es 49 C foknal megall, azt elfelejtettem berajzolni, mert csak a a padlofutes furcsasagara koncentraltam. A padloba ha jol gondolom csak akkor keringteti a vizet, amennyiben teljesul eme ket allitas: thermofej zarva es csotermosztat nyitva, igy szinte ugyanazt a vizet keringteti, mivel nem sok viz tud bejutni. A piros pottyos oszto ugy mukodik hogy csak befele engedi a vizet, a kek meg csak kifele? Sajnos par alap dolgot nem igazan tudok, csak gondolom, hogy igy megy. Tehat amikor megjon a forroviz es rogton a keken atmegy, akkor ott befele nem fog menni semmi, hanem rogton atmegy a szivattyun es a piroson megy "le" na meg visszamegy a kazanba is? VIM: a rajzod jo /ugy gondolom /!Koszonom a valaszokat!
Szia!
Valami ilyesmi bekötésnek kellene lennie ahhoz, hogy működjön is valahogyan. A kazán utáni szivattyút oda rajzoltam be ahová mondtad. A másikra viszont szerintem nincs szükség és még nem is beszélve a hidrosztatikai problémákról, amit a két szivattyú okoz egymásnak és a rendszernek.
Most talaltam:
te-sa katalogus Eme doksi 117. oldalatol is latszik hogy nalam forditva lett bekotve a padlofutes. Az altalad javasolt atkoteshez szet kellene kapni a rendszert. A mostani forditott bekotessel ugy tudok jatszani, hogy beengedek melegvizet, aztan ha felmelegedett, elzarodik a bejovo, majd ekkor megkeverem 1 kicsit a futesi korokben, aztan emiatt lehul, s ujra megnyilik a thermofej altal az eloremeno. Mas otletem nincs erre igy szezon kozben. ![]() Ime a mostani allapot. S az alkatreszekbol egy par darab.
Megtaláltam az eredeti bekötés rajzát. Az elgondolás ott az amit Neked is megépítettek, csak a két bypass csövet felejtették el betenni, hogy a két szivattyú el legyen választva egymástól s mindkettő a saját körét keringesse. Tehát, jó az a bekötés Nálad, csak hiányos. Ha van lehetőséged kiszakaszolni az egységeket (gyűjtő-osztó), akkor érdemes volna beépíteni a megkerülő csöveket.
Helló! Szeretnék puffertartályt csinálni. Hol tudnék hozzá anyagot vásárolni acél ill rozsdamentes acél lemezt?Ha létezik esetleg vastagabb cső a tartály hengerpalástjához akkor ezt már csak meg kellene fenekezni.Segítségetek előre is köszönöm!
Boyler nem jó? Az a nyomást is bírja valamennyire.
Sajnos nem,mert 300 ill 1000les tartályra volna szükség,de alternatív megoldás is érdekel mint pl a bolyler csak valami nagyobb.
Szia! Szerintem sokkal egyszerűbb és általában olcsóbb megoldás valamilyen licitálós oldalon megnézni azt a tartályt.
Metalloglobusnál vagy a Ferroglobusnál kapsz rozsdamentes lemezt és csövet is.
Sziasztok!
Nem találtam az én fűtési rendszeremre hasonlatos kérdésfeltevést, így leírnám a problémám: A rendszerem részei: Vízteres kandalló, 750 literes kombi puffer tároló (szolár rákötéssel), radiátoros és padlófűtés. Keringetőszivattyúk szám: 3 db (padlófűtés, radiátor, kandalló) A padlófűtésen a háromjáratú szelep. Távlati bővítési lehetőség: gázos falikazán A problémám az, hogy nagy boldogan kitaláltam, hogy nagyon egyszerűen csőtermosztáttal vezérlem a szivattyúkat. Ez valószínűleg akkor jól működne, ha gázkazán fűtené a rendszert, amit szobatermosztáttal szabályozok, de itt kandalló van. Ezután kitaláltam, hogy a radiátoros fűtés szivattyúját a szobatermosztát vezérelje, DE A PADLÓFŰTÉST mi fogja vezérelni?? Egy másik termosztát?? A radiátoros fűtésnél pedig az a gondom, hogy ha a szobatermosztátot felcsavarom, akkor rögtön elkezdi pörgetni a szivattyút, holott lehet, hogy még csak akkor gyújtottam be a kandallót. Ti ezt hogyan oldanátok meg??
Szia !
Most rohannom kell, később bővebben leírom a rendszert. Nálam 1 m3-es puffer, vákuumcsöves napkollektor, vízteres kandalló, kondenzációs gázkazán és padlófűtési rendszer működik. Elsőre csak gyorsa a kandalló, a puffer, a gázkazán és a padlófűtés egy vízteren van. A kandalló melegágába egy mechanikus ESBE háromutú szelep lett bekötve, ami csak a 60 C fölötti vízet engedi a pufferbe és azt is lassan, hogy ne hűtse le a kandallót. Et a jobb hatásfok (üzemi hőmérséklet) elérésén kívül a kátrányosodás és kondenzáció megakadályozása érdekében célszerű. Ha vezérlés érzékelője jelzést ad, hogy a kandallóban magasabb hőmérsékletű a víz mint a puffer aljában akkor meindítja a kandalló keringetőszivattyúját és lekapcsolja a gázkazánt, de az ESBE nem engedi addig bele amíg el nem éri a 60 C fokot. Komplett Brötje gyári hidraulika tervem van, ha érdekel kiteszem. Majd írok a rendszerről bővebben, csak most rohanok. Üdv. Jani
Szia!
Érdekelne a dolog! Majd tedd ki légyszíves!!
Sziasztok !
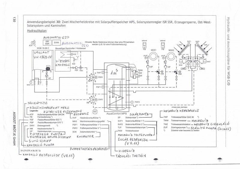
A megvalósult rendszer és a mellékelt hydraulika terv között csak annyi a különbség, hogy csak egy fűtési kör van, földszinti és emeleti osztó-gyüjtőkkel. Brötje terv Vaillant vezérléssel, érdekes volt összerakni, de szépen ketyeg. Az 1 m3-es tartálynáltalálható TWF érzékelő a tartály felső részén lévő víz hőmérsékletét figyeli és a beállított értéken tartja, a gázkazán csak ennyit csinálhat. A tartály alján lévő PSF 2 érzékelő figyeli, hogy a tartályban lévő víz 7 c-al hidegebb mint a szolár érzékelőknél akkor beindítja a szolárok pumpáját, pumpáit. Az egyik dél-keleti a másik dél- nyugati tályolású. A padlófűtésnél található keverőszelep a vezérlés utasítása szerint keveri be a padlófűtés előremenőjét a visszatérőből. Amennyiben a vezérlés érzékeli, hogy hőre lenne szükség, de beindult valamelyik alternatíva a beállított, de max. 30 perc türelmi időt ad, képes e az alternatíva teljesíteni a hőigényt, ha nem bekapcsolja a gázkazánt. (itt a használati melegvízre majd még visszatérek) Ezt mind az Auromatic 620 vezérli. Mivel vagy két kollektormezőt, vagy 1 kollektormezőt és 1 vegyestüzelésűt vezérel (az árához 220.000 Ft. képest ez nagyon kevés),ezért a vízteres kandalló vezérléséhez az Auromatic 560 -at (55.000 Ft.) alkalmaztuk. A tartálynál lévő 2 db. DWV irányváltó szelep működése. az 560 érzékelője a PSF 2 mellé van dugva, ha érzékeli, hogy a kandallóban melegebb a víz elindítja a kandalló keringetőszivattyúját és átváltja a 2 db. DWV irányváltó szelepet a tartály aljából szív és középre dolgozik be, szerintem fölülre kellene, mivel a gázkazán 35-40 fokra van beállítva az előzőekben leírt ESBE szelep meg csak 60 C fölötti vizet enged be úgyis übereli. Azért nem jó ha alulra vagy középre nyom be a kandalló, mert ha véletlenül megy a szolár is nem tudja leadni a hőjét, sőt visszahűti a tartályt. Ja és lekapcsolja a gázkazánt. HMV használati melegvíznél van még problémám, a külső hőcserélő keringetőjének a vezérlése még nem megoldott. Áramlásérzékelőt keresek ami 230 V-ot kapcsol. A klímásoknál találtam ilyet de drágállom 25.000 Ft-ért. Remélem érthető voltam. Ha van kérdésetek és tudok válaszolok. Üdv. Jani
Sziasztok !
Megosztom veletek tapasztalataimat, igaz nem padlófűtés vezérlésről, hanem üzembe helyeztük eddigi életem első vákuumcsöves napkollektor rendszerét. Ma reggel - 10,3 C- volt, az 1000 literes pufferben a víz 20 C-os. Délután fél kettőkor +1 C a külső hőmérséklet, a tartály tetején a víz hőfoka 41,2 C, aljában 39,8 C. Az egyik rendszer dél-keleti, a másik dél-nyugati tájolású. Pont fél kettőkor telibeveri a napsütés mindkettőt, 53 C-on az egyik, 54 C-on ketyeg a másik. És még nincs vége a napnak ! Üdv. Jani
Szia!
Ez szép, de azt elfelejtetted leírni, hogy ezt az eredményt hány cső produkálja.
Szia !
Dél-keleten 3 x 30 = 90 cső, dél- nyugaton szintén 3 x 30 = 90 azaz összesen 180 cső ketyeg. Ha valakit érdekel tudok nagyker áron szerezni. Üdv. Jani
Mennyibe kerül a kolletor és mennyi a puffer? Laikusként is telepíthető vagy feltétlen szakember kell hozzá? Fűtést és padlófűtést is csináltam de nem vagyok szaki.
Szia !
Ha tudsz keményforrasztani akkor megtudod csinálni. Listaárak: tartóval együtt 15 csöves nettó 64.510, 20 csöves 84.800, 30 csöves 121.720 Ft. szivattyú állomás szinpla 60.510, dupla 71.730, vezérlés 30 - 55.000 Ft., puffer 2 hőcserélővel szigeteléssel 500 literes 219.900, 750 l 234.900, 1000 l 258.200, 1500 l 366.000, 2000 l 444.000 + áfa, meg a csővek, a csőszigtelés, tágulási tartály, fagyálló, és egyebek. Ha kell tudok segíteni a beszerzésben és a beüzemelésben. Üdv. Jani
Ez jóval több, mint egy milla. Végeztél számításokat arra vonatkozólag, hogy ez mikorra térül meg? És bele kellene számítani azt is, hogy a szivattyúknak kell áram is... meg karbantartás is kell, mert néha csak kell cserélni benne valamit. Gondolom, fűtesz vele valamit, talán a lakásnak egy részét. Ez százalékosan mennyit tesz ki?
Kösz az infót.A neten találtam házilag elkészíthető rézcsöves kollektort lehet,hogy nem olyan hatékony viszont szerintem jóval olcsóbban ki hozható.
Idézni tudok.
"nem tudom megjósolni mikorra térül meg, azt tudom, hogy 20 évre kifizettem a gázszámlát " Ja és nem kocsicserére költöttem a pénzem. Jani |
Bejelentkezés
Hirdetés |









