Fórum témák
» Több friss téma |
Ohm törvénye éppen elég lesz.
Az Rhi és az Rlo lábakra kellene akasztani az ellenállásmérőt úgy, hogy semmi más nincs a lábakon. Idézet: „köszönöm, hogy ily körültekintően foglalkozol kérdésemmel” Nincs mit. Semeddig se tart.
Hali!
Most értem utol haveromat, az LM3914 4-es és 6-os (Rhi és Rlo) lába között kereken 10kOhm mérhető, ha csak azt a két lábat nem kötöm be.
Az jó. Akkor elég egy ellenállás az Rlo és a föld közé. Innen megy egyedül az Ohm törvény, vagy segítsek egy kicsit?
Hjuh, azt hittem számomra egyszerű a dolog, voltak is ötleteim, de nem tudok egyről a kettőre jutni. Úgy gondolom, rászorulok arra a segíségre. Majd csak megtanulom egyszer. Az a gond, hogy engem eléggé megzavarnak a körülmények. És nem értem, ha máshol jól tudom alkalmazni, itt miért nem. (Mindig is ez volt a problémám számolások -matek, fizika- terén)
Na, akkor 2 út van. Az egyik a fesz. osztó képlet, a másik a nyers Ohm törvény.
Azt tudjuk, hogy Rb = 10k (Rhi és Rlo közt mérhető). Ezzel akarunk sorba kötni egy Rk ellenállást úgy, hogy az megemelje az Rlo láb feszülségét 7V-ra. Az Rhi lábra megy a 12V (U1), onnan Rb van az Rlo lábig, ahol 7V (U2) van, onnan megy Rk a földre. 1. fesz osztó képlet: U2 = U1*Rk/(Rb+Rk) Ebből csak Rk ismeretlen, megoldható. 2. Ohm-törvény: Rb és Rk sorba van kötve, így ugyanaz az áram folyik rajtuk, melynek nagysága: I = U1/(Rb+Rk). Itt még két ismeretlen van (I és Rk), ezért kell mégegy egyenlet. Ez az áram átfolyik Rk-n, amin 7V-ot kell ejtenie: U2 = I*Rk. Most I helyére beírod az előző egyenletet és megkapod a feszosztó képletet, amivel kezdtem. Számításaim szerint Rk = 14Kohm lesz.
Most jut eszembe, van egy harmadik megoldás is: aránypárral.
Az ellenállások nagysága egyenesen arányos a rajtuk eső feszültséggel. Itt Rb-n 5V esik, Rk-n pedig 7V. Vagyis Rb nagysága 5 egység, Rk nagysága pedig 7 egység. Tudjuk, hogy Rb = 10Kohm, innen 1 egység = 2Kohm, vagyis Rk = 7 egység = 14Kohm
Ezt nagyon köszönöm. Utánaszámolok én is biztonság kedvéért (nem mintha nem bíznék megoldásodban, másrészt így meg is értem). A harmadik megoldásoddal kezdtem én is, és az jött ki (14.1k) de azt hittem arányokkal megoldani túl egyszerű lenne. Ez megint én vagyok...mindent túlbonyolítani....
De ez pontosan 14K lesz, nem 14.1K, ha a 10K pontosan 10K!
Ezért volt ott nekem valami furcsa.. Akkor simán 14. mondjuk igaz, most számoltam át a dolgokat, és valóban nem jöhet ki tizedestört 10k-val számolva.
Üdv!
Ismét én vagyok Ennek az LM3914-es kapcsolásnak (10 leddel) mekkora táp kell? Nem pc tápegységéről, hanem nagyobb feszültségűről menne (...), ezért akarom (többek között) ennek is egy stab ic-vel megadni ami jár neki. Elég a "sima" LM7812, vagy kell az LM78S12? Az első ugyebár 1A-ig, míg az utóbbi 2A-ig terhelhető...
hali
bocsi hogy megkérdezem de van olyan hűtőventillátor amelyik kb50 voltról megy ha van tudnátok képet mutatni mert az erősítőmbe kéne csak nem találok rajta 12voltot köszi mindenkinek
Üdv! Szerintem az lenne a legkézenfekőbb megoldás, ha akár zener-diódás megoldással lehúznál neki az 50V-os tápfeszről 12-t. Az a venti szerintem nem eszik olyan sokat, hogy ne bírná ez el. Fesz szabályzó IC véleményem szerint nem jó, mert túl magas lenne a bemenő feszültsége. Így már lehet bele rakni 12V-os ventit, mert ugye azt könnyebb beszerezni, és mivel mechanikus alkatrész, egy idő után a cserére is gondolni kell..
Sziasztok!
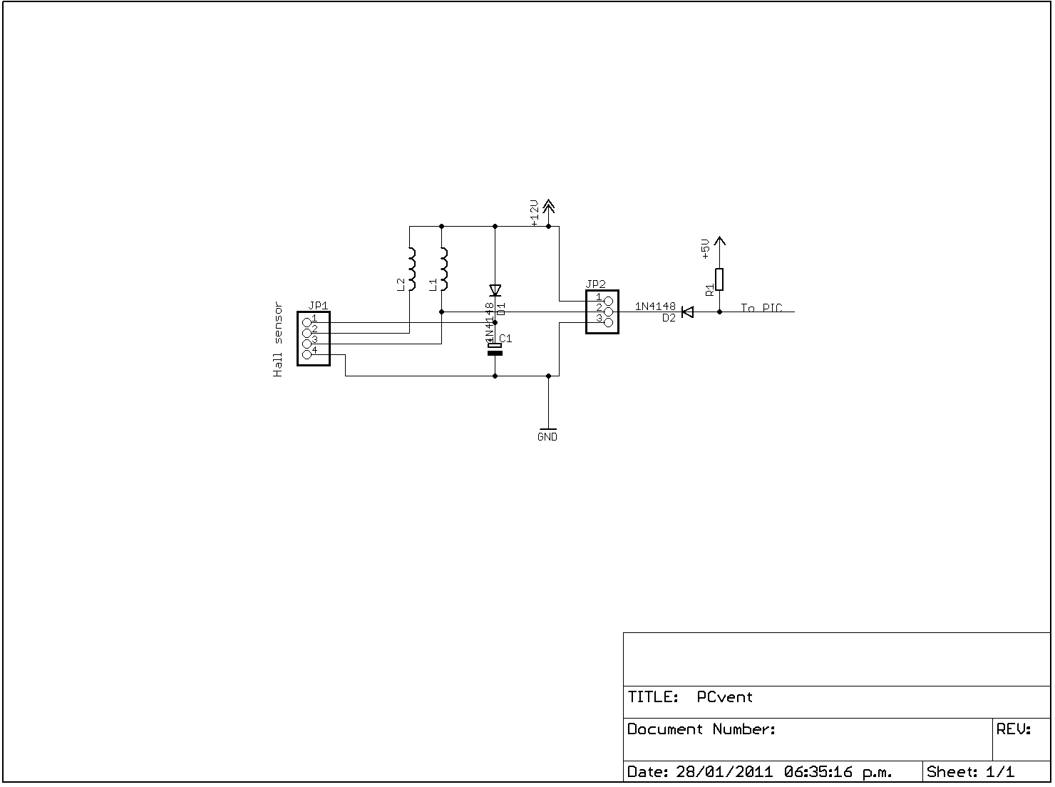
Egy PC ventilátor szabályzót építek PIC-kel. A ventilátor sebességét PWM jellel szabályzom. Mivel 3 vezetékes ventilátorokat használok, ezért a 12V-os ágat hajtom PWM-mel. Szeretném mérni a fordulatszámot, de a PWM jel miatt a hall-szenzor jele gyakorlatilag a PWM jel, ezért nem tudom belőle "kiolvasni" a sebességet. Próbálkoztam az "impulzus-nyújtással", vagyis 1 fordulat erejéig kikapcsolom a PWM-et és 12V-ot adok a ventilátornak. Ezalatt megmérem, hogy mennyi ideig tart egy körbefordulás. Ebből ki tudom számolni a fordulatot. Ezzel a módszerrel az a baj, hogy hiába nagyon rövid a PWM nélküli, teljes sebességes idő, a ventilátor sebessége erősen ingadozik, ezért a mérés pontatlan, illetve zavaró lesz a ventilátor hangja. Találtam ebben a témában egy Vicsys-féle PIC-es fordulatszámmérőt és az abban lévő jelformálóval illesztettem a PIC-re a ventilátort, de így is megmaradt a PWM jel a hall-szenzor kimenetén. A kérdésem az lenne, hogy hogyan lehetne megmérni viszonylag pontosan a ventilátor sebességét? Szerk.: ha számít, akkor csak megjegyzem, hogy 251 kHz-es PWM jelet használok, a PIC pedig 64 MHz-en megy. Egy PIC18F26K22-eől van szó.
Hali
Csak egy proba, de mivel a hall a GND-t kapcsolja a tekercsekre, probald meg szetszedni a ventit, es az IC-nek egy diodaval levalasztva kondizd meg a tapjat. Igy mindig lesz tapja es a kimenet nem fog kikapcsolni. Esetleg meg a sarga vezeteket belul levalasztani egy diodaval a tekercs fele, es egy felhuzoval felhuzni 5 voltra. Remelem erted az eszmefuttatast, ha nem majd csinalok valami moricka rajzot. Tehat a lenyeg az lenne, hogy csak a tekercsek kapnak PWM-et, az IC pedig ebbol levenne a sajat tapjat. Amugy szerintem a PWM freki eleg lenne 4 kHz koruli is. Esetleg 20 kHz. Ps A mellekletben az elkepzeles.
Köszi a gyors választ! A ventilátor megbontása azért nem kivitelezhető, mert nem csak egyről van szó, hanem ötről és nem szeretném mindet megbontani. Olyan megoldás esetleg nincs, amivel szűrni lehetne a jelet?
Passz. De azert kiprobalnam ezt az elkepzelest. mert egy ventit szetszedni azert nem egy nagy munka. Nem telik bele 1 percbe. Ha sikerul azert ird meg!
Rendben, keresek egy régebbi ventilátort és kipróbálom rajta. Közben pedig megpróbálom kideríteni, hogy az alaplapi rendszer monitor IC-k hogyan csinálják a mérést. Ha erre esetleg valaki tudja a választ, ne tartsa magában!
Megpróbáltam a módszert. Így működik a dolog, de mégis más módszer kellene, mert nem akarom megbontani a ventilátorokat. Esetleg olyan módszer, hogy a ventilátor tápfeszültségét "simítani"?
Nos, végül sikerült szoftveresen megoldanom a mérést.
A lényeg annyi, hogy nem az egész fordulatot mérem le, hanem csak a felét. Ugyanis a kapcsolásomban van egy 2K2-es felhúzó ellenállás, ami VDD-re húzza a ventilátor Tacho kimenetét, amikor abban félfordulatban van, hogy a hall-szenzor éppen tápra húzná a Tacho kimenetet. Ez egy tiszta jelet eredményez, így gond nélkül mérhető a hossza. A programkódban csak meg kell keresni a felfutó éleket, el kell indítani egy timer-t, majd addig futtatni, amíg nem jön egy lefutó él. A vizsgálatot egy ciklusba kell rakni, ami addig kell, hogy fusson, amíg egy "épeszű" értéket nem mutat a timer. Ez az érték nálam akkor lenne mérhető, ha a ventilátor >= 10000 fordulatot pörögne percenként. Az ennél kisebb mért értékek esetén újabb mérést kell végezni. Amikor kapok egy normális értéket, akkor még kétszer emgismétlem az előbbi folyamatot, majd a legnagyobb kapott értéket használom fel a fordulatszám kiszámítására. A fenti módszerrel a PWM jelbe való beavatkozás nélkül sikerült olyan pontos fordulatszám értékeket kapnom, mint PWM nélküli, teljes sebesség és tiszta tacho jel esetén. Ennek eredményeképp a ventilátor sebessége állandó, nem ingadozik úgy, mint az impulzis-nyújtás esetén.
Sziasztok.
Építettem egy PWM ventilátor fordulatszám szabályzót. Azt szeretném megoldani, hogy a sárga drótra rákötve egy LED-et az világítson, ha ventilátor megy, egyébként pedig nem. A fordulatszám vezérlés jó, a LED elé egy 470 ohmos előtét ellenállást tettem, viszont nem akar világítani. Ez lehet a PWM vezérlés miatt? A nyákot mellékelem. A terven az 1-es lábtól megy az ellenálláson keresztül a LED-hez az áram. Ha ez így nem jó, akkor hogyan lehetne megoldani?
Hellosztok lenne egy olyan kérdésem az alábbi kapcsolás müködhet több ledről is egy venti szabályzóhoz mint fordulatszám kijelzés?
A venti szabályzó az alábbi linken található: Bővebben: Link A kapcsolás amiről szó van : Bővebben: Link Válaszotokat elöre is köszönöm szépen Üdv Attis
Sziasztok!
Szeretnék a gépemhez építeni egy olyan LEDes fordulatszám kijelzőt, ami a fordulatszám alapján változtatja a színét... Arra gondoltam, hogy a ventilátor kábelét csapolom meg (Így néz ki a ventim), csak azt nem tudom, hogy melyik kábelre kellene rápattannom, és hogy mi jön ki azon... Ebben kérném segítségeteket... Köszönöm!
Sziasztok.
Nem tudom jó helyre írok. Először elmesélem mit szeretnék, és aztán hátha tudtok tanácsot adni. Egy lada pc házat szeretnék csinálni egy ladás ismerősnek. Vettem egy régi toronyházat, egy lada fordulatszámmérőt, egy vízhőfokmérőt, és egy volt mérőt. A pc-ben vízhűtés van. A tartályban már benne van a jeladó méri rendesen, volt mérő meg ugyebár csak kellet hogy kapjon egy 12 voltot. Ezek működnek is. Eljutottam oda hogy bekötném a fordulatszámmérőt. Tápról kap 12 voltot. DE nem tudom mérni a fordulatszámot sem a sárga kábelen, sem a pwm jelen nem küld semmi infót a műszerre. A műszer jó mert kipróbáltuk egy ladában. Itt kérném a ti tanácsotokat. Előre leszögezem, hogy az ilyen nyák forrasztás, nem az én asztalom. Kondik ellenállások forrasztásához sem értek. Azaz full hülye vagyok ezen a téren. Ami érdekes hogy van egy régi itx gépem. Ahol méri a fordulatszámot, de ahogy leszabályoz mert nem húzom a gépet, egyből nullára áll. Ezt kimértem, azért van mert volttal szabályoz és alapon, alacsony fordulaton, van kb 7-8 volt. Ha külön adok neki 12 voltot akkor megint leesik 0-ra a mutató. A moddingra szánt gépben meg sehogy sem mér semmit. Próbáltam párhuzamosan is bekötni úgy hogy van előtte egy ventilátor úgy sem reagált. A vízhűtés pumpájának szeretném a fordulatszámát mérni, ami ugyanúgy működik mint egy cpu venti. Előre is köszi. |
Bejelentkezés
Hirdetés |





Ennek az 






