Fórum témák
» Több friss téma |
Fórum » PIC - Miértek, hogyanok haladóknak
Heló
Ma ICProggal felprogramoztam egy PIC16F876-ot. A problémám a következő: először próbából beleégettem egy próba progit(össze-vissza karakterek) amit sikerült kiolvasni, meg törölni is. Örültem is, hogy működik a programozó (JDM). Utánna a rendes progit beillesztettem az ICProgba, majd programozás, és hibát irt ki a végén. Miután kiolvastam, láttam, hogy üres, és bekapcsolt a kód védelem. Utánna néztem, hogy a beillesztett program kapcsolta be. Azóta nem tudok beleirni programot, sem törölni, semmi.(akárhányszor kiolvasom mindig üresnek látom, és a kódvédelem bekapcsol) Gondolom a kódvédelem miatt van, de nem lehetséges úgy kitörölni a PIC-ből mindent, hogy újra irható legyen? Sajnos nem tudom kipróbálni a PIC-et, hogy fel van-e programozva, mert nem nállam van a hardver... Remélem van erre valami megoldás, mert nem szeretnék új PIC-et venni emiatt. (bocs, ha már esetleg volt erről szó ebben a témában, de most ezért nem szeretném végigolvasni azt a 148 oldalt) Köszi Üdv.:Tomi
A kódvédelem az csak a program kiolvasásást akadályozza meg. A törlés az törli a chipet függetlenül a kódvédelemtől. Nekem gyanús, hogy a JDM miatt nem megy a dolog
ahan, én is igy tudom. Akkor ha van kódvédelem, akkor akár felül is tudja irni, csak kiolvasni nem, vagy előtte mindenképpen törölni kell? Ez lehet program beállitási probléma is? Ezzel a programozóval már égettem eddig 16F628-at, meg 16F84-et, eddig még nem volt vele gond. Csak azóta szivat, hogy beleégettem a kódvédelmes progit. (elfelejettem megnézni, hogy bekapcsolja-e, és bekapcsolta)
Töröld a PIC-et, majd az újabb beégetés előtt kapcsold ki a program kódvédelmét, majd égesd be.
Nem igazán értem, hol akadtál el ebben a folyamatban?
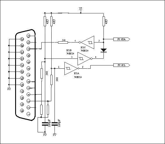
1 kis kérsésem lenne, ami csak surolja a témát. Mostanában kezdtem el érdeklödni a mikorvezérlök irán eddig csak PC-t programoztam.
Van 1 JDM pörkölöm és 24c02-es tipusú EEPROMom. ICPROG-gal tudom is írni, olvasni. Csináltam 1 másik író/olvasó áramkört párhuzamos portra. ahol a tápfeszt külön 5V-ról kapja (esetleg 2. láb), az órajelet a 3. , az adatot a 4. lábról kapja. A gondom az lenne, hogy nem tudom munkára birni az eepromot. Tudom az I2C-busz-t kell emulálnom. Ez szerintem meg is van. Minden jelet ellenöriztem és mindent -szerintem jól- meg is kap. (ha nem gond az, hogy az órajel csak kb. 2-4Hz, mérés alatt kb. 0.4Hz volt). Ha jól olvastam akkor a felépítése: Start bit;10100001 és a következő órajelre kapok 1 ACK-ot és a többi órajelre kilépnek a bitek.... minden 8. órajel után lehúzom az adatbuszt és a 9. órajel alatt lent tartom, majd ismét felhúzom (ez is 1 ACK, de ezt én küldöm) és várok 8 órajelet... Az a gondom, hogy semmit se csinál a cucc. PC-n a 11. lábra megy a bemeneti jel.. (amire a cim meg is jön). Mit hibáztam?
1. törlés: (nem ir hibát)
2 beégetés kikapcsolt kódvédelemmel: (hibát ir ki a végén: Verify failed address 0000h !) 3. kiolvasás: úgy jelzi, mintha üres lenne, és visszakapcsol a kódvédelem (nem ir ki hibát) Legelső programozáskor nem irt ki semmiféle hibát, csak hogy sikeres volt az égetés...
Tesztelted törlés után? Mit mondott?
(oshonnál és az icprog-nál is Blank Check) A config bitek kiolvasás után védett módot mutatnak? Azokat ki tudja olvasni, csak a memóriát nem!
sztem a JDM-t "dobd el" jó messzire és csinálj normális égetőt.
üdv
Nagyon sokszor volt már, hogy azt hittem mindent jó csinálok és nem értettem miért nem megy a cucc. Aztán találtam egy hibát!
Teljesen igazad van, csak az a furcsa, hogy korábban jól működött.
Persze nem zárható ki, hogy pont most történik olyan dolog rajta, aminél kimutathatja a foga fehérjét! Ha soros égető kell, ajánlom az oldalamat, épp most lett kész a legújjabb áramköröm! Én már azzal pörkölök!
Azért dobtam ide, hátha más is meglátja azt amit én eddig nem láttam....
A Blank checkre ezt irta: Device NOT blank at address 0000h!
Config word: 0ECFh (ezt nem tudom, mit jelent) Normális égető=ICD2? Sajnos még csak tanulgatom a programozást, és előbb vagy utóbb jó lenne egy ICD2. (már egy ideje várólistán van )De ezt minél hamarabb fel kellene programozni, mert már csak ez hiányzik egy projekthez.
Normális égető:
Az oshon és a régebbi WPB égetők nem leválasztott ICSP-sek, ezért ma már nem ajánlanám. Sok gondtól ment meg egy 4066! A hibaüzenet azt jelenti, hogy nem törölte a JDM a PIC-et. Így ne is várd, hogy az újabb égetési kísérlet sikerültjön. Addig töröld, amíg nem találja üresnek a PIC-et. HA ez nem történik meg, akkor dobd ki a JDM-et, építs egy jó égetőt és ha a JDM nem nyírta ki a PIC-et, simán be tudod égetni amit akarsz.
Sziasztok!
Elég nagy problémám van és nem jövök rá hogy hol a hiba! A segítségeteket kérem! Van egy kapcsolásom amihez tartozik egy hex file. Beégetés után reagál de nem kapcsolja a rellét! Ez egy egyszerű IR kapcsoló amely ki be kapcsol egy rellét! Természetesen PIC vezérlésű miért is ne! Beígértem az óvónőnek hogy egyszerűen tudja majd vezérelni a gyerekeknek a kresz tanpályán a sorompót! Nagy leégés lenne ez számomra és nem szeretnék szégyent a kislányom fejére! Mindenki aki segíteni akar előre is köszönöm! A kapcsolást mellékelem! Köszönöm ZOLI
Először is azt kéne megvizsgálni, hogy a TSOP1738 3-as kimenetén jön e jel, miközben nyomod a távot!
Aztán meg kéne mérned, hogy a GP0 kimeneten van e szintváltás, bár azt a LED is jelezné gondolom, ha jól van bekötve. A Tipka1 gomb mire való? Tápfesz megvan 5V? Milyen égetővel égetted be? Az ellenőrzés rendben volt?
Szia !
Igen megvolt a visszajelzés! A led világít mikor megnyomom az irányítót! A tápfesz rendben! Ha a tipka1 kapcsolom akkor folyamatosan világit a led kb.5 másodpercig! A TSOP jön jel! Viszont a kimeneti lábon a PIC en nincs kimenő jel! Ez az én nagy bajom! Nincs meg a tranyó vezérlő jel! Szerinted? Három fajta progival is próbáltam beírni! Mind jó volt! Már felrobbanok e miatt! Nem jövök rá hogy mi a baj! A legrosszabb az hogy már be kellett volna szerelnem a oviban. Zoli
Naszóval a LED az kigyúl, s elalszik, mikor a távirányt használod, ahogy kell?
A relének szinkronban kéne működnie a LED-el(értsd ugyanúgy, ugynakkor?))
Igen de mégsem!
Mi lehet a gáz! A programban gondolom! Tudsz segíteni!
Amennyiben a LED jól viselkedik a következőre van lehetőséged, a hatékonyságot előtérbe helyezve a szakmai tökéletességgel szemben!
Lekötöd az R3-at a 7. lábról. Kipróbálod, hogy a relét vezérlő áramkör jó-e, azaz felkötöd az ellenállást +5V-ra, amikor is a relének meg kell húznia! Ha ez megy, akkor az R3-at rákötöd a PIC 5. lábára, azaz a LED-et vezérlő lábra. Kipróbál, beszerel örül!
Milyen égetőprogramot használsz hozzá?
Miként van beállítva? JDM?
Valószínű, hogy az icprog-al megy, vagy ha van sajátja akkor azzal, és a JDM van beállítva, de biztosan be kell állítani a vonalak fázisát(inverz,nem inverz).
Olvasd el az oldalamon az új égetőm illesztését az icprog-hoz, és valami hasonlóan. Lehet, hogy nem pont olyan fázisok jönnek ki, de mindent végig kell mérni úgy is mielőtt PIC-et kötsz rá, így aztán ki fog derülni, ha valamelyik vonal nem úgy áll, ahogy a leírásban kéne.
Üdv! Most láttam a kérdéseidet... Winpic 800 és ICprog. JDM-klón. Olvasom itt, hogy a JDM rossz nekem ezzel még semmi bajom nem volt, ICSP is van rajta.... Na de döntse el mindenki maga....
Ez nem JDM klón, ahhoz az ég világon semmi köze!
Az más kérdés, hogy a programok JDM beállítással tudják szóra bírni, de ennek az az egy oka van, hogy nem nagyon van más lehetőség a soros porton, mint az a pár vezeték, amit a JDM is használ(csak rosszul).
Sztem az elég bonyolult a tied, de köszönöm a válaszokat, látom rátok számíthgatok
Sziasztok!
Pár napja kezdtem el foglalkozni a PIC-ekkel és mint minden kezdő, elég hamar elakadtam... Az lenne a feladat, hogy egy 16F628A PIC RB0 lábán figyelni kéne, hogy mikor lesz alacsony szinten. Ha alacsony szintre vált, kapcsolja az RB5 lábat és tartsa magas szinten pár másodpercig, majd ismét kapcsolja le. Ezután ismét figyelje az RB0 bemenetet, amíg alacsony szinten van, ne történjen semmi, de ha újra vált (visszavált magasra, majd újra alacsonyra) kezdődjön elölről az egész. Nem tűnt túl nehéznek, nagyképűen belevágtam és persze megakadtam... A progi jelenleg azt csinálja, hogy az RB0 (gomb lenyomása majd újrafelengedése) UTÁN tehát magas állapotában indítja a késleltetést és aktivizálja az RB5-öt.. Tudna valaki segíteni???? Bocsi ha hosszúra sikerült meg variásan adtam elő.... Mellékelem a forrást hátha van valakinek valami ötlete, hol bénáztam el... Köszi! |
Bejelentkezés
Hirdetés |












