Fórum témák
» Több friss téma |
üdv!
Az lenne a kérdésem hogy nem tud-e valaki egy olyan lehetőleg pic-es kapcsolást táviráynításhoz! két pwm szabályzott csatorna és 4 relés csatorna és! a PWM szabályzott csatornáknak úgy kéne lennie hogy lehessen joystick-ot rácsatlakoztatni. Joystickben a potik úgy vannak hoyg ha alapállásban a joystick akkor mindkettő poti a közepén áll. Szerintetek megvalósítható? Ha valaki tud kapcsolást legalább a pwm-es részéhez az írjon!
veszel egy pl: 16F873 -at abban van ADC a potikhoz, 2db PWM a motoroknak, arra raksz H-hidakat, (pl: L298), a reléknek meg egy egy tranyó+dióda és kész. Már csak a progit kell megírni.
Helló!
A modellvasutam át szeretném építeni úgy, hogy minden vonatot külön tudjak irányítani távvezérléssel. Sajna csak amatőr szinten értek az elektronikához, ezért szeretnék tanácsot kérni. A mozdony sebességét és irányát akarom irányítani, jó lesz az infra átvitel is. Ha tudtok egy ilyen rajzot, nagyon megköszönném.
CsaoCsao!
Találtam egy kapcsolást bár ez nem PIC-es de ha működik akkor nagyon hasznos lehet! Tulajdonképpen csak enkóder és dekóder de a többire már sok megoldás lehetséges. 6 csatornát tud kezelni annyi hogy servo motorokat de ha sima dc motor kell akkor csak egy H híd és megy is. Szóljatok ha hülyeséget írtam. Jólenne ha feléledne a téma mert érdekelne más véleménye is erről.
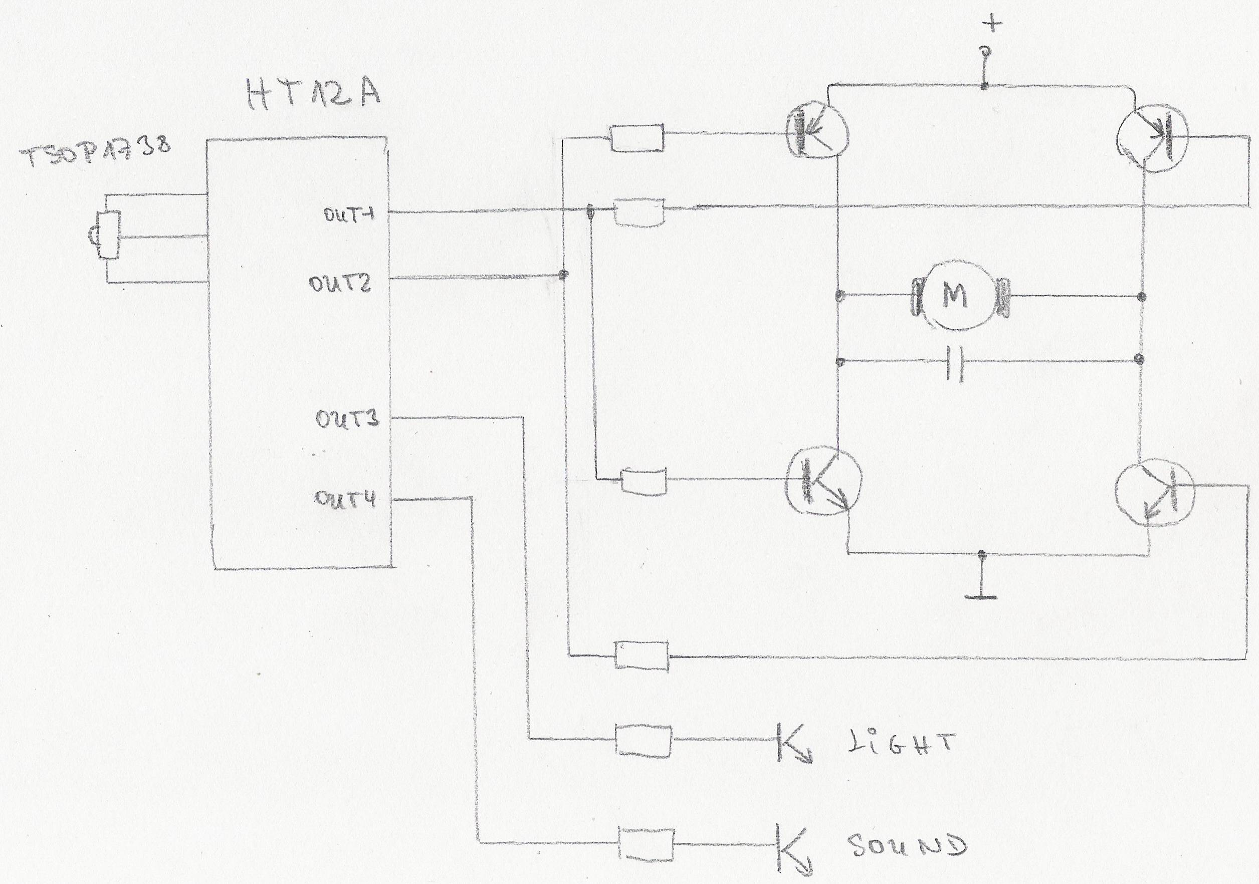
Csináltam egy nagyon sematikus bekötési rajzot IR vezérléssel egy DC motorhoz. Valamit hozzá kettő független kimenetet. Mit szóltok hozzá, működhet ez így?
És itt van egy hasonló alkatrészekkel megoldott bekötés, csak nem IR vezérléssel, hanem rádióhullámú. A "JM" 1-8 jumper a sugárzott jel kódolásához van, így egy adóval több vevőt is lehet irányítani, csak kényelmesen kell megoldani a jumperezést
Ez az előnye a HT12 áramköröknek. Én imádom őket.... A forrás egy cseh újságból való.
Ezekhez a móricka rajzokhoz 1,28, meg 1,64MB-os kép?
:no: :eek2: Üdv Inhouse
Így van beállítva a szkenerem, bocsika. És gyorsabban megvolt rajzolva, mint bármilyen CAD-al.
Léteznek ám ingyenes képnéző programok, amik képesek képet tömöríteni is! (Pl. az 1,2 MB-os JPG képet 70%-os tömörítési beállítással 270 kbyte-ra le lehet fogyasztani!)
http://www.irfanview.com
Köszönöm, hogy a fórum témájánál maradtunk. Tudom, hogy vannak ilyen programok, nekem 3 van feltelepítve. De ha már így, akkor itt van kisebben.
A HT12-es IC tök jó lenne decoderhez/encoderhez csak hol lehet beszerezni és mennyiért?
Egyébként lehetne több motort is vezérelni róla mert 8bites úgytudom. Ja meg annyi hogy ez így PWM vezérlésű lenne? Sztem nem...fullon pörögne a motor vagy megállna.
A RET-nél lehet kapni www.ret.hu
Ára kb 1000Ft körül van 4 bit-es kimenete van a vevőnek, és 8bit címzése. Az adónak a címzése 8 bit-es, és 4 bit bemenete van. Arra ügyelj hogy a vevőre küldött adat a kimeneten rajta marad, nem csak a vétel pillanatában aktívak a kimenetek.
Ez a bekötés csupán sematikus, nincs még letesztelve, de hamarosan le lesz. Gondoltam, ha egy PWM jelet küldök át, akkor a vevő ezeket az impulzusokat veszi és ezzel nyitsa a tranzisztorokat. És ha jól tudom, a vevő kimenete log 1-ben van, a jel érkezésekor kapcsol át log 0-ába. Egy invertorral meoldható.
Köszönöm a tájékoztatást. És az általam feltett encoder/decoder-ről mi a véleményetek? Működne az úgy? Mert hajlok afelé h megépítem ha lesz ídőm egyszer...végülis sztem nem egy drága játék lenne. üdv
És lenne még 1 kérdésem: Mit jelent az piros szöveg a beültetési rajz mellett?Alkatrész felöli oldal
"Items in RED are not fitted. A solder bridge is fitted in place of the RED capacitor" PLS valaki magyarázza el mert nem teljesen tiszta csak az h vmi híd, de jólenne tudni mielőtt azért elindítom nehogy durr meg füst legyen a vége ![]() Előre is köszi!
Ennek a többi részét is el tudod küldeni? Az adó-vevő kapcsolási rajz kéne. Előre is köszz!
Ne teszteld le a 99380-as ,01.jpg-t.
Talán durranni fog.
Hát, így ahogy van biztos
, de még nem jutottam el oda, hogy ezt meg tudjam valósítani, sajnos. Ha sikerül, akkor beszámolok a történtekről
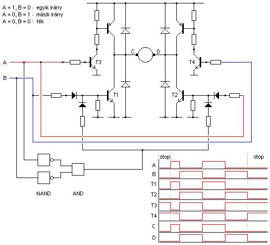
Ezt próbáld meg inkább... az A és B bemenetet ellenütemben vezéreld.
A rajz csak elvi, úgyhogy azt raksz bele félvezetőt, ami passzol a motorodhoz, a fékhez is megfelelő teljesítményű áramörök kellenek ( logika ), vagy a tranyók helyett FET-ek.
Csak Dekóder meg Enkóder volt így egyben de ahonnan valósi ott vannak adó vevő kapcsirajzok is. Egyébként elég sokfélét lehet találni. Én dekódert és enkódert nem tudtam sehol fellelni eddig. Erre a rajzra pedig még nem mondott senki semmit de sztem működni kell neki. Milyen távra kell és mihez?
Nézz szét itt is: --->Katt ide!!!<---
Hali! Szoal...vki? Le tudná nekem fordítani meg hogy mire kell az oda és milyen értékű legyen?
|
Bejelentkezés
Hirdetés |










Ez az előnye a 

:no:


Köszönöm a tájékoztatást. És az általam feltett encoder/decoder-ről mi a véleményetek? Működne az úgy? Mert hajlok afelé h megépítem ha lesz ídőm egyszer...végülis sztem nem egy drága játék lenne.






