Fórum témák
» Több friss téma |
A primer körébe bekötöttem egy izzót és világit ,ilyenkor mi a teendő,ha ez probléma?Van v.mi megoldás,mert addig mig nem irtok v.mit,addig nem igazán akarom használni az erősitőt,mert csak ez az egy garnitúra tranyóm volt tartalékba,és nem tudom mikor tudok venni megint újakat.
+/-50V ról 8 az ajánlott,4 ohm al húzós.
Esetleg az nem lehet,hogy nekem az 50v--- 4Ohm os mélynyomó miatt csattant el a tranyó és halt meg a többi?
Ha a primer körbe tettél izzót akkor bekapcsoláskor fel kell villanni majd kialszik. A felvillanás azért van mert a pufferek feltöltődnek. De utána mivel nincs áramfelvétel mert jó a végfok az izzó kialszik. Ha nálad világít az izzó akkor más baj is van.
Nálam ezzel a tápfesszel megy évek óta 4 ohm-on és van is hajtva rendesen.
Esetleg v.mi ötlet? Amúgy,megnéztem úgy is,hogy lehúztam a tápról az erősitő panelt,és úgy is világit és ha az erősitő panel már nincs rajta,akkor már csak a táp rész van a trafón.
Attól is függ hogy milyen végtranzisztorokkal van megépítve.A BD kel nem hiszem hogy bírja a 4 ohm ot de MJ vel inkább. Amúgy nekem is ment régen egy darabig 4 ohm al és sajnos nem bírta.2N ek voltak benne.
Nekem a vég tranyók BD245c -k és BD244c -k vannak még benne.
Rolitechno intelme a 8/4 ohmmal kapcsoaltban a Quad esetében nem egészen hiteles.
Itt is nagyobb áramok folynak ha kisebb impedanciára jut azonos feszültség, de ez nem okoz gondot. Más erősítőknél azért kell erre odafigyelni, mert mondjuk nincs bennük olyan "képesség", ami korlátozná az áramot, ezért túlterhelhetjük őket, vagy ha bírják a növekedett áramot is, akkor akár duplája teljesítményt is leadnak 4 ohmon, mint mondjuk 8ohm-on. De a Quadba VAN áramkorlát. Ha nagyon leegyszerűsítem a kérdést, akkor az erősítőt egyáltalán nem érdekli milyen impedanciával terheled. Neki csak egy a fontos, a kimeneti áram ne lépjen túl egy bizonyos értéket, vagy ha mégis, akkor beavatkozik. Ebből következően, minden gond nélkül terhelheted akár 8, akár 4 ohmmal, csak amíg 8-on várható a 100W, addig 4-en csak mondjuk kb.65W. Ha jól olvasom BD245C-s tranyók vannak a végén, ami viszont elég kritikus. Ha már BD, akkor legalább BD249C kellene.
Neked milyen ellenállásod van beépítve? 0,1 ohmos, vagy huzal ellenállás?
Idézet: „Nekem a vég tranyók BD245c -k és BD244c -k vannak még benne.” Ez hogy? BD244?
Tényleg hangosabban szólt 8 ohm al,furcsáltam is nagyon.Azért kérdeztem CL barátomat mindig erről. Viszont nem értem mért ,lehet hogy csak a véletlen műve,de 8 ohm al a végtelenségig működött míg 4 el nem. Azt nem tudom hogy az áramkorlát hol oldódik fel benne,de a 8 ohm az egészségesebbnek tűnt. "nálam"
Porcelán 0,1 Ω os 5w osak (ha egyre gondolunk).Nem értem az "Ez hogy? BD244?" kérdésedet.Mikor megkaptam ezt az erősitőt a végek BD249 ek voltak abból az egyik megmaradt és a másik 2 tranyó ugyan igy BD244c volt mint most amiket raktam bele, a rajzánál is ez volt irva.
Nem tudom mennyire olvastál vissza a topikban ,esetleg v.mi vélemény vagy ötlet erre az gerjedéses dologra,mert irták a lámpás dolgot a primer körébe,kipróbáltam,de nem tudom mit kezdjek vele.
5 hozzászólással feljebb írtad, hogy neked BD244-245 végtranyóid vannak benne, erre kérdeztem rá, hogy ez hogy lehet? Ez az erősítő NPN végtranzisztorokkal üzemel, a 244 meg PNP . Valamit benéztél akkor, vagy másra gondoltál, lehet a meghajtásra nem tudom. Végtranzisztorok egy oldalban összesen ketten vannak és mindkettő NPN struktúrájú. Azoknak meg illik legalább BD249-eknek lenniük. A 245- inkább 2*30v-ra való. Természetesen mindegyikből a C jelzésű.
Az ellenállást azért kérdeztem, mert ha házi gyártmány, és kisebb az ellenállása , mint kellene, akkor hajlamosabb elszállni az erősítő. Azt sajnos nem tudom, hogy most éppen hogy áll az erősítőd, illetve milyen rajz alapján próbálod javítani, mert van néhány féle fajta belőle, de azokban BD242 a meghajtás és BD 245c vagy 249c jelzésűek a végtranzisztorok. 244-re én nem emlékszem, hogy kelene a kapcsolásba, bár lehet , hogy tévedek. A "lámpás" dolog, mindössze áramkorlátozásra való, azért, hogy ha valamit elkötöttél, akkor megvédi a nagy áramoktól a panelodat, addig amig ki nem javítod, gerjedés megszüntetésére nem alkalmas, ha erre vagy kíváncsi.
Légyszives tedd már fel a rajzot, ami alapján be van ültetve, ezt már párszor kértem, mert van többféle quad, ez az egyik dolog.
A másik, hogy BD 245c 100V-os Uce-vel rendelkezik, persze, hogy lángba borult +-52v-tól, határterhelésen van szerencsétlen. Szedd ki őket , dobd el jó messzire, meg a két maghajtó tranyót is vedd ki, tegyél be 4 új meghajtót, meg 4 értelmes végtranzisztort, mondjuk MJL21194-et, vagy 2SC3280, esetleg 2N3442, 2N3773, és jó lesz az erősítőd. Ne akarj fogpiszkálókkal támasztani egy tetőt, mert leszakad, persze, hogy elszállnak. Nincs ott gerjedés, nem is volt, egyszerűen határon mozognak a tranyók, odatekertél neki, az meg nem bírta tovább a gyilkolást, ennyi.
Igen,a végtranyók BD245c -k és a meghajtók BD244c tranyók.Eddig birták a 245c végek benne,most,hogy betettem az új trafót és szétégett az egyik 244c csak most haltak meg,egyenlőre cserélni nem tudom másra a végeket,mert pluszba csak egy garnitúrám volt sajnos ,amik vannak még azokból csak egy-egy db van ,igy nincsenek párban.
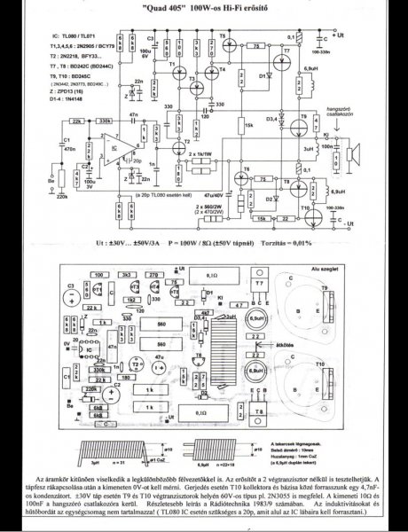
Amig a lámpa benne van a körben,addig elméletileg nem mehet tönkre az erősitő,tehát próbálható? Erről a rajzról csinálom,ez alapján készült:
Hmm... ez nagyon hasonlit a Baji elektronikás Quad-405-re. Végtranyónak jó a 2SC5200 is. Nekem is azzal volt megépitve, viszont a meghajtók BD244C-k voltak. Tökéletesen müködödtt, csak nekem nem tetszett a hangja. Keveseltem a mély hangokat belőle. De lehet, hogy az csak a kapcsolás problémálya volt.
Ezt a gerjedéses dolgot pedig azért sem értem,most már pláne nem,mert magában a trafó ,tehát semmi nincs rákötve akkor is világit a lámpa.De ha azt mondod nincs is gerjedés,akkor ez már lényegtelen.Szétnézek jobban,hátha szerencsém van és mégis találok elfekvőbe v.mit,mert most max rendelni tudnék alkatrészeket és kicsit sokallom azért az utánvétes posta árát.
Pedig, vagy teszel bele normális végtranyókat, vagy durrogtatsz majd folyamatosan. Sajnos ez ilyen dolog.
A QUAD405 szerintem minden szempontból "valahogy" így tökéletes !
Szerintem meg így: eredeti
Bővebben: Link
Ez is kb.az volt...engem elkapott a vágy hogy ugyanígy megcsináljam kívül belül csak toroiddal "csak kéne rá tőke"
Megnézted a végtranyót, mielött hülyeségre biztatod a népet ? Nézzél beel egy katalógusba, és értelmezd.
Nem tudom kitalálhatta ki ezt a "MK 3-at" ?
Amennyire a képminőség engedi ránéztem.
Hát lenne rajta mit modolni
Ha a 220-as bizti helyére kötöttél be 220V-os 100-as izzót, akkor az nem világít ha nincs a trafón terhelés. Minél jobban terheled a trafót annál jobban izzik az izzó. De ugyanakkor korlátozza a trafó áramát is. Ha nincs most a trafódon semmi és így is izzik akkor valamit nem jól csináltál vagy hibás a trafód amit kétlek.
A skiccemen nem röhögni
Majd szétnézek honnan lehetne normálisan rendelni,vagy ha oda kerül a sor,hogy Vácon járok,veszek hozzá cuccokat,de szerintem az lesz a leg jobb,ha veszek egy másikat kitben,addig pihen ez a projekt,mivel miután betettem amik voltak tartalékok és nem akar normálisan szólni,torzit ráadásul valamiért kicsit szagit és nem azok amiket kicseréltem mert azok hidegek egyedül az "A" oldal (ha jól gondolom) meghajtója langyos picit,gyanitom lett vele más is a meghajtókon és a vég tranyókon kivül
.Még jó,hogy meglett az új trafó és ma megjöttek a kondik is hozzá és nem megyek igy velük semmire.
Kár lenne feladni és újat venni. Keresni kell a hibát.
Hát nem én
Amúgy MJ végek ha jól értelmezem...Nemtudom mi a baj vele ,nekem is azt hiszem ilyenek voltak benne régen. Ez a Quad csak azért tetszik mert szép,és nagyon jó a kialakítása.Amúgy nem ismerem ezt a fajta 1 tekercseset...
Keresgéltem,de v.miért nem igazán leltem meg.Kiszedtem az összes 2N2906 ot szerintem azok jók,a 2N2218 használat közben melegszik,kivettem és nekem az is jónak tűnik,a zenerek is jók szerintem,bár abból nem vettem ki mérni csak hármat.Vagy komolyabban meg kellene néznem az alkatrészeket,bár nagyon nincs mivel illetve nincs ötletem,hogy miként,valami oka biztosan van,hogy nem szól normálisan és a TL071 környékén majdnem minden meleg,csak hát már kb három napja ezt próbálom használható formába tenni és gyakorlatilag most rosszabb mint mikor hozzám került
.
A tl-nek a tápfeszét meg kellene mérni mert előtte 35V-ról járt és most lehet, hogy a többlet tápfesz hazavágta.
|
Bejelentkezés
Hirdetés |







.Még jó,hogy meglett az új trafó és ma megjöttek a kondik is hozzá
és nem megyek igy velük semmire.
. 



