Fórum témák
» Több friss téma |
10Hz - 75KHz átvitel még nem garancia a jó hangzásra. Tökéletes mély átvitel mellett is lehet "vérszegény" basszusa egy erősítőnek. Alacsony frekin kapott hangminőséget ( is ) befolyásolja a DF. Az is, hogy a rákötött hangsugárzó mennyire tolerálja ezt. Előfordulhat , hogy nagyobb DF soványabb mély hangot produkál egy adott hangsugárzóval.
Ajánlom neked, hogy a kiso-nak van egy 2x200-as végfokat amibe quad van dupla mj-vel ha jól emlékszek. Az jó alap lehet a tiédnek is!
Szevasz, akkor maradok az OPA552-nel, az R35,R36-ot meg majd ki kísérletezem!, én 6 Amperes biztosítékokra számoltam, de ha te mondod lehet 5A-es is, de ezt még meg lásuk. Az R30, R31-esek, meg természetesen 5W-osak lesznek, mert ahogy írod azok fognak fűteni rendesen!. köbzoli-nak meg azt mondom hogy nem lesz az fűst gép hidd el, majd én meg oldom, a 200W-os verzióm is +-65V-ról ment, és a mai napig is működik, és nincs semmi baja!, nem halottam volna a gazdáját hogy panaszkodott volna eddig.
A hozzászólás módosítva: Okt 24, 2012
Szevasz, melyik az a Kiso 200W-os végfok amibe Quad van dupla MJ-vel?, nem tennél egy képet vagy linked erről?
Szerintem rossz nyomon jársz. A Quad modifikációja egyáltalán nem biztos, hogy a várt eredményt fogja hozni (SŐT!). Sokkal apróbb változások is jelentős tesztelési szakaszokat kívánnak maguknak, amire itt aligha lesz lehetőség. Ha megnézed, éppen e miatt, valóban jó/életképes módosítás nem sok van. Még a Quad-osok is más megoldást kerestek a nagyobb teljesítményű erősítőikhez, amik közül egyik sem lett olyan jó mint az alapkapcsolás.
Javaslom, más kapcsolást keress, amiben tőbb félvezető is párhuzamosan van kötve, mert sokkal előbb, sokkal jobb eredményt érhetsz el. (Pl a VF2-modifikáció vagy akár a 4db-os TDA7293 is jobb választás lehet.)
Szevasz Alkotó, ha nem próbálom meg soha nem fogom meg tudni, mást nem akarok építeni pláne nem egy lekvár IC-set, a VF2-ő hangja meg nem tetszik, magasabb hangra megfelelő, de melyekre nem!. Meg építem kísérletezgetek vele, és ha nem füstöl el ahogy köbzoli mondja akkor minden oké, és lesz egy jó erősítőm.
Van aki hallgat a jó szóra, és van aki nem. Tegyél belátásod szerint.
Idézet: „...pláne nem egy lekvár IC-set...” Ebben biztosan tévedsz! Különböző kategóriájú IC-k léteznek, de nincs olyan, ami ne lenne jó! Bennem egy világ omlott össze (mert fanatikus IC ellenes voltam), és egyben felépült egy másik (mert most már IC párti vagyok), mikor meghallgattam a TDA7294-et. Olyan dinamizmus van abban a kis tokban, amit el se tudsz képzelni. És akkor még nem is beszéltünk az LM3886-ról, ami kimondottan profi kategória. A hozzászólás módosítva: Okt 24, 2012
Ez most milyen erősítő görbéje lenne?.
Sziasztok!
Lehet volt már szó róla ebben a topicban, de sajnos most nincs időm végigolvasni,elnézéseteket kérem, egyetlen kérdésem lenne. TIP35C-vel milyen a hangja a Quad-nak? Csak javításra kaptam egyet és ilyenek vannak itthon.
Itt a végfok belsejéről kép. Talán még Köbzoli szedte le nekem a rajzot hozzá az elektrotanyáról. Ha kell megtudom keresni azt is.
Ha meg kérlek akkor keresd mar meg nekem azt a rajzot. Ha a panel tervet is meg adnád az nagyon király volna!. Hmm ebben is 3 tekercs van, valamennyi szinten hasonlít a 405-ösre nem?. Amúgy nagyon szépen össze van rakva elismerésem!
A hozzászólás módosítva: Okt 24, 2012
Ne hülyéskedj már, miért olyan titkos?, kapsz egy sört!, vagy adhatok én is nektek egy pár rajzot ha gondolod ami titkos!, van egy pár Samsung dvd és Tv rajzom ami nem hiszem hogy keringene még az interneten, meg a gyárból hoztam ki, szó köztünk maradjon
. Na kötünk üzletet akkor!?
Egyenlőre nem tudom meg nézni a posta fiókomat, mert nem tudok belépni, na de mindegy, és ne félj nem kürtölöm szanaszéjjel, a titkod meg tartom!!
A hozzászólás módosítva: Okt 24, 2012
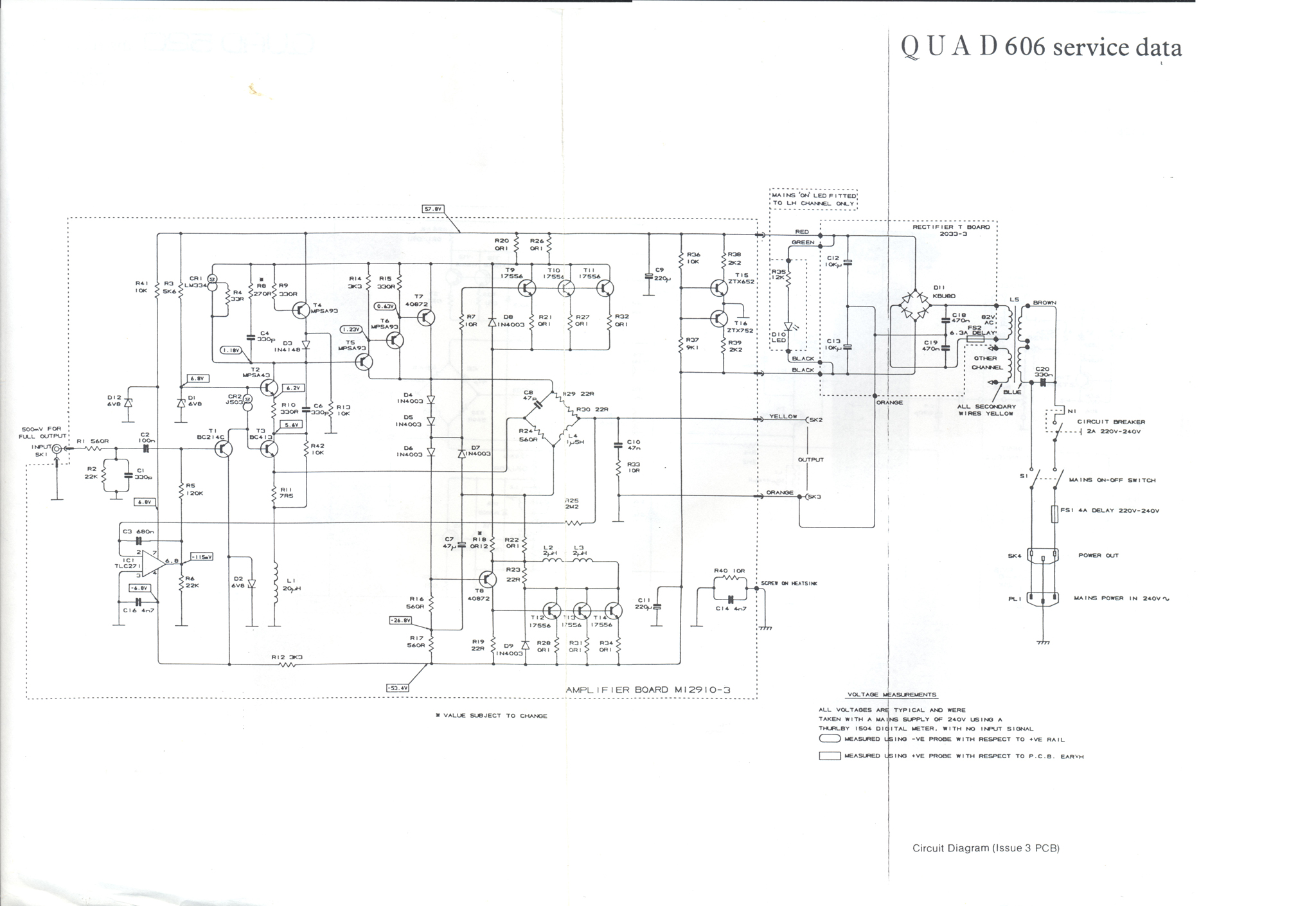
Itt a rajz.
Beírod a gugliba hogy Quad 606 (vagy 707, 909) schematic és ott a rajz. Mitől lenne ez titkos?
Köszönőm szépen, és mit is tud ez a végfok így ezzel az átalakítással?, 8ohmon 130W ha jól gondolom de 4ohmon?.
Gondolom ők is ott találták, mert nekem több éve itt van a vinyómon. Az lenne még szép ha ez az RT részéről vetne fel jogi kérdéseket...
Azok a kondik vannak benne, igen.
Nekem olyan lapos az átvitele. Legalábbis az én fülemnek az én hangszóróimmal. A megjelenítés: 8ohm sal hangváltó amire egy mnc mélyközép van kötve(150Wos azt hiszem 86dB-es) plusz sal közép és mnc magas piezo( mindez sztereóban). Ezt megdobva még mindkét csatornán van egy-egy azt hiszem 89dBes 300W os (azt nemtudom hogy 4-vagy 8ohm-os) kevláros MNC mély, ami a videoton tuneres erősítővel konkrétan odébbtoszogatja a bútorokat. A quaddal meg ..gyenge. Gondolkodtam rajta, hogy építek hozzá egy plusz panelt, a 40Wosat, ami csak a mélyet adná, de végül is azt hiszem építek egy hiragát. (AB osztályban) Ja és ha a PCn az eq-n elkezdem feltekerni a mélyeket, egy idő után elkezd kihagyni az erősítő. Amikor jön egy mély impulzus, akkor a többi tartomány egy erős szintesésen megy keresztül. Mintha őket lehúznám. Vizuálisan úgy tudnám szemléltetni, mintha egy tranzisztor emittere magasra lenne emelve és a szinuszjel tetejét szépen elkaszálná, egy bizonyos amplitudó felett. A hozzászólás módosítva: Okt 24, 2012
Itt van az oldalon, nagyon keresni sem kellett.
Hat igen közben így utólag én is utána kerestem és tényleg fent van a rajz.
Gyárilag elvileg 2x200W 4ohm. Ez tuti quad.
Ez egy gyári át alakítás?, nem ti alakítottátok át?. Ja és meg van hozzá neked a panel terv vasaláshoz?. Nagyon jó volna ha meg lenne!
A hozzászólás módosítva: Okt 24, 2012
Üdv! Latom Csaba nem tudja megnyitni, elkuldheted az én e-mail címemre és én megtudom neki mutatni, átküldeni máshol a rajzot.
Egy észrevételem van a rajzzal szemben, az R14-es ellenállás a rajzon 330Kiloohm, az eredetin meg 3,3Kiloohmos az az ellenállás, az ott nincs elírva véletlen?
Kezd már körvonalazódni a Quad 405 monster edit is
meg ne haragudj, de 8 ohm os bemért! müterheléssel mért mértem 47 voltos tápon 125 wattot?
Adatlap szerint +-30at is kibír. Egyébként adtál megint egy jó ötletet
Gyári igen. Kiso cég csinálta. Nyákom az nincs, de szerintem ez jó kiindulási alap lehet.
Szevasz, nem tudsz adni egy linket ahol utána lehet olvasni ennek a változatnak a változtatásaira?. Mit miért változtattak rajta, valami ilyesmi leírás kellene.
Akkor mért irja az adatlapja, hogy -+30 volt! ?
|
Bejelentkezés
Hirdetés |






. Na kötünk üzletet akkor!?





