Fórum témák
» Több friss téma |
Köszönöm a segítséget
![]() Az ellenállásokkal nem kell semmit variálnom?
Szia! Itt a minta. A kivezérelhetőségéért nem tenném tűzbe a kezem.
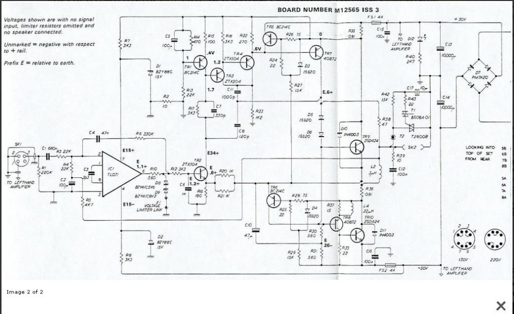
Sziasztok! Keresem a KISO PA600Q-tipusu erősítő kapcsolási rajzát, akinek meg van az kérem tegye fel. A PA400Q-jé meg van!, sok eltérés van amúgy a kettő típus között?, amúgy ezek is ha jól tudom Quad 405-os erősítők fel tuningolva. Vagy ha nincsen meg senkinek akkor egy pár információ is jó volna hogy mit is változtattak rajta a PA600Q-ban a PA400Q-hoz képest?.
A hozzászólás módosítva: Dec 12, 2013
Erről az erősítőről van szó, valaki fel ismeri?. Bővebben: Link
Mindkettő a Quad 405. Az eltéréseket meg meg tudod keresni a rajzok alapján, mert előbbié és a PA400 is fellelhető.
SZia! Hol lelhető fel, mert én nem találtam meg csak a 400Q-jét!
Tessék! Itt a linkje ,de ha ilyet akarsz csinálni akkor ajánlom Bubuflexet
itt egy link elérhetőség A hozzászólás módosítva: Dec 12, 2013
Szia! Tagadhatatlanul hasonlít, de nézd csak azt három tipikus induktivitást Csaba linkjén!
Látom, igazad van, de ha jól sejtem a quad-nál úgy tudsz elérni nagyobb teljesítményt, ha az áramkorlátozó részt is megváltoztatod?
Ez már hasonlít hozzá?
Értelmezd a mondatot. Az "előbbi" az a 405, a másik meg a Kiso 400. A 600-as sem nagyon térhet el tőle. Sőt, a képen látható belvilág alapján amit csatoltál szinte semmit. Van benne 2 pár végtranyó csatornánként, meg ránézésre egy max. 4-500W-os trafó. Szóval az a 600-as jelző elég erős még a két csatornára együttvéve is...
Szia! Köszönöm de ezt a végfokot már meg építettem és sehol sincs a hangja a Quadéhoz, sőt nagyon nagy bemenő jel kell neki hogy ki lehessen vezérelni tapasztalatom szerint!
Szia! Sajnos nem, ez nem az!.
Sziasztok! Fel teszem a KISO PA400Q-rajzát, szerintetek mi lehet a változtatás rajta hogy le ad 300W-ot is a PA 600Q?. Ge Lee szerintem is a bel világ ugyan az mint a PA 400Q-jé, de valamit csak alakítottak még rajta hogy le adjon 300W-ot. Mondjuk én a PA 600Q-ba a gyártó helyet 3-pár MJ 15003-ast alkalmaztam volna már 300W-hoz! és meg emelném a tápfeszültséget is!.
Ha nem lett volna már számtalanszor leírva, akkor is egyértelmű: tápfesz, végtranyó, feszültség erősítés, áramkorlát. Ennyi. Kíváncsi lennék hogy ad le 300W-ot, szerintem sehogy. De az egyébként is csak 4 ohmra működne, 8 ohmon csak 150W-os. A 400-ast már volt szerencsém javítani, az is egy vicc.
Természetesen 4ohmon használnám a végfokokat, de miért vicc a 400-as, rosszul van meg tervezve vagy mi a baj vele?. Mondjuk igaz én nem +-50V-on csikartam volna belőle ki 2X200W-ot hanem legalább fel nyomtam volna neki a feszültséget +-60-65V-ra!
Szia! Egy ilyen ±15V tápú 1V-tal félrehúzott kimenetű műveleti erősítőből 7Vrms elfogadható szinuszt tudsz kinyerni. A tranzisztoros rész 3,77-et ráerősít erre. Ezt szorzod-osztod 4 ohm-ra, kapsz 170-180W-ot. Emelheted a tápfeszültséget nem lesz több, és akkor még az áramkorlátozót nem is vizsgáltuk
![]() Meg lehet ezt tuningolni, van is témája a HE-n. Átütő megoldásokkal szerintem azért nincs tele a világháló mert a nagyobb tápfeszültséghez a jelváltozási képességet (slew rate) is javítani kéne. Ahhoz több babot kéne enni az audiodiyer-eknek
Sziasztok!
Ma volt egy kis időm unatkozni, szóval hogy ne semmittevéssel menjen el a nap, elkezdtem mindenféle-fajta fémmegmunkálást csinálni a Quad bordájához. Egyenlőre még csak ez az egy modul van kész, a másikat valószínűleg holnap megcsinálom, aztán majd valamikor összedrótozom mert a végtranzisztorok sem a véglegesek benne.... Némi tanács: Aki ilyen távtartót használ mint Én, ne húzza meg nagyon, mert könnyen törik... Sajnos ezek az Ebayen kapható kínai vackok... Szerk: A borda egy EMG 1555-ös oszcilloszkópé volt, vaterán vadásztam, kettő van belőle! A hozzászólás módosítva: Dec 22, 2013
Ahogy mondod, igen, legalább is a mellékelt hűtőmágnesből és a csomag szagából ítélve ez is annak tűnik.
Majd még faragok rajta 1-2 dolgot, mert ez így nem az igazi!
Mennyibe került a Végfokpanel, mindennel?
A kettő együtt 6 rongy, így cakkonpakk. Ha Én gyártottam volna, akkor se lett volna olcsóbb, és még az alkatrészek minősége sem biztos, hogy ilyen lett volna (philips kondik....)
A képek alapján nem tudok kapcsolatot találni a QUAD panelek hűtendő félvezetői és a borda illetve a lemez között.
A lapos tranyók hogyan fognak termikus termikus kapcsolatba kerülni a bordával?
Szia! A lapos tranyók fele leginkább sehogy, mert ezt a bordát alapvetően TO3 tokozású végtranzisztorokhoz tervezték, amit Én ki is fogok használni, már megrendeltem hozzá az MJ15003-as végtranzisztorokat, amiket majd vezetékkel kötök be a panelbe, a kis TO220-as TIP42-es tranzisztorokat szintén vezetékezni fogom. Már minden elképzelés megvan, csak a megvalósítás várat még magára egy picit.
A hozzászólás módosítva: Dec 22, 2013
Így már el tudom képzelni hogyan akarod. De a "közlemez" funkciója még mindig kérdőjel számomra.
A huzalozás lehet jó megoldás, de láttam már ebből vitathatókat is. Mai szerkezetekben már szinte sosem látni huzalozott teljesítmény elemeket. Esetleg fontold meg az eredeti konstrukció megőrzését, megtartva a lapos végtranyókat, és egy sík felületű borda használatát. (Laposból is vannak nagyon ígéretes típusok.)
A közlemez azért kellett, hogy magát a panelt hozzá tudjam rögzíteni a bordához, ugyan is a borda azon a bizonyos oszcilloszkópon is fel volt rögzítve 4 csavarral, és Én ezeket a menetes csavarfuratokat igyekeztem felhasználni. Beletekertem 4 távtartót, majd rá ezt a lemez, a lemezre pedig a végfokpanel került. A lemezre egyébként rákerül még a hangsugárzó védelem is, illetve a végfok műveleti erősítőjének szabályozható tápja is, mivel úgy hallottam, hogy a műveleti erősítő tápjának elbillentésével még szebbé lehet tenni a végfok hangzását, főleg a pengetős hangszerek irányába. Ezt szeretném Én is megfülelni. Úgy gondolom, hogy ezekkel a kis malőrökkel rontani biztos nem fogok rajta. Továbbá Én is Linear Tech fanatikus vagyok úgy ahogy és az LT1028 viszont nem szereti a szűretlen tápot, így mindenképp szükség van rá, ha valaki esetleg ezzel próbálkozna. (Tapasztalat, próbáltam a belső táppal, ebben a konstrukcióban nem működik, búg, zajos, a zéner önmagában nem kielégítő szűrés!!)
Szerk: A huzalozást igyekszem majd korrekt módon megvalósítani, amennyire csak lehet. Van egy halom mipoláncsövem, majd megpróbálom bevetni őket. Fejben az ember már mindent eltervez előre... Csak kivitelezni kell. A hozzászólás módosítva: Dec 22, 2013
Sziasztok, a kérdésem az lenne hogy mennyire fontos a meghajtó tranyó és a végfoktranyó közötti termikus kapcsolat, mellékelek egy képet én így tudnám megoldani, nem tudom hogy ez mennyire változtat a dolgon???
A vége B osztályban megy, tehát semennyire.
köszönöm válaszod!
|
Bejelentkezés
Hirdetés |














Majd még faragok rajta 1-2 dolgot, mert ez így nem az igazi! 





