Fórum témák
» Több friss téma |
A 3x36V sehogy sem jó 3db Quadnak. Egy csatornához már kell 2x36V (+/- táp) ,erről párhuzamosan hajtható a másik csatorna is. Ha csatornánként akarsz tápot építeni, akkor annyiszor 2*36V, ahány csatorna van. 3 csatornánál 6*36V kell.
Biztos így van, de ezt így nem értem
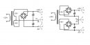
![]() Tehát van 1db 36V váltóm, ebből a [gréc híd] és a 10-20 000µF-os kondenzátor csinál +/-36V-ot, nem így van? És én azért számoltam 3 ággal.
Ne úgy csináld. Legyen két szekundered ne fesz kétszerezővel csináld mert úgy nem jó, vagyis jó csak nem az igazi. Legyen 2x36v-od és az utána gratz és puffer és úgy lesz +-50v.
Tehát akkor 2x36V-ból lesz 1db +/-50V-om és azért kell minimum 6X36V?
![]() Ez így teljesen jó, mert akkor nekem 8X kellene 36V az egyéb apróságok tápját is beleértve. Ez így teljesen pénztárcatakarékos Így a auad trafója lenne vagy 50 000Ft. Nah ennyire azé nem bonyolítom túl, akkor nem 2.1-es lesz a quadom hanem csak sztereo, vagy nem tudom.
Igen lesz +-50v-od amire rátudod kötni mind a 3 quado-t.
De várj!
hm most akkor megint... tehát, az egész szekundernek 2x36V-nak kell lennie, ebből lesz +/-50V és ERRE ráköthetem mind a HÁROM 200W-os quadot? El fogja bírni??
Ha a trafó megfelelő teljesítményű akkor elfogja.
6*36V csak akkor kell, ha minden csatornát külön tápról akarsz hajtani, 2*36V-ról elmegy akár a 3 végfok, persze nagyobb áramot vesz fel. Vastagabb szek.tekercs, nagyobb áramú Graetz, nagyobb puffer...
szerk.:A rajzon van a megoldás. OK. menjünk a toroid trafókhoz.
Egy toroid trafó méretezése topicban folytatnánk ezt a beszélgetést, mert lenne még kérdésem, de az már közelebb ál a toroid trafós témához, mint a quad-oshoz.
Megépitettem egy skori féle quad 405! Ez a kérdés párszor elhangzott, de a válaszokat nézve, nem jöttem rá a hibára. Az a gondom hogy kb 5w-ig tisztán szépen szól, aztán torzitt mint egy lemerült sokol rádio, szóval szörnyű! Megoldodott valakinek már hasonló hibával a qudja?Az unokaöcsémnek szántam ajándékba! Nagyon örülnék ha valaki tudna segiteni
A trafo 450w-os, 2x10000mikros elko+- 45v tökéletes bemért! A végtranzisztorokat cseréltem már újra, a meghajto tranyókat is cseréltem a bc 300 is cseréltem egyedül az ne5534-est nem cseréltem még ki! Az lehet fő probléma hogy torzitt?? A végek bd249c és bd242c. köszönöm előre is a segitséget! És elnézést azoktól akiket már untat ez a téma.
Köszönöm megpróbálom
Idegesit egy kicsit mert egy urbán félét már megcsináltam, és az tökéletes lett!!
Hali.
Idézet: „A trafó gyártatásnál megadhatod áganként hány A terhelhetőséggel bírjon, ha nem adod meg, akkor emg valszeg megkérdezik ezt. Ha nem kérdik, úgy a logikám szerint elosztják a teljes teljesítményt az ágakra, tehát ha mondjuk egy 4 kivezetéses 100VA-es trafót készíttetsz ily módon, akkor lesz 4 db 25VA-es kivezetésed. Én mindig megadtam milyen feszt akarok, hány amperrel áganként, és úgy nincs félreértés.” Na ez valószínü az előző h.sz-nek szólt. Sajnos nincs szkópom, de(megnézettem) és nincs más hátra,mint szisztematikusan átnéznem az egészet mert tényleg csak gerjedés van , valamilyen elkötés lesz . Köszi.
Sziasztok.
Most készül egy 16!!! csatornás Quad 405 (kisebb bulikra van hozzá elegendő hangfal). Eddig megvan a hűtőborda, doboz(500x400x300) ventilátorok, trafók , pár kondi a tápba(annyi lesz benne amennyi belefér), előlap pár csatorna quad élesztve, 4 csatorna hangszóróvédő élesztve... Nem nem az én ötletem, én csak a nyákokat készítem lassan hozzá, érdekes darab lessz , már most hűtőbordával trafókkal kétemberes, és még vagy 10 kilónyi cucc nincs benne(talán kevesebb mint 10 kg..) Sajnos itt már komoly összegek a tranzisztorok és hát lassan de készül, csütörtökön remélem egy két képet tudok feldobni... Jó építgetést mindenkinek.
16 csatorna az azt jelenti, hogy 16 quad panel lesz benne?
![]() Mekkora trafót teszel bele? ![]() Télen a fűtés meg lesz oldva... Jah meg az áramszolgáltatóval is köthetnétek valami "hűségnyilatkozatot", hogy olcsóbb legyen az áram
2,5kW-os trafó elegendő lehet 16Quadhoz, ha 150W trafó teljesítménnyel számolom darabját.
Viszont a dobozt igen kicsinek találom. 50X40X30cm Egy ekkora dobozba talán 16db QUAD sem férne el, nem hogy tápegység és trafó, vagy a fene tudja.... de mindenesetre jó zsúfoltnak kell lennie, ami meg a hőleadás szempontjából nem túl egészséges. Én a helyedben 16db TDA 7294 végfokot raktam volna bele, pusztán csak a jóval kisebb mérete miatt, mert közel hasonló a teljesítménye, és talán még olcsóbb is. Nos az IC-s szutykokat én egyébként nem szeretem, de ha buli, és sok kell, akkor nálam ez rúgott volna labdába.
Szerintem is kicsi lesz a doboz.
Gondolj bele:4v.8 nagydarb dióda hűtőbordán,egy b.szott nagy toroid,úgy 2-3F kapacitás +16 panel + egyéb cuccok. Én csinálnék neki egy külön tápházat. Ha sikerül belezsúfolni abba a dobozba,még fűtőegységként is funkcionálhat :nevetes1: Kiváncsian várjuk a képeket.
Kíváncsi vagyok milyen lesz majd, de szerintem én inkább 4et tettem volna dobozonként külön táppal így könyebb javítani is meg nem lenne annyira zsúfolt csak akkor a trafók úgy lehet drágábbak lettek volna.
Igen, vagy én is inkább úgy csinálnám, ahogy berkigyuri írta, hogy küön tápdoboz, és azon heggesztő kábelen jön a nafta a hőerőműbe.
Egyik leég akkor kicsit nehezebb megtalálni ennyi hátránya van.
Kizárt, hogy elférjen annyi!
Én 3db-ot nem tudom, hogy helyezek el benjne, hogy tudjam hűteni, ne gerjedjenek a tekercsek, a 20cm átmérőjű meg 8cm magas toroid is elférjen benne, plusz az 1-2 extra panel, de az semmi, az mondjuk még 2 quad panelnek felel meg... Kizárt, hogy ekkora dobozba elhelyezz 16db quad panelt, még ha mást nem is teszel bele, akkor is. (szerintem)
Tudom, csak te is írtad, hogy szerinted sem biztos, hogy maga a 16 quad elfér 1 dobozban
Ezért írtam úgy, hogy neked "válaszoltam" Bocsi ha félreérthető volt.
Semmi probléma...egy feltétellel:
ha elárulod, hogy lesz ilyen szürke a felirat. Mert nekem még ilyen színt nem sikerült kicsikarnom belőle.
A szöveget a következő bb kód közé kell írnod: [off ] Ide a szöveg [ /off]
Csak Ne hagyj sehol szóközt, hanem egybe írd, mert most 2 helyen is hagytam 1-1 szóközt.
Igen képek a készülőben lévő cuccról talán csütörtökön, én csak a paneleket csinálom, nekem nem kellene ekkora erőmű, az IC-s végfokokat nem szeretjük, a legnagyobb bajba a kondikkal leszünk az tuti, már így sincs hely a dobozba, engem az előlapi vezérlőszervek elhelyezése érdekel legjobban. Nos bordáról képet tettem fel... egyenlőre ennyi.... Méreteit cigarettához viszonyítottam a képen. Pár nap múlva dobok fel dobozról és ami eddig elkészült belőle arról is képeket, nem lehet egy gombostűt majd úgy beleejteni h ne okozzon zárlatot
.
A 16db-nak ennyi hűtést akarsz?
Ha jól sejtem mivel a dobozod legnagyobb mérete 50cm, így ez is max 50cm hosszú lehet, szerintem ekkora hűtés max 4db-ot visz el vagy neccesen 6 db-ot. Most már nagyon kíváncsi vagyok a készülő dobozra. Az IC-s végfokokat én sem szeretem, mee' nem jók. Csak gondoltam ekkora dobozba 16db abból elférne. Minden jót és sok szerencsét az építéséhez!
Nem tudom mekkora ez a borda, méretéről nem esik szó, de én erre nem szívesen tennék több quadot mint 2 max 3!
Akkor is kell minimum 4 vagy 6 végfoktranyót hűtenie. * Nem emlékszem mrá 16x100W vagy 16x200W lesz?
Nos a borda 300 hosszú 2 ventilátorral hűtve mivel nem is borda hanem hűtőtorony, jön még rá természetesen egy takarólemez (mivel U- alakú) a jobb légáramlást hivatott biztosítani, sajnos ekkora fér el a dobozban 3 quad elegendő passzív!!! hűtésére meglepően kis hűtőbordát használtunk már igaz melegedett rendesen de 5 órás bulit szinte teljesen padlón hajtva kibírt, azóta ez át lett dobozolva egy kb ekkora borda hűti de ez csak borda !!! nem U-alakú...
Ez a hűtőtorony 28 darab 100 A es fetet vitt amik maximális disszipációs teljesítménye darabonként 450 W de ez ugye nem azt jelenti h 12 600 W ot fűtött el csak ennyit ha minden FET fullgázon üzemel, mivel ipari berendezés volt jócskán túl volt méretezve kb. max 600-900 W disszipációs teljesítménye lehetett(hasraütésre) ... Bár ezért fogtok szólni de a tranzisztorokat kábellel vezetjük a hűtőbordához, röhej de ezt a technikát alkalmazzuk már vagy 5 éve és se brumm se semmi egyéb elszállás oka eddig nem volt a vezetékezés, sőt előnye a dolognak a tranzisztorcserénél jelentkezik, bár itt 192 darab fog menni a tranzisztorok felé... lesz kábeldzsungel(itt már lehet némiféle zavar...), a védelem reléi elhelyezését nem értem (majd ezután utána kérdezek hogy is gondolta a srác) a kondikat sem a többi elfér. Nos lehet első hallásra kicsit sok a cucc a dobozban de próbálkozni azért lehet... Nem azért csinálja a srác h ne használjuk, neki nincs internete ezért én fogom a képeket föltenni, aktívan részt veszek a munkában a nyákkészítés terén (azzal ne vádoljatok h más tollával... ) az erősítők 100W os példányok 200 as nyákterve nekem nincs meg és a ládák sem bírnák, talán a 4 exponenciális tölcsérhez majd 200 as lesz külön, lassan készül ha akarnánk kész lehetne 3 hét alatt ennyi oldalnyi kész quad van külön külön dobozokban (ezek az aranytartalékok ) üdv |
Bejelentkezés
Hirdetés |






Így a auad trafója lenne vagy 50 000Ft. Nah ennyire azé nem bonyolítom túl, akkor nem 2.1-es lesz a quadom hanem csak sztereo, vagy nem tudom. 
A trafo 450w-os, 2x10000mikros elko+- 45v tökéletes bemért! A végtranzisztorokat cseréltem már újra, a meghajto tranyókat is cseréltem a bc 300 is cseréltem egyedül az
Várjuk a képeket.


) az erősítők 100W os példányok 200 as nyákterve nekem nincs meg és a ládák sem bírnák, talán a 4 exponenciális tölcsérhez majd 200 as lesz külön, lassan készül ha akarnánk kész lehetne 3 hét alatt ennyi oldalnyi kész quad van külön külön dobozokban (ezek az aranytartalékok




