Fórum témák
» Több friss téma |
Ez a Poljakov féle rádió, csak tudtommal egy szinkrodin vevő, ami mint már írtam, FM vételre nem alkalmas.
PLL -el biztos kitűnő FM demodulációt lehet elérni. PLL áramkörnek (legalábbis tanulmányozási célra) megfelel az NE567 áramkör, egyetlen baja, hogy csak 500 kHz -ig megy. De van bőséges irodalma, amiből tanulhatsz. Nagyon jó FSK demodulátort lehet építeni vele, mert annál elegendő a kis sávszélesség is. De egy pár típus CD4046, TLC2932AIPW, de nem hiszem, hogy ilyesmi fiókodban lenne.
Egyszerű, és érzékeny FM vevőt készíthetsz aTDA7000, és a hozzá hasonló áramkörökkel, ezekben alacsony KF frekvencia mellett számláló típusú demodulátor van, ennek a linearitása is kitűnő.
Számláló (scaler) FM vevőt nagyobb KF-re is készülhet.
3 4 db TTL kapuval is működik. Igaz ekkor a határolónak szép nagy szintűre kell a jelet erősíteni , hogy a TTL áramkör meghajtható legyen.
Persze, de egyszerűbb, és főleg jobban integrálható, ha nem túl magas frekvenciájú a KF.
Nem is igazán szinkrodin, mert az oszcillátor 1/2 frekvencián megy. A szerzők a cikkben PLL-nek írják, talán igazából az sem, én azt írtam mindig: szinkronoszcillátoros. A két jel valójában itt nem keveredik: az oszcillátor csak próbálja magát hozzászinkronozni az antennajelhez, akár a PLL, csak itt nincsen semmiféle fáziszárt hurok, csak egy a szuper-regeneratívhoz nagyon hasonlító oszcillátor kapcsolás. Arra is rájöttem, már miért kell neki 1/2 frekvencia? Azért, mert evvel akadályozzák meg, hogy szupreg legyen. Ettől, hogy az oszcillátor frekvencia ennyivel különbözik a vett jeltől, megakadályozzák hogy létrejöjjön a szuper-regeneratív folyamat, tehát olyan, mintha PLL lenne, és az éppen ezért igenis már alkalmas FM demodulációra. A Poljakov viszonylagos érzéketlensége sem gond nálam, mert már írtam, olyan itt a térerő, hogy ki sem kell húzni a gyári rádiók teleszkóp antennáját. Más volt itt a gond, a gerjedés, és mindenféle nemkívánatos belebegések miatti munkapont elmászkálás, ezek okozták az oly idegesítő elhangolódást, de talán már megoldottam (Úgy tűnik, nagy nehezen). CD9088 belű rádióm is van több, de a Poljakovnak olyanok a basszusai, mint a moziban, és a csilingelő magasai is tiszták. Egyszóval tetszik a hangszíne, bár lehet, hogy itt még deemphasis-ról se lehet szó.
Nézd. Én ezzel a Poljakov féle dologgal sohasem foglalkoztam, így róla nem sokat tudok. Az biztos, hogy nem PLL. A két szembe fordított dióda tulajdonképpen egy 2/4 -es szorzó, attól, hogy az oszcillátor fele frekin jár, attól még szinkrodín.
Keverési módok A PLL az fáziszárt hurok, azzal lehet fázis (frekvencia) modulált jelet demodulálni. A lényeg, a hurok. Ha egyszerű(bb) FM vevőt akarsz készíteni, akkor azt megteheted pl. egy TBA120 -al is, direkt erre lett kifejlesztve, és elég gyakori. Egy modulos TV hangmoduljában minden megvan, csak egy keverőt (tunert) kell elé kötni. A hozzászólás módosítva: Aug 23, 2017
Szia. Befejeztem a Poljakov rádiót. Bebizonyosodott, hogy FM-et vesz. Méghozzá úgy, hogy ha működőképes AFC-t tudok hozzá alkotni, akkor az nem félrehangolt AM, hanem rendes FM vétel. Elővettem a multiméteremet, és felfelé félrehangolva csökkent, lefelé félrehangolva pedig 1-2 tized Volnyit nőtt a feszültség azon az ellenálláson, amin keresztül a tápfeszültséget kapja az oszcillátor, és ahonnan a HF jelet levesszük. Ha valakit érdekel a dolog, lerajzolom. Egyébként a Sanyo M4420 rádiója sem ért hajítófát sem, addig, amíg el nem láttam AFC-vel. Elég volt a konyhában elsétálni előtte, hogy elhangolódjon. A Poljakov rádió érzékenysége meg vetekszik a szuper-vevőkével, csupán az antennája nem mindegy merre áll. A legjobb pedig az, hogy sehol semmi zaj. Ha nagyon gyenge az adás, akkor sem, legfeljeb kimaradozik a vétel, torzul a hang, de olyan, hogy zaj, az mindenhol zéró. (Ennek meg semmi köze ahhoz, hogy esetleg lapos-e a föld. Bár lehet, hogy csupán véletlen maradt a vágólapodon az a link
)
Egyszerű,csak méregdrága,több mint egy kész rádió,amiben csak az elemeket kell belerakni és megy,sokkal olcsóbb a TA2003,klasszikus szuper amiben még AM is van.
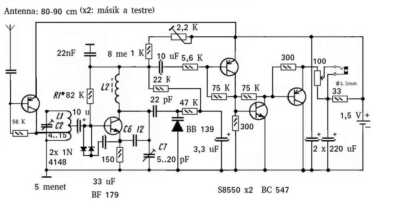
Íme a rajz, amit ígértem. Csak éppen senki el nem hiszi nekem, hogy némelyik gyári szuper vevő gyengébb, mint ez. Pedig ennél egyszerűbbet, ami ilyen sokat tud, nem lehet kihozni egyetlen nagyfrekvenciás tranzisztorból. Azért ajánlgat helyette mindenki mindent. Nem szinkrodin, nem szupreg, nem PLL. Azért, mert ilyen elven működő rádió ennél több nem létezik. Hívhatjuk egyszerűen Poljakovnak is.
Mégiscsak lett neki előerősítő. Leágazás neki az antenna köri tekercs 1. meneténél. Az viszont 2mm-es rézhuzalból készült 8-as átmérőre. Ezzel próbáltam javítani a körjóságon.
Hát az az előerősítő igencsak furcsa. A tranzisztornak se emitter-, se kollektorellenállása.
Kollektorellenállása van, az az 1 menetes tekercsrész, mint induktív ellenállás.
Mekkora egyenáramon az 1 menet ellenállása?
Ez alapján akkor hozzávetőleg mekkora egyenáram folyik a kollektoron? (vagy az emitteren?)
Nagyon kicsi az egy menet ellenállása, de ez nem számít.
A kollektoráram a bázisáramtól és az áramerősítési tényezőtől függ. Ugye, a tranyót a bázisárammal vezéreljük, tehát ha csak keveset kap belőle, nem fog teljesen kinyitni, így nem megy rövidzárba sem. Azokat a jelleggörbéket, amiket az adatlapokon látsz, kollektorellenállás nélkül veszik fel. A kollektorellenállás csökkenti az erősítést (hiszen vele a kollektoráramot nem csupán az áramerősítés fogja meghatározni), viszont nélküle nincs levehető jel a következő fokozat számára. A jelleggörbék esetében viszont magára az eszközre vagyunk kíváncsiak, nincs következő fokozat. Az emitteráram meg a kollektoráram és a bázisáram összege.
Még szerencse hogy nem egyenáram hanem nagyfreki erősítése a cél. Annak a munkaellenállása a trafó. Lehet nem ártana emitterkörbe egy párhuzamos RC (pár nF testre és pár száz ohm tápra) hogy stabil legyen a munkapont, de nem feltétlen szükséges.
Azt is vedd figyelembe, hogy mekkora a tápfeszültség. Egy lemerülőfélben levő NiCd 1,1-1,2 Voltját nem kellene még egy soros ellenállással is csökkenteni. Annyira kevés tápfeszültség ez, hogy már rövidre zárással sem lehet a tranzisztort tönkretenni. Persze, ha bármi jelét mutatná gerjedésnek, akkor tennék. de légszereléssel minél több az alkatrész, annál kevésbé stabil. Így az emitter rá van forrasztva a házra a ház a +. A tranzisztor meg nyakon van öntve melegítőpisztolyos ragasztóval.
A hozzászólás módosítva: Aug 25, 2017
Idézet: „pár nF testre és pár száz ohm tápra) hogy stabil legyen a munkapont” Az a kondi semmit sem érne így, a tranzisztor váltóáramú viselkedést nem befolyásolná, nem lenne párhuzamos RC-kör, viszont az R szép negatív áramvisszacsatolást csinálna, csökkentve az erősítést.
Sőt,ez a tápfeszültség már az extrém kevés kategória. Már semmit nem működtetnek ennyiről. Az eredetit először NiCd akkuról próbáltam, de nagyon halk volt. azért van a plusz 1 tranzisztor a HF-ben. Csak egy 1,5 Voltos elemről már szétveri a dobhártyámat. Ezért kapott hangerő szabályzót. Az pedig azért került pont a jack aljzathoz, mert a doboz már le volt forrasztva, de az már a házon kívül van. Még gondolkozom azon, miről is használjam?
Bocs, nem figyeltem a tápot. De inkább 2x1.2V ceruza aksit (=2.4V) javasolnék.
(vagy CR2032 elem?) A hozzászólás módosítva: Aug 25, 2017
De éppen ez miatt építettem meg pont ezt a rádiót. (Mert egyetlen elemmel is megy) Azért kipróbálom 2 akkuval, de már amint írtam, 1,5 V alkáli elemmel is már üvölt. Az általam beletett AFC-ben kissé kételkedem, hogy valóban AFC, de a lényeg, hogy stabilizálja a frekvenciát, és könnyebbé teszi a beállítást. Ugyanis az oszcillátor a sáv tetején jobban megy, ettől alacsonyabb a feszültség, mint a sáv alján. Mindenesetre a varicap ez ellen dolgozik. De mindenhol FM-vételre ajánlják ezt a fajta rádiót. Olyan rádióim vannak, melyek 1, illetve 2 darab IC-vel hagyományos elven működnek, ezért olyat építeni számomra nem kihívás (Csak összerakod,és már megy). Azért azok közt is vannak különbségek. Az egyik arasznyi rövid antennával fogja a külföldet, a másikat monóba kell kapcsolni, hogy ne legyen zajos a Kossuth.
Vakóban sok volt egy kicsit az áram, beállítottam soros ellenállással 1 mA-re. (Lehetett volna a báziskörben is növelni azt, de így talán jobb lesz a hő és a tápfesz. változásra a stabilitása.) 82 pF-el hidegítettem az emittert. (Hirtelen ezt találtam, de jónak tűnik.)
Van egy csomó TA7623 ic-m,van egy Samsung változata is,KA22427,nagy nehezen kaptam egy rajzot róluk,de engemet csak az FM része érdekel,azt szeretném tudni,menne a KF trafó helyett egy kerámia szűrő,a tuner is nagyon érdekes,külön oszcilátorral,a keverő azt hiszem egyúttal erősitő is,aztán látom,HF erősitőt is tartalmaz az ic.
Szia! Kérdeznék valamit. Te hány voltos anód tápot használsz?
Sziasztok! Már csak azért írok, hogy lebeszéljek róla mindenkit, aki ebben a formában szeretne egy ilyen rádiót építeni, mert sok baja lesz az 1,5 Voltos tápfesz. ellátás miatt. Amit nyert a réven azt el fogja veszíteni a vámon, ugyanis az egyetlen cellája sokkal rövidebb ideig lesz a rádiójához használható. Aki ragaszkodik az egyetlen cellához, azt is lebeszélném, hogy ebben a formában építse meg, ahogy a kínai rajzon van, mert az egyenáramilag egybecsatolt fokozatok végén a munkapont eltolódás új elem, illetve a lemerülés miatti különbség össz-erősítés szerese lesz: Mindjárt részletezem: Az 1,2-1,3 Volton mért 3-4 mA áramfelvétel 1,5 Voltról már56 mA, 2,4 Volt táp esetén már 110 mA! Tehát ha valaki véletlenül építene is ilyet, azt csakis egymástól független, kondenzátoros csatolású hangfrekvenciás fokozatokkal tegye, mint ahogy azok az orosz rajzokon vannak! Nagyfrekvenciás előerősítő használata szintén kerülendő! Az antennájával nem szabad mozogni, és ha ezt valaki tudomásul veszi, építhet magának ilyet. (Ennyit a Poljakov rádióról.)
A rajzodon ta7613 van, és az ugyanaz, ami az IC adatlapján is szerepel. Főleg azok a tekercsek gyanúsak, amik a tápfeszültségre mennek, azok ugyanis az IC-n belül nyitott kollektoros kimenetet sejtetnek. Sajnos az IC belsejéről nincs kapcsolási rajz, csak blokkrajz. Másik sajnos, hogy már az adatlapon is rajta van a hozzá tartozó összes KF tekercs adata, tehát az egészet ilyen rezgőkörösre tervezték. Ezek után nem sok esélyt látok arra, hogy jól meg lehetne ezt csinálni kerámia szűrősre.
Szia! Egy régi tesla lemezjátszó hálózati trafóját építettem be 190 volt anódfeszültség és 6.3 volt a csőfűtés.
Azt hiszem,hogy neki kell fogjak szépen tekercselgetni az apró fazékmagokat,még ilyent csináltam,amikor sima tranzisztoros rádiót épitettem,aztán a tuner sem tetszik,azt hiszem kell oda még egy RF erősitő fokozat,hogy jobb legyen az érzékenysége,vagy jobb volna a klasszikus kéttranzisztoros,ahol az egyik erősit és a másik egyben oszcilátor és keverő.
![]() Tehát akkor kb 260 volt van az anódon. Köszi. Lehet hogy én is megépítem.
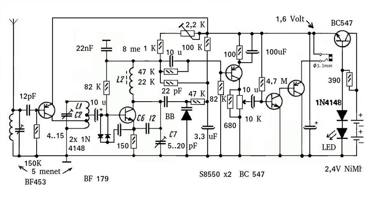
Biztos sokan unják már, de annyi minden lett rajta változtatva, hogy felrakom újra. A régit meg le kellene töröltetni. Az előerősítő így, hogy előtte is van rezgőkör, már nem gerjed. A tápfesz. meg jó szokásom szerint Led-del lett stabilizálva. A hangerő potenciométer is már a rendes helyére került. A hangfrekvenciás részt meg teljesen kidobtam, és újra építettem. A vége így is jó, nem kell az E-B közé 300 ohm, de 4,7 Mohm kell akkor a meghajtó bázisára. (Ettől hangosabb lett, az áramfelvételt közben mindig mértem.) A hangfrekvenciás előerősítőt a végétől függetlenül kell beállítani, és kondenzátorral leválasztani.
Az AFC igenis jó. Az elmúlt 2 napban tényleg nem ment egy ideig, mert egy forrasztás közben véletlenül a + tápra kötöttem a varicaphoz menő ellenállást egy ón pöttyel.
A hang "végfok" munkapont beállítása a rajzokon még nem az igazi. Már nem teszek fel róla rajzot, mert már túl sok lesz belőle. Aki IC-s hang véggel építi, az megússza ezt az egészet. Tulajdonképp az egy NPN és PNP tranzisztor galvanikus összekapcsolása miatt kényes dolog ott a munkapont. A potenciométer test felőli végét felszabadítottam, és oda tettem be az elkót, a tranzisztor bázisa közvetlen a csúszkára megy, és a 680 ohm helyett 240 ohm került a potm. meleg pont és a test közé. (Igazán nem szerencsés ott a 10 K potenciométer, de nekem csak ilyenek vannak, és nem akartam már úgy megoldani sem, hogy egy trimmerre ragasztok gombot, elég az, hogy olyan az állomáskeresője, az is párszor levált, és újra ragasztottam.) |
Bejelentkezés
Hirdetés |




) 




A hang "végfok" munkapont beállítása a rajzokon még nem az igazi. Már nem teszek fel róla rajzot, mert már túl sok lesz belőle. Aki IC-s hang véggel építi, az megússza ezt az egészet. Tulajdonképp az egy NPN és PNP tranzisztor galvanikus összekapcsolása miatt kényes dolog ott a munkapont. A potenciométer test felőli végét felszabadítottam, és oda tettem be az elkót, a tranzisztor bázisa közvetlen a csúszkára megy, és a 680 ohm helyett 240 ohm került a potm. meleg pont és a test közé. (Igazán nem szerencsés ott a 10 K potenciométer, de nekem csak ilyenek vannak, és nem akartam már úgy megoldani sem, hogy egy trimmerre ragasztok gombot, elég az, hogy olyan az állomáskeresője, az is párszor levált, és újra ragasztottam.) 




