Fórum témák
» Több friss téma |
Nem akarom modositani a radiot,hanem epitek egy proba erositot szilicium tranzisztorokkal es kiprobalom hogy szol 3 volton,ha most othon volnak Csikszeredaban tudnak olyan IC-t rendelni egy roman online uzletbol 65 baniert ami 40 forintnak felel meg,itt Magyarorszagon meregdraga az az IC,4 db kistranzisztort azt is 40 forintert meg lehet venni es elkokat meg ellenalasokar jo parszor meg a kukaban is lehet talalni .Aki nem hiszi ,hogy mekkora a kulomseg a roman es a magyar arak kozott itt van (nem tudom miert)Bővebben: Link
Volt egy kis japan radiom ami egyetlen ceruzaval mukodott es sziliciumok voltak benne,igaz,hogy volt 2 trafoja is.
Az ebay és társai tele van PAM8403 modulokkal. Elég olcsó simán megy 3v-ról. Kicsit ágyúval verébre, de használható.
Igaz,tele van, az amerikainak 1 dollar szivarpenz,csak ott kezdodik a baj,hogy ott van mar 3,5 dollarert a kesz radio,amit csak be kell kapcsolni ,nem kell hozza se paka se forrasztoon, se ideg,se fejtores
A hozzászólás módosítva: Dec 21, 2015
Nem azért építünk rádiót, mert nem tudjuk megvenni, hanem szórakozásból! Olyan rádiót,amit a boltokban árulnak, otthon nem is tudsz csinálni! Vettem egy Silver Crest sr 10 A2 scan rádiót még a nyáron a LIDL-ben,mert kezelésekre kellett járnom busszal Győrbe,hogy ne unatkozzak. Mellékeltek hozzá fülhallgatót és elemeket is,így a rádió ára kb 500 Ft, azóta be van kapcsolva, mutatja az időt, minden reggel ébreszt,és bekapcsol a beállított 9 órás hírekre. Sztereó szintézeres vevő van benne digitális skálával,ami olyan érzékeny hogy egyszer sem szakad meg az adás utazás közben. Lehet programozni kézivel és automatikusan,lehet szerkeszteni a beprogramozott adókat,stb. 4-es hangerőnél figyelmeztet a halláskárosodás veszélyére...,és még mindig a mellékelt alkáli elemekkel szól!
Egyébként meg lehet nálunk is 3,5dollárért rádiót kapni,pl.:http://www.olcsobbat.hu/termek/smarton_sm_2000-4f8ce9ccc1a99f7b6e019051/ ,vagy csomagolássérült áruk boltjában fele-harmada az áruk,szinte sajnálja az ember otthagyni.
Van itthon Lm386, de torzít 3V-ról. Akkor az rossz,vagy keveset kap? Miért folyton azt ajánlgatjátok, ha az nem is megy 3 Voltról? Az hány voltos?
Azt hiszem kell vennem TDA2822-t, mert a bontásból valók elfogytak.
Kérem a következő hozzászólásod jusson el az RF fokozatig. Napok óta 3 voltos hangerősítőkről olvasok. Tényleg nem megsérteni akarlak, de ennyi erővel az M3 as metrikus anyáról is beszélgethetnénk, hiszen lehet ilyen alkatrész egy rádióban.
A hozzászólás módosítva: Dec 22, 2015
Akkor kérem: KIA8122.Komplett AM-FM sztereo rádió. Ehhez volt végfok a KA2209. Beépítettem mindkét IC-t a Sony IC-s Hauser-be. Miért? Azért, hogy ne legyen rajta az a plusz 1 elemtartó, hanem beleférjen az egész a rádió dobozába. Én meg ezért erőlködtem azért, hogy mindene 3 Volt alatt is menjen. A rádió IC-nek csak a sztereo dekóder részét kötöttem be. Így a zsebrádió úgy lett szterová alakítva, hogy mindene a házon belül lett. A csatlakozó helyére tettem egy kapcsolót, hogy hangszórós mono üzemhez a dekódert, és a bal csatorna erősítő tápfeszültséget ki lehessen kapcsolni, mert azok áramfelvétele + 10 mA. Egy másik kapcsoló a potenciométer, illetve a dekóder között vált, és kapcsol be a végfokkal sorba 100 ohmot a fülhallgatóhoz, hogy ne üvöltsön, és kisebb alapzaja legyen. Ezt már beépítettem a múltkor. Ezért most 2 plusz kapcsolója van, amit lehetett volna helyettesíteni akár egy sokérintkezőssel is.
A hozzászólás módosítva: Dec 22, 2015
Már leiratkoztam a topic figyeléséről. Többet szóban nem is fűznék hozzá, nem érdemes. Ellenben összegyűjtöttem pár képet milyen volt régebben a téma.
Off. ötkarakter
Szia!
Nemsoká teszek fel újabb épült rádiót,csak lassan haladok vele.
Szépek ezek a rádiók. Tehetnél fel rajzokat is róluk. A szünetben belekezdek egy audionba.
(Sajnos minden könyvben vannak unalmas oldalak, de attól még érdemes végig olvasni a könyvet.)
Szepek a radiok,kulonosen a dobozok,sajnos nekem nincsenek olyan asztalos szerszamaim amivel ilyen szep dobozokat tudnak kesziteni
Nekem csak ilyen hibas radioim vannak aminek a dobozat es alkatreszeit fel tudom hasznalni,peldaul ez egy kis taskaradio,hibas,javittani pedik nem erdemes mert csak AM,fel lehet hasznalni benne a HF erositot,a hangszorot es meg van a skala mechanika is,igy csak az RF reszet kell megepiteni
Nem szuper...egyenes....De a doboza tenyleg szuper
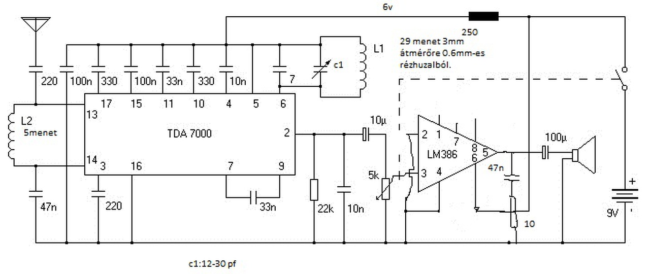
Próbálkoztam egy kicsit a TDA 7000-es icvel,nem a legjobb mert nagyon gerjed.
Nagyon messze van a forgókondenzátor. Hosszú odáig a madzag.
Főleg fm-en ez probléma.
Kellemes karácsonyi űnepeket kivánok és buék.
Ma böngészve az interneten találtam egy internet rádiót (internet rádio intempo gx01 wifi és lam). A kérdésem a következö. A rádió bekapcsolódik, kapcsolódik az internetre, találja a rádióállomásokat de nem csatlakozik a rádióállomásokra. Nincs távirányitó a rádióhoz. Meg szeretném vásárolni de nem tudom hogy érdemes e vagy nem? Érdemes e megjavitsam ha megvásárolnám mert nagyon tetszik és árban is nagyon megfelelö? Ha valakinek van valami ötlete akkor nagyon szépen kérem osza meg velem. köszönettel Frity
Az oszci tekercs sem jó. Vagy rövidhullámmal próbálkozol?
Szia! Így építsd meg, ahogy itt van:www.circuitstoday.com legyen antennaköri tekercse is, és 5 menetes tekercseket ír 4mm átmérőn tekerve. Minimális bekötővezetékeket használj. Amit te tekertél, középhullámra kevés, Urh-ra borzasztóan sok. 30 menettel mit akarsz, ha jól látom, oda megy a forgókondi, tehát oszci tekercs szeretne lenni?
A kapcsolás szerint ahogy én építettem meg úgya 88-105Mhz között van a vétel. Bővebben: Link
Próbáltam az általad adott tekercsszámmal úgy nem szólalt meg.rövid vezetékkel a forgókondit bekötöttem úgy se változott.Átépítem mihelyst lesz időm.
Az adatlapon az oszcillátor tekercsnek 56 nH van megadva. Az a másik, sokmenetes "valami", az nem bemenőkör, bár a bemenetre csatlakozik, hanem tekercs antenna. (nem helikális)
Kísérleteztem a rádióval, az eredeti rajzon a hozzákapcsolt erősítő rossz átkötöttem a bevált módon,
illetve a rádiórészen a tápfeszültséget 6 voltra állítottam be. Most már egész szépen szól. Az általam javított kapcsolási rajzot is feltettem. |
Bejelentkezés
Hirdetés |





















Főleg fm-en ez probléma. 







