Fórum témák
» Több friss téma |
ok 1re gondoltunk
Akkor most keresgélek tovább KF után ,utána jelentkezek.
Szia Kistee ,
Örülök, hogy volt inspiráló tartalma írásomnak az aktív Loop antennáról. Kérdésedre válaszolva hasonlóan elektroncső javaslatához én a 80 méterre vagy 40-re de ha van kitartásod akkor legjobb lenne mind két sávra elkészítenek a vevőt. A 80m-azért ajánlatos neked mert reggelente, és esténként míg fel nem jön a Keleti terjedés az SSB tartomány elején hallhatóak magyar nyelvű amatőrök beszélgetése. Régebben volt úgynevezett Magyar bagoly kör a 3768KHz-n . A 40 méteres sávot minden kezdőknek szóló leírás ajánlja azért mert 7 Mega Hertzen mindig lehet hallani forgalmazást. Magyar amatőrök a 7093 KHz-n szoktak találkozni +- néhány KHz ha esetleg foglalt ez a frekvencia. Tudom ajánlani a fentebb említett kis Róka vevőt amit simán használhatsz megfigyelésre is. Az aktív Loop antennát is könnyű hozzá illeszteni egy három menetes csatoló tekerccsel a ferrit rúdon. Van a honlapomon egy nagyon egyszerű és könnyen elkészíthető kis 80m-es vevő a honlapomon is. 80 m gyakorló vevő
Sziasztok. Idő közben ráleltem itthon régebben kapott pár régebben kapott rádiós ic-re. Típusuk: motorola MC14960 (fémtokos)
Az volna a kérdésem hogy érdemben mire tudnám használni ezt az ic-t?
Szia,
Ezt az IC-t mivel ez egy kétszeresen kiegyenlített keverő első sorban keverésre alkalmazták virágzó korszakában. Úgy képzeld el, hogy a Rádió frekvenciás bemenetére adunk pl. 9MHz vivő frekvenciás jelet a Hangfrekvenciás bemenetére a mikrofonod felerősített jelét vezetjük és a kimeneten megjelenik az egyéb keverési "termékek" mellett a te hangoddal modulàlt kétoldalsávos elnyomott vivőjű jel. Tehát ezt alkalmazták ilyen rendszerű adókban adóvevőkben. De nem vezetlek a sűrűbe, hanem kérdésedre a neked érdekesebbre térek rá. Ha van kedved ezzel a remek IC-vel kísérletezni, jó és egyszerű kis vevő készüléket tudsz vele építeni. Akár szinkrodin akár szuper rendszerűt. Itt a fórumon is adhatunk tippeket de ha "gugliba" beírod, hogy MC1496 receiver biztosan lesz találat, még 4.43619 MHz-s kristályokkal SSB rádió is van fenn.
Gondolom amatőr frekikre is könnyen beállítható akkor? (Legalábbis könnyebben mint a vevőm átépítésével járnék).
Igen , amatőr frekvenciára is könnyen építhetsz ezzel az IC-vel vevőt.
Csatolok pár képet egy igen egyszerű 80m-es szinkrodinról. Ha felkeltette érdeklődésed akkor tekercs adatokat és szükséges infókat adok.
Az ic előtti trafó adatai érdekesek számomra (gondolom fazékmagosra is jó elkészíteni). A BFO rész kiváltható,na meg a 2 tranzisztoros kimenő fokozat helyett is jó egy kisebb,de nagy erősítésű végerősítő ic.
Az IC RF bemenetére csatolt trafó az egy nagy jóságú hangolt rezgőkör induktív részét képezi. Fazék vasmagos kivitelben úgy tudom elképzelni mint pl. a SOKOL rádiók KF trafoinak kivitele ami ráadásul hangolhato is kis tekerhető vasmaggal plusz a jósága is teljesen megfelel célunkra. 80m-re 20 menetet kell feltekerni 0,1 mm-es zománc szigetelésű huzalból, az L1 jelű csatoló tekercs elég 3 menet. Vagy ha van egyéb hangoló magos tekercs csévetested kb. 8 mm átmérőjű arra is elkészítheted szintén 20 menettel kb. 0,25 mm -es zománc huzalból.
Szerintem olyan jó ez a Lokál oszcillátor, hogy minek váltanánk ki mással? Ha csak nincs valami jó stabil DDS-ed. A hang erősítő fokozatot is ki lehet persze IC-vel is váltani de ha valaki szeret méresgetni is akkor ez a kis zajú hangfrekis kapcsolás érdekes lehet plusz tudsz matatni az alkatrészek között
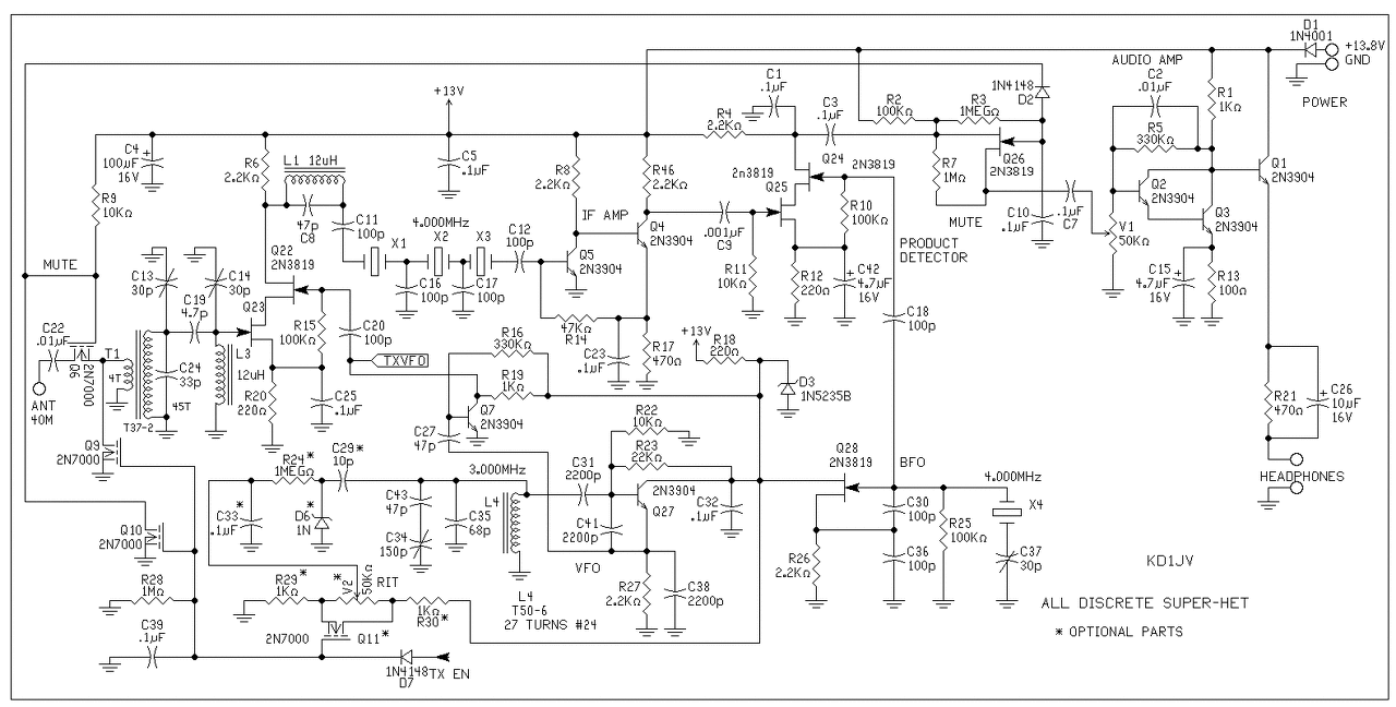
Sziasztok! Ha valakinek van kedve gyári nyákra csak tranzisztoros QRP adóvevőt építeni kérem keressen meg. Találtam ezt a kapcsolást. Berajzoltam Sprintbe a nyákját. A BME-n le tudom gyártatni de egy darabot nem igazán érdemes. Ami tetszik benne: A hangolt körök egyszerűen megcsinálhatóak és nincs benne spéci anyag. 3 watt jön ki két db BS170-ADC 40 Bővebben: Linkből a végén.
Végül rendeltem 4 db LÖT stopos nyákot. Kb két hét mire megjön. Egyiket félretettem Medvének. Kicsit javítgattam a nyákon. Eltérések: belefér a Rádiótechnikában kapható 10,7 Mhz-es KF tekercs is. Anyag: TALI Bt- től jön gyűrű, eredeti FET van a HE-Store ban. (amúgy sehol máshol). Ha valakinek segít Váckisújfalun van műszerparkom, bemérésben tudok segíteni.
Szerintem a két kicsi helyett egy nagyobb (pl IRF540) jobban muzsikálna vagyis jobban tűrné a nyúzást mondjuk rossz SWR vagy hasonlók.
A hozzászólás módosítva: Feb 21, 2017
Igen, hasonló kiépítésben abból 5 watt simán kijön. Elfér a nyákon, de a terv már így ment ki. Egyébként a kaszkód erősítőkben lévő FET-ek ijesztettek meg jobban.
Csak egy javaslat - lehet hogy érdemesebb lenne egy univerzális formátumban kapcsolási rajzokat megadni, nem pedig konkrét programhoz kötötten! Vagy szerinted mindenkinek van otthon lay6 kiterjesztést megevő programja ?!
Ha ez segítség: http://www.softpedia.com/get/Science-CAD/Sprint-Layout-Viewer.shtml, nézegetni ezzel is lehet, és legálisan ingyenes
PDF-et erre találták ki.
Én már nem töltögetek le és telepitek cuccokat csak ezért, hogy megnézzem a kérdést. ![]() Ez van.
Kedves Kollégák! Pár hozzászólásban feljebb csatoltam az ADC40 eredeti kapcsolási rajzát és teljes ottani nyáktervét. Ezek után csatoltam a Sprint LAY 6-ból exportált JPG-t és a szerkeszthető LAY6 filet is. Nem értem a fenti 3 hozzászólást. Íme a link újra:Bővebben: Link
Ez nagyon rendes dolog volt Tőled
Sdrlab-nak is van sok igazsága, és én is úgy általánosságban kommenteztem. Akkor sem fogok szoftvereket letölteni
Mindenkinek szíve joga hogyan viszonyul ehhez a kérdéshez, de van a dolognak egy másik oldala is, nem az amikor segítséget kér valaki és senki által nem használt formátumú mellékletekkel teszi, hanem amikor, mint jelen esetben is, közzé tesz valaki valamit, egy az általa használt formátumban (is), amely formátum ráadásul, elég általánosnak tekinthető. Ha valakinek szüksége van a megosztott információra, szerintem annak kell tennie azért, hogy hozzájusson. Tehát, ha Pl. egy Német amatőr közzétesz egy bevált kapcsolást Eagle-ben, amit én Pl. nem használok, szerintem nekem illene telepítenem...(Az eredeti Adobe PDF olvasót szintén telepíteni kell...stb.)
A hozzászólás módosítva: Feb 22, 2017
A jpg-k ok..., de érdemes a kapcsolási rajzot is akkor már melléjük tenni, mert akkor egyértelmű, miről van szó...hisz ahogy mondtad, szerkeszthető! S mint olyan, lehet benne módosítás is..., mint ahogy később valaki emlegetett IRF540-es tranzisztort, amihez hasonlónak én nyomát se láttam az eredeti oldal kapcsolási rajzában! Ezért (is) jegyeztem meg, hogy célszerű az aktuálisat pdf, jpg, vagy bármi más ált. elterjedt formátumban megadni.
Valamint olyan oldala is van, hogy ha valaki segítséget, véleményt kér valamiről(itt nem feltétlenül szendi001-re gondolok), akkor olyan formátumban adja meg, amihez semmi extra program nem kell. Csak nem fogok 100 féle programot telepíteni azért, hogy valakinek segíthessek! Amit te általános programnak mondasz, az egyáltalán nem az!
A hozzászólás módosítva: Feb 22, 2017
én se fogok webböngészőt telepíteni senki kedvéért..
![]() megvárom amíg a kérdést meghozza a postás.. ez már 500éve jó megoldás..
Az IRF530-nak jóval nagyobb gate kapacitása van(az 540-snek meg pláne). Csak úgy nehezen helyettesíthető azokkal(egyéb paraméterek is lehetnek lényegesen eltérőek)
Ha gondot okoz a G kapacitás (ami nem is biztos) akkor IRF610 például.
Azt meg is kell ám tudni hajtani ! A 610-es már lényegesen jobb, de még egy fokkal az irf510-es. Ezek közül a kommerszek közül ez a legjobb talán...
7 megán elmegy mind, de kell neki kb fél watt meghajtás.Bővebben: Link Én ezt megépítettem. 14 megán is tök jól ment. Annyit csináltam az egyik verziónál hogy a kicsatolásba tettem még egy impedancia illesztő trafót. Akkor bele ment másfél amper is 13 Voltról.
Na igen..., csak amikor már több a meghajtás igénye, mint amennyi kijön belőle, akkor nem olyan szép a leányzó fekvése
Azoknak a FET-eknek nem csak a gate kapacitása nő(=egyre nagyobb meghajtás igény), hanem lassulnak is(=nő a veszteségük). Az510-es az, amivel még épkézláb erősítést össze lehet hozni, 15-20MHz-ig talán még az 520-as is elmegyeget, de fölötte már nemigen.
Közben elkészült a QRPvégfok (IRF630) és az EFE 40 is. Csak a végtranyó kell bele. Tegnap meglettek a ferrit gyűrűk.
A hozzászólás módosítva: Feb 23, 2017
Mitől lett ilyen poros?
|
Bejelentkezés
Hirdetés |












! Letöltöttem és csatoltam a rajzot. Egyelőre ez szerint megyek. 



Azoknak a FET-eknek nem csak a gate kapacitása nő(=egyre nagyobb meghajtás igény), hanem lassulnak is(=nő a veszteségük). Az510-es az, amivel még épkézláb erősítést össze lehet hozni, 15-20MHz-ig talán még az 520-as is elmegyeget, de fölötte már nemigen. 




