Fórum témák

» Több friss téma
Fórum » Soros port + LED + nyomogombok
Lapozás: OK   1 / 1
(#) Magnus hozzászólása Szept 16, 2006 /
 
A következőekben kérnék segítséget.
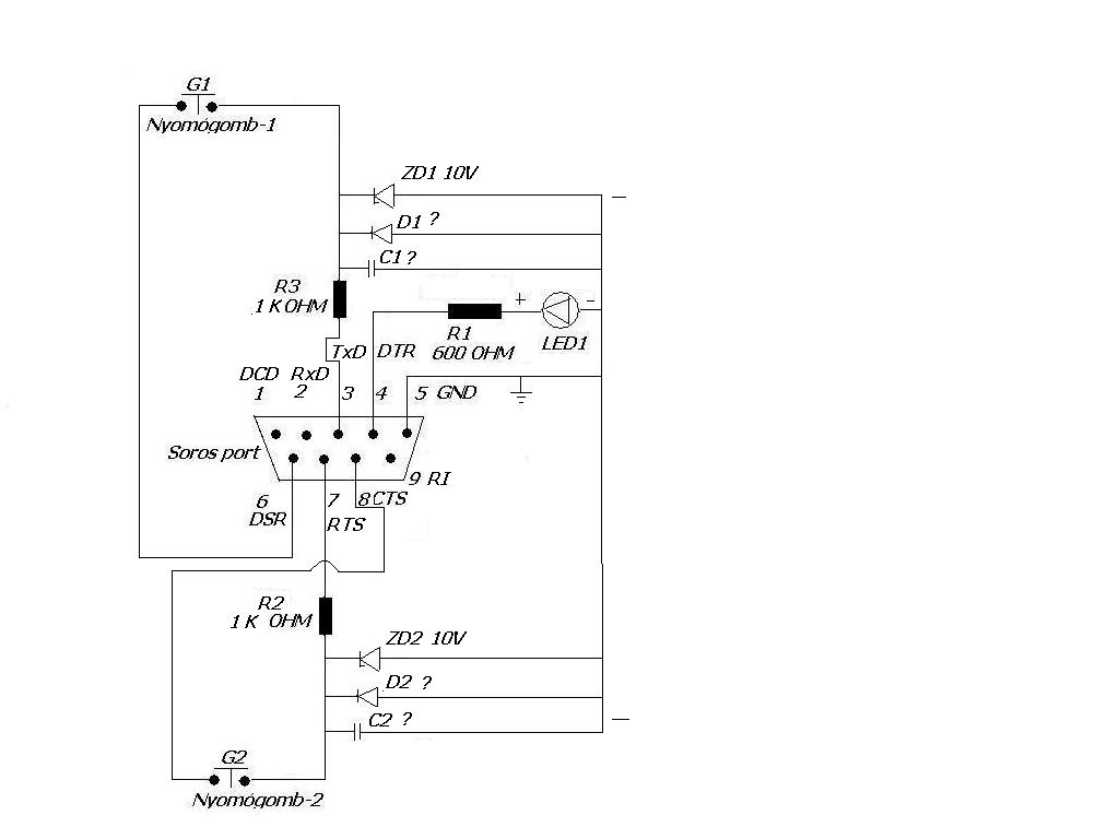
A soros portra (egy usb-soros átalakítót használok) szeretnék egy kis elektronikát építeni. Az elektronika lényege:
1 LED ki/bekapcsolása programból illetve két különálló nyomógomb lenyomásának érzékelése a programon belül. Megpróbáltam egy lehetséges kapcsolást kitalálni, de mivel nem vagyok villamosmérnök, így nem biztos hogy működőképes. Tudna valaki segíteni, hogy az elképzelt áramköri bekötés működőképes-e illetve hogy az alkatrészek méretezése megfelelő-e vagy pontosan milyen alkatrészeket kéne beépíteni.

Az elképzelt kapcsolási rajzot csatoltam. info@tarantula.hu
(#) Sebi válasza Magnus hozzászólására (») Szept 16, 2006 /
 
Én inkább azt tanácsolnám, hogy a soros szintillesztő (MAX232 v.vmi hasonló) előtt kellene belenyúlni az átalakítóba. Ennek több előnye is van: elmarad a nyűgös sorosporti szintekkel való manipuláció, rendelkezésre áll +5V és +3,3V (az FTDI chip előállítja), tehát a nyomógombok tetszés szerint a talajra v a tápra húzhatnak, a LED is hasonlóképp (esetleg kell neki egy tranyó).
A lényeg úgyis a szoftver, amit a gépre teszel.
(#) Magnus válasza Sebi hozzászólására (») Szept 16, 2006 /
 
Esetlegesen egy usb parhuzamos átalakító is szóba jöhetne. Jelenleg az usb-Centronics atalakito kabel ami meg kaphato a boltokban. Erre nincs valakinek vmi otlete?
Következő: »»   1 / 1
Bejelentkezés

Belépés

Hirdetés
XDT.hu
Az oldalon sütiket használunk a helyes működéshez. Bővebb információt az adatvédelmi szabályzatban olvashatsz. Megértettem