Fórum témák
» Több friss téma |
Sziasztok
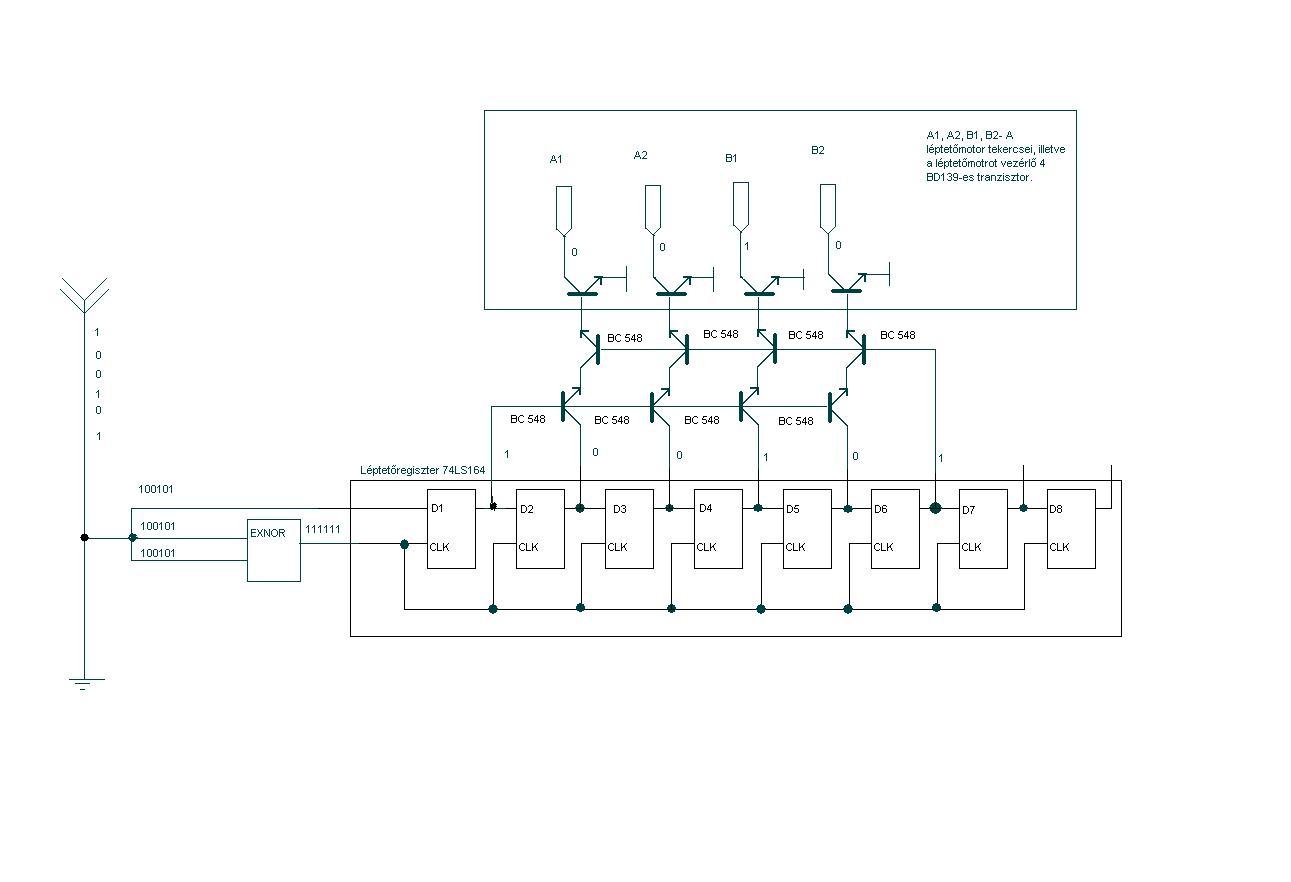
:wave: 4 darab léptetőmotrot szeretnék vezérelni rádióhullámmal. A rádióhullámon sorban lehet küldeni a jeleket. Ezért, szükség van egy léptetőregiszterre ami a soros jelekből párhuzamosat készít, a léptetőmotor számára. Mivel a léptetőregiszter regiszterei egyenként töltődnek fel, s ugyanilyen ütemben ki is ürülnek, ezért van szükség az első és az utolsó bitre, ami mindig 1-es. Az első és az utolsó bitek, nyitják ki a BC548-as tranzisztorsorokat, amik átengedik a léptetőmotor számára szükséges 4 irányító bitet. Így csinálnák a sorosból párhuzamosat. Mivel a léptetőregiszter lépéseit, az órajellel ugyanolyan ütemben kell szabályozni, mint amilyen ütemben érkeznek az antennáról a jelek, ezért egy EXNOR-t használok órajelgenerátorként. Ez a rá párhuzamosan érkező egyforma bitek hatására egyeseket generál, amit elképzelésem szerint órajelnek használhatnák fel. Első kérdésem az lenne, hogy szerintetek, működne-e így ez az áramkör? Saját tervezés, és még nem vagyok valami nagy mester a szakmában. Azért kérdezek ennyit, hátha előbb utóbb kikupálódok . A második kérdésem, a rádiójelekkel kapcsolatos. Mivel négy motrot kell egyszerre vezérelnem különbözőképpen, ezért négy különböző frekvenciájú rádiósmodult kellene alkalmaznom, hogy az adott jelet, a helyes léptetőmotor antennája fogja fel. Nem tudna valaki ebben segíteni, hogy, hogy oldjam meg olcsón és egyszerűen? 5-10m távolságról lenne szó. Az Aurel által kiadott 434 MHz-es modulok megfelelnének, ha lehetne változtatni a frekvenciáját. De sajnos ez nem így van. Csatolom a bekötési rajzot
Elsőre egy dolog már hiányzik is belőle: a reset. Ha ugyanis kiküldted az első adatsort, a második csak tovább léptetne, azaz kettővel több bitet kellene ahhoz küldened, hogy a jó helyen álljanak a vezérlőbitek.
A négy modul helyett nem lehetne azt csinálni, hogy egy mikrokontrollert ültetsz a vevő mögé, egy helyett négy motor adatait küldöd ki gyors egymásutánban, és a kontroller majd szétosztja a motorvezérlők között?
Folyamatban van nekem egy rádiós soros adatátviteli cuccom. Néhány hét mulva lesz talán használható eredmény. Ameddig eljutottam Most pc sosos portjáról
a csatolt progival tudok tetszőlegesen Byte-okat kiküldeni. Pic mikrovezérlővel megoldottam 2 szolgát meg tudtam külömböztetni, úgy hogy egy 2 Bytos címet adtam nekik, és ha stimmelt utána vette be az utána érkező byte-okat. Eddig csak rs232 huzalozottan. most rendeltem néhány db RXQ2-s modult a Chipcad-től. Ha mikrokontrollerre meg van irva az egész akkor nem kell regiszterrendszer sem egy "teljesítmény" fokozat kell a PL: PIC 16f876 lábaira és kész is van minden. PL a lépésszámot byte-értékben elküldöd rádiós RS232-n a pic veszi az UART-n és lépteti a motort egy algoritmus szerint. A lépészsámot rádiósan elküldheted egy mikrokontrolleres hasonló áramrörről is. Ez is müködik. Ha érdekel kerítek valami példaprogit, először csak a byte-ok átvitelére.
Jól hangzik a mikrokontroller, de csak kettő közt tudnak vele osztani. másik két léptetémotor, egész más helyen van. Szóval így is szükség van legalább két különböző rádiós frekire. Ja és most hallok elősször a mikrokontrollerről. Ez valami multiplexer féleség?
Hello, a két különböző vivőfrekvenciában ne gondolkodj. Az ilyen rendszer már a múlté! Egy ilyen feladatot a számítástechnika segítségével oldanak meg. Gondolok itt valamilyen szoftverre. Hogy hogyan, mivel az Tőled függ, hogy mihez értesz. Volt egy topik:"Gondolkodó ház" avagy házautomatizálás" Ha az ott vázolt elveket megismered, akár több száz motort is vezérelhetsz.
Azért mondtam,hogy van minden szolgának (nálad motoros vezérlő mikrokontrollerrel) egy címe 2byte vagy akár 4 byte hosszú is lehet. És akár 10 motort is használhatsz ugyanazon a frekin, mert ha az adás
vételekor csak az reagál a további adatokra akinek a címe passzol.
Köszi szépen dcsabi a progit, meg a leírást, de az a baj, hogy a PIC-hez sem értek. Tudom, hogy programozható IC-k de a nyárra tervezem velük az ismerkedést.
Ahha, értem dcsabi
A rádiós modulokat anélkül elég nehéz normális használatra bírni. Ha összejön a renszerem egy egyszerü dolgot úgyis feldobok ide a fórumra PIC progival együtt.
A mikrovezérlők, ide is való tipusai 1000ft körül vannak, minimális külső alkatrészekkel viszonylag "okos" dolgok megépíthetők akár néhány óra alatt. Érdemes velük megismerkedni, én se vagyok profi 20-30 ilyen projektet csináltam már először anyáztam egy kicsit....
Nem a léptetőmotorokat, hanem a mikrokontrolleres rádiós modulos vevővek kell beállítani egy címet, és utána csak arra reagál. Ez az egység vezérli majd a motorodat is.
Minden léptetömotorhoz tartozik majd egy mikrokontrolleres áramkör, ami veszi a rádiós jeleket és eszerint lépteti a motort.
Köszönöm nektek a segítséget. :worship: . A mikrokontrollernek még utánanézek. Tetszik az ötlet.
Szerintem kezdj valami egyszerü dologgal küldünk rá példaprogit aztán ha magadévá teszed, majd jöhetnek a komolyabbak. Az első eredmények után rohamléptekben lehet haladni... Kell először egy mikrokontroller programozó cuccot is szerezned vagy csinálnod amit "égetőnek" hívnak. Ez 1-2 ezerből megvan. Rengeteget említettek itt a fórumon is vagy ITT ITT_is
A link javítva, egyel több "/" volt benne! Köszönet valve! |
Bejelentkezés
Hirdetés |




. A második kérdésem, a rádiójelekkel kapcsolatos. Mivel négy motrot kell egyszerre vezérelnem különbözőképpen, ezért négy különböző frekvenciájú rádiósmodult kellene alkalmaznom, hogy az adott jelet, a helyes léptetőmotor antennája fogja fel. Nem tudna valaki ebben segíteni, hogy, hogy oldjam meg olcsón és egyszerűen? 5-10m távolságról lenne szó. Az Aurel által kiadott 434 MHz-es modulok megfelelnének, ha lehetne változtatni a frekvenciáját. De sajnos ez nem így van. Csatolom a bekötési rajzot





