Fórum témák
» Több friss téma |
Mielőtt kérdezel, a következő két dolgot ellenőrizd!
I. A helyes tápfeszültségek megléte.
II. A kimeneten van-e egyenfeszültség.
Sziasztok,
Szert tettem egy STK4241II IC-re egy trafó mellé kaptam. Megépítettem a 320volt.com-on található panelt hozzá. Az egyik oldal szépen szól is, de a másik sajnos nem szólt. Így szét bontottam és a bal oldalon lévő végtranyók zárlatosak voltak. Valaki javított már ilyet? Mivel lehetne helyettesíteni a benne lévő tranzisztorokat esetleg? A képen látszódik, hogy melyik miről is lenne szó. Elvileg illetve gyakorlatilag ez még eredeti STK. Kép Sajnos csak Linként tudom csatolni a képet valamiért a Fájl melléklet rublika nem jelenik meg. Válaszokat előre is köszönöm.
Keress bele D-pak tokozású tranzisztorokat, akár az eredeti helyre is betehetők.
Ki kell mérni a két oldalt, hogy közel-azonos legyen minden érték. Üdv!
Üdv! Egy kis segítséget kérnék kimeneti DC balance beállításban ha lehetséges ezt egyáltalán megoldani. Adott egy Onkyo A-44 erősítő már a topikban volt róla szó. A kimeneti végfok STK1050 mindekettő tönkrement helyettesítettem egy darlington párral. Az erősítő működik terheléssel is ki lett hajtva. De a kimeneti DC nem akar beállni nulla közeli állapotra. A jobb csatorna kimenetén 225mV körül mérek a bal az sokkal jobb ott csak 70mV az még jó is lehetne. A kapcsolási rajzon feltüntetett mérési pontokon helytelen értékek jelennek meg. Ez betudható a tápfesz növekedésnek is mert ugye már a hálózat nem 220V és ebből adódóan a DC az +/-47V ezt én is már soknak találom de próbáltam +/-42V al is ott is ugyan ez a hiba van.
A hozzászólás módosítva: Jún 15, 2024
Szia!
Kezdjünk a leggyakoribb hibával! Mikor tönkre megy a végfok, a kimeneten valamelyik táp jelenik meg az esetek többségében. A visszacsatoló ellenálláson keresztül erre a feszültségre próbájuk feltölteni a visszacsatolás kondenzátorát, ami vagy fordított polaritást, vagy polaritáshelyes túltöltést szenved el. Az "Onkyo" ábrán C503 pozíciószámú ez a kondi. Mint látható mindössze 10 V-os. Ha sérült, akkor szivárog rajta az áram és ezt korrigálja az erősítő a DC eltolódásával. A szivárgás hatására az invertáló és a nem-invertáló bemeneteken található R502 és R505 egyaránt 56k ellenállásokon jelentősen eltérő feszültség esik. A doksi szerint 100 - 100 mV-ot várunk. Ha valóban így állna a helyzet, akkor kondi csere következik.
Szia! A kondi csere megtörtént 100µF 50V ra mindkettő és a hiba így is ugyan az maradt a 2. lábon 81mV ot mérek a 14. lábon meg 317mV És valóban az egyik kondi csak 8.6µF kapacitású lett a másik 86uF
A hozzászólás módosítva: Jún 15, 2024
Vizsgáljuk meg a drivert! Mérj feszültséget testhez képest a 15-ös lábon, a pozitív táphoz képest pedig 12 és 13-ason.
A 15. LÁb testhez képest 329mV Pozitív táphoz képest mérve 12.láb 3.05V , 13.láb 2.77V
A driver működőképes, bár nagyon magas a bemenő árama.
Valószínűleg nullázható a kimeneti offset feszültség a 12, vagy a 13-as láb és a pozitív táp közé kötött változtatható értékű ellenállással. A 12 és a 13 láb közül aszerint választunk milyen polaritású a kimeneti feszültség. A 12-es visz a negatív tartomány felé. Az ellenállás lehet 5-10k trimmer, vagy poti, amit fix ellenállásra cserélünk. Ha van kedved jobban elmélyülni a hiba eredetét illetően, akkor add meg a kimeneti illetve a 14, 15 lábak feszültségének értékét és polaritását a testhez képest.
Természetesen érdekel a hiba eredete. A 14. lábon -328mV a 15: láb -324mV
A hangszóró kimeneten R OUT -212mV és az L OUT +66mV A 100µF 10V kondik cseréjével valamelyest javultak az értékek de nem sokat.
Egyelőre vizsgáljuk a jobb csatornát, mert ott látványosabb a hiba, sőt a bal csatornát akár megfelelőnek is tekinthetjük.
A jobb csatorna pozíciószámaira úgy hivatkozom, hogy 100-at adok a bal csatorna azonos funkciójú alkatrészéhez, mint az STK-esetén teszi a doksi. Az R OUT és a Q601 14-es láb közötti 56k (R605) ellenálláson közelítőleg 100 mV esik, ami láthatóan rendben is van. Az R602-őn is 100 mV közeli feszültségnek kéne esnie. Mivel itt több mint 300 mV-ot mértél, vagy nagyobb áramot kíván a 15-ös láb a kelleténél az IC hibájából, vagy az R602 jóval nagyobb a valóságban az 56k-nál. Bent a helyén, feszültségmentes állapotban mérd meg ennek az ellenállásnak az értékét!
Minden jó és mégsem jó
Van a NYÁK-on lehetőség a Q601 15-ös láb közelében, hogy szivárgás legyen a negatív táp felé? Ez az IC volt forrasztva a javítás során? Azért kérdem, a forrasztás segédanyaga néha vezetőképes. Ilyenkor a kimeneti egyenfeszültség ingadozni szokott.Ha ezeket kizárhatjuk, akkor a Q601-re terelődik a gyanú. Amúgy szól az erősítő és rendesen kivezérelhető? Ha igen, akkor nem feltétlen cserélném a Q601-t. Megpróbálnám az ellenállást a 13-as láb és a 9-es közé. Ha sikerül levinni a kimeneti egyenfeszültséget 150 mV alá, akkor meg is állnék. A hozzászólás módosítva: Jún 16, 2024
Szóval igen lett forrasztva át is takarítottam a környékét és a végfokok modulokat is áttakarítottam. Az erősítő tisztán szól nagy hangerőn is. Sőt hangfal tesztek elött műterheléssel járattam is. Bővebben: Link 13. és 9. láb közé mekkora ellenállást gondoltál?
A hozzászólás módosítva: Jún 16, 2024
Így már képben vagyok az előzményekkel.
Berajzoltam szimulátorba az STK-3062-t, megtippeltem az ellenállások értékét. Ez alapján a 9-13 közé 1k-s ellenállást ajánlok induló értéknek.
Ezesetben a kimeneten 567mV van. Nőtt a kimeneti fesz.
Nagyobb értékű ellenállásra lesz szükség. Ha van 5-10k trimmered/potid, akkor azzal kikísérletezheted az értéket. Ha nincs, akkor köss a már fent lévő 1k-val sorba újabb ellenállásokat, míg nullát, vagy pár 10 mV negatív kimeneti feszültséget nem kapsz.
Hát szerintem ezzel nem lehet mit kezdeni. 8.2k ellenállással kötöttem sorba 10k heli trimmert és már azt is fullra kitekertem és 241mV nál megállt. tehát 18.2k van a két láb között.
Ez csak azt jelenti, hogy kisebb a hiba a vártnál. Próbáld 100k környékén!
Akkor 20 és 100k között lesz valahol a keresett érték. A balansz-ellenállás értéke és a kimeneti feszültség között nem lineáris az összefüggés, ezért sajnos kísérletezned kell.
100k trimmer használatával sem jutottam semmire.
Az a gyanúm, hogy az 1k ellenállástól a kimeneti feszültség abszolút értékben növekedett és a mért 567 mV a testhez képest negatív volt. Sajnos a polaritás elhagyását pozitív feszültségnek veszem és a növekedést mindig pozitív irányú feszültségváltozásnak.
Tetézi a kavarodást az adatlap rosszul olvasható ábrája az IC belső felépítéséről. Abba belelátható a 12-13 lábak funkciójának felcserélődése is, amit a mérésed tett helyre. Mindezekből következik, hogy ugrunk vissza az 1k beépítésére, de most már a 9-12 közé.
Én írtam rosszul -567mV nem írtam elé az előjelet. Amúgy kipróbáltam a 9-12 közé az 1k-t csak egy pillanatra nyomtam meg a power gombot. A kimenő fesz felszaladt 9V fölé. így nem hagytam bekapcsolva.
Találtam egy kapcsolást egy másik erősítőnél használnak egy másik driver-t ez TA-1001 csak erről nem találok adatlapot. Ez 2 db STK0050 darlington packot hajt és itt megoldották egy trimmerrel a kimeneti DC állítást. A hozzászólás módosítva: Jún 16, 2024
Több módon beavatkozhatunk a kimeneti DC szintbe, amit csatoltál az is egy megoldás.
Esetünkben azzal is meggyűlne a bajunk, mert rendellenesen eltérő az invertáló és a nem-invertáló bemenet árama. Visszatérve a tapasztaltakra. Az észlelt 9 V szintén negatív polaritású testhez képest? Mert akkor az előttem lévő adatlap lábszámozása jó, a tranzisztorok bekötését rajzolták helytelenül. A 9-13 lábak közé kötött ellenállás hatására növekvő negatív kimeneti feszültség pedig nem sok jót jelent Q601-re nézve. Feltehetnénk az R602 test felőli lábát +200 mV-ra és megoldódna a probléma, de remélem ettől elegánsabb megoldást is ki tudok izzadni. A jelenlegi -225 mV egy 4 Ω-os hangszóró tekercsét 12 mW-tal fűti, ezzel elmenne a készülék az idők végezetéig. Mint hallhattad ez a csatorna épp úgy szól mint a párja. Ami nem megnyugtató a dologban, hogy az erősítőben nincs DC védelem, csak koppanásgátló. Az egyelőre azonosítatlan hibától szenvedő driver gondolhat egyet és kiküldheti a tápot a kimenetre arra az időre míg a soros biztosíték ki nem olvad. Az pedig veszélyesen sok a hangsugárzó számára.
Mellékelem hogyan kéne működnie. Vízszintes tengelyen az R26, a függőlegesen a kimenet.
Most kipróbáltam a 9. és 12. láb összekötését 1k ellenállással de ezuttal folyamatost bekapcsollással. Az a 9 volt körüli érték bekapcsoláskor és kikapcsoláskor is jelen van. de csak rövid időre. kb fél másodpercre. és negatív előjelű aztán vissza áll -585mV ra a kimenet. Arra gondoltam hogy még is meg kéne építenem azt a drivert igazából megvan hozzá minden alkatrész. Megnézném mi sül ki belőle. Ennek az STK-nak meg altávolítanám a kupakját hogy szemügyrevehessük természetesen úgy hogy éségben maradjon. Aztán kilehet méregetni az alkatrészeket. És így még az adatlapon levő rejzon is fel lehet tüntetni az értékeket.
Mielőtt komolyabb átalakításba fognék, lemosnám a panelt az STK3062 környékén. Láthatóan gondosan lekapargattad a lábak közötti NYÁK-ot, de ez nem minden esetben elegendő. Ha az első mosás után azt tapasztalod, hogy megváltozik a kimeneti egyenfeszültség bármilyen irányban, akkor érdemes lesz jól megsikálnod. Nekem a nitró és az erős szőrű műrostos kefe (valaha írógép tisztító volt) vált be.
Ha szeretsz építeni, rajzolnék neked egy pár alkatrészes kiegészítést a relés áramkörhöz, hogy tudja a DC védelmet.
Rendben még átmosom csak kell vegyek nitrtót hozzá. Természetesen érdekelne az az áramkör.
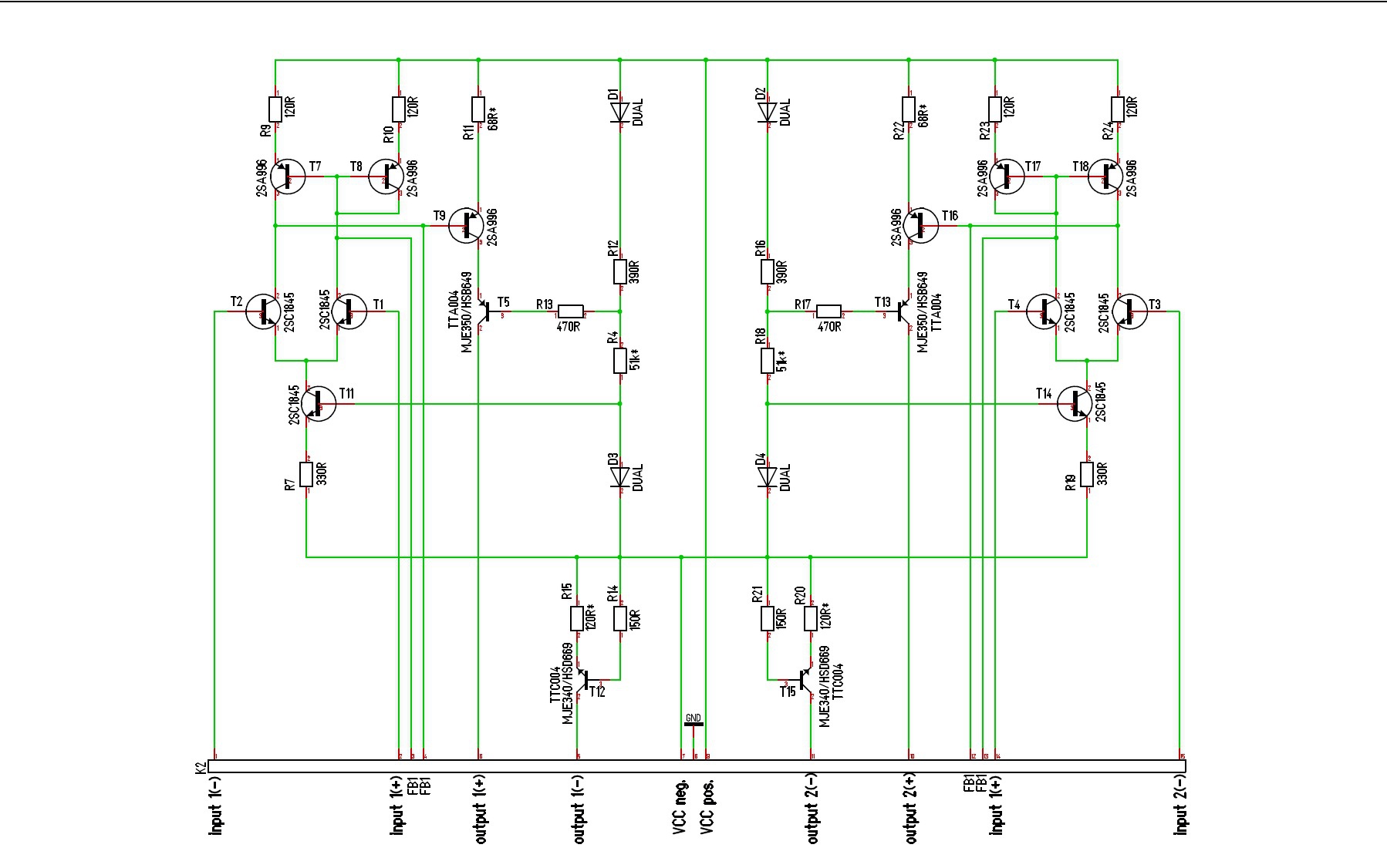
Köszönöm a segítséget. Amúgy erre a driver-re gondoltam. Nyák az már készen van. Az alkatrészek megvannak a 2SA és 2SC helyére BC640 és BC639 menne A többi maradt az MJE340 és MJE350 A hozzászólás módosítva: Jún 19, 2024
Csak a legegyszerűbb egyenfeszültség érzékelőt rajzoltam hozzá. Minden ellenállás 47k, tranzisztornak bármilyen BC sorozatú megfelel a P és az N típus betartásával.
A "Névtelen" ábrán az R14-et D3 anódra kell kötni, ugyan ez a helyzet R21, D4-gyel. Remélhetőleg a NYÁK rendben van.
R14 és R21 úgy van kötve ahogy írtad. Vagy valamit rosszúl nézek? R14 D3 anód R21 D4 anód a névtelen ábrán is így látom. Elvileg jó a nyák is mert a gerber rajzon is úgy van kötve.
A hozzászólás módosítva: Jún 19, 2024
|
Bejelentkezés
Hirdetés |





Van a NYÁK-on lehetőség a Q601 15-ös láb közelében, hogy szivárgás legyen a negatív táp felé? Ez az IC volt forrasztva a javítás során? Azért kérdem, a forrasztás segédanyaga néha vezetőképes. Ilyenkor a kimeneti egyenfeszültség ingadozni szokott.
Találtam egy kapcsolást egy másik erősítőnél használnak egy másik driver-t ez TA-1001 csak erről nem találok adatlapot. Ez 2 db STK0050 darlington packot hajt és itt megoldották egy trimmerrel a kimeneti DC állítást. 











