Fórum témák
» Több friss téma |
Mielőtt kérdezel, a következő két dolgot ellenőrizd!
I. A helyes tápfeszültségek megléte.
II. A kimeneten van-e egyenfeszültség.
Hát ha pontosítod az észrevételed akkor világosabb lenne. Így több dologra tudok gondolni.
1. Miért-nem smd kondit használt ha már egyszer utólag kellett ráforrasztani egy másik alkatrészre. 2. Az egyik kondi negativ erre a másik arra áll ha azt feltételezzük hogy a két meghalytó rész szimetrikus. Akkor ez hiba. 3. A kondik közel vannak a bordához. De szerintem az első pontban leírtakra gondoltál.
Minden bizonnyal behajtották az LME rögzítőcsavarját, aztán mókolták be egy előre nem tervezett helyre az elkót.
Nagy szerencséje Rowland-nek, hogy nem posztol a Ki mit épített? topicba
Igen. 5 millió forintért ez a mókolás elég gáz.
De úgy vannak vele a teteje úgy is rajtavan jó az úgy alapon, csak a hang legyen jó
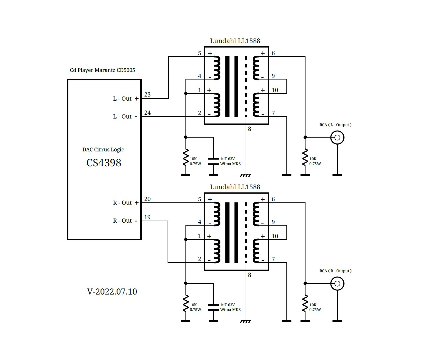
Sziasztok! Jól látom, hogy itt valahogy úgy lehet megoldva, hogy LME49810-es driver IC-k hajtják meg a végtranzisztor-párokat? Ez az IC elég vadállat 200V-os tápig elmegy (+-100V max.)... A Lundahl-trafók pedig lehet a szimmetrikus XLR-bementeket aszimmetrizálják (nem elektronikus balanced-inek, hanem trafósan)? Bár ezek az LL1588-asok 1:1-es áttételűek, lehet csak galvanikus leválasztók?.....hmmmm. Érdekes lenne erről egy komplett kapcsolási rajz (ámbár nem hiszem, hogy publikus...
)
Sajnos az LME49810-et sem gyártják már
Minden jobb alkatrész kihal lassan...
Valami ilyesmire gondolsz?
Huh, akkor azért nem látom sehol sem? Próbáltam keresni idehaza, de csak Ali vagy Ebay....hát, tényleg nagy kár lenne, pedig szívesen kipróbáltam volna ezzel valamit....
Miért az Ali vagy ebay nem jöhet szóba?
Igen, valami ilyesmire tippeltem....
Én használtam Lundahl-okat már, igaz más alkalmazásban.... Baromi drágák (akkoriban volt 100 Eur körül darabja!), de igen jó hangú svéd cucc... Nekem jó tapasztalatom van mikrofon preampokban a 1538 ill. 1517-es párossal (előbbi 1:5-ös bemeneti, míg utóbbi 1:1-es kimenő trafó). Ez utóbbit volt, hogy csak "kolorizálásra" használtam vonal szinten - csak átengedtem rajtuk a jelet, de kellemesebbé tette pl. a digitális források hangját. Szintén jó párosítás a 1576 (in) és 1585 (out) - ezeket gyári berendezésekban láttam, én magam még nem próbáltam ki. A hozzászólás módosítva: Feb 27, 2023
Hát...sajnos az utóbbi időben rengeteg bóvli jött onnan (részben a saját hibámból) - többek közt NOS (new old stock)-nak mondott germánium tranzisztorokkal jártam meg, vagy a nemrég említett (kínai) STK-hibrid IC-kkel... Sajnos nagyon nehéz kisakkozni, hogy mi a "fake", és mi eredeti esetleg. Ja, Vactrol-t (kvázi optikai adó-vevőt) is sikerült benyalnom (VTL5 és társai), pedig ugye elvileg "csak" egy egybe tokozott LED és LDR... de sajnos köszönő viszonyban sincs az eredetivel.... de ez csak pár példa, mostmár igyekszem óvatosabb lenni...
Hát nem tudom, én is sok dolgot rendeltem és rendelek is de nekem 1 esetben volt csak hamis cuccom az egy SI1050G volt 3 ból 1 a kettő stk hamisítványt meg itthon vásároltam üzletből szóval ennyit erről. STK IC-ben nagyon nem reménykednék hogy találsz eredetit csak úgy ha egy bontatlan készüléket veszel és te bontod ki. Nagyon ritka már az eredeti STK. Nézd meg ezt ez elég helytakarékos kivitel. LME49810 AMP
Azt az utat tartom jónak amit Te is választottál, le kell gyártani a kapcsolást diszkrét elemekből a lehető legkompaktabb formában.
Van annak súlya, hogy a hibrid erősítő modulok írmag nélkül pusztultak ki. Már az eredeti technológiával készültek is rosszul viselték a meleget és a túlterhelés. A vékony-film helyett közönséges NYÁK-ra épített felületszerelt utángyártás ott sül meg a zárt "koporsóban", mert a vásárlók elvárják az eredetinek megfelelő kinézetet. Úgy látom az a sajnálatos helyzet állt elő, megfizethető eljárással csak használhatatlan terméket lehet előállítani. A mini-hifi és sokwattos hangú TV dömpingje idején ez volt, ezt kellett szeretni. Mára a Downsizing-ot leuralta a "digitális" erősítő - megjegyzem nagyon helyesen, már a hatásfoka miatt is. Az STK és társai kapóra jöttek az asztali erősítők gyártóinak. Pikk-pakk összerakták a készüléket, némelyek belseje kongott az ürességtől. Mint írod is, akadnak köztük szívhez nőtt példányok, ezek megmentésén érdemes fáradoznunk.
Megérkeztek a darlingtonok amint lesz egy kis időm, ki is próbálom őket.
DENON AVC-X8500H Minden csatorna egy pár DHCT-A3/DHCT-C3 nagyáramú Darlington kompozit tranzisztort alkalmaz, amelyeket a Japan Sanken Company a Denon számára szabott meg a push-pull erősítéshez (High Power Darlington Pair Tranzisztor), amelyek maximális teljesítménye 160 W.
Tehát a Sanken gyártotta ezt is a DENON-nak
Már az egyik oldal szól! Eddig anomáliát nem nagyon találtam. Majd egy nagyobb műterhelést rá akasztok hogy megnézzem nagyobb teljesítményen mit tud. És majd kb 50 Wattal fogom járatni egy darabig.
Már alakul a dolog.
4 Ohm műterhelésen járattam őket felváltva. 100Hz en 4A kimenő árammal és 15V kimenő fesszel. A gyári borda sztereó terhelésben nem tudná lehűteni a két oldalt csak ventilátor beiktatásával. De nem is erre tervezték az erősítőt, hogy hosszú ideig ekkora terhelést kapjon.
Le a kalappal! Szuper lett, gratulálok.
Sziasztok!
Kérdésem az volna, hogy a hozzám került Philips erősítőben van egy STK2129. Mindkét oldal betáp lábai totál zárlatba vannak. Más hibáját eddig nem találtam. Ez mitől lehetett? Esetleg kimenet zárlat vagy túlmelegedés?
Túlmelegedni nem tud, van mindegyik Ic-ben, hőmegfutás elleni védelem, de kimeneti zárlat-túlterhelés elleni védelem is.
Sziasztok!
Került hozzám egy Universum csodából bontott STK4142II végfok trafóval együtt. Elméletileg működik, hallgatták. Egyenirányításig mértem, az rendben van. Kérdésem, hogyan lehetne bekapcsolni, ha szeretnénk bedozolni?
Talán ez a segítségedre lehet:
Bővebben: Link
Sziasztok. Mi a külömbség az stk4241V és ll változat között? Felcserélhetők?
Többnyire generáció. Az újabbaknak kisebb a torzítása.
Felcserélhető.
Szia,
hasonlítsd össze, én nem sok eltérést tapasztaltam. Ha a láb kiosztás megegyezik szerintem gond nélkül lehet cserélni. https://datasheetspdf.com/pdf-file/501806/Sanyo/STK4241V/1 https://datasheetspdf.com/pdf-file/501807/Sanyo/STK4241II/1
Egy sharp 7700 cserélném de nem akar jó lenni. Izzókkal élesztek 230v is, meg az egyen +-64v rakok égőt. De sajna nem akar beállni a nyugalmi olyan mintha zárlat lenne. Ellenállások átnézve 2sc2911 cserélve zénerek jók. Már kinomba a kondikat tesztelem. Az STK HQ elekrtonikátol van.
Ezt már néztem és van az ic belül eltérés nem is kicsi. Bár az alap kapcsolásban tényleg nem sok eltérés van.
Cseréld ki a kis kerámiakondenzátorokat legalább 100V-ra, vagy méginkább 500V-os kerámia kondenzátorokra, mindegyiket, mindenféle mérés nélkül! Sokszor ezek okolhatók gerjedésért, melegedésért és megmagyarázhatatlan hibákért, tönkremenetelért. A táp hidegítő és szűrőkondenzátorokat érdemes mérni és cserélni, ha szükséges.
Üdv! |
Bejelentkezés
Hirdetés |




De úgy vannak vele a teteje úgy is rajtavan jó az úgy alapon, csak a hang legyen jó
) 






















