Fórum témák
» Több friss téma |
Fórum » Stúdióvaku probléma
Témaindító: gorbelabda, idő: Júl 15, 2007
Témakörök:
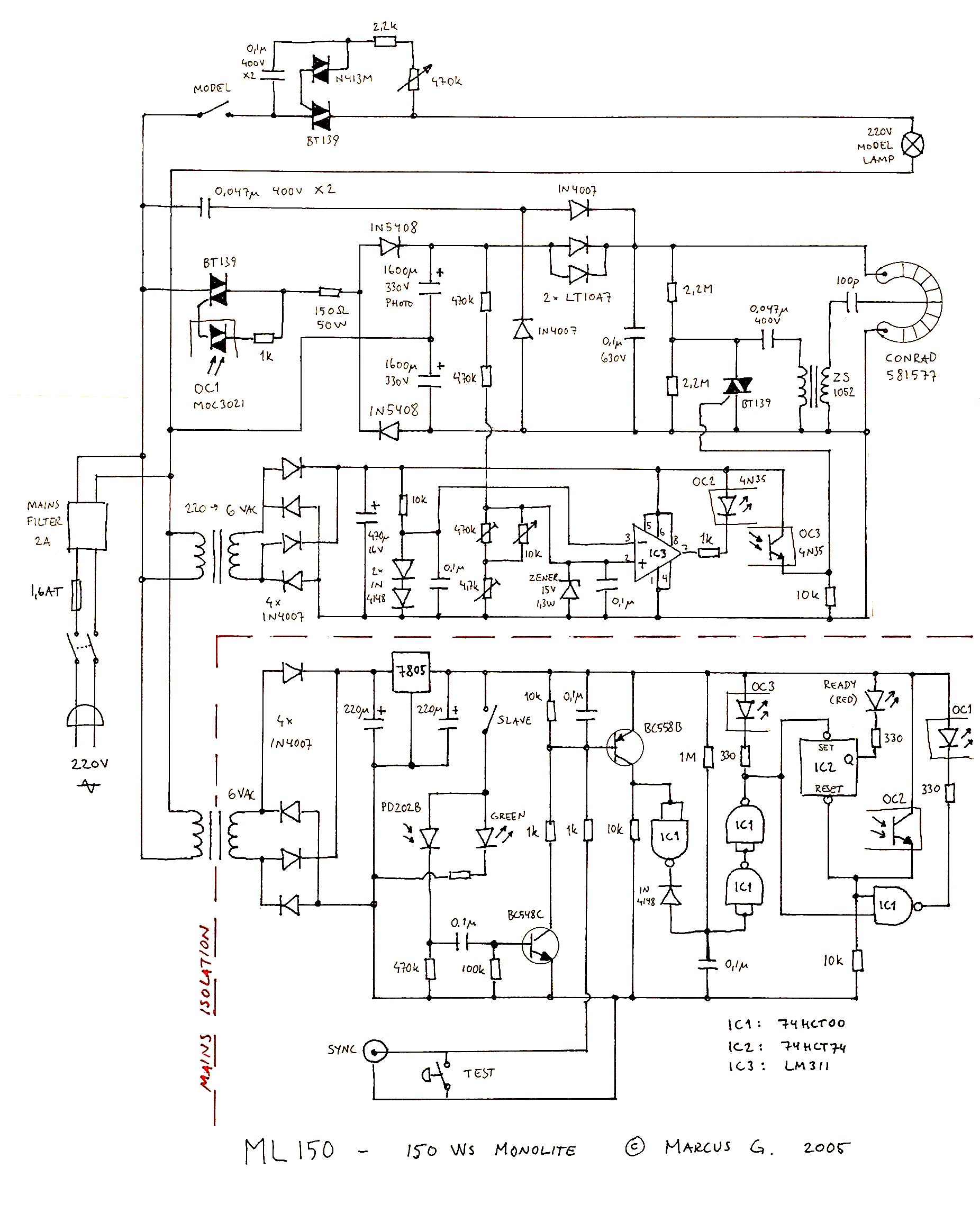
A következő stúdióvaku kapcsolást építettem meg, ami működik is, csak a probléma ott kezdődik ha elsütöm a test gombal vagy akármilyen módon a vakut OC3 optotranyó meghal! Próbáltam optotriakal is az is ugyanerre a sorsra jutott! Ha valakinek van ötlete mi okzhatja vagy hogy tudnám ki küszöbölni azt megköszönném!
1., mi hal meg? az opto dióda v. a tranyó ( pontosan)...?
2., tippelek a tranyóra, mert ha megnézed , a triac gate direktben kapja meg rajta keresztül a DC tápot - oda kellene egy soros párszáz ohm... indulj vissza pl. 470 ohmtól addig, ameddig be nem gyújt a triac - talán 220 ohm már oké.
A tranyó hal meg, van egy hasonló kapcsolási rajz is ott van még egy 1Kohm ellenállás a BT139 vezérlése és a föld felöli lábán! Ugy is próbáltam de akkor is behalt! A soros ellenállást én is hiányoltam de mivel több helyen is látam így gondoltam jó lesz. Ki fogom próbálni!
Esetleg még tehetsz egy diódát paralel a gate-tel ( katód : gate, anód: test, nehogy visszapofázzon .
Ellenállás van rajta, a 10 k....
Köszönöm a segítséget! A 220ohm bizonyult a jó megoldásnak! Most már tökéletesen működik! Mégegyszer köszi!
OK... rendben.
a hétvégén kimentem a piacra, és rátaláltam 1 lomosnál a képeken szereplő vakut
öszvisz egy 100asba került nekem azzal a problémával fordulok felétek, hogy nem villan el, de feltölt 136 voltig, ha megnyomom a kisütő gombot akor sem van rajta 2 érintkező emi a fényképezőbe kell, és ha azt rövidrezárom akkor villania kéne a teszt gomb és a 2 érintkező ugyanoda vezet a gomb 1 lyukas fémdarab a nyák másik oldalán van 1 glimmlámpa, oda 30-40 volt megy, de sose világít, lehet ez a baj? mert végül enek az égőnek kéne hátulról megvilágítani a teszt gombot ha rövidrezárom akkor úgy jó lehet? ha megnyomom az érintkezőt akkor a multiméter szerint lassabban kezd tölteni felfele a kondi, és ad is lefele magából mert szépen megrázott szerintetek a villanócsővel van a probléma???? mert ha igen akkor megcsinálom sokkolónak az elektronikát remélem tudtok segíteni
Gyanus a dolog, mert elvileg a glimm lámpák olyan 40V körül világítanak, de nem hinném hogyazért nem villan el mert a glimm nem világít. A 136V-ot a csövön mérted? Lehet gond a gyujtótrafóval is, azok szeretnek behalni.
Sziasztok
Van egy 100ws-os stúdióvakum melynek bedöglött a villanó cső elötti kis gyujtó trafó. Tudnátok nekem segíteni hol lehet olyat beszerezni, vagy esetleg milyen paraméterekkel rendelkezhet? Köszi előre is.
Elméletileg bármely jól felszerelt elektronikai boltban hozzájutsz. Én is nemrég vettem, csak annyit kérdeztek mekkora teljesítményő csőhöz lesz.
100ws-os vakuhoz kellene, csak nem tudom a trafó paramétereit hogy kellene kérnem.
Köszi, akkor majd megpróbálok beszerezni, mondjuk itt Székesfehérváron nem nagy választék van elektrónikai boltból, de remélem lesz nekik.
Azt keresd meg, miért csak 136V-ig töltődik a kondi. Legalább 320...350V-nak kell rajta megjenni.
Hát nem sok sikerrel jártam itt fehérváron
esetleg tudsz egy címet adni pesten ahol lehet kapni gyujtó trafót? Néha szoktam pesten járni akkor megprobálnám beszerezni. És megközelítőleg milyen árat képvisel?
Én a Klinikáknál lévő elektrokontha-nál szoktam vásárolni (www.elektrokontha.hu) itt vettem a gyujtótrafót is, pár száz forint volt! 2féle van nekik, egy 60Ws-hoz, meg egy 250Ws-hoz.
Köszi megnézem náluk. Remélem kapok igaz nekem 100ws-oshoz kéne.
A 250ws-hoz való jó lesz!
Köszi
Sziasztok.
Tudna nekem valaki segíteni? Következő probléma áll fenn a vakunál: Amikor feltöltődik akkor magátol kisüti magát (elvillan) Mi lehet ennek az oka?
Sziasztok.
Én is neki veselkedtem egy stúdió vakunak. A jelenség a következő. Ha a kondi amit rásüt 500µF akkor szépen villan a cső, majd csippan, led világit és nyomhatom újra a teszt gombot. Ha a kondit megnövelem 2300µF-re, akkor villan, majd égve marad a cső, R2 melegedni kezd mint, és ha nem kapcsolom le időben akkor felrobban. Amit meg eszleltem, hogy a maximalis 300V-os határ feszültséget be tudom állítani töltésnel, levenni viszont 150V alá nem bírom, de 200V alatt nem is villan el a cső 500µF-el (nagyobbal nem tudom, mert azzal nem tudtam kísérletezni.) Utoljára most kipróbáltam azt, hogy az R1 és D4 között lévő átkötést megszüntettem, de így is a fent leírt módon működik. (Szerintetek sem kell az az átkötés oda?) MOC3063 van berakva a töltéshez és a R3, R4-et kicseréltem 360ohm-ra, de ez sem változtatott a működésén. A *_forditott.gif a külső elemek huzalozására jó inkább a másik jobban átlátható talán. Van öttletetek mi lehet a baj? HyGy
sziasztok, szeretnék studio vakut épiteni. valakinek van müködö képes rajza es ahoz nyákterv /beültetesi rajz ? sokat segitene vele. elore is köszönöm
Nekem abban lenne segítségre kérésem, hogy egy Canon 380EX vaku kapcsolás kellene.
A készülék bekapcsolásakor elindul az oszcilláció, de azonnal megáll. A ki-be kapcsolgatással a kondenzátor kb.160 voltra töltődik. A teljesítmény tranzisztorok jók, az oszcilláció elindul, de rögtön leáll.
A 940831 számú kérdést szeretném kiegészíteni. Kaptam egy javaslatot , sikerült letölteni egy katalógust, mely tartalmazza a vaku szerelési rajzait de sajnos a kapcsolási rajz nem volt meg. ezenkívül leforrasztottam a nagy kapacitású kondenzátort, feltöltöttem egyenirányító, és ellenállás segítségével 250 voltig. A kondenzátor 10 perc múlva is csak 4 voltot csökkent.
Segítség!!! Szervizbe nem tudom vinni mer kisnyugdíjas vagyok!
Sajnos a fent említwtt oldalon csak szerelési vázlat, és alkatrész számok vannak.
Mellékelek két fotót melynek kellene a kapcsolási rajza.
Sziasztok!
Tudna küldeni nekem valaki egy egyszerű szabályozható studióvaku kapcsolási rajzot? Előre is köszi!
Sziasztok!
Ezt a kapcsolást csináltam meg, tudna valaki abban segíteni, hogy hogy tudnám gyorsabban feltölteni/feltöltetni a kondit?
Az R3 értéke befolyásolja a feltöltődés idejét , ha csökkented -csökken az idő is .(gondoloma C3 ról van szó)
A hozzászólás módosítva: Márc 17, 2013
Sziasztok!
Segítségre lenne szükségem. Van egy rendszer vakum aminek kiszakadt a tápcsatlakozója. egy akkupakkról működik 4 pólusú csatlakozóval. 1-2 között 6.5 v-ot, 4-2 között 7.5 v-ot mértem, mindkettőnél a 2-es anegatív. A 3-as pólusnak látszólag semmi köze semmihez. Az akku elvileg 14.4 voltos. a vakuban ugyanúgy mint a molex csatlakozóknál van egy sárga két fekete és egy piros vezeték. A vaku nyákján a két fekete össze van kötve. Valószínűnek tartom az akkupakk 3 pólusa egy kapcsolókén funkcionál, a problémám viszont az, hogy az akksiban a kétszer 7.2 volt negatívja közös akkor abból hogy lesz 14,4 volt. Erről lenne szó: http://www.phottix.com/index.php/en/indra500-ttl-and-accessories/ph...s=cart Előre is kösz a segítséget.
Sziasztok! Húsz éve nem használt orosz Fil 102 halózati vakuimat próbáltam ki, az egyik rendesen működik, a másik némi sercegést produkált és mást semmit. Illetve, hogy az R1 ellenállás (10W) erősen melegszik. Lehet, hogy az 1500µF -os kondi ment tönkre? Mert akkor kuka, az egész nem ér annyit, mint egy új kondi. (a másik kondit tudtam ellenőrizni, az jó.)
|
Bejelentkezés
Hirdetés |










esetleg tudsz egy címet adni pesten ahol lehet kapni gyujtó trafót? Néha szoktam pesten járni akkor megprobálnám beszerezni. És megközelítőleg milyen árat képvisel?









